GM Service Manual Online
For 1990-2009 cars only
Makes
🢒
Pontiac
🢒
2005
🢒
Matiz
🢒
Body
🢒
Stationary Windows
🢒 Defogger Schematics
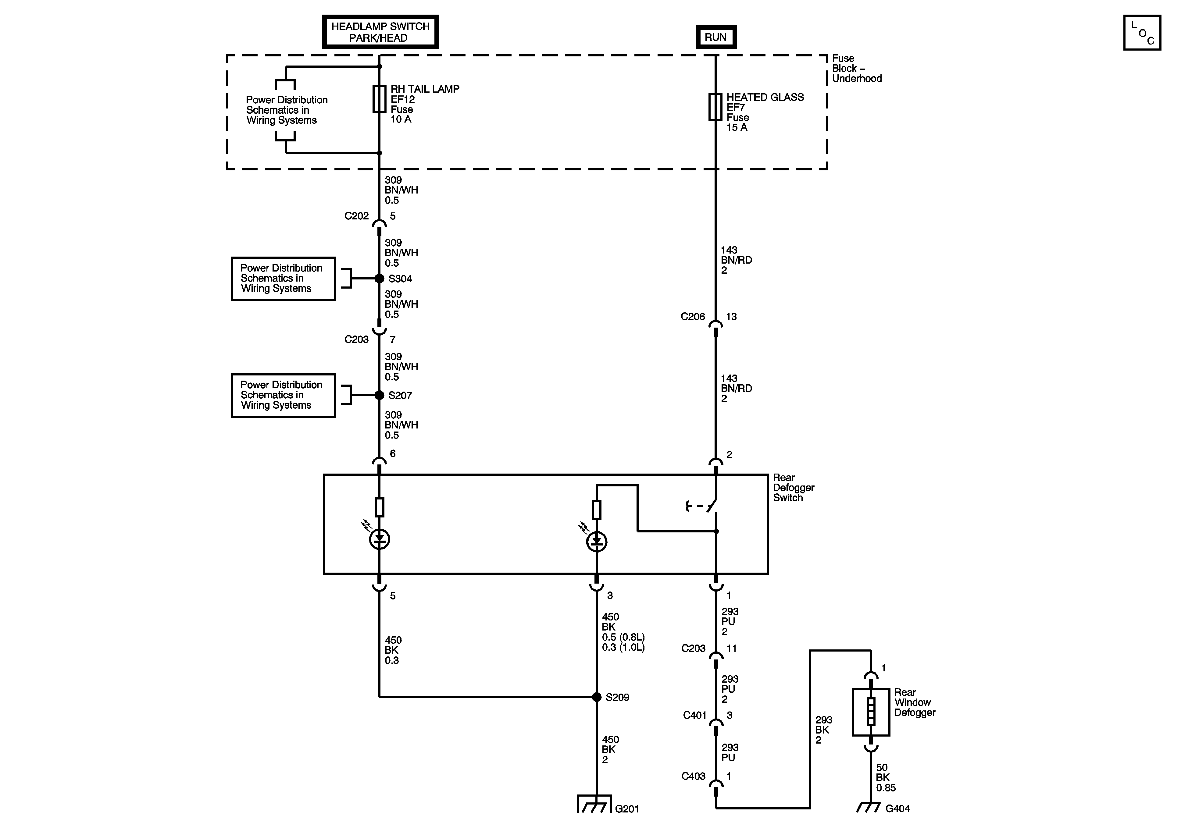
Rear Window Defogger
Master Electrical Component List
RH TAIL LAMP, LH TAIL LAMP Fuses (Continued)
RH TAIL LAMP, LH TAIL LAMP Fuses (Continued)
RH TAIL LAMP, LH TAIL LAMP Fuses (Continued)