GM Service Manual Online
For 1990-2009 cars only
Makes
🢒
Pontiac
🢒
2005
🢒
Matiz
🢒
Body
🢒
Wipers/Washer Systems
🢒 Wiper/Washer Schematics
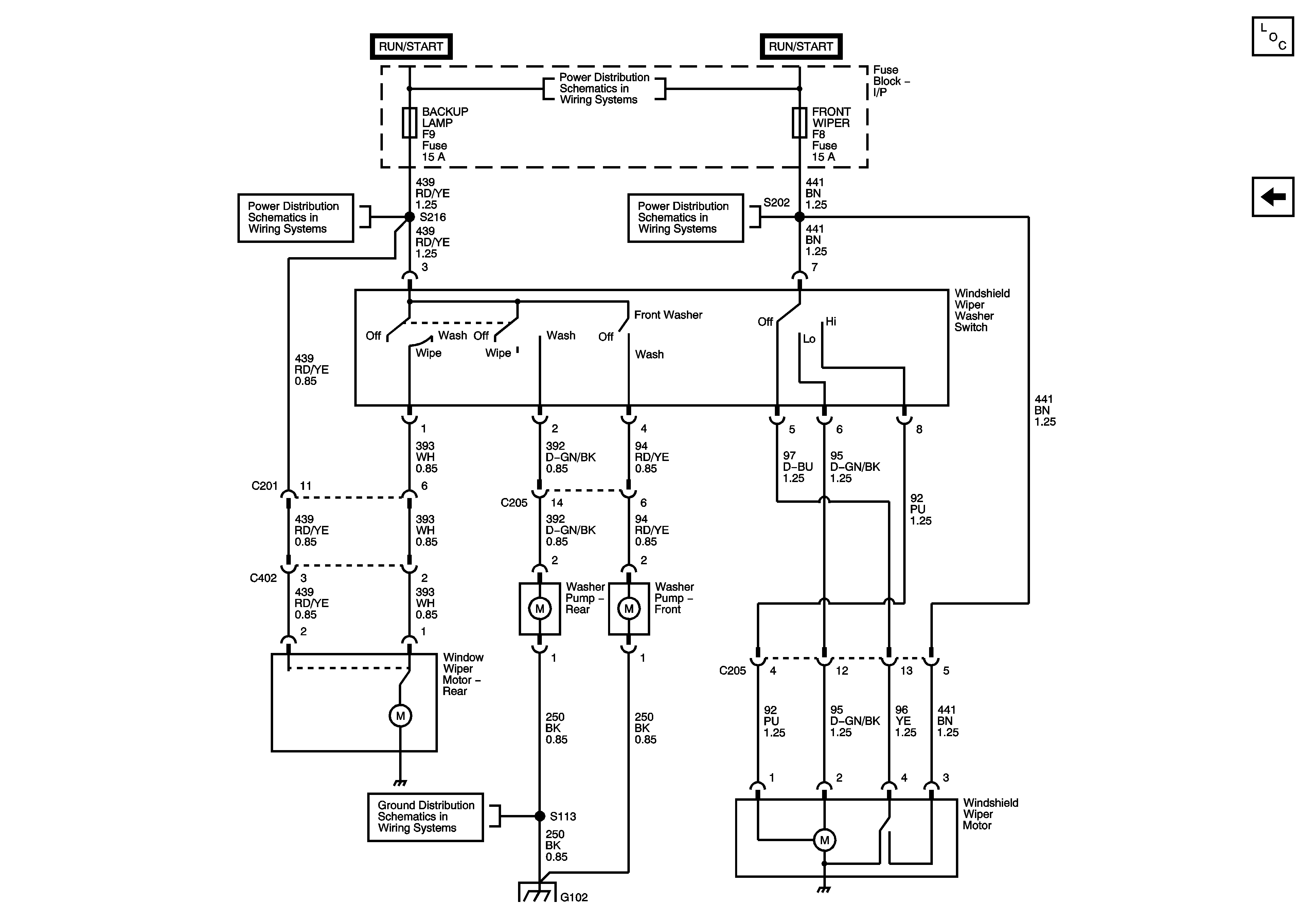
Figure
1:
Wiper Motors and Washer Pump (w/ Intermittent)
Master Electrical Component List
Wiper Motors and Washer Pump (w/o Intermittent)
Instrument Panel Fuse Block - FRONT WIPER, BACKUP LAMP, and MIRROR Fuses
Instrument Panel Fuse Block - FRONT WIPER, BACKUP LAMP, and MIRROR Fuses
Instrument Panel Fuse Block - FRONT WIPER, BACKUP LAMP, and MIRROR Fuses
G102
G201 (0.8L)
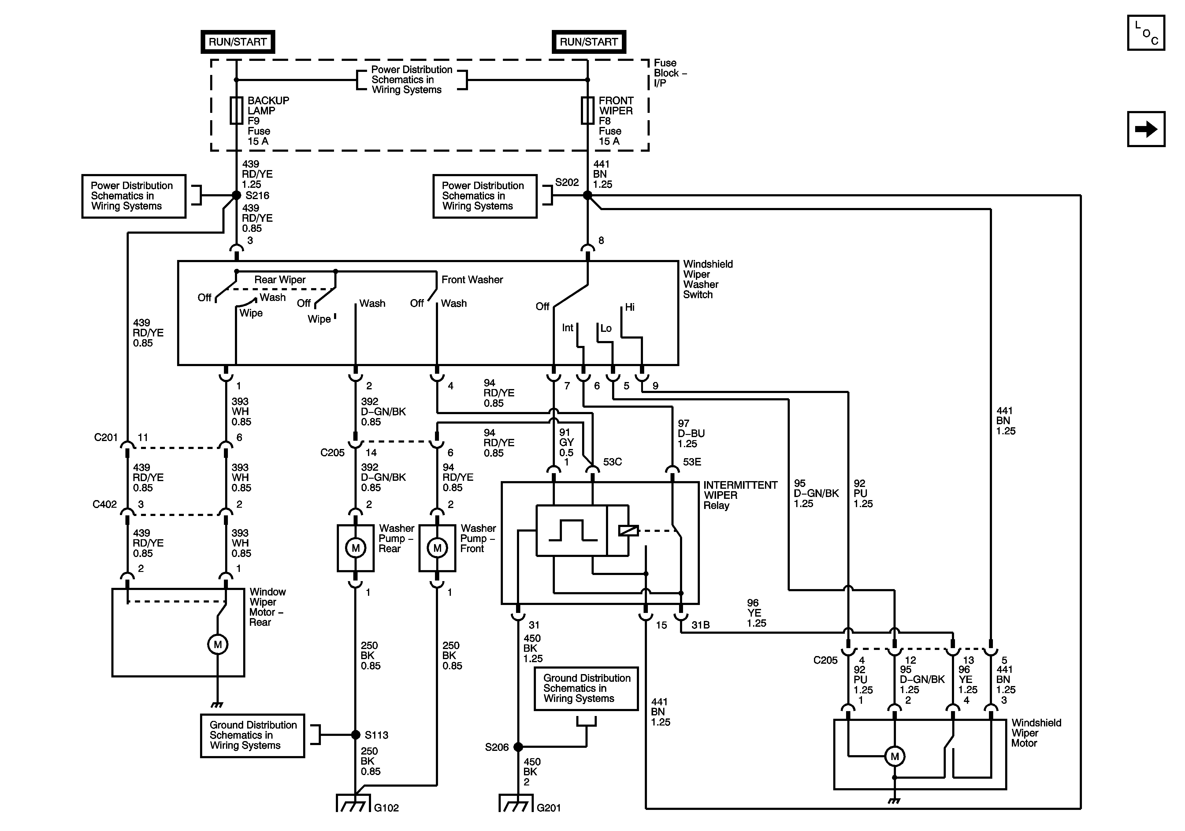
Figure
2:
Wiper Motors and Washer Pump (w/o Intermittent)
Master Electrical Component List
Wiper Motors and Washer Pump (w/ Intermittent)
Instrument Panel Fuse Block - FRONT WIPER, BACKUP LAMP, and MIRROR Fuses
Instrument Panel Fuse Block - FRONT WIPER, BACKUP LAMP, and MIRROR Fuses
Instrument Panel Fuse Block - FRONT WIPER, BACKUP LAMP, and MIRROR Fuses
G102