GM Service Manual Online
For 1990-2009 cars only
Makes
🢒
Pontiac
🢒
2005
🢒
Matiz
🢒
Body
🢒
Wiring Systems
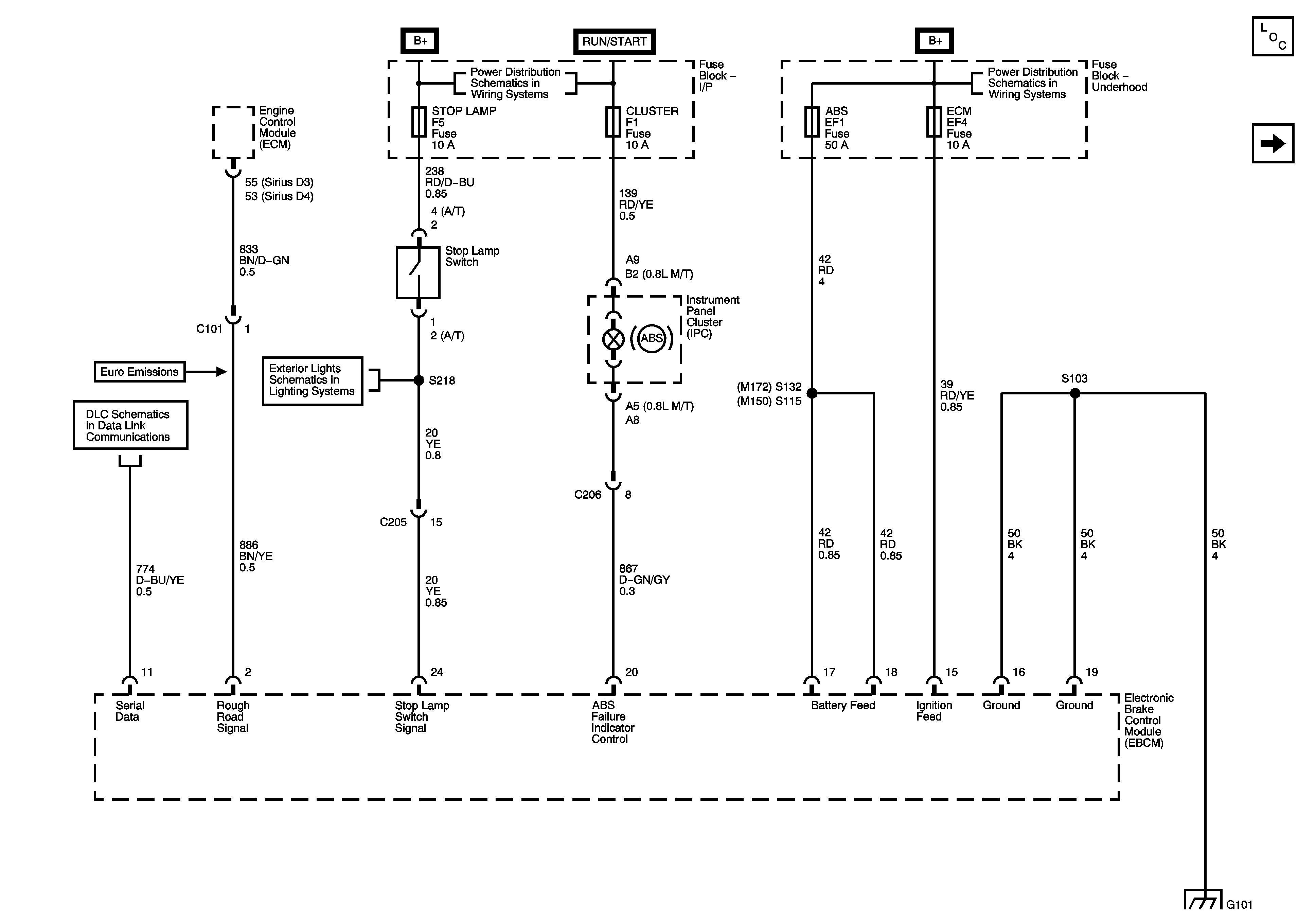
🢒 Antilock Brake System Schematics
Figure
1:
Module Power, Ground and Malfunction Indicator Lamp (MIL)
Master Electrical Component List
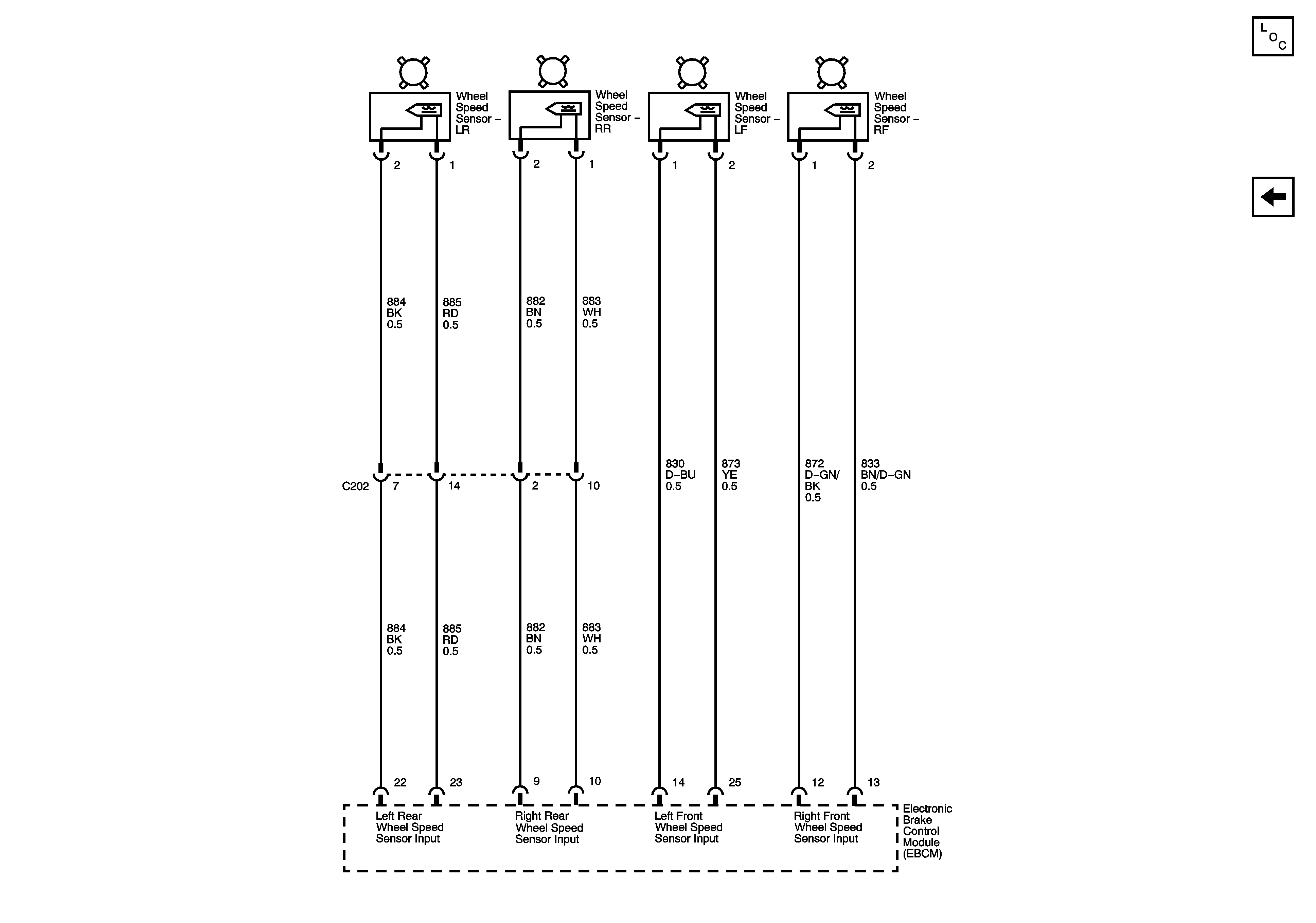
Wheel Speed Sensor Circuits
Underhood Fuse Block (0.8L) - IP FUSEBOX Fuse, IGNITION SWITCH, IP FUSE BLOCK (0.8L) - STOP LAMPS, ROOM LAMP, HAZARD LAMP and CENTRAL DOOR LOCK Fuses
Underhood Fuse Block (1.0L) - ECM, FUEL PUMP Fuses
Data Link Connector (DLC) (Sirius-D3)
Stop Lamps
Figure
2:
Wheel Speed Sensor Circuits
Master Electrical Component List
Module Power, Ground and Malfunction Indicator Lamp (MIL)