GM Service Manual Online
For 1990-2009 cars only
Makes
🢒
Pontiac
🢒
2005
🢒
Matiz
🢒 Charging System
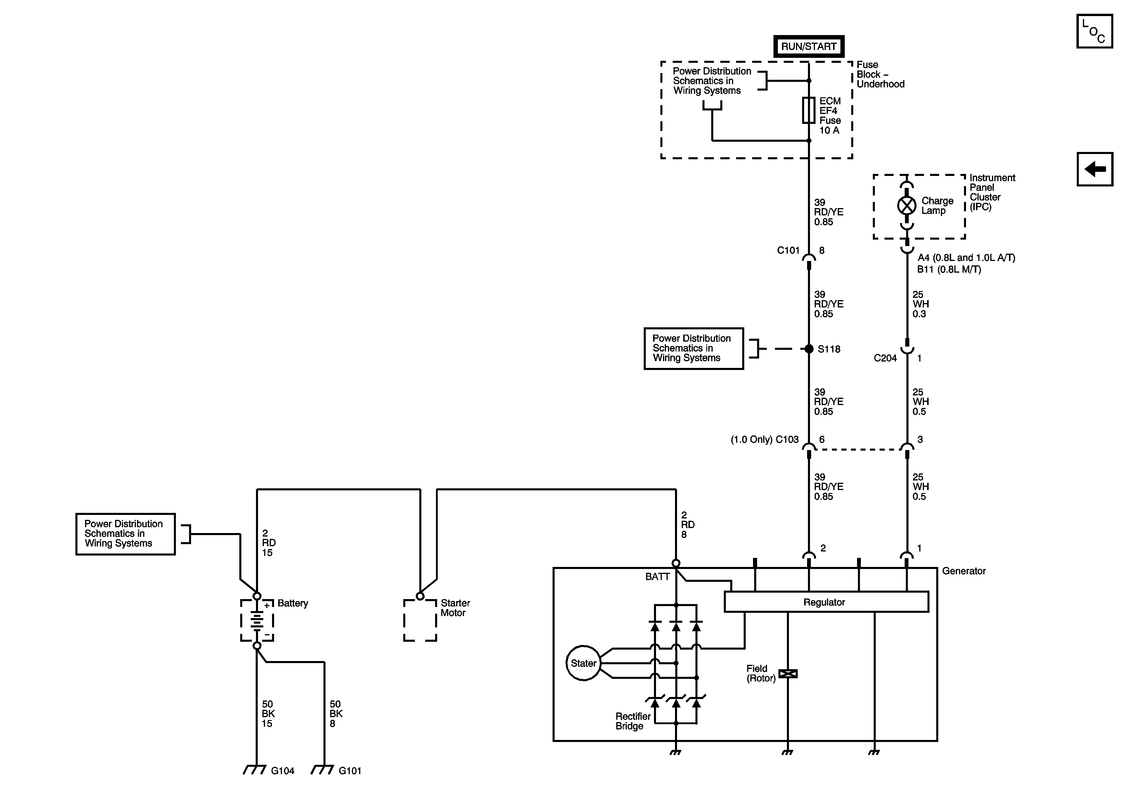
Charging System
Charging System
Master Electrical Component List
Starting System
Underhood Fuse Block (0.8L) - ECM and FUEL PUMP Fuses
Underhood Fuse Block (0.8L) - ECM and FUEL PUMP Fuses
G101