GM Service Manual Online
For 1990-2009 cars only
Makes
🢒
Pontiac
🢒
2005
🢒
Matiz
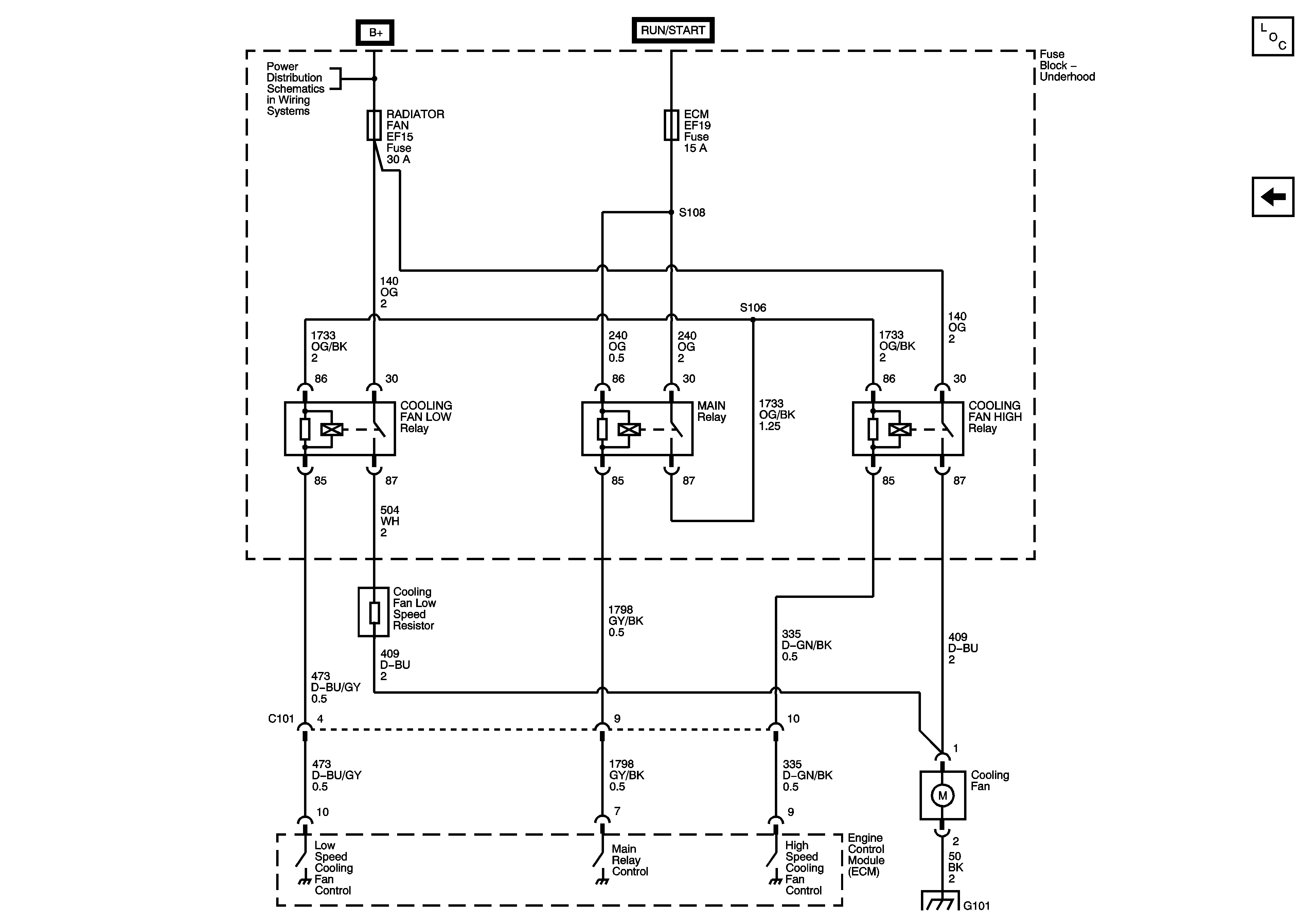
🢒 Colling Fan Controls 1.0L
Colling Fan Controls 1.0L
Cooling Fan Controls - 1.0L
Master Electrical Component List
Colling Fan Controls 0.8L
Underhood Fuse Block (0.8L) - BLOWER MOTOR, HEATED GLASS, COOLING FAN, and AIRCON Fuses