GM Service Manual Online
For 1990-2009 cars only
Makes
🢒
Pontiac
🢒
2005
🢒
Matiz
🢒 Headlamps
Headlamps
Headlamps
Master Electrical Component List
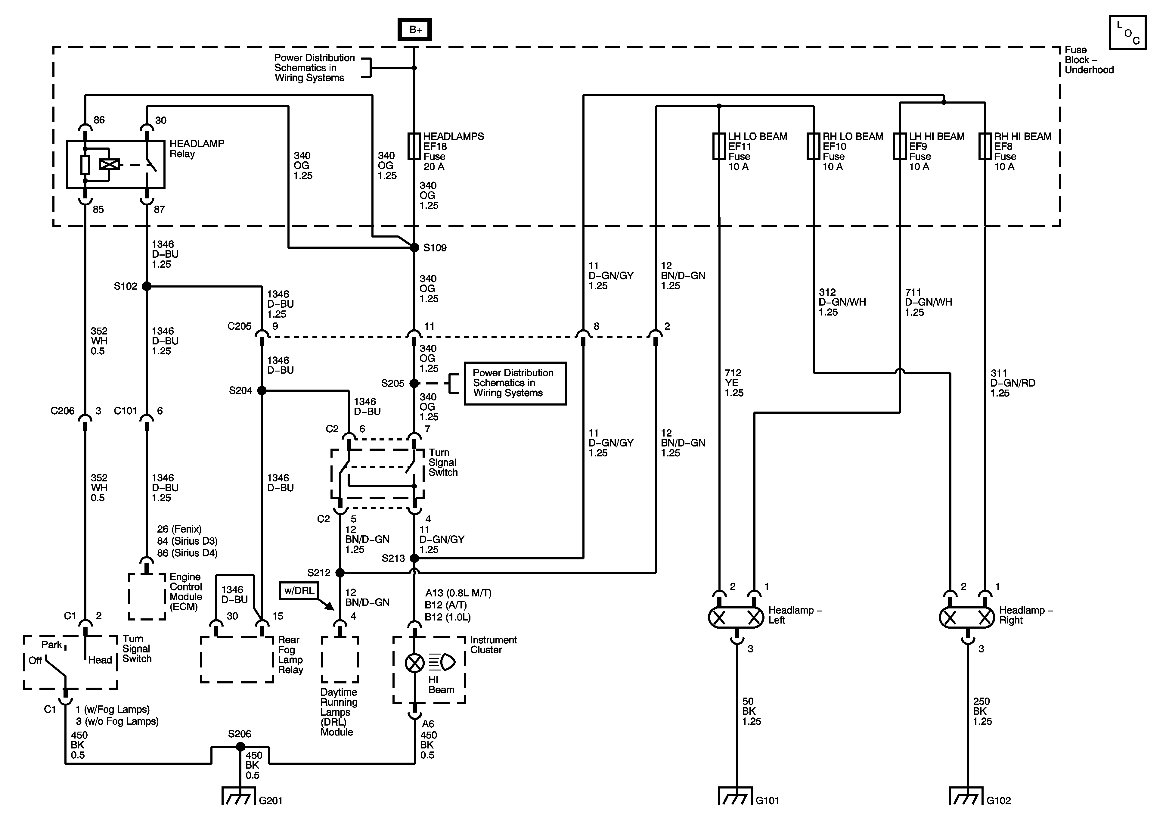
Underhood Fuse Block (0.8L) - HEADLAMPS, LH LO BEAM, RH LO BEAM, LH HI BEAM, and RH HI BEAM Fuses
Underhood Fuse Block (0.8L) - HEADLAMPS, LH LO BEAM, RH LO BEAM, LH HI BEAM, and RH HI BEAM Fuses