GM Service Manual Online
For 1990-2009 cars only
Makes
🢒
Pontiac
🢒
2005
🢒
Matiz
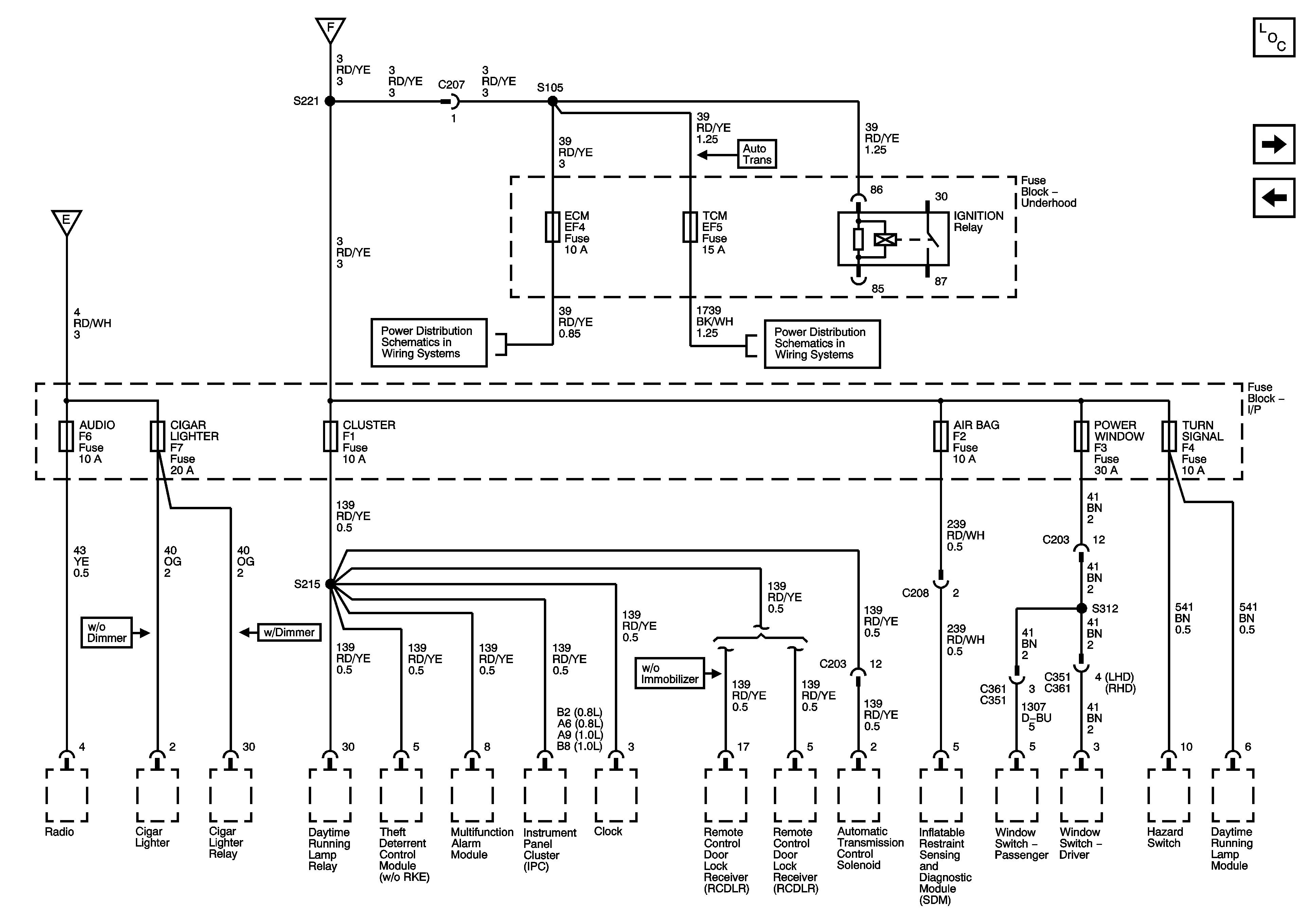
🢒 Instrument Panel Fuse Block - ECM and TCM Fuses, Underhood Fuse Block - AUDIO, CIGAR LIGHTER, CLUSTER, AIRBAG, POWER WINDOW and TURN SIGNAL Fuses
Instrument Panel Fuse Block - ECM and TCM Fuses, Underhood Fuse Block - AUDIO, CIGAR LIGHTER, CLUSTER, AIRBAG, POWER WINDOW and TURN SIGNAL Fuses
Instrument Panel Fuse Block - ECM and TCM Fuses, Underhood Fuse Block - AUDIO, CIGAR LIGHTER, CLUSTER, AIR BAG, POWER WINDOW and TURN SIGNAL Fuses
Master Electrical Component List
Instrument Panel Fuse Block - FRONT WIPER, BACKUP LAMP, and MIRROR Fuses
Underhood Fuse Block (1.0L) - IP FUSEBOX Fuse, IGNITION SWITCH, IP FUSE Block (1.0L) - STOP LAMPS, ROOM LAMP, HAZARD LAMP, and CENTRAL DOOR LOCK Fuses