GM Service Manual Online
For 1990-2009 cars only
Makes
🢒
Pontiac
🢒
2005
🢒
Matiz
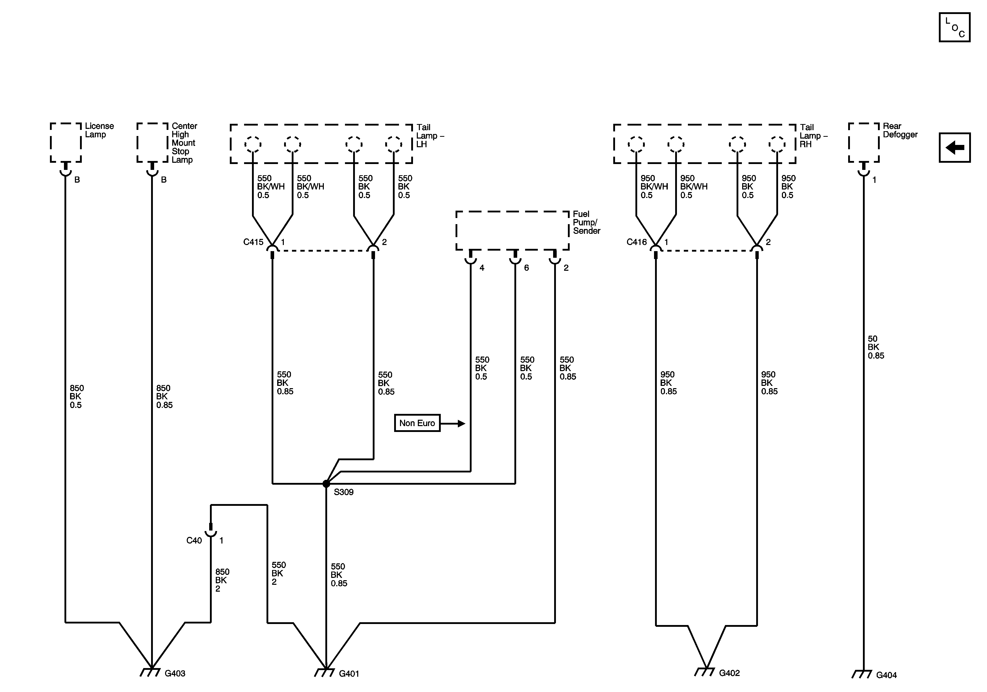
🢒 G401, G402, G403, and G404
G401, G402, G403, and G404
G401, G402, G403, and G404
Master Electrical Component List
G301 and G302