GM Service Manual Online
For 1990-2009 cars only
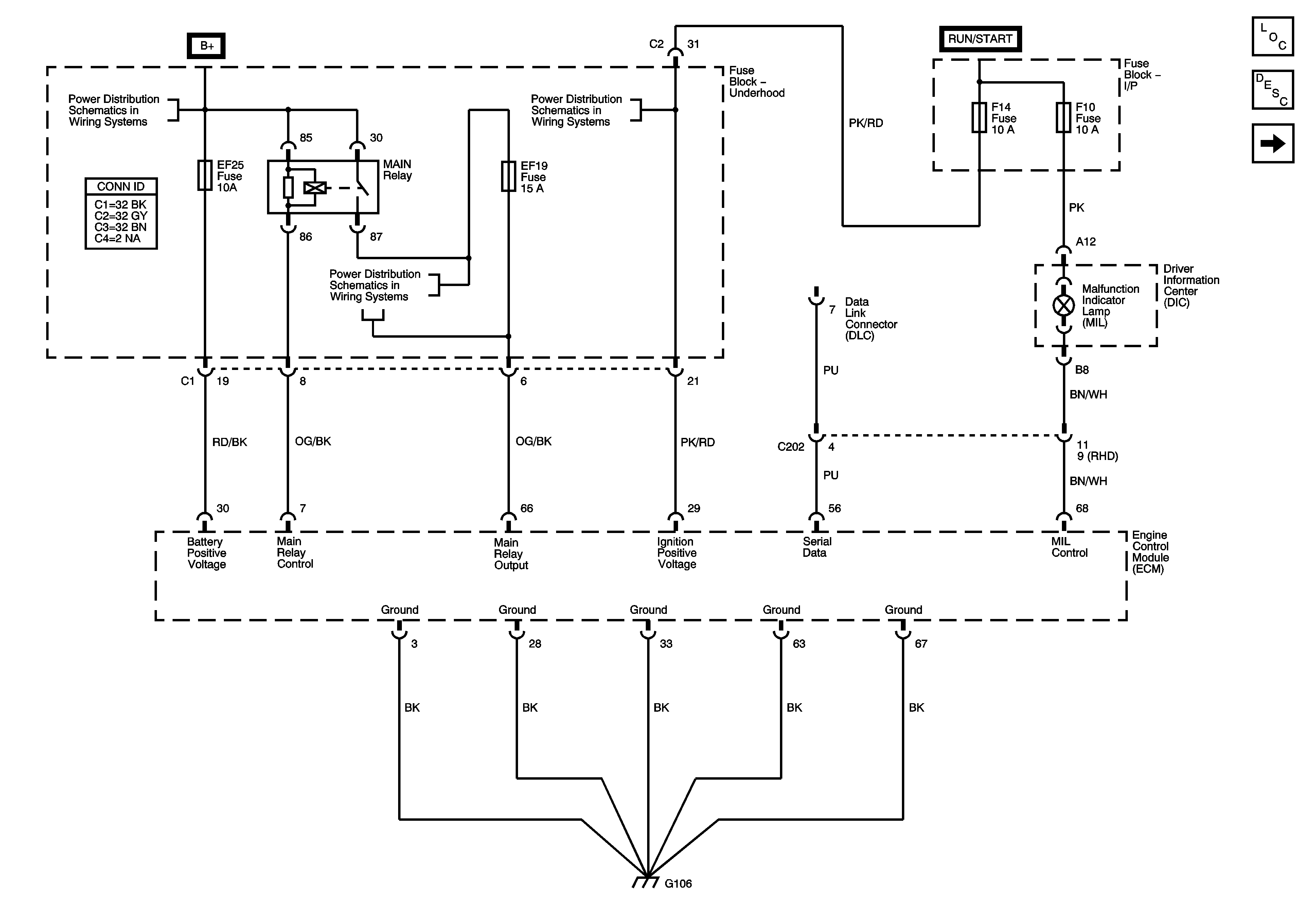
Figure 1:

Power, Ground, DLC and MIL


Object Number: 1649369  Size: FS
Figure 2:

TP, IAT, MAP and ECT Sensors


Object Number: 1649422  Size: FS
Figure 3:

HO2S1, HO2S2 and O2S


Object Number: 1649424  Size: FS
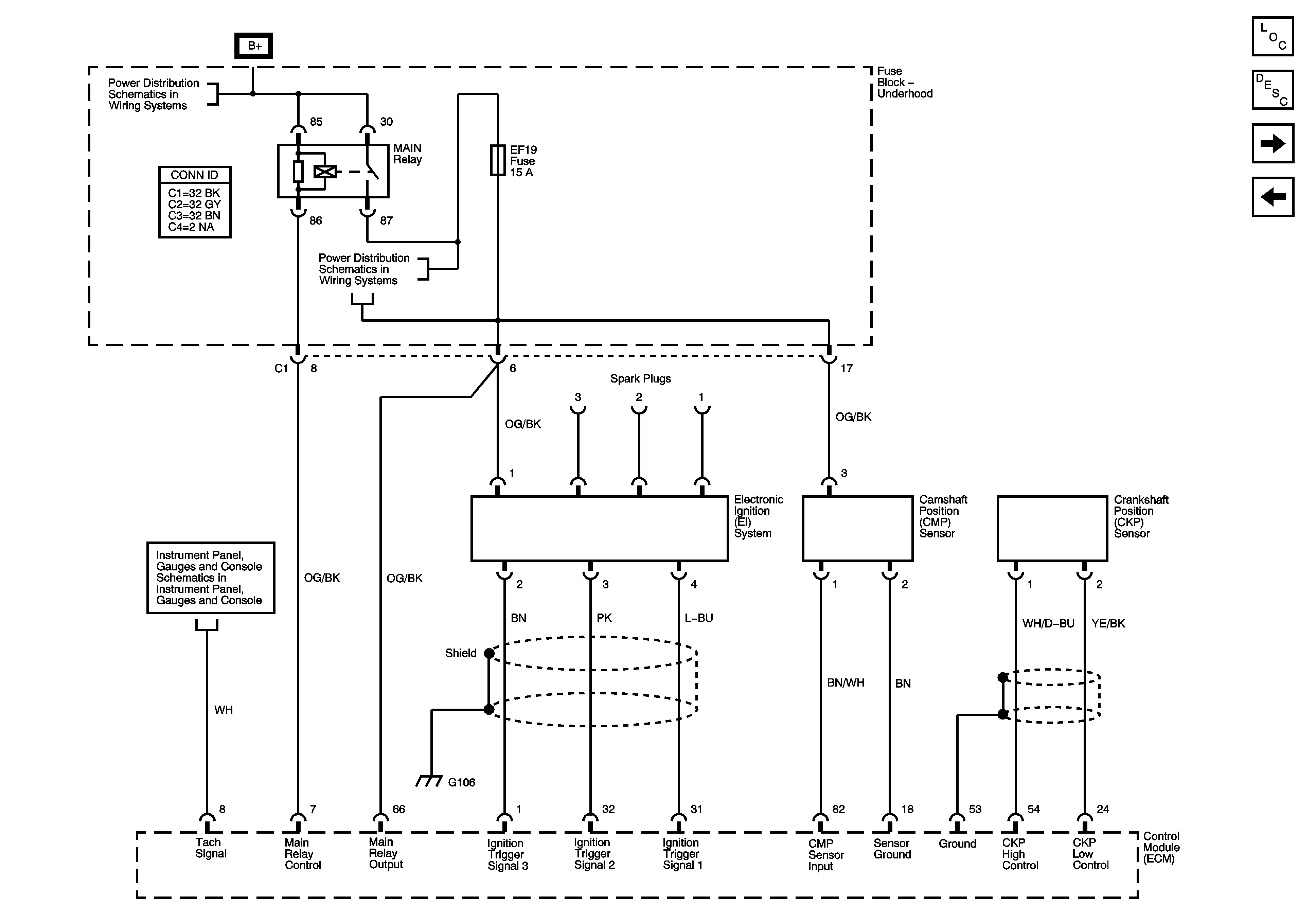
Figure 4:

Ignition, CMP and CKP Sensors


Object Number: 1649426  Size: FS
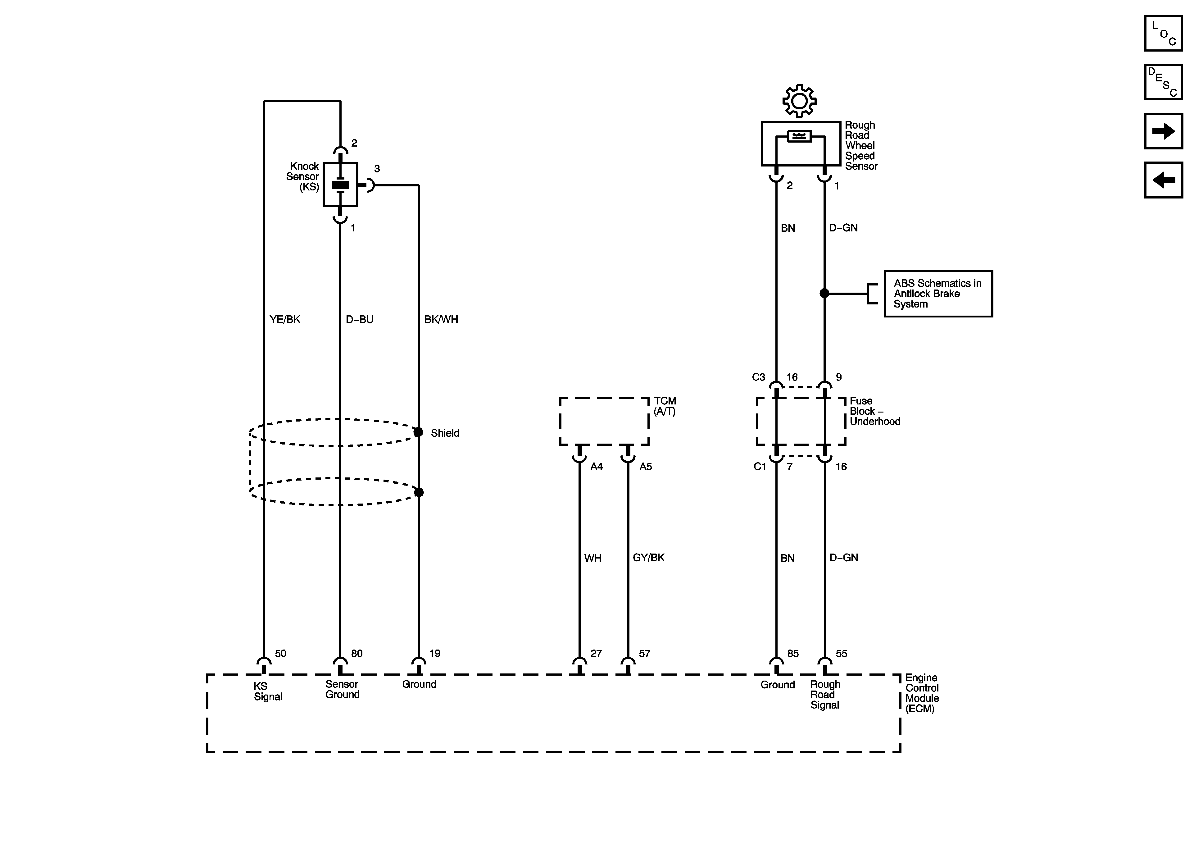
Figure 5:

Knock Sensor, TCM and Rough Road WSS


Object Number: 1649427  Size: FS
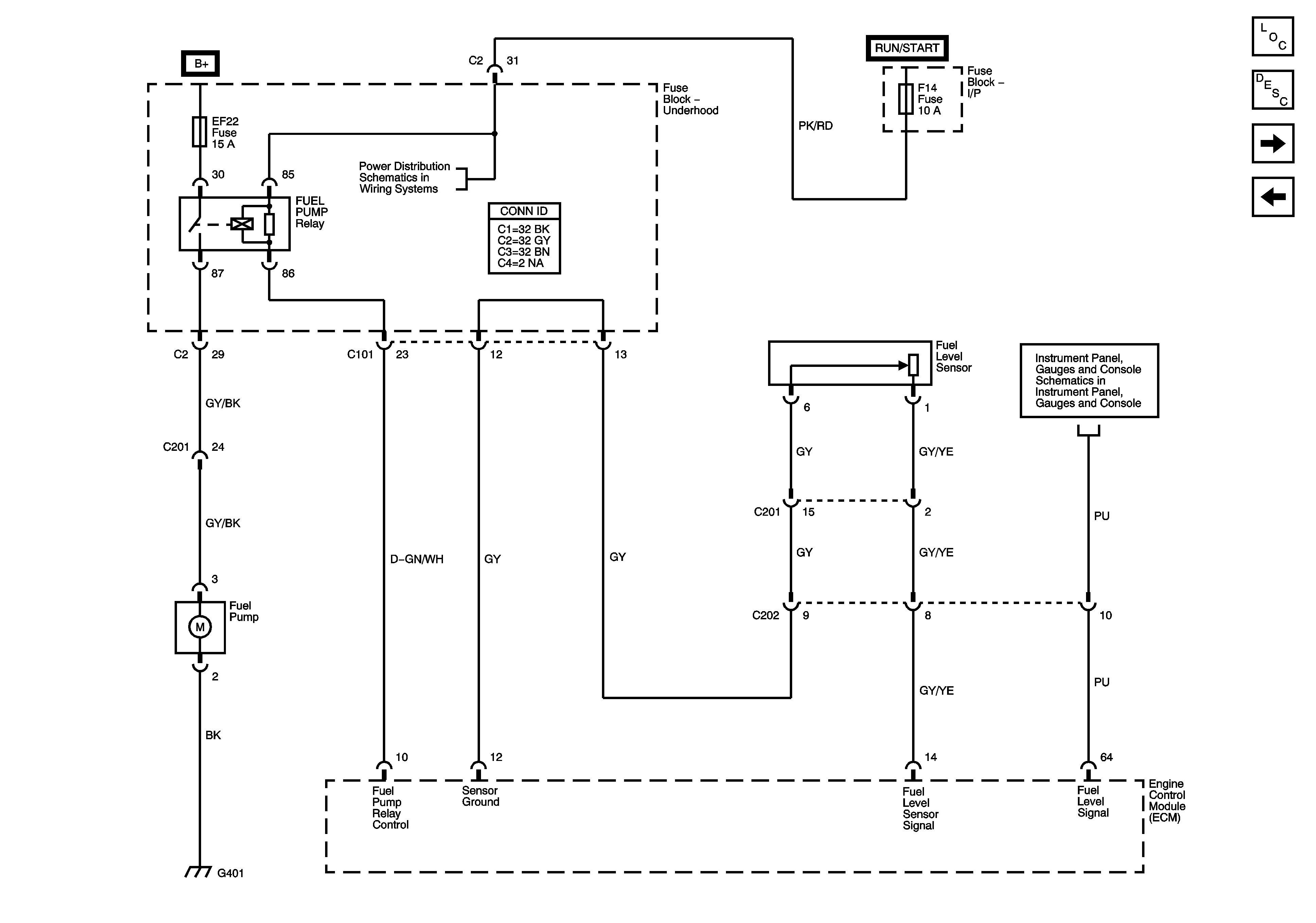
Figure 6:

Fuel Pump Controls and Fuel Level Sensor


Object Number: 1649430  Size: FS
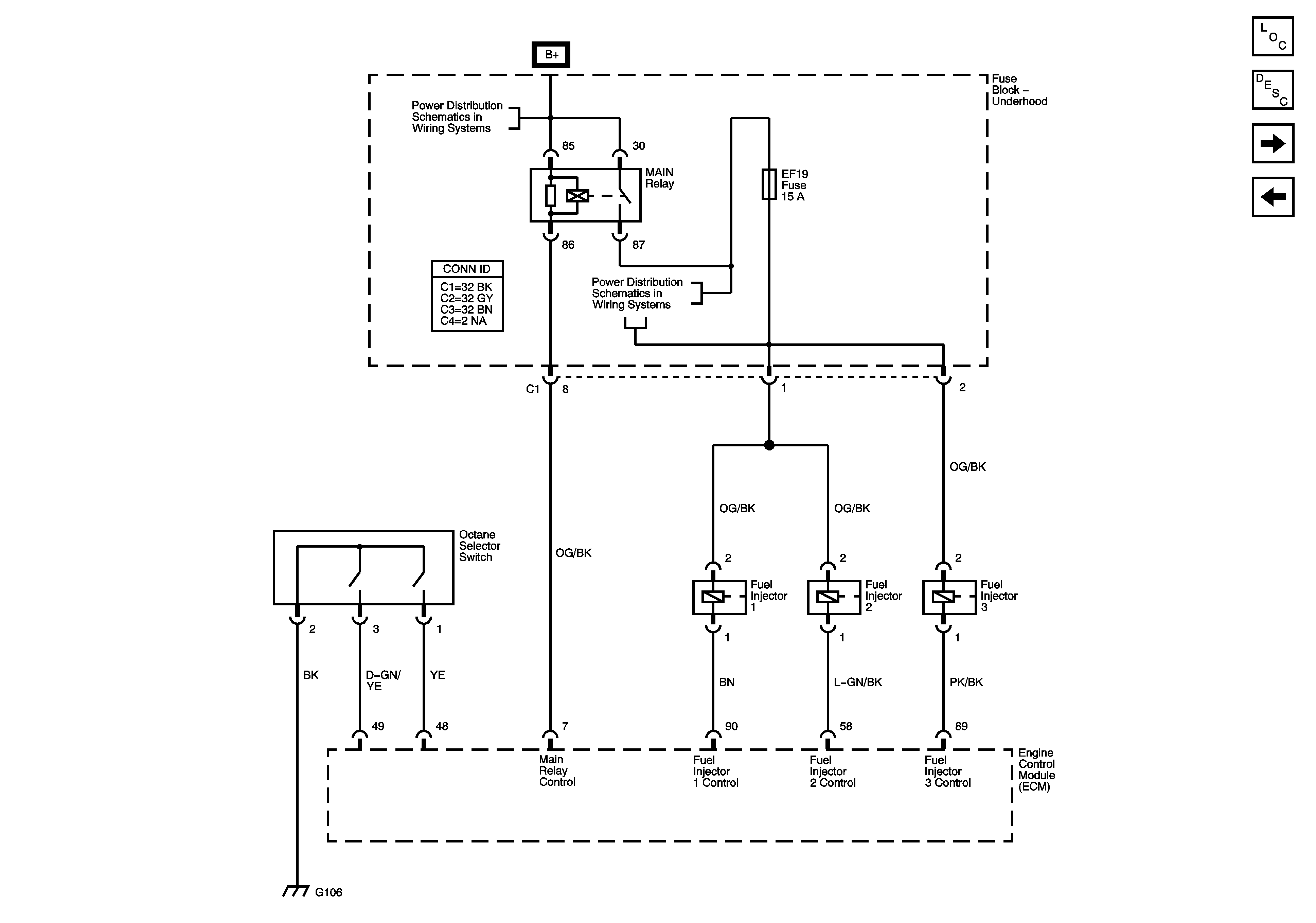
Figure 7:

Fuel Injectors and Octane Selector


Object Number: 1649434  Size: FS
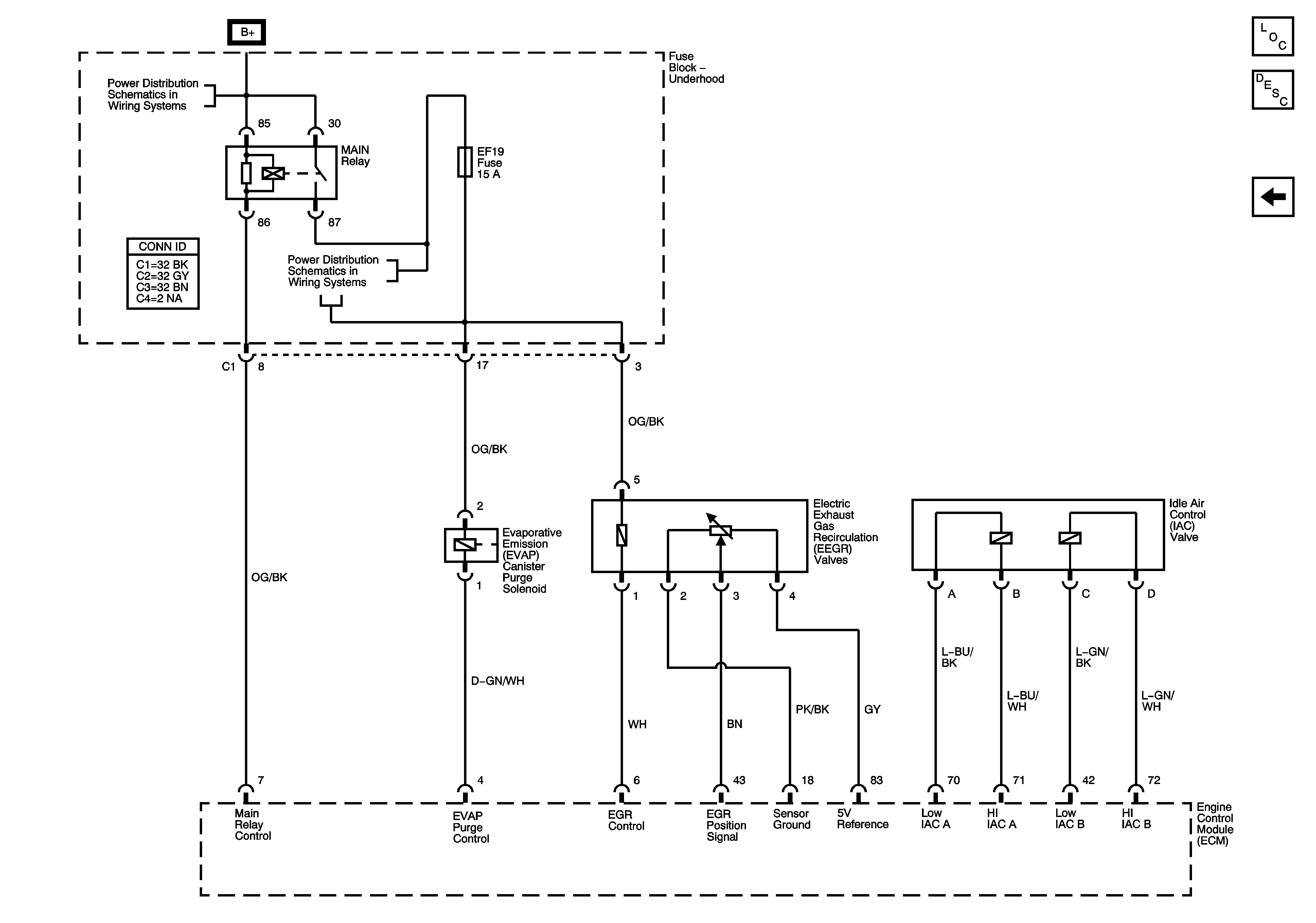
Figure 8:

EVAP, EEGR and IAC Valve


Object Number: 1649435  Size: FS