GM Service Manual Online
For 1990-2009 cars only
Makes
🢒
Pontiac
🢒
2006
🢒
Matiz
🢒
Vehicle Control Systems
🢒
Vehicle DTC Information
🢒 Theft Deterrent System Schematics
Figure
1:
System Controls
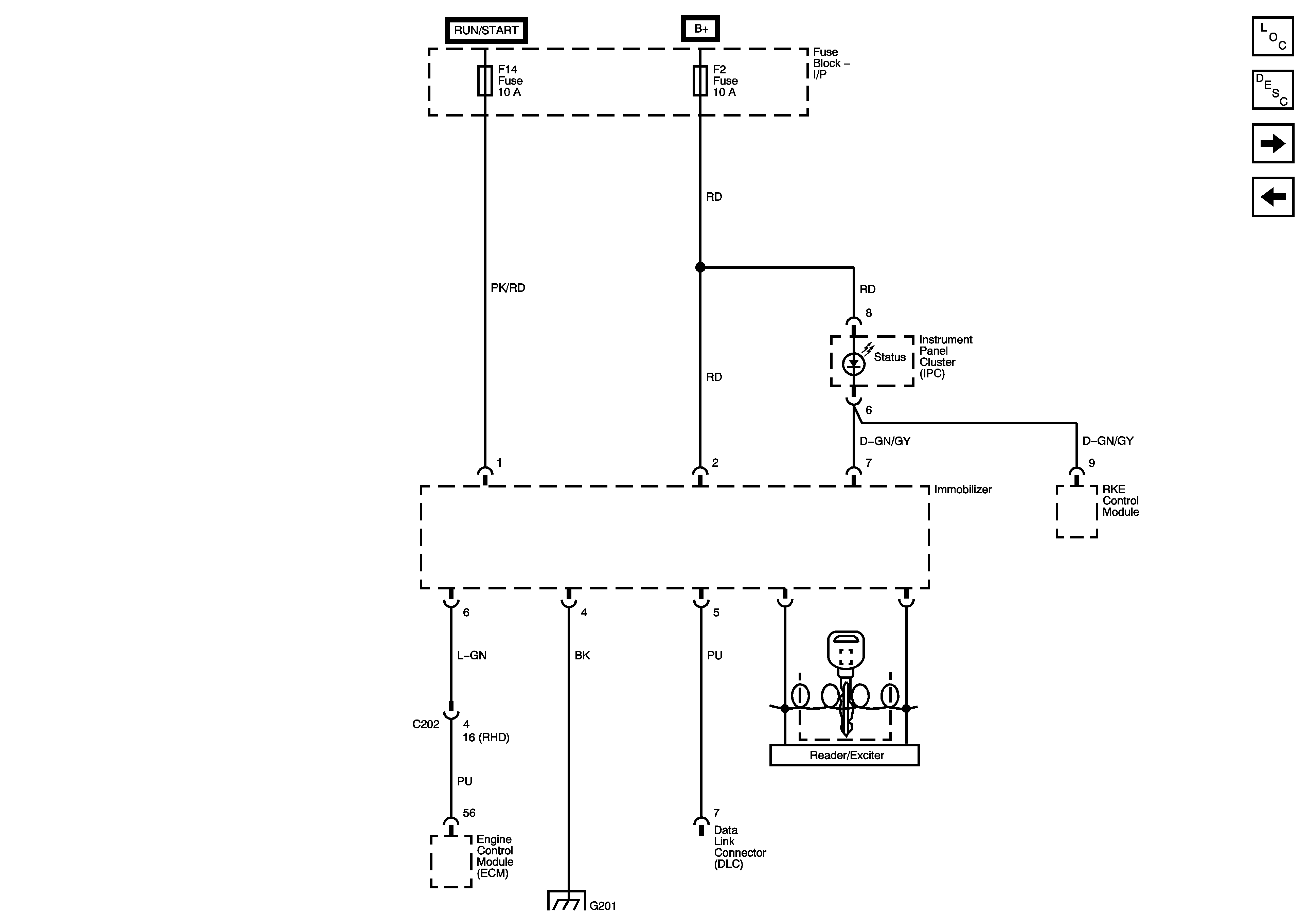
Figure
2:
Theft Deterrent Immobilizer
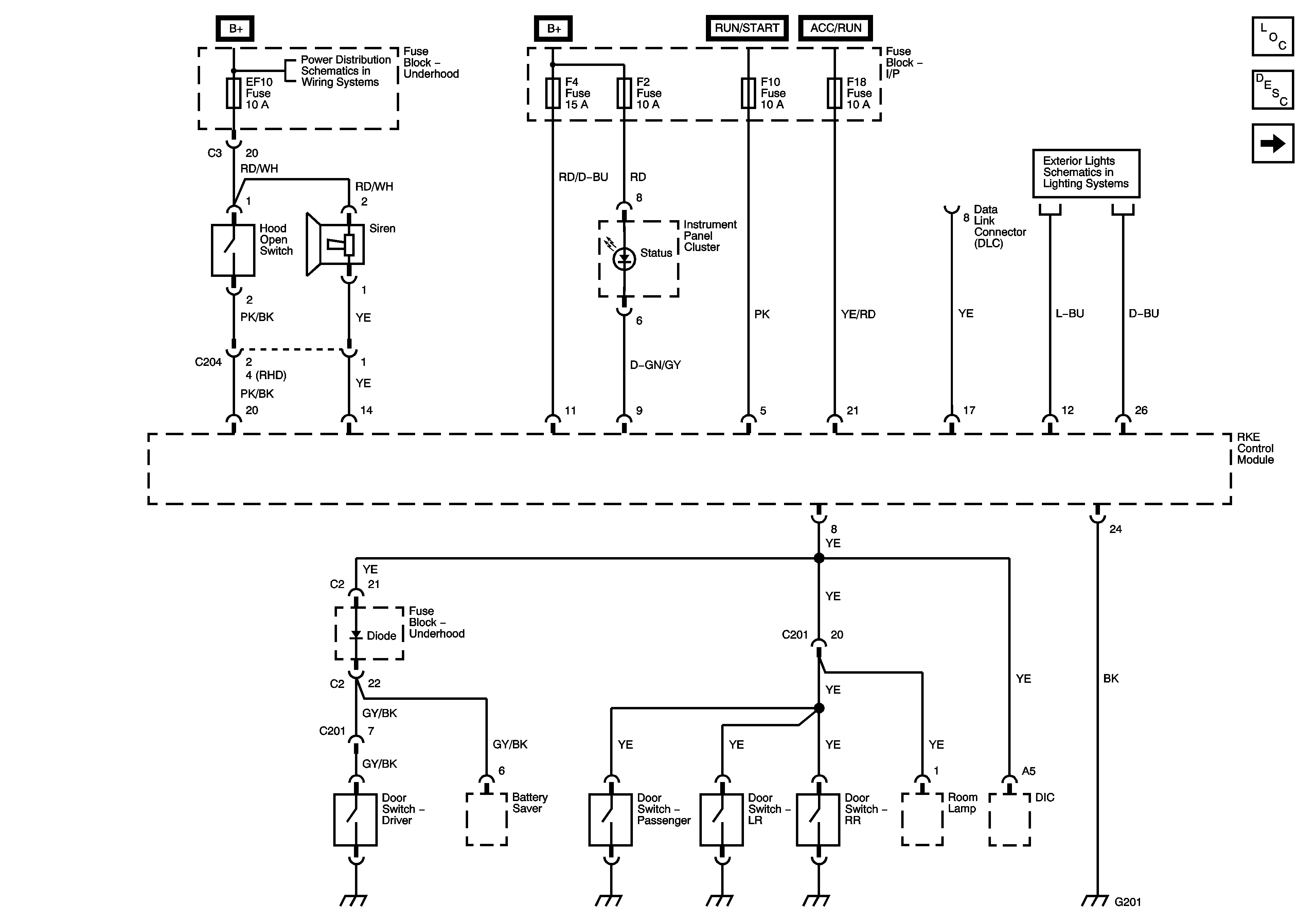
Figure
3:
Door Locks System