GM Service Manual Online
For 1990-2009 cars only
Makes
🢒
Pontiac
🢒
2006
🢒
Matiz
🢒
Body
🢒
Doors
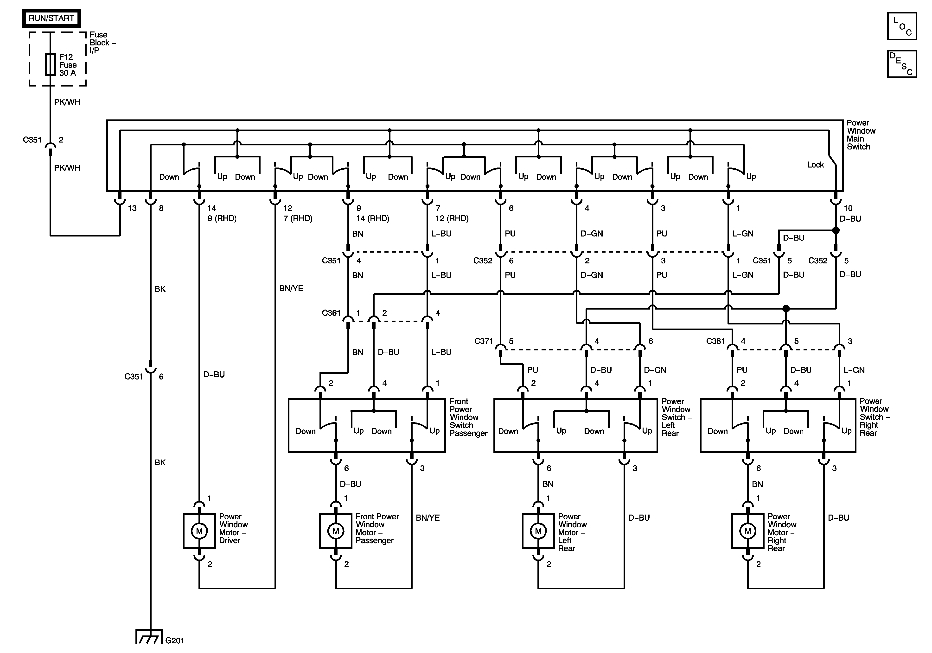
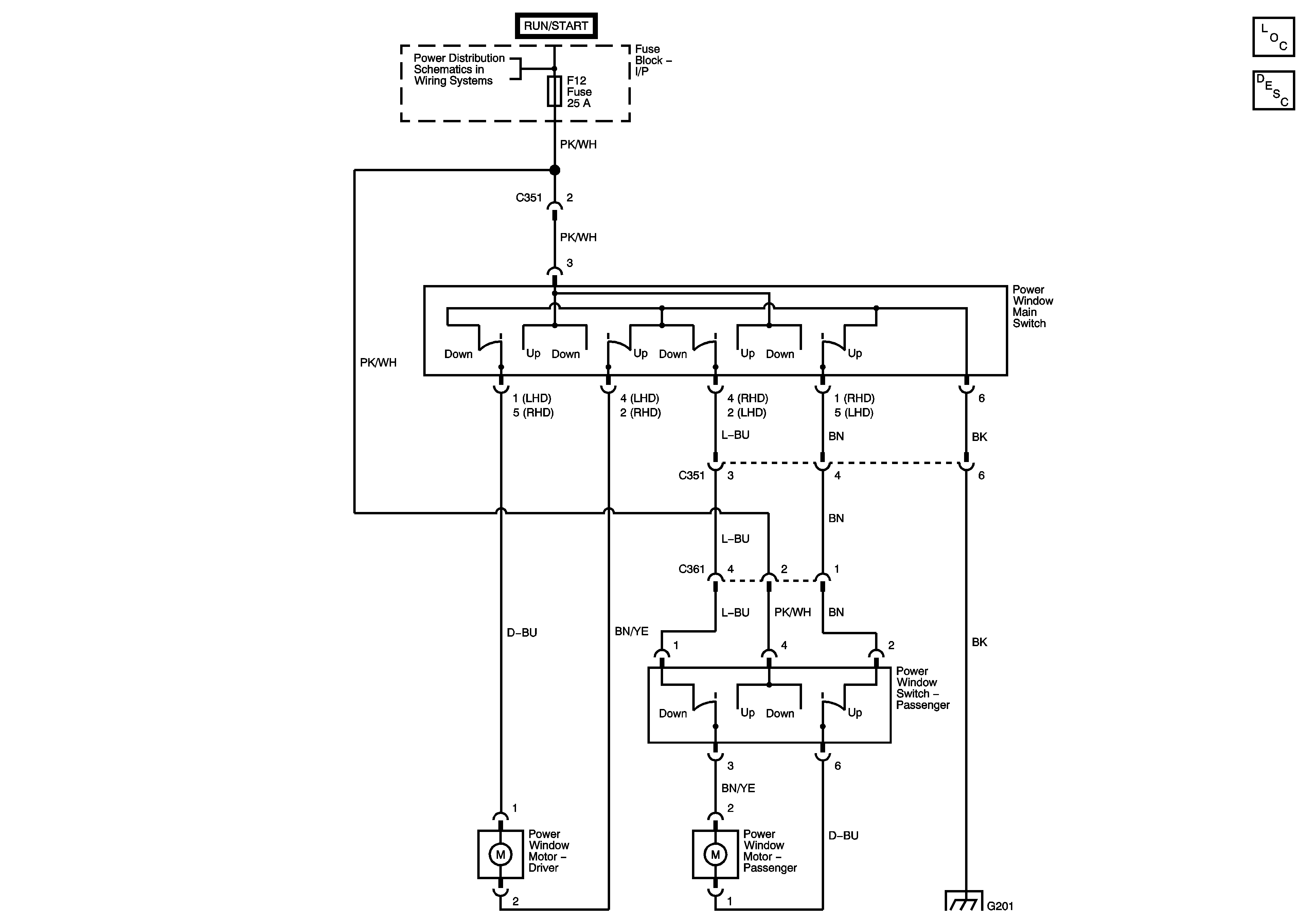
🢒 Power Window Schematics
Figure
1:
Front Controls
Figure
2:
Front and Rear Controls