GM Service Manual Online
For 1990-2009 cars only
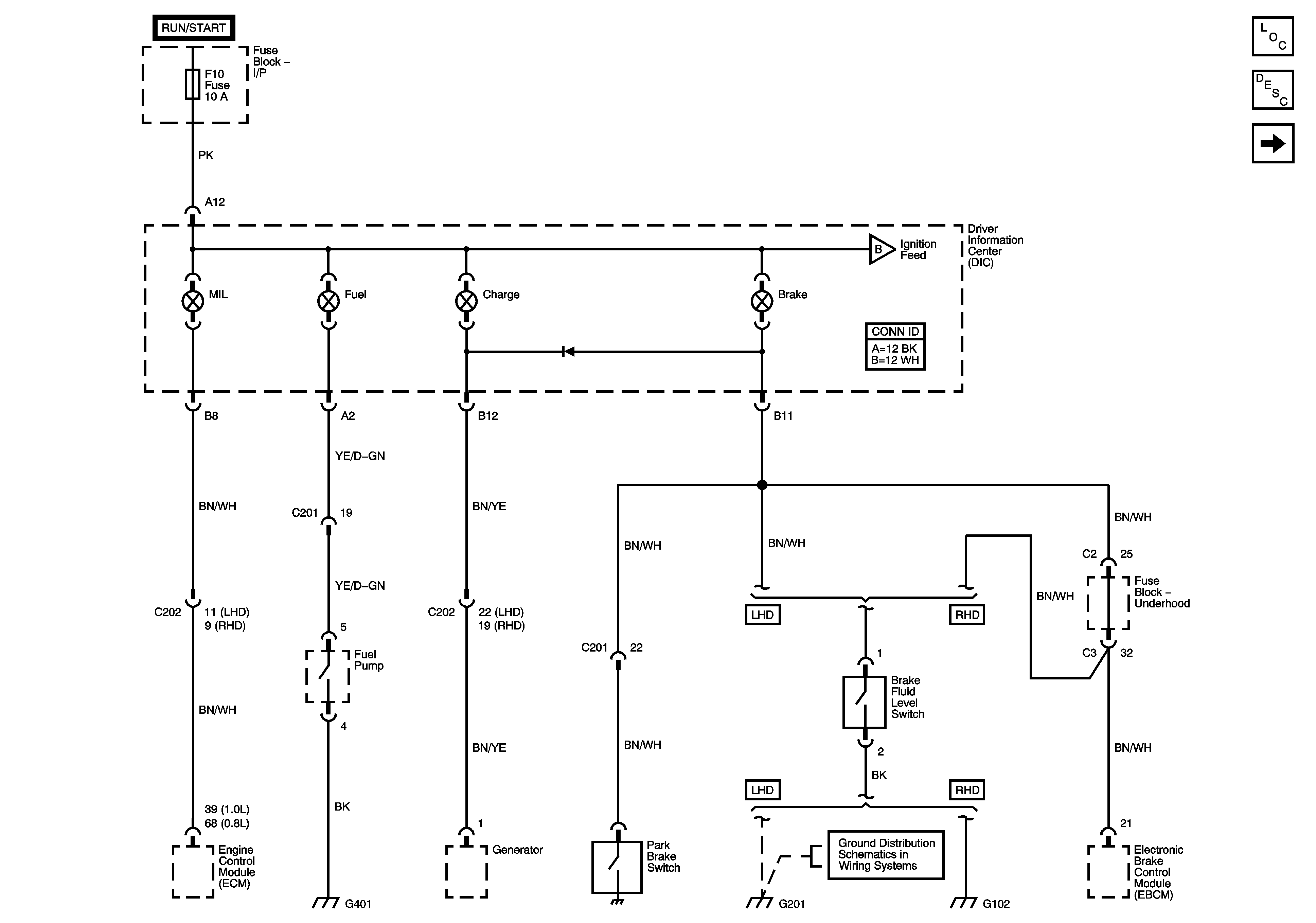
Figure 1:

MIL, Fuel, Charge and Brake Controls


Object Number: 1649540  Size: FS
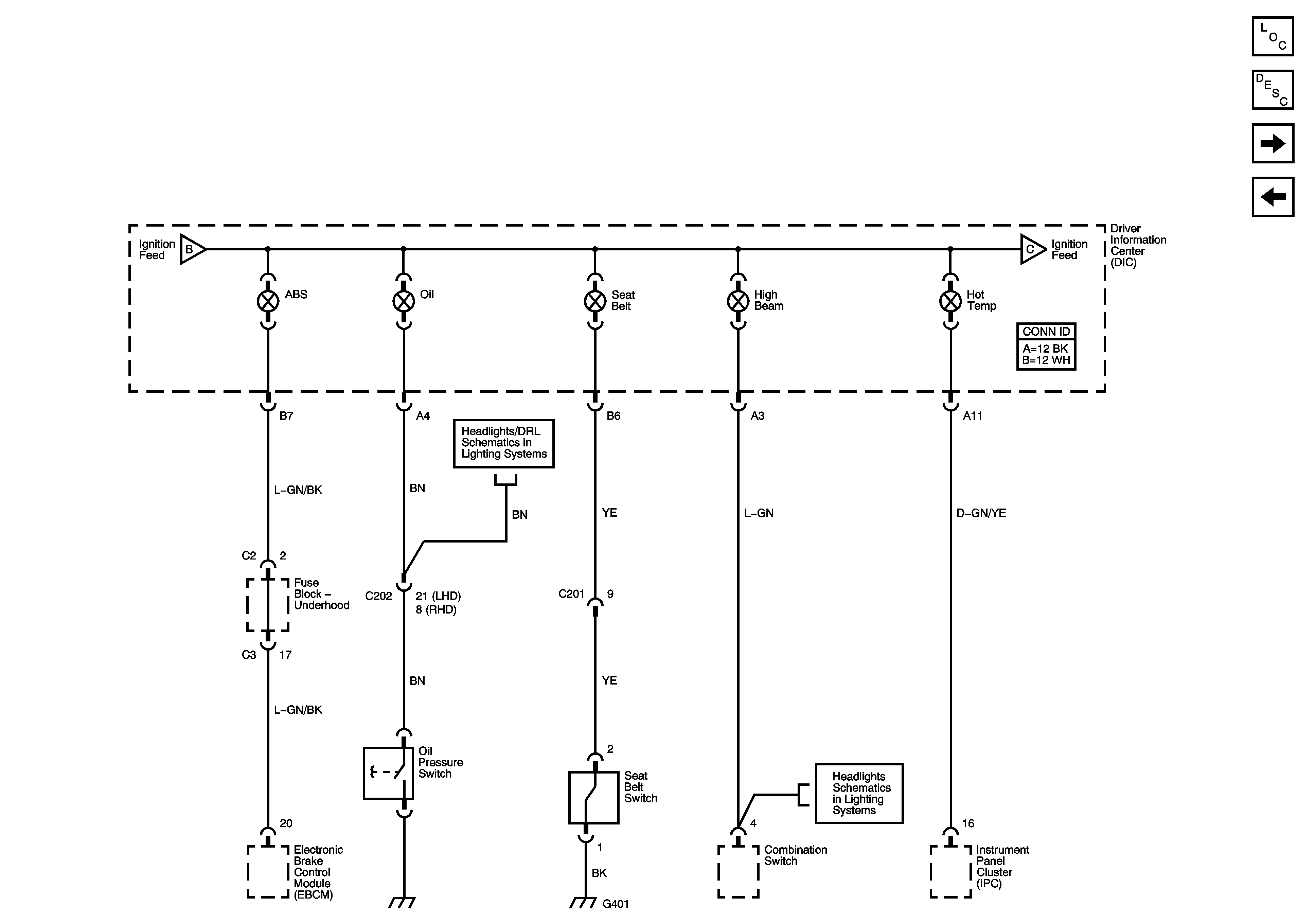
Figure 2:

ABS, Oil Seat Belt, High Beam and Hote Temp Controls


Object Number: 1649541  Size: FS
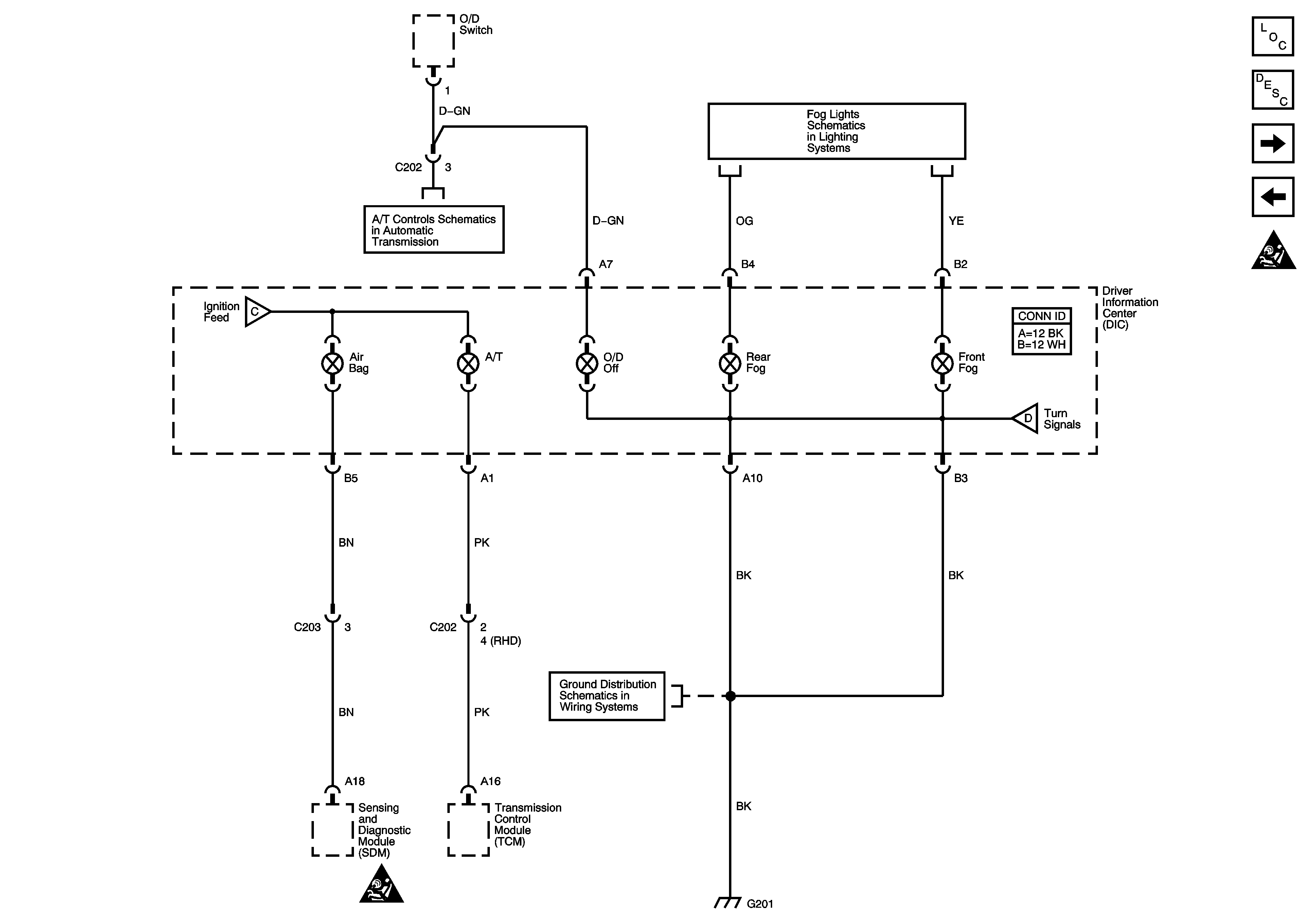
Figure 3:

AIR BAG, A/T, O/D Off, Rear Fog, and Front Fog Indicators


Object Number: 1649542  Size: FS
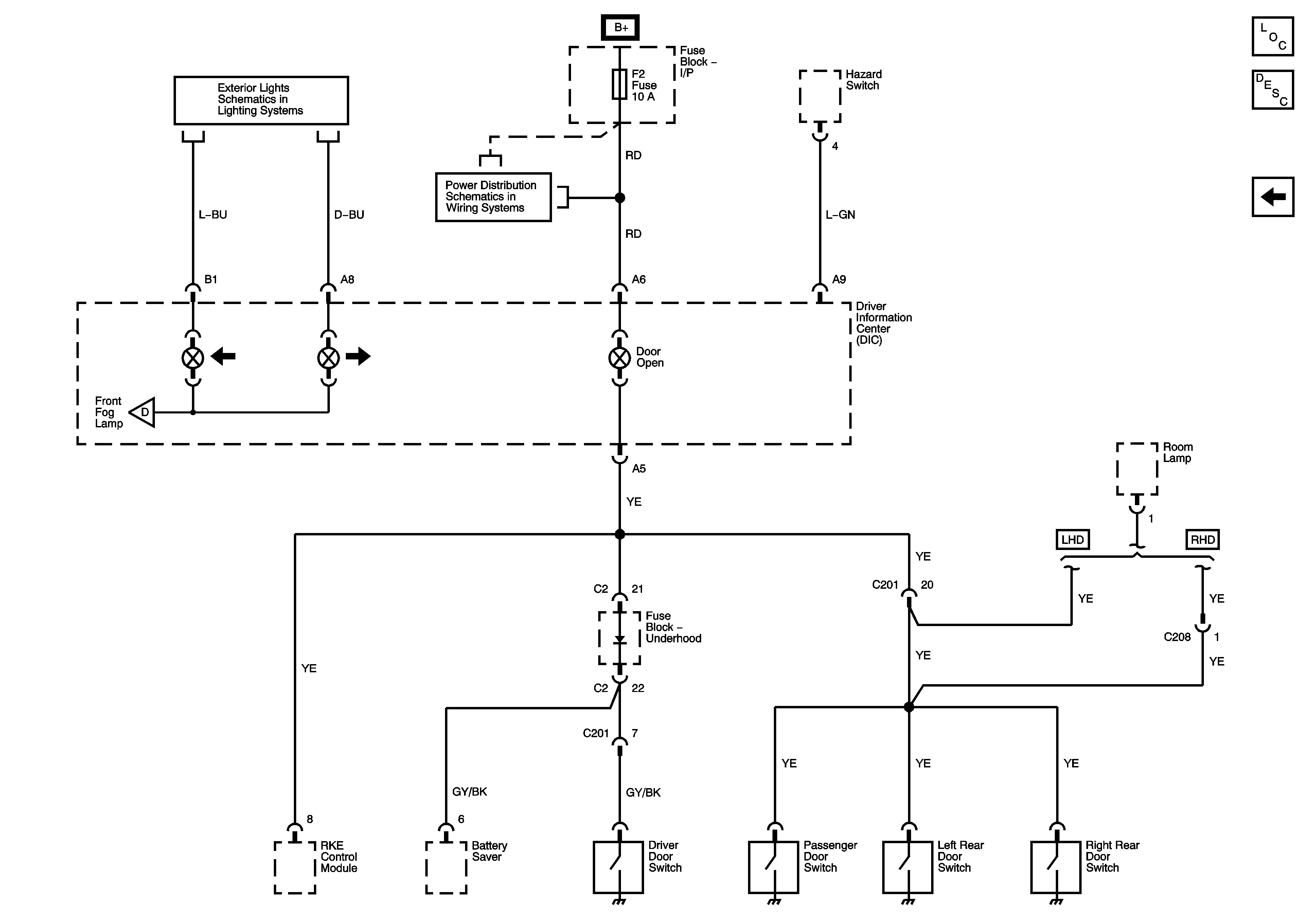
Figure 4:

Left and Right Turn and Door Open Indicators


Object Number: 1649543  Size: FS