GM Service Manual Online
For 1990-2009 cars only
Makes
🢒
Pontiac
🢒
2006
🢒
Matiz
🢒
Body
🢒
Instrument Panel, Gages, and Console
🢒 Instrument Cluster Schematics
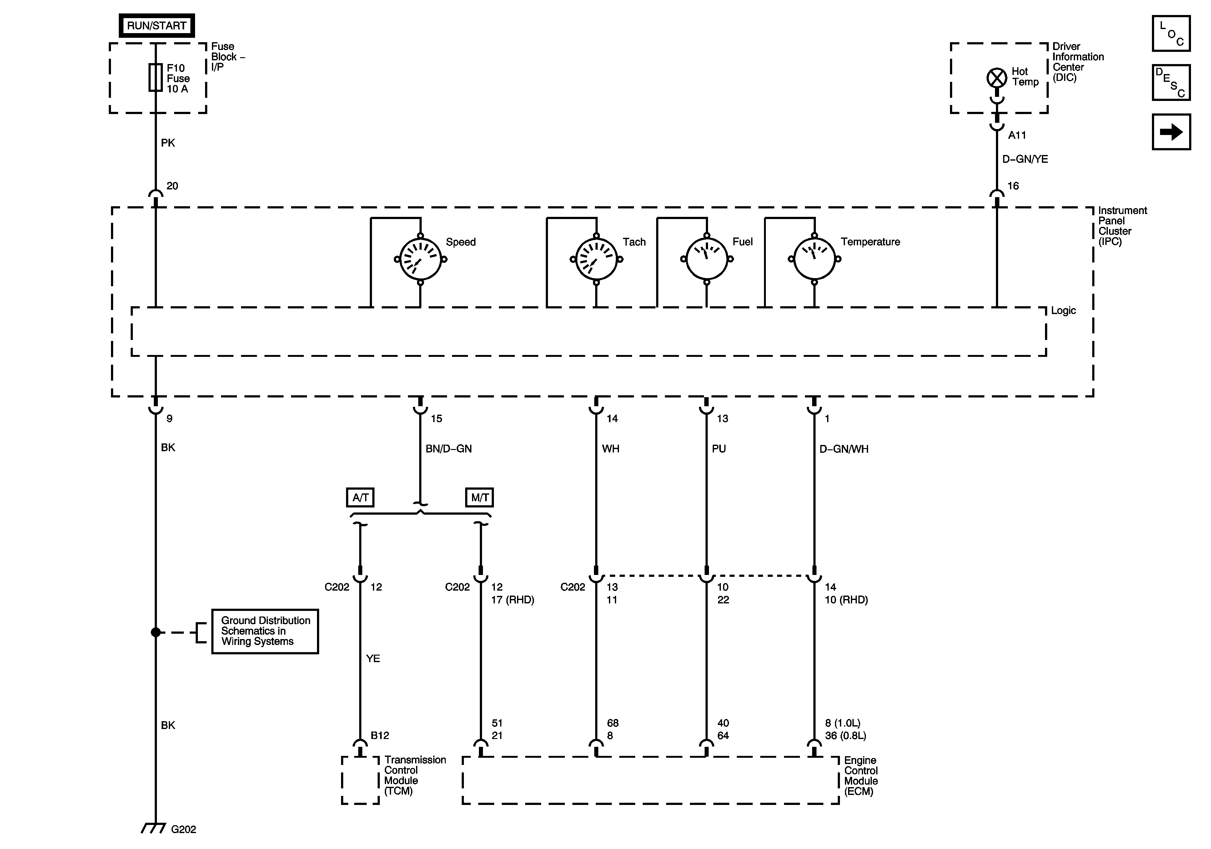
Figure
1:
Cluster Power, Ground and ECM
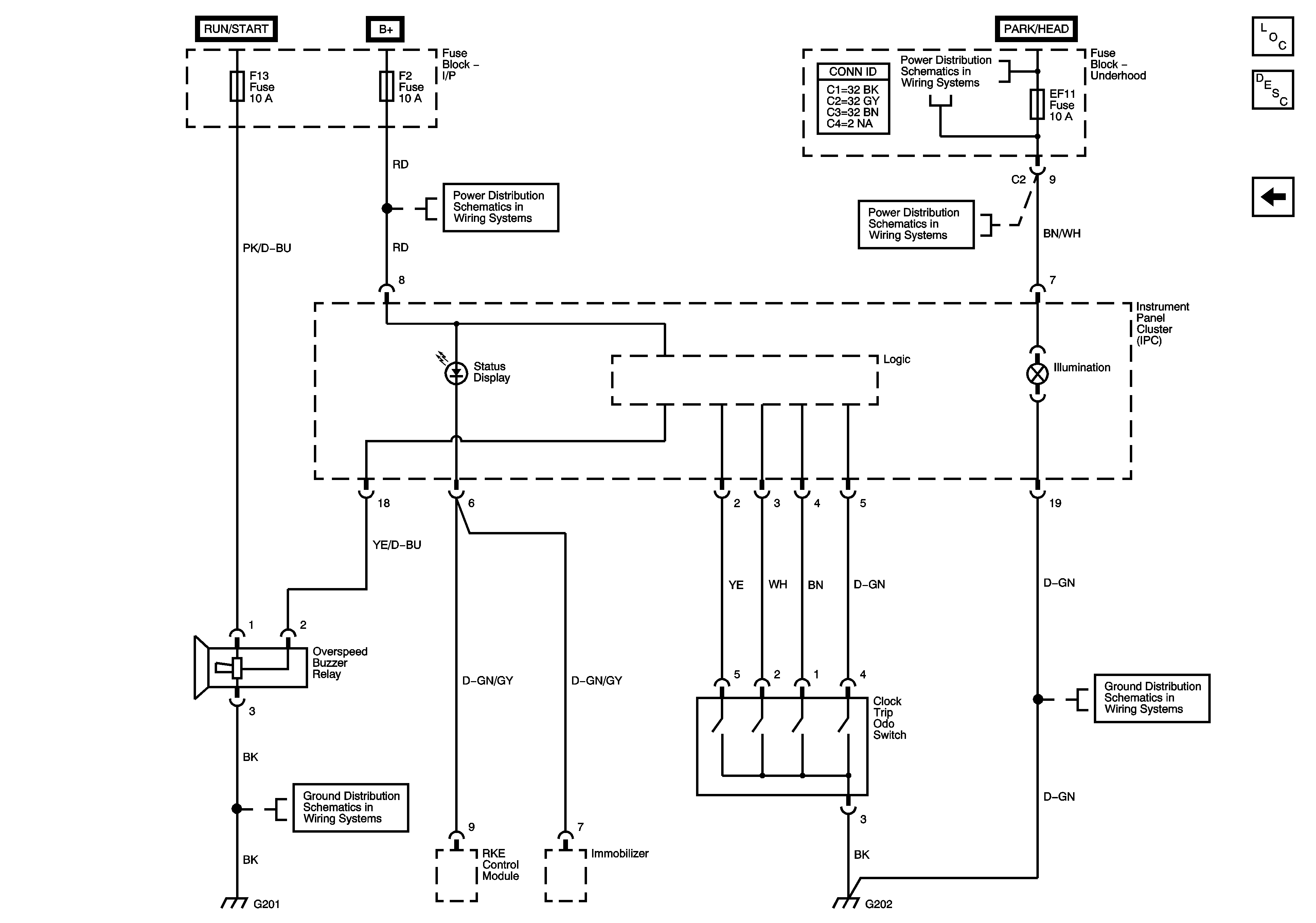
Figure
2:
Overspeed, Status and Clock/Trip Controls