GM Service Manual Online
For 1990-2009 cars only
Figure 1:

Fuse Block - Underhood B+ Bar - 1 of 2


Object Number: 1649459  Size: FS
Figure 2:

Fuse Block Underhood Bar - B+ Bar 2 of 2


Object Number: 1649461  Size: FS
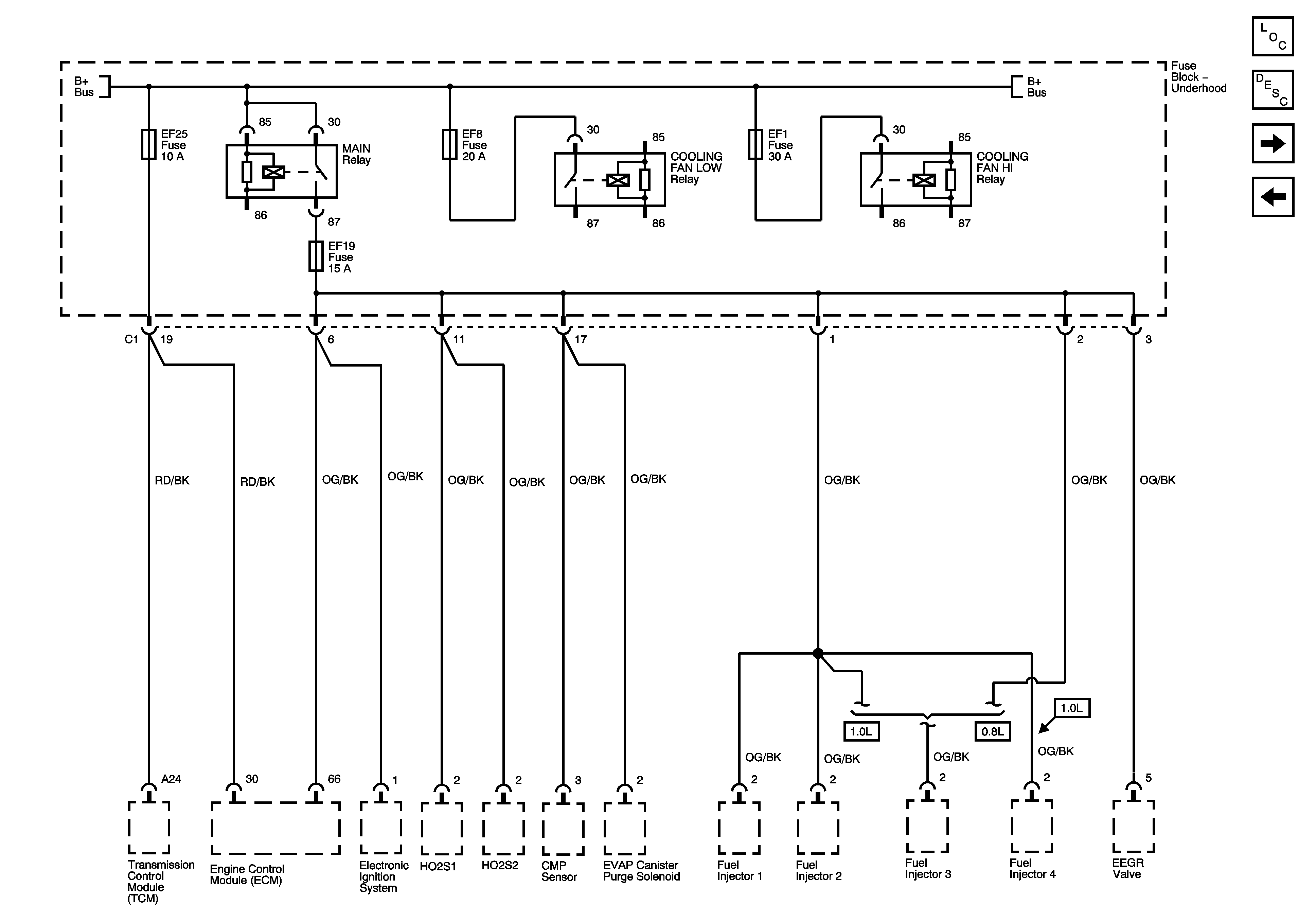
Figure 3:

EF1, 8, 19 and 25 Fuses and Main Relay


Object Number: 1649463  Size: FS
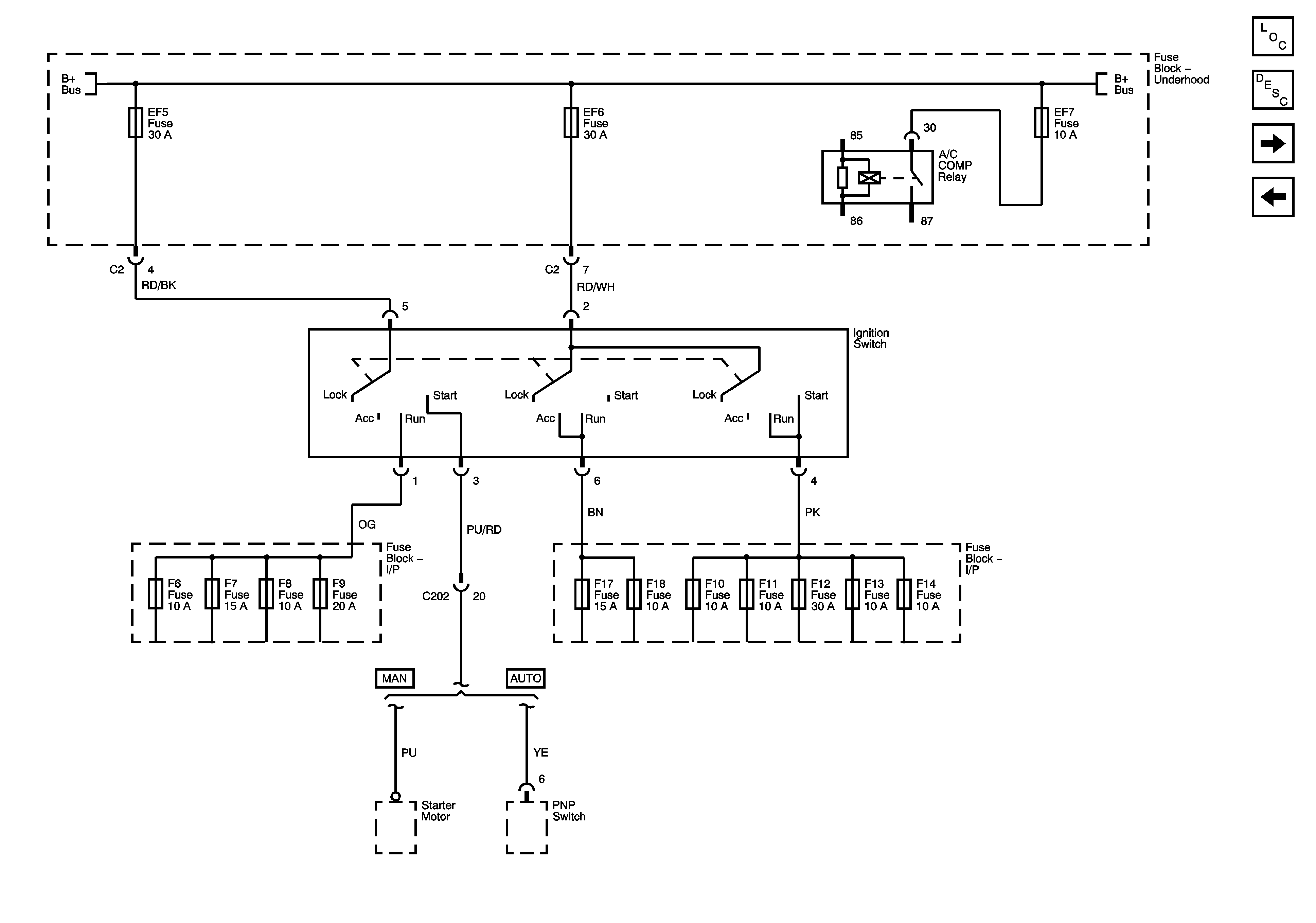
Figure 4:

EF5, 6 and 7 Fuses and Ignition Switch


Object Number: 1649469  Size: FS
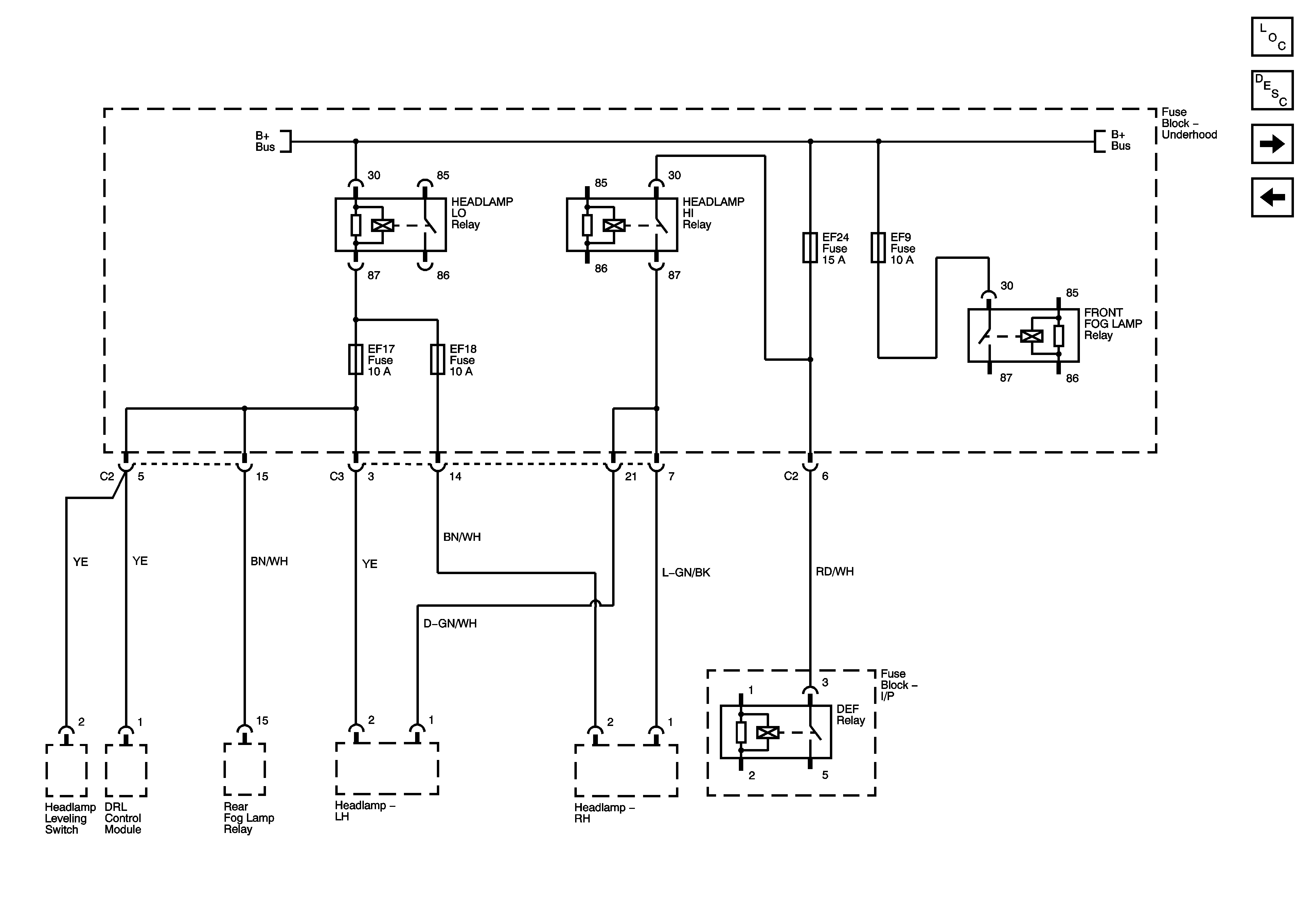
Figure 5:

EF9, 17, 18 and 24 Fuses


Object Number: 1649471  Size: FS
Figure 6:

Illum Relay, EF11 and 12 Fuses


Object Number: 1649475  Size: FS
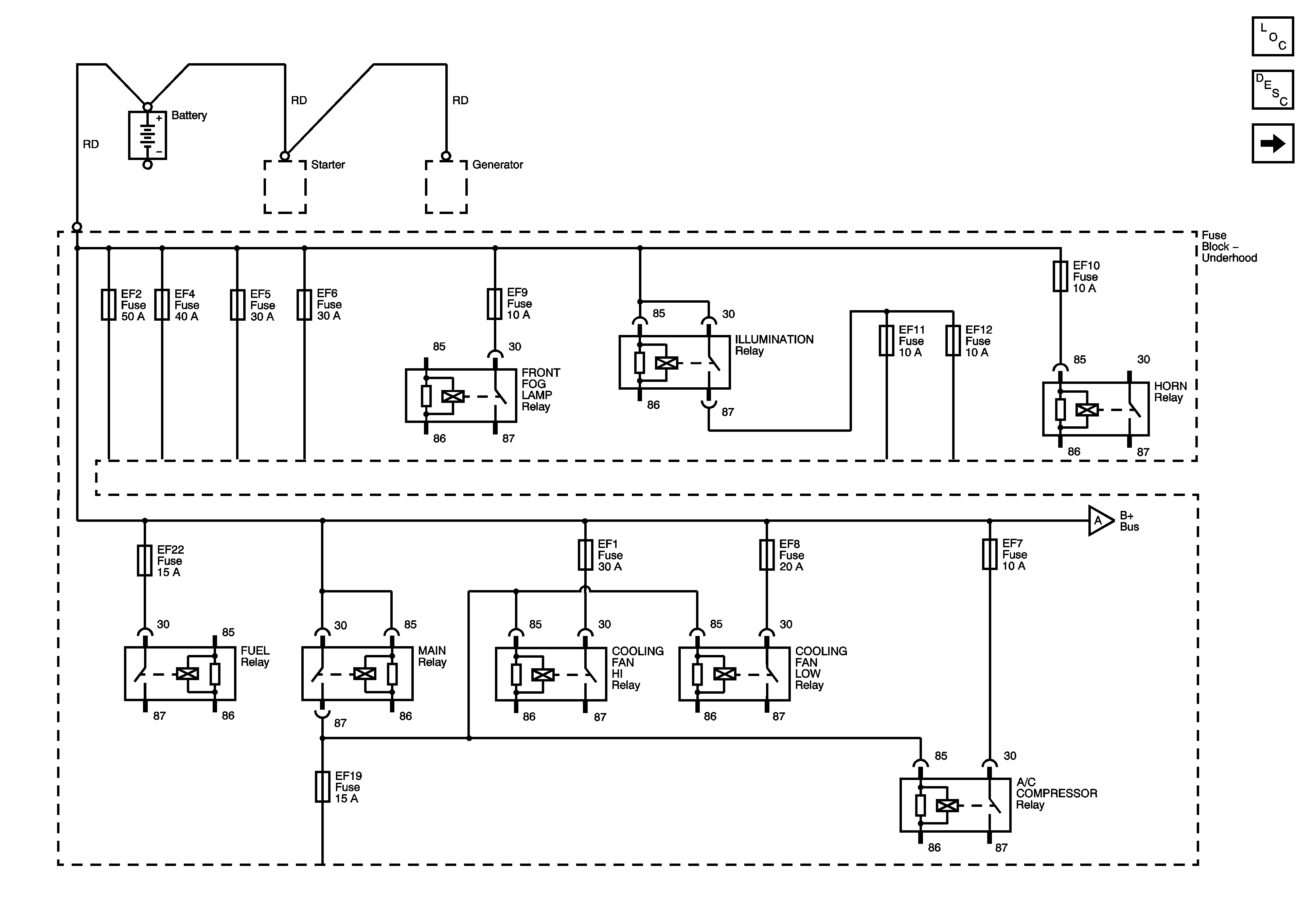
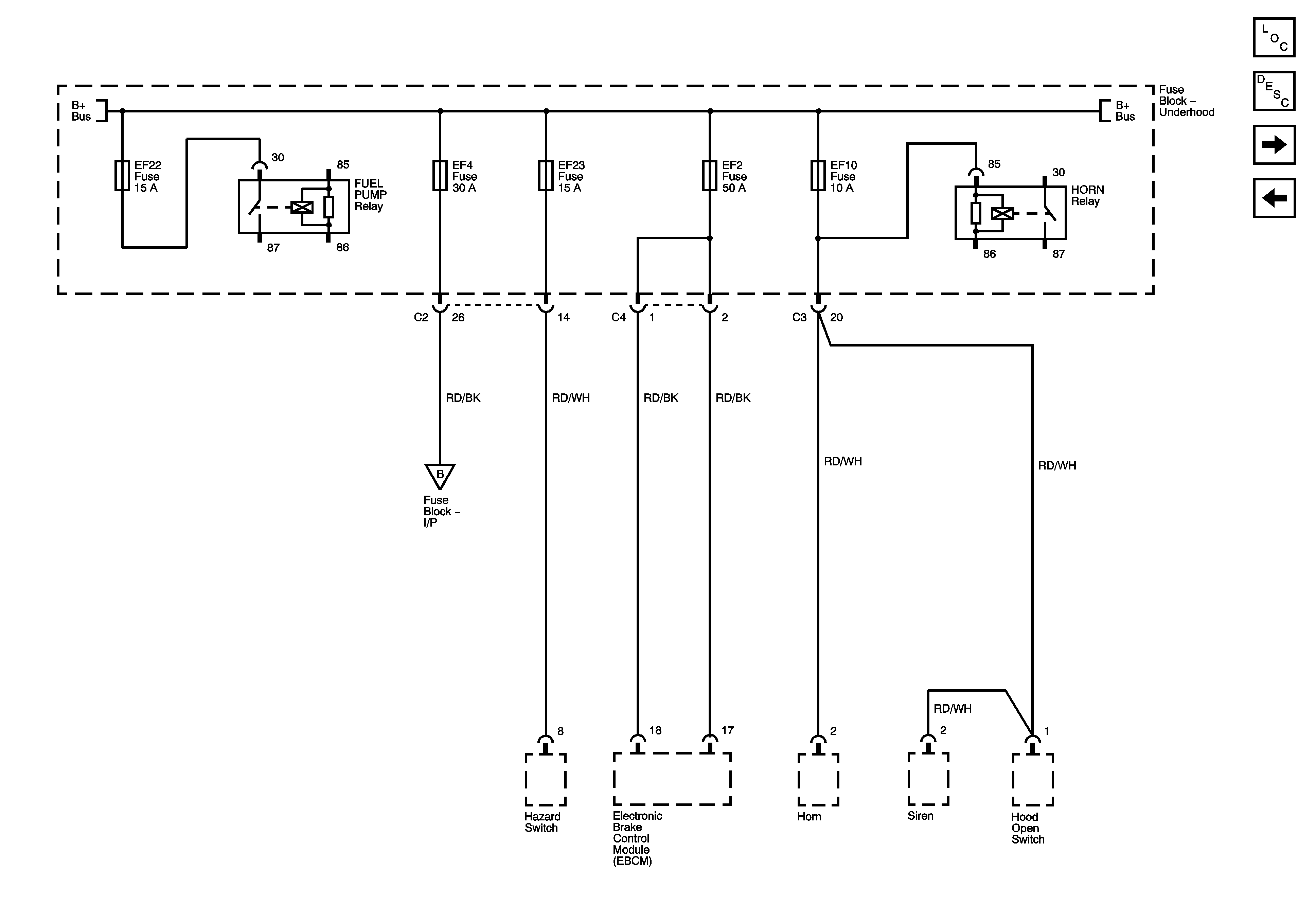
Figure 7:

EF2, 4, 10, 22 and 23 Fuses


Object Number: 1649477  Size: FS
Figure 8:

F1, F2, F3, F4 and F5 Fuses


Object Number: 1649480  Size: FS
Figure 9:

F6, F7, F8, F9 and F10 Fuses


Object Number: 1649482  Size: FS
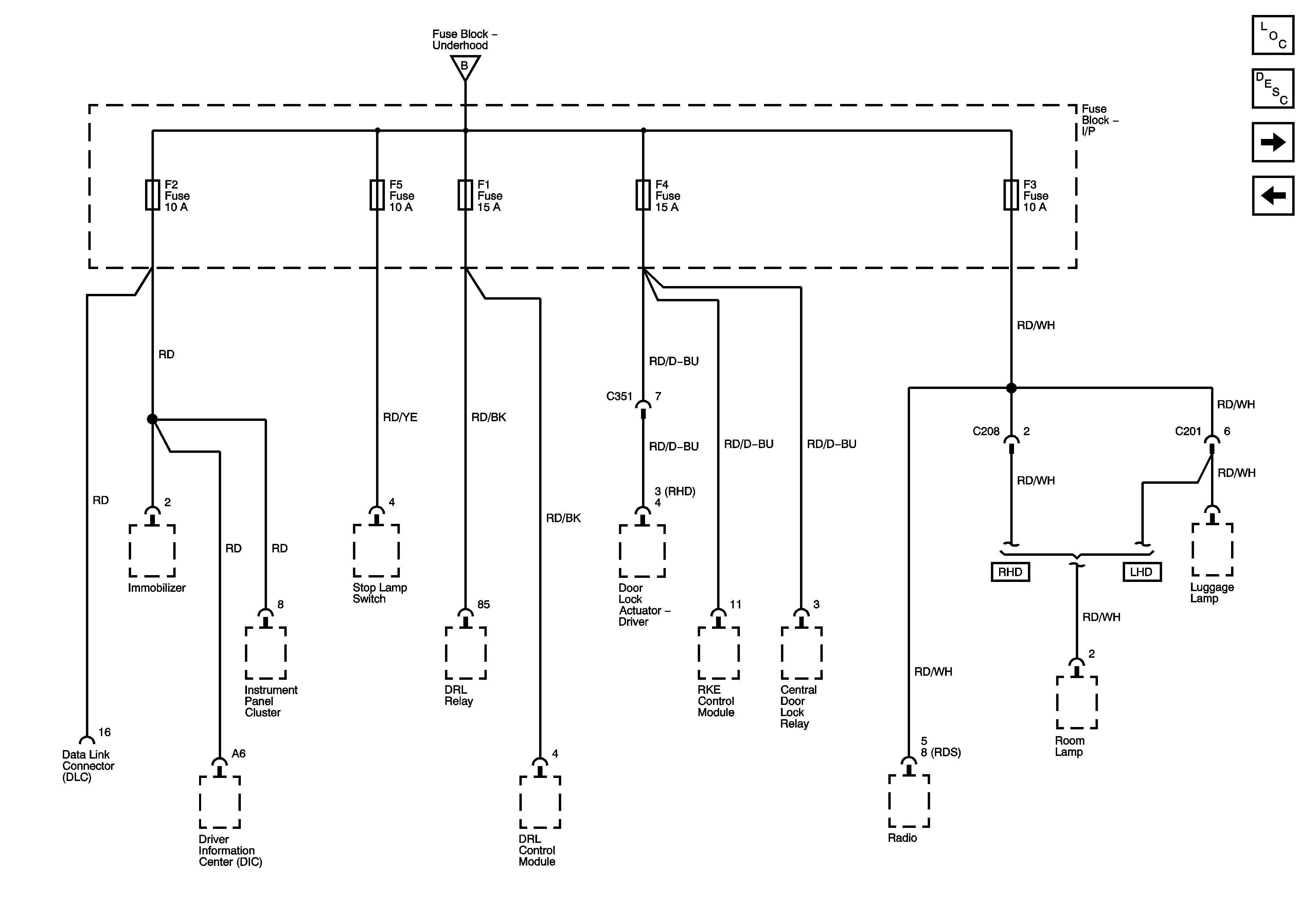
Figure 10:

F11, F12, F17 and F18 Fuses


Object Number: 1649485  Size: FS
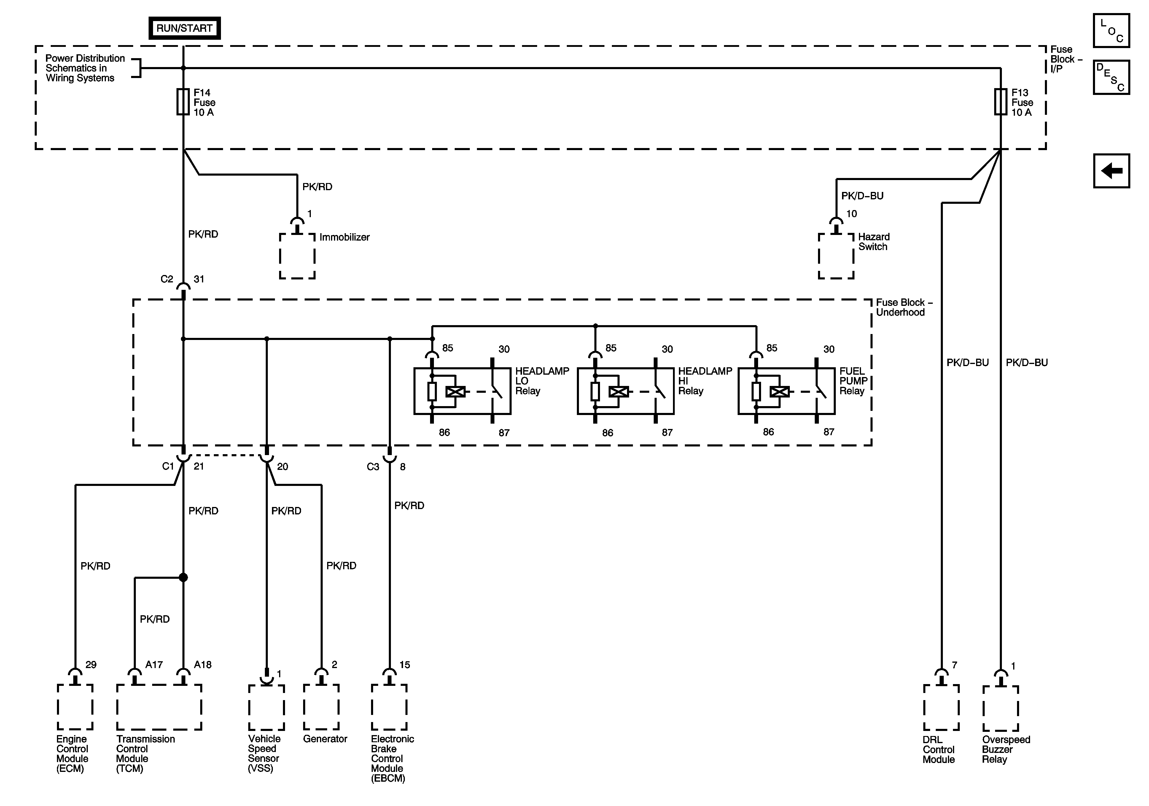
Figure 11:

F13 and F14 Fuses


Object Number: 1649488  Size: FS