GM Service Manual Online
For 1990-2009 cars only
Makes
🢒
Pontiac
🢒
2006
🢒
Matiz
🢒
Brakes
🢒
Antilock Brake System
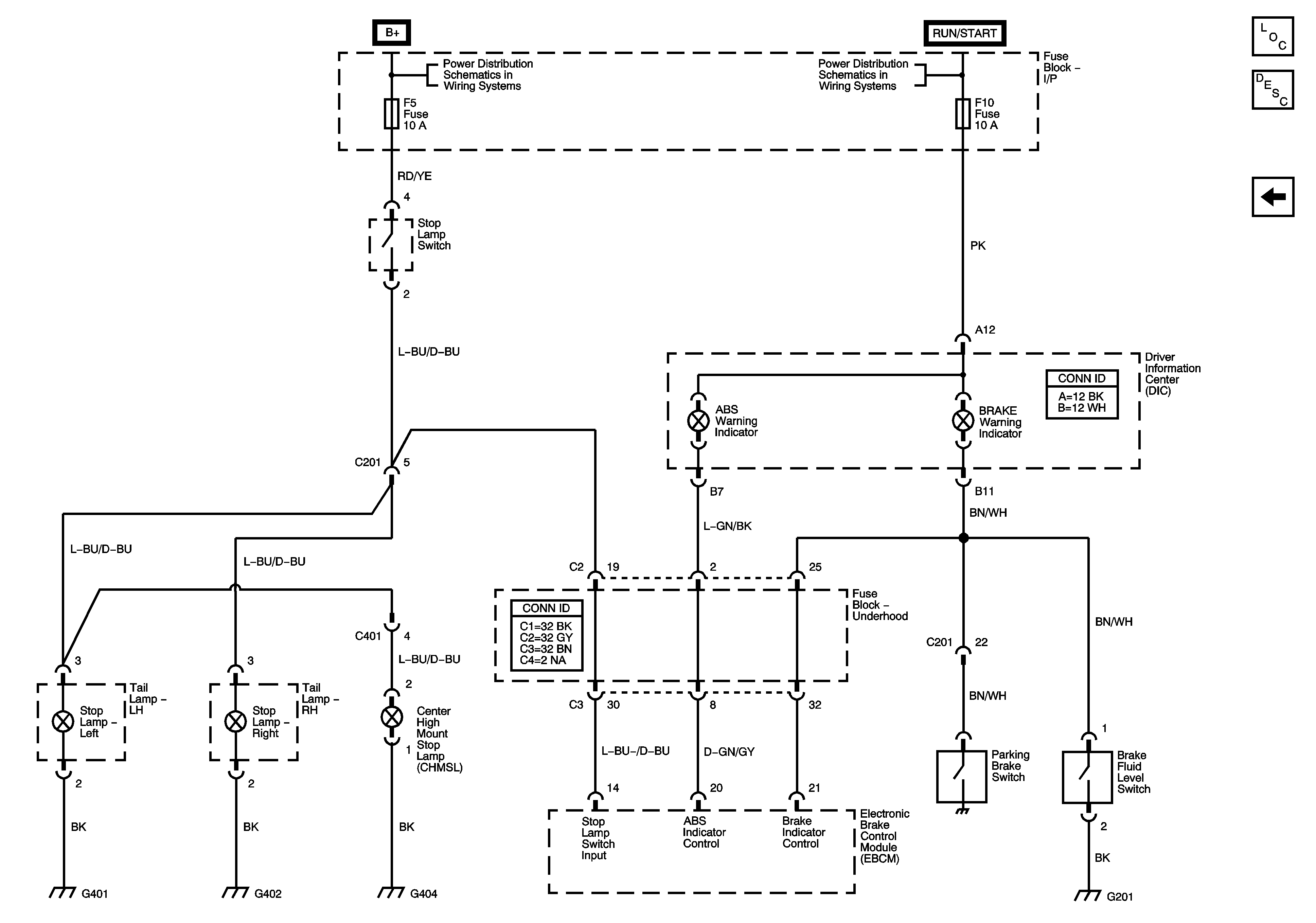
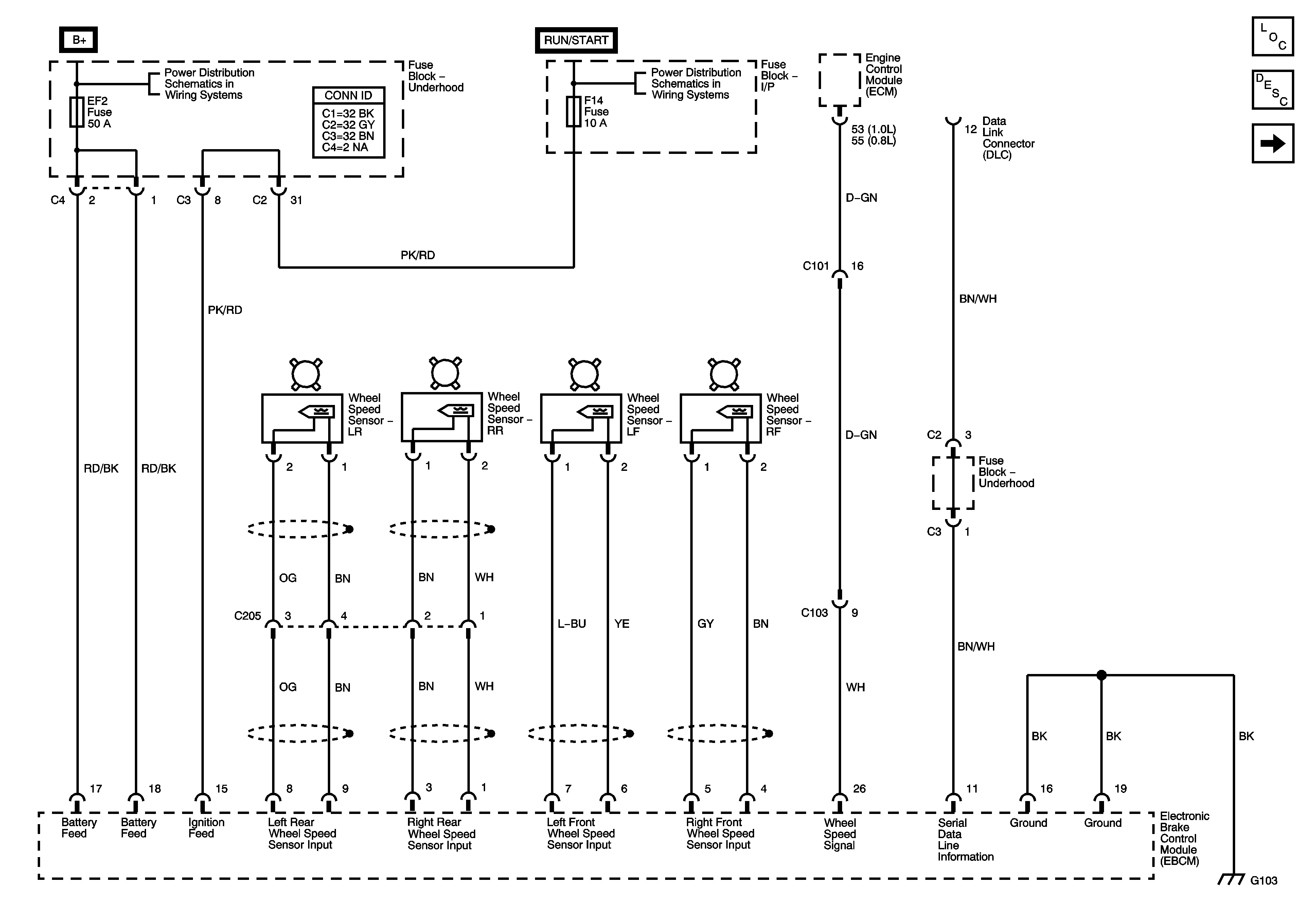
🢒 Antilock Brake System Schematics
Figure
1:
ABS Power, Ground, DLC and WSS
Figure
2:
ABS Stop Lamp Switch and DIC Indicator