GM Service Manual Online
For 1990-2009 cars only
Makes
🢒
Pontiac
🢒
2006
🢒
Matiz
🢒
HVAC
🢒
HVAC Systems - Manual
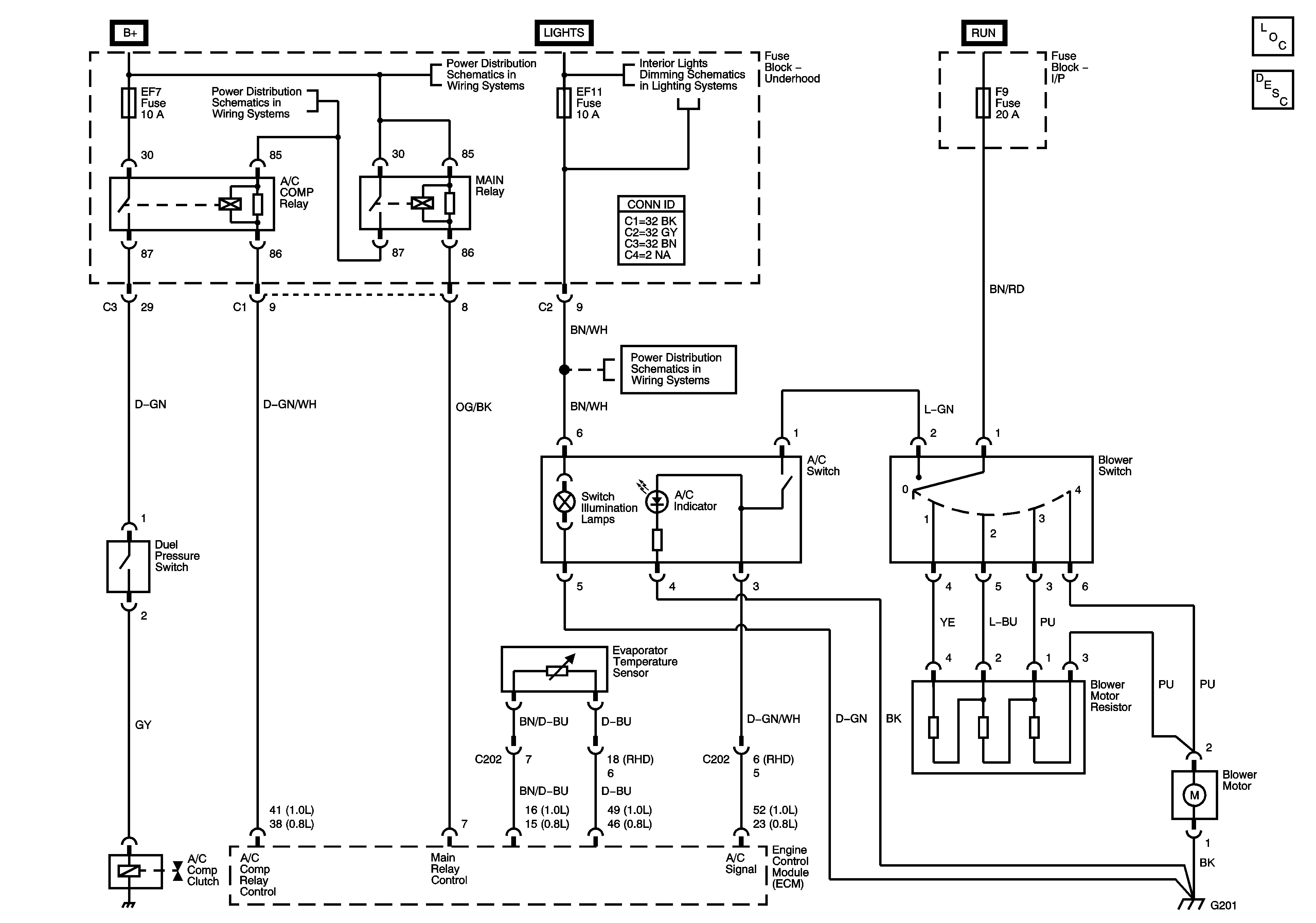
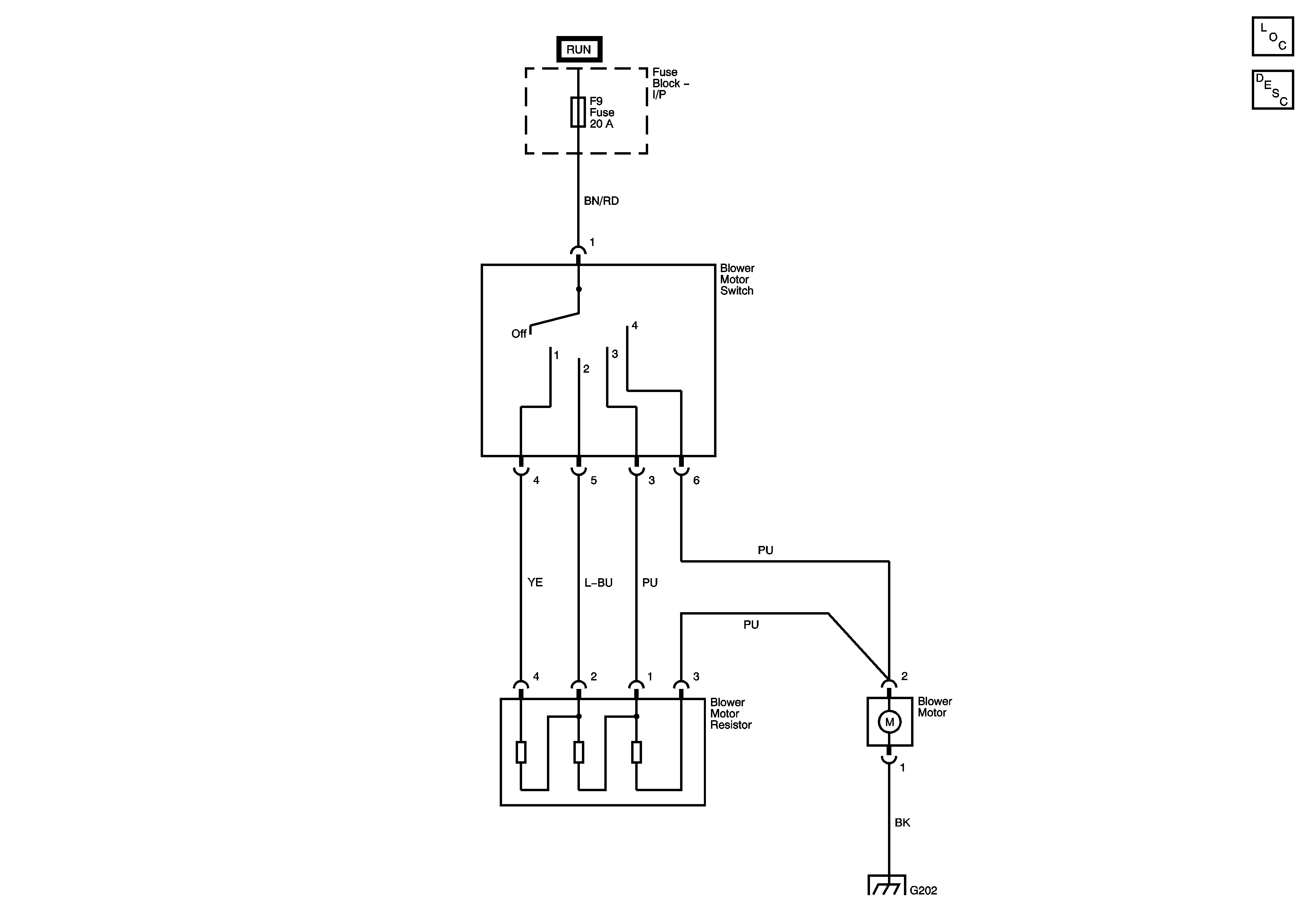
🢒 HVAC Schematics
HVAC Schematics HVAC - Manual
HVAC Schematics Heater Controls (w/o A/C)
HVAC Heater Controls