GM Service Manual Online
For 1990-2009 cars only
Makes
🢒
Pontiac
🢒
2006
🢒
Matiz
🢒
Preface
🢒
Cautions and Notices
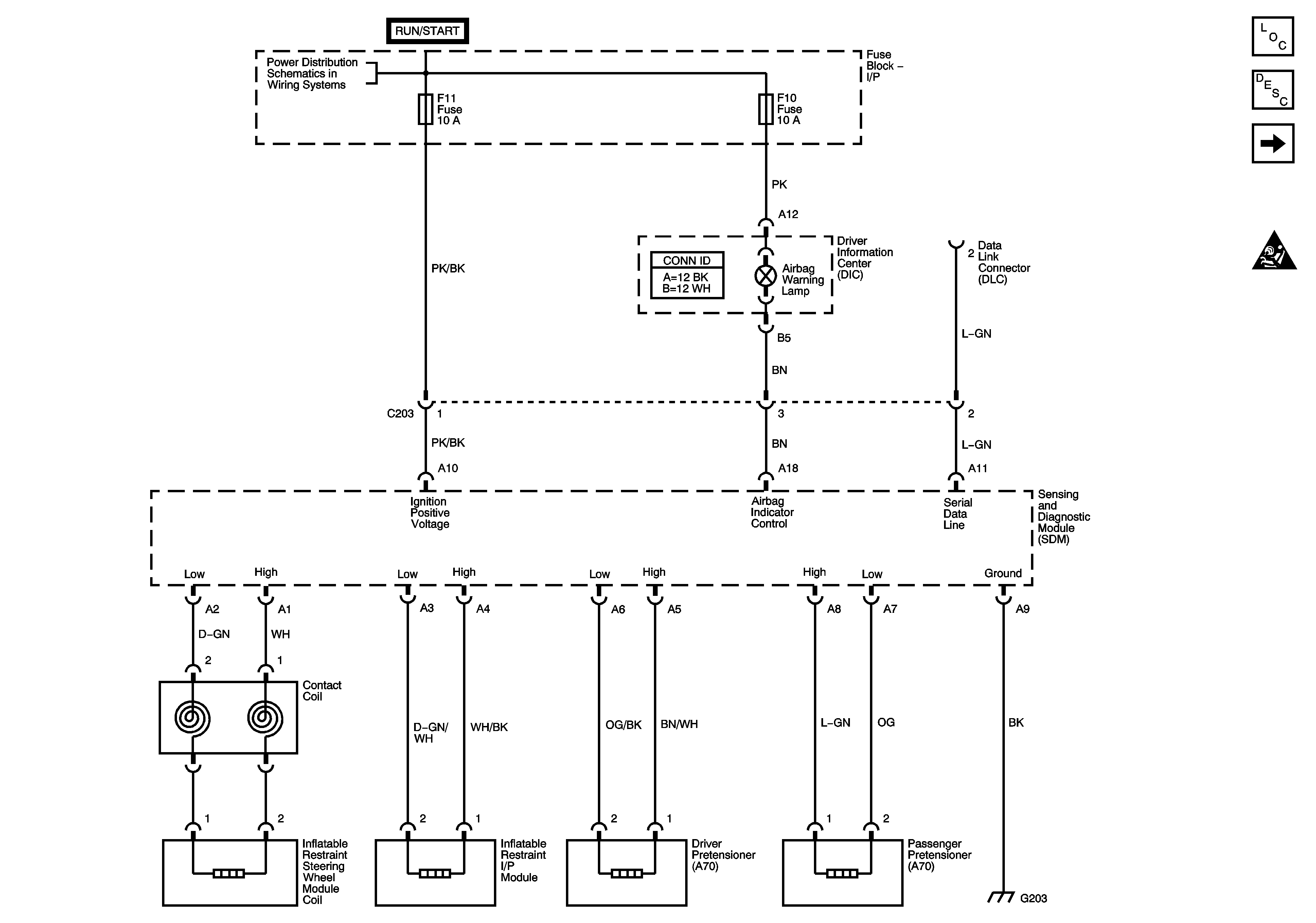
🢒 SIR Schematics
Figure
1:
SDM Power, Ground, DLC and Pretensioners
Figure
2:
SDM Side Impact Controls