GM Service Manual Online
For 1990-2009 cars only
Makes
🢒
Pontiac
🢒
2007
🢒
Matiz
🢒
Brakes
🢒
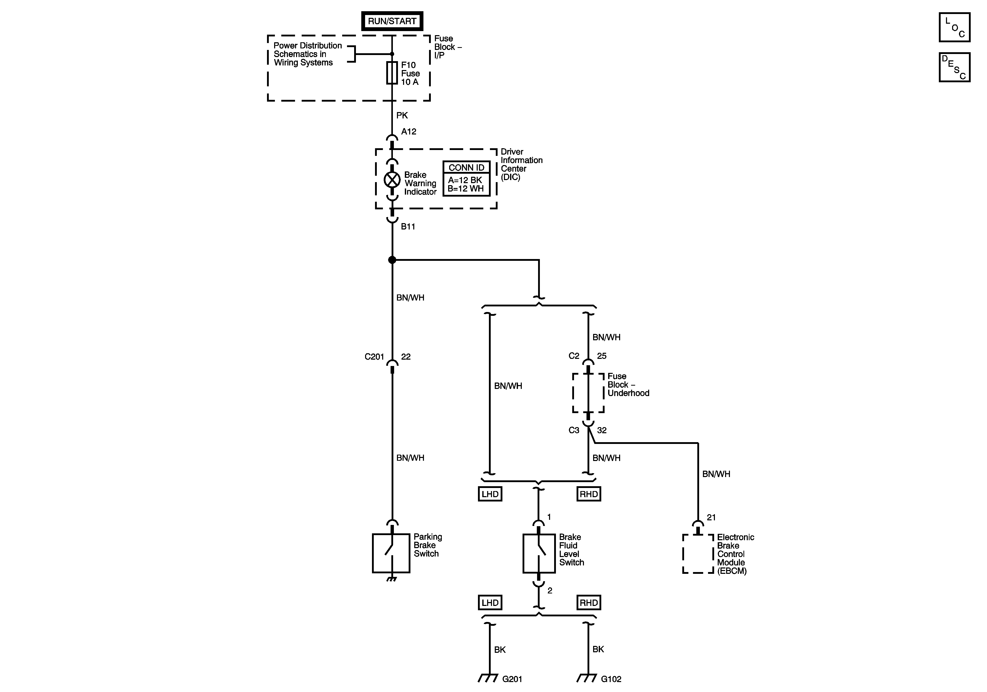
Hydraulic Brakes
🢒 Hydraulic Brake Schematics