GM Service Manual Online
For 1990-2009 cars only
Makes
🢒
Pontiac
🢒
2008
🢒
Matiz
🢒
Body Systems
🢒
Lighting
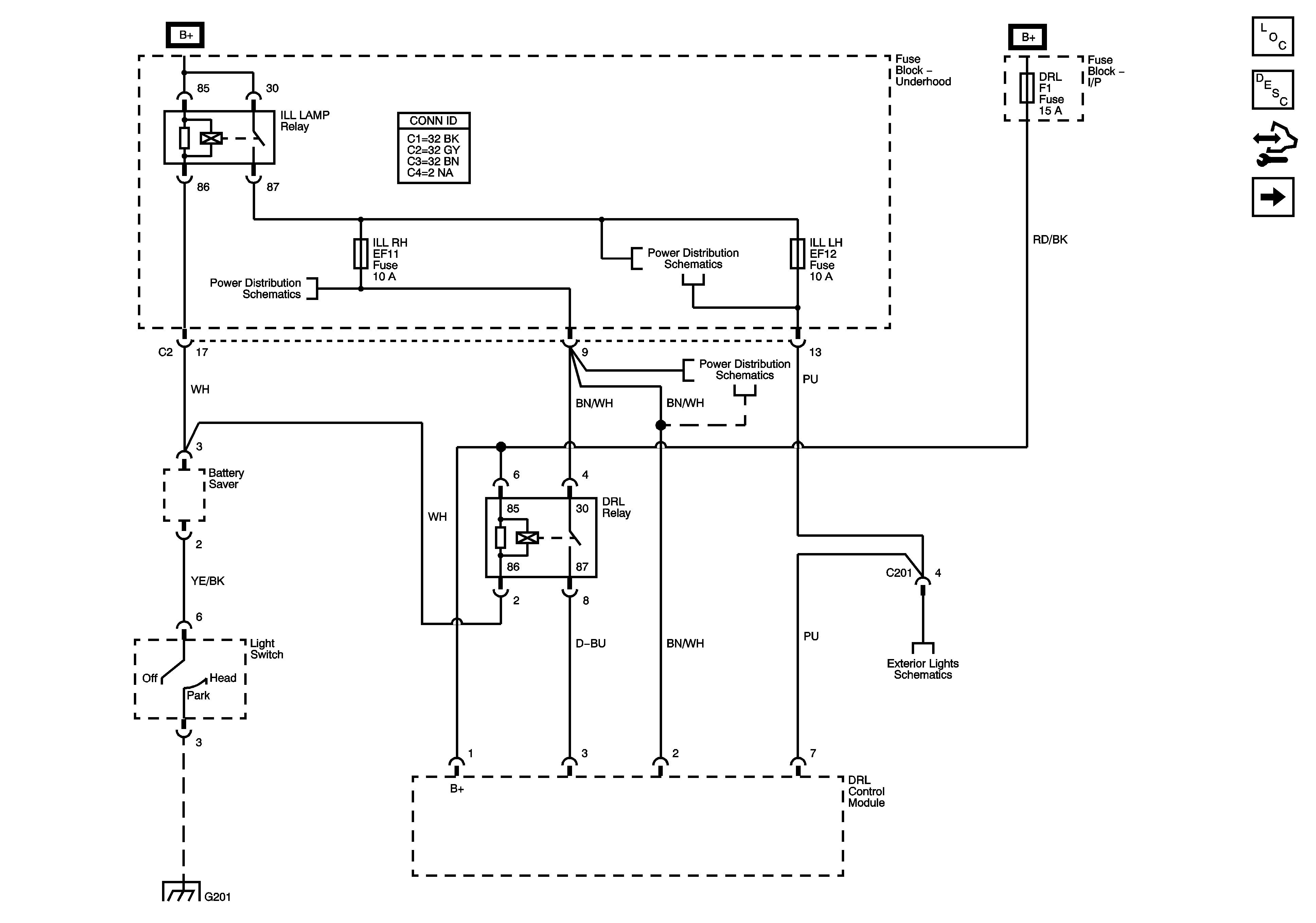
🢒 Headlights/Daytime Running Lights (DRL) Schematics
Figure
1:
DRL Controls
Figure
2:
Headlamps and Relays