GM Service Manual Online
For 1990-2009 cars only
Makes
🢒
Pontiac
🢒
2009
🢒
Matiz
🢒
Brakes
🢒
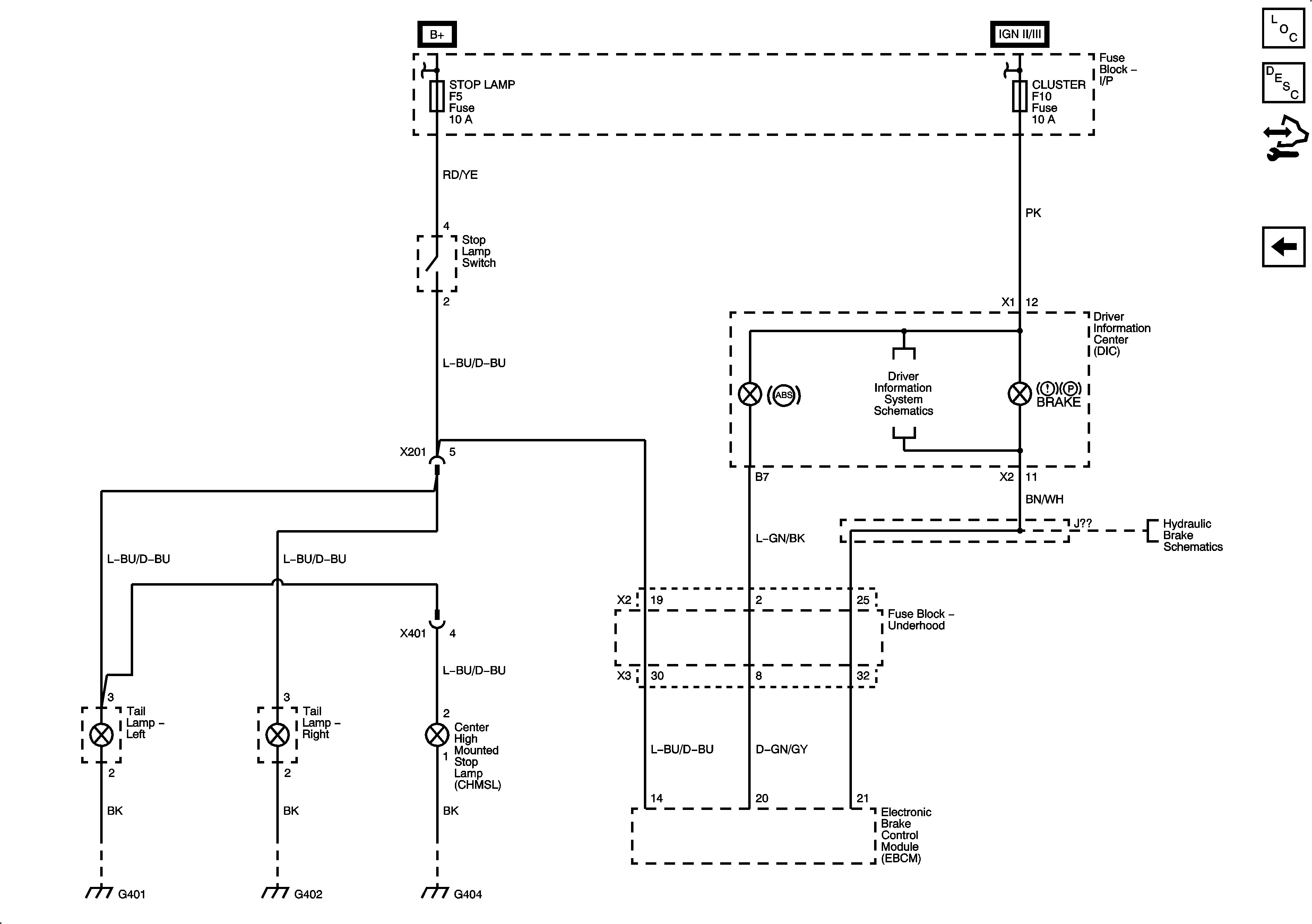
Antilock Brake System
🢒 Antilock Brake System Schematics
Figure
1:
Ground, Power, Serial Data and Wheel Speed Sensors
Figure
2:
Stop Lamp and Indicators