GM Service Manual Online
For 1990-2009 cars only
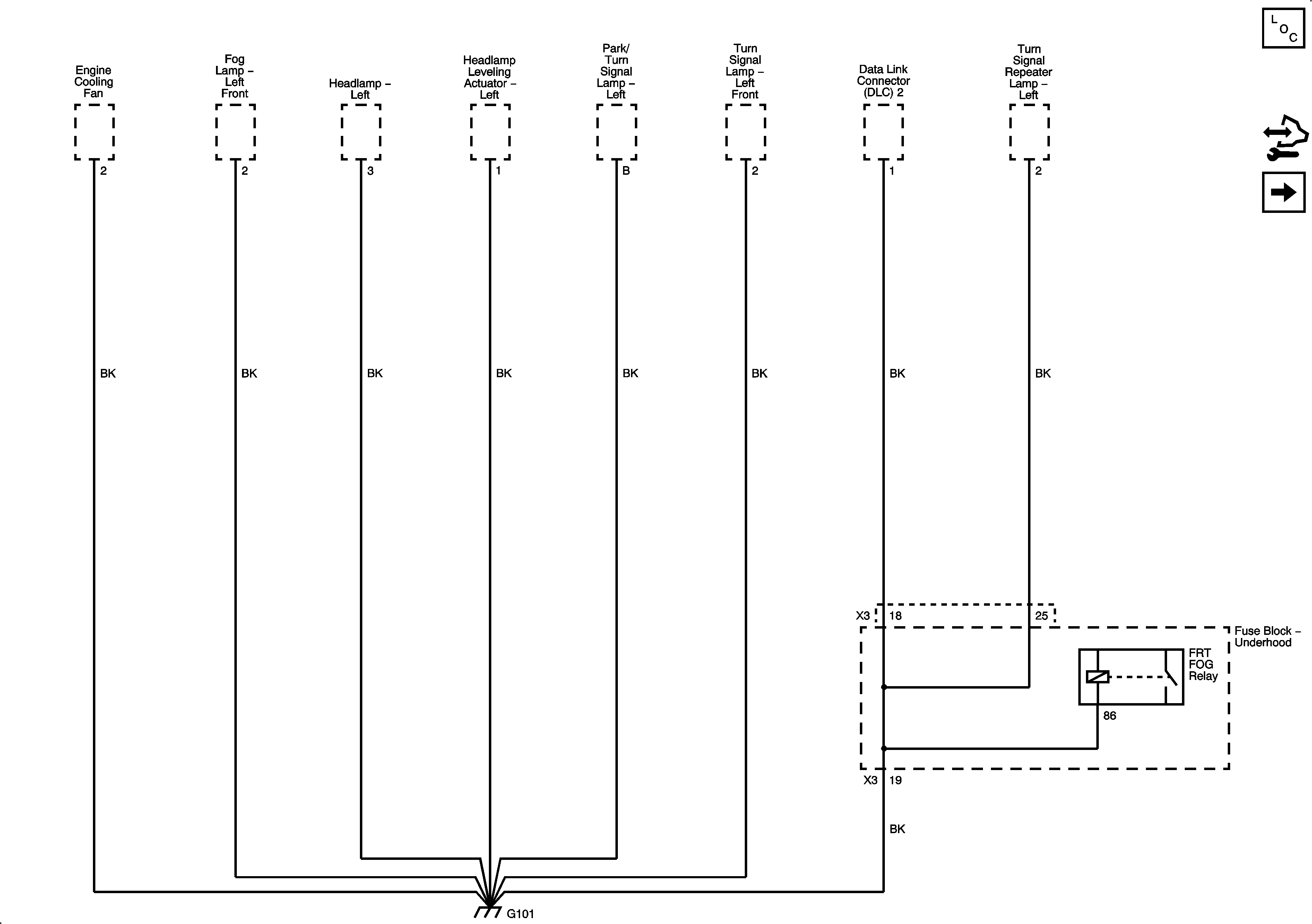
Figure 1:

G101


Object Number: 2108874  Size: FS
Figure 2:

G102 and G103


Object Number: 2108881  Size: FS
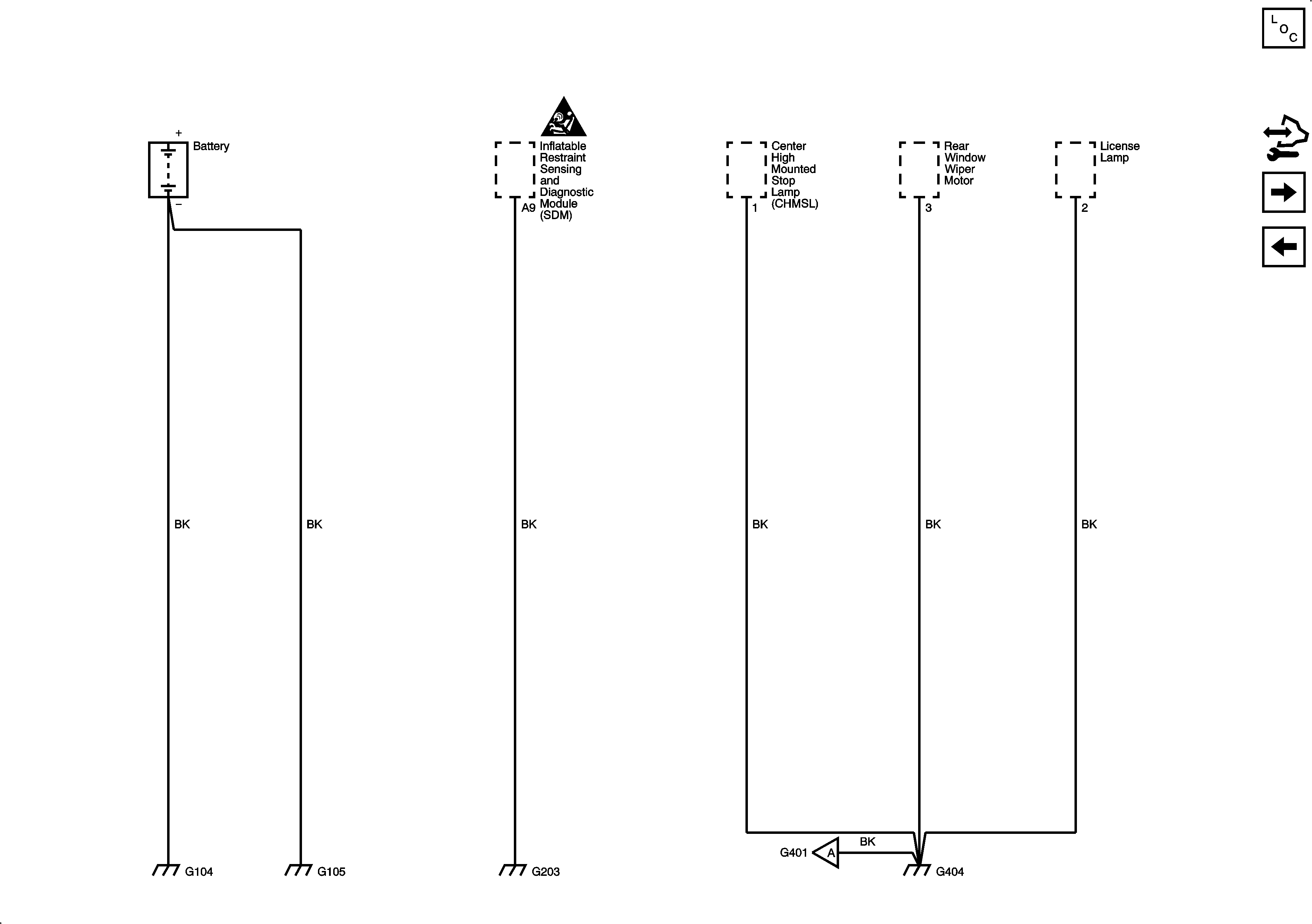
Figure 3:

G104, G105, G203 and G404


Object Number: 2108885  Size: FS
Figure 4:

G106


Object Number: 2108893  Size: FS
Figure 5:

G201


Object Number: 2108896  Size: FS
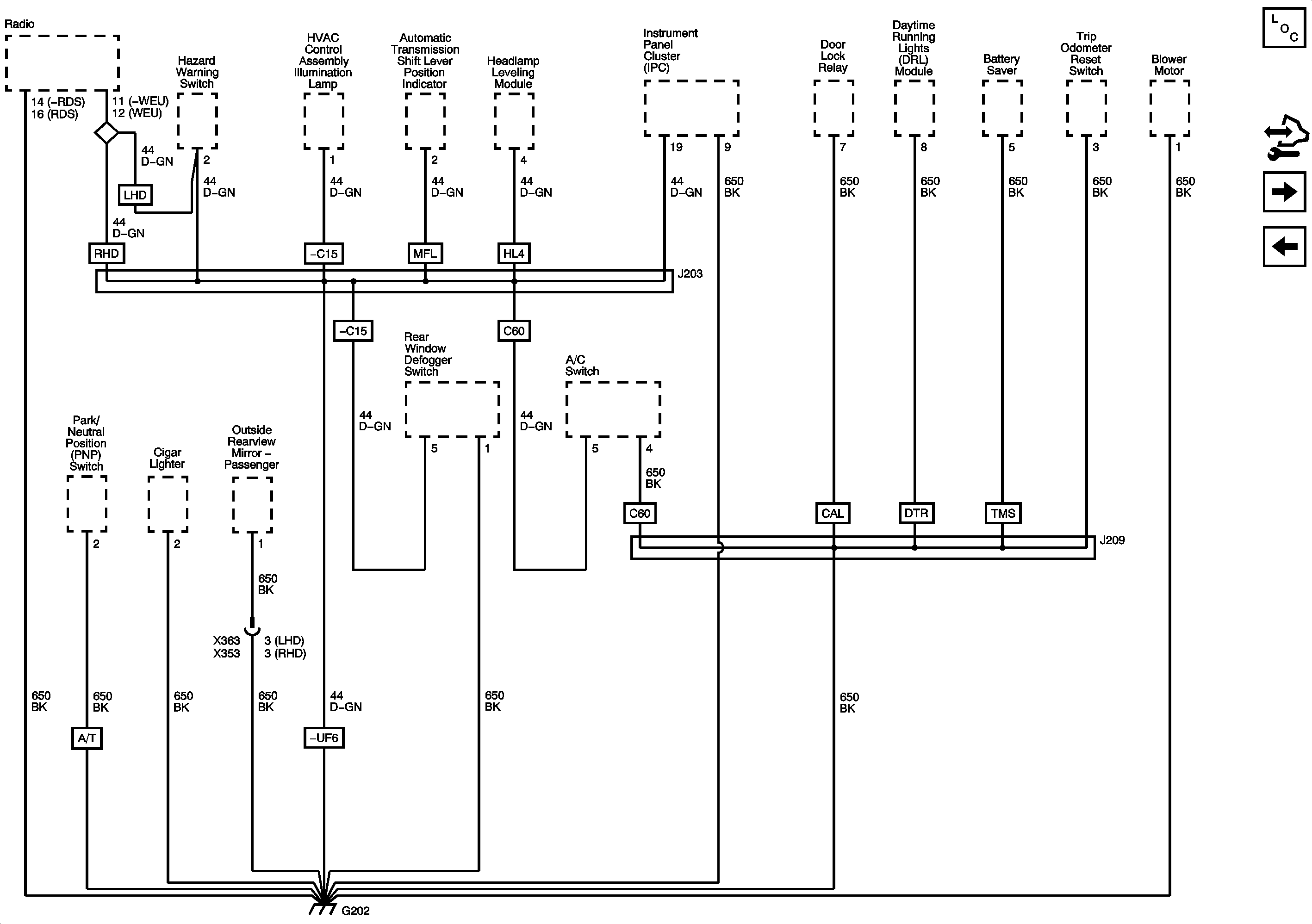
Figure 6:

G202


Object Number: 2108900  Size: FS
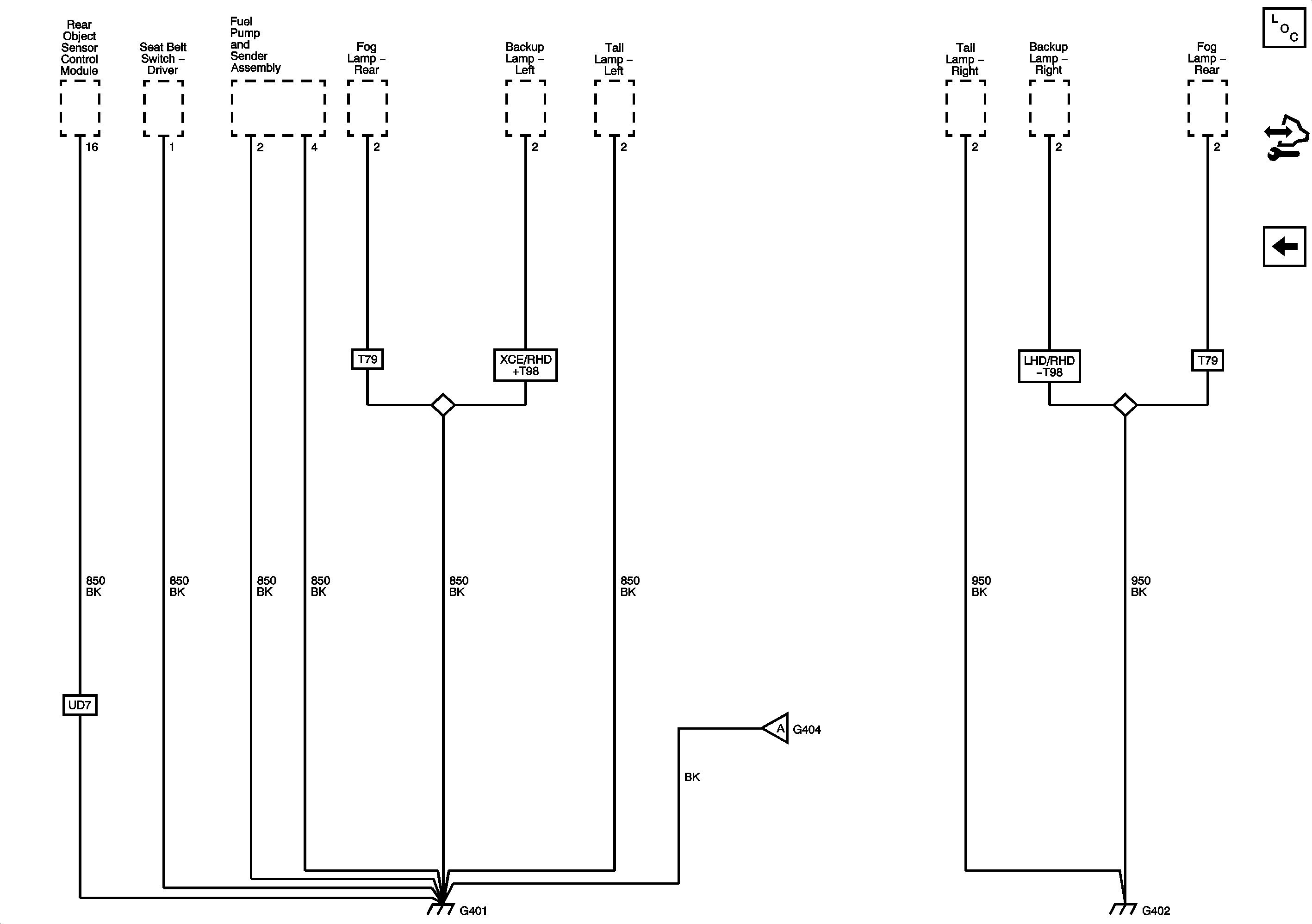
Figure 7:

G401 and G402


Object Number: 2108901  Size: FS