GM Service Manual Online
For 1990-2009 cars only
Figure 1:

Front Harness Routing


Object Number: 2143191  Size: LF
(1)Fuse Block - Underhood X3
(2)G102
(3)G103
(4)G101
Figure 2:

Engine Harness Routing


Object Number: 2143212  Size: LF
(1)Fuse Block - Underhood X1
(2)G106
(3)X202
(4)Battery (-)
(5)Battery (+)
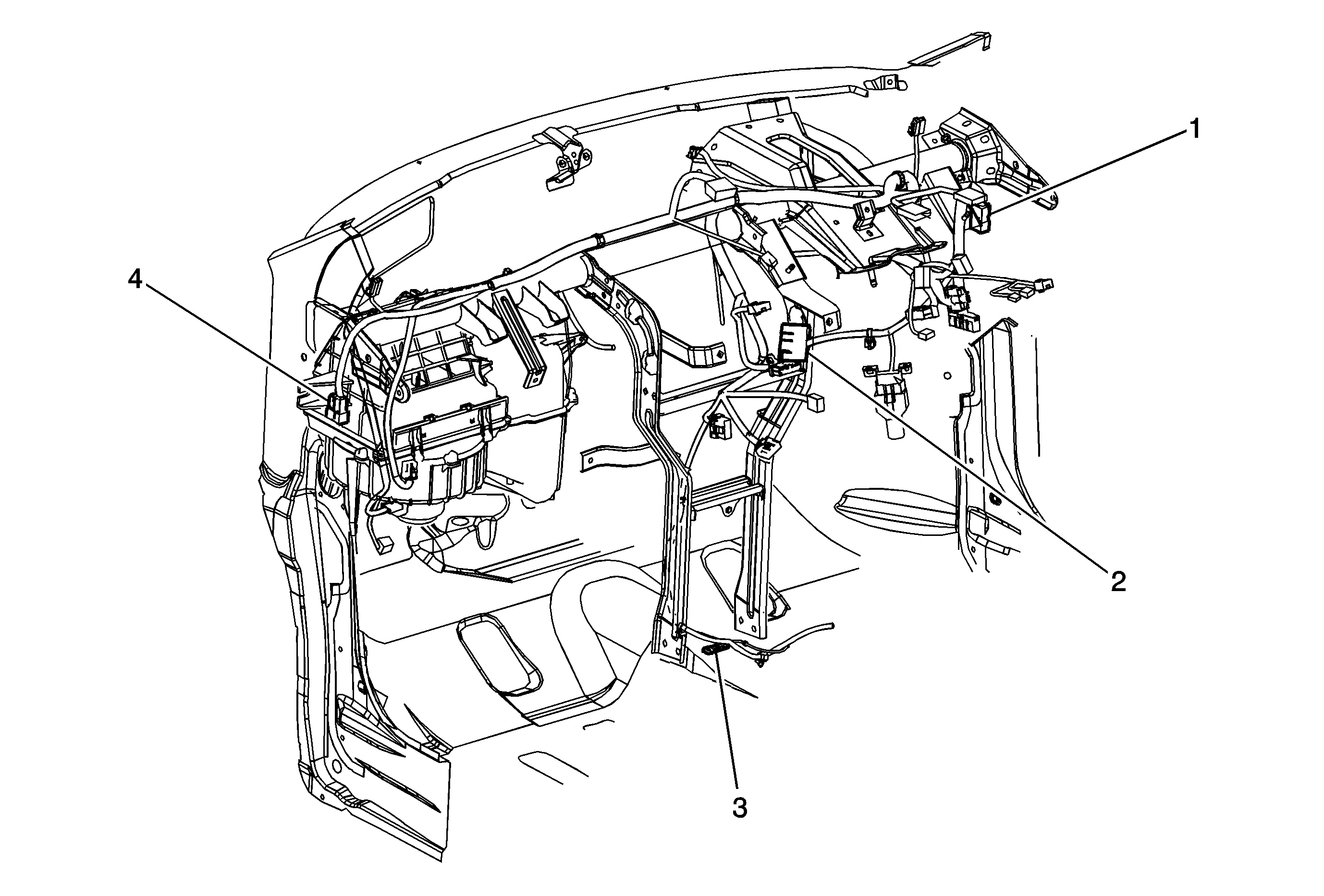
Figure 3:

Instrument Panel Harness Routing (LHD)


Object Number: 2143217  Size: MF
(1)X361
(2)G202
(3)X202
(4)X201
(5)X351
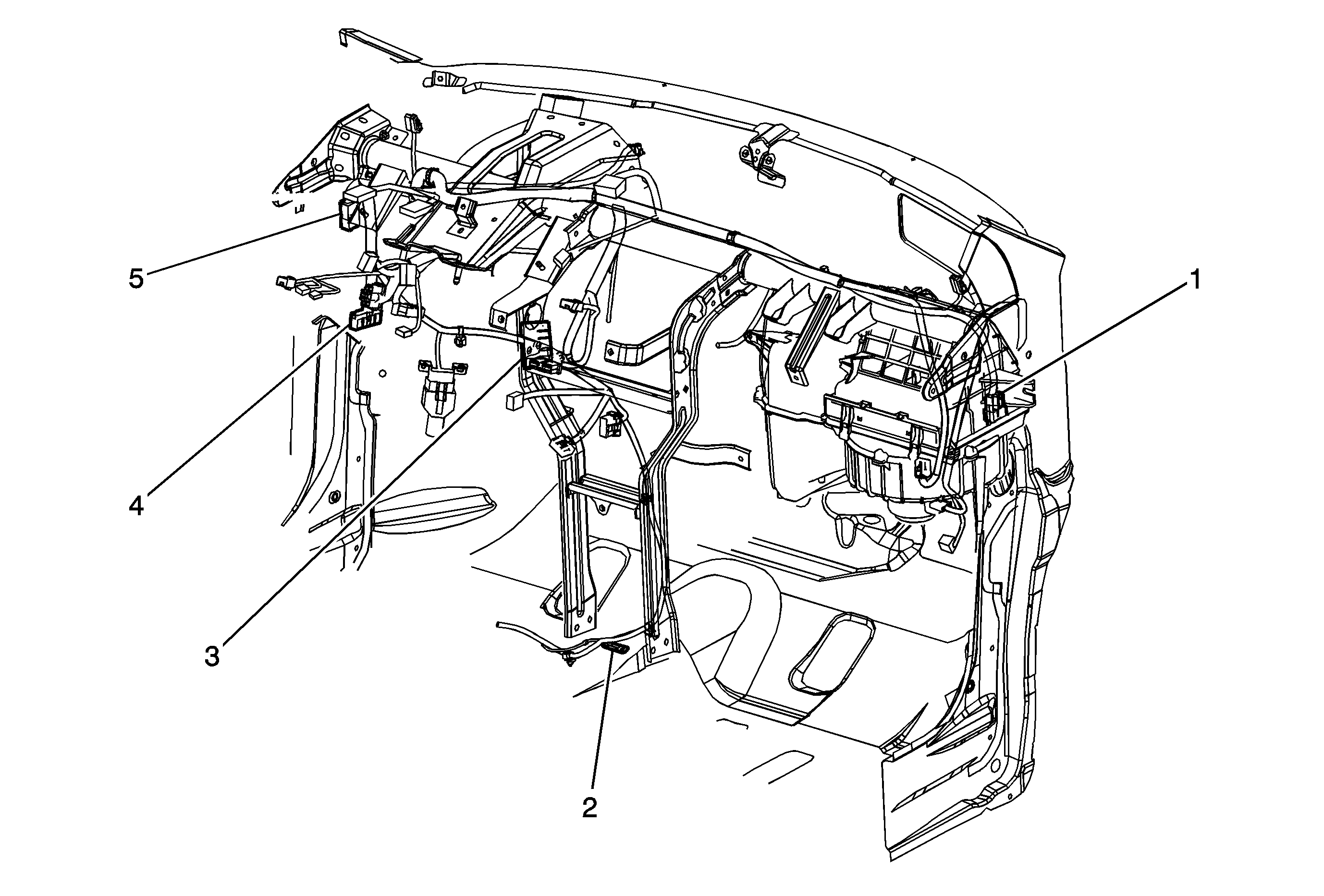
Figure 4:

Instrument Panel Harness Routing (RHD)


Object Number: 2143252  Size: MF
(1)X351
(2)X202
(3)G202
(4)X361
Figure 5:

Air Bag Harness Routing (LHD)


Object Number: 2143274  Size: MF
(1)X203
(2)G203
Figure 6:

Air Bag Harness Routing (RHD)


Object Number: 2143275  Size: MF
(1)X203
(2)G203
Figure 7:

Floor Harness Routing - 1 of 2


Object Number: 2143276  Size: MF
(1)X401
(2)X371
(3)X352 (LHD)
(4)X201
Figure 8:

Floor Harness Routing - 2 of 2


Object Number: 2143292  Size: LF
(1)G401
(2)G402
(3)X401
Figure 9:

Driver Door Harness Routing (LHD)


Object Number: 2143296  Size: MF
(1)X351
(2)X352
Figure 10:

Driver Door Harness Routing (RHD)


Object Number: 2143300  Size: MF
(1)X351
(2)X352
Figure 11:

Left Rear Door Harness Routing


Object Number: 2143302  Size: MF
(1)X371
Figure 12:

Right Rear Door Harness Routing


Object Number: 2143306  Size: MF
(1)X381
Figure 13:

Liftgate Harness Routing


Object Number: 2143309  Size: MF
(1)X401
(2)G404