GM Service Manual Online
For 1990-2009 cars only
Makes
🢒
Pontiac
🢒
2009
🢒
Matiz
🢒
Safety and Security
🢒
Supplemental Inflatable Restraints
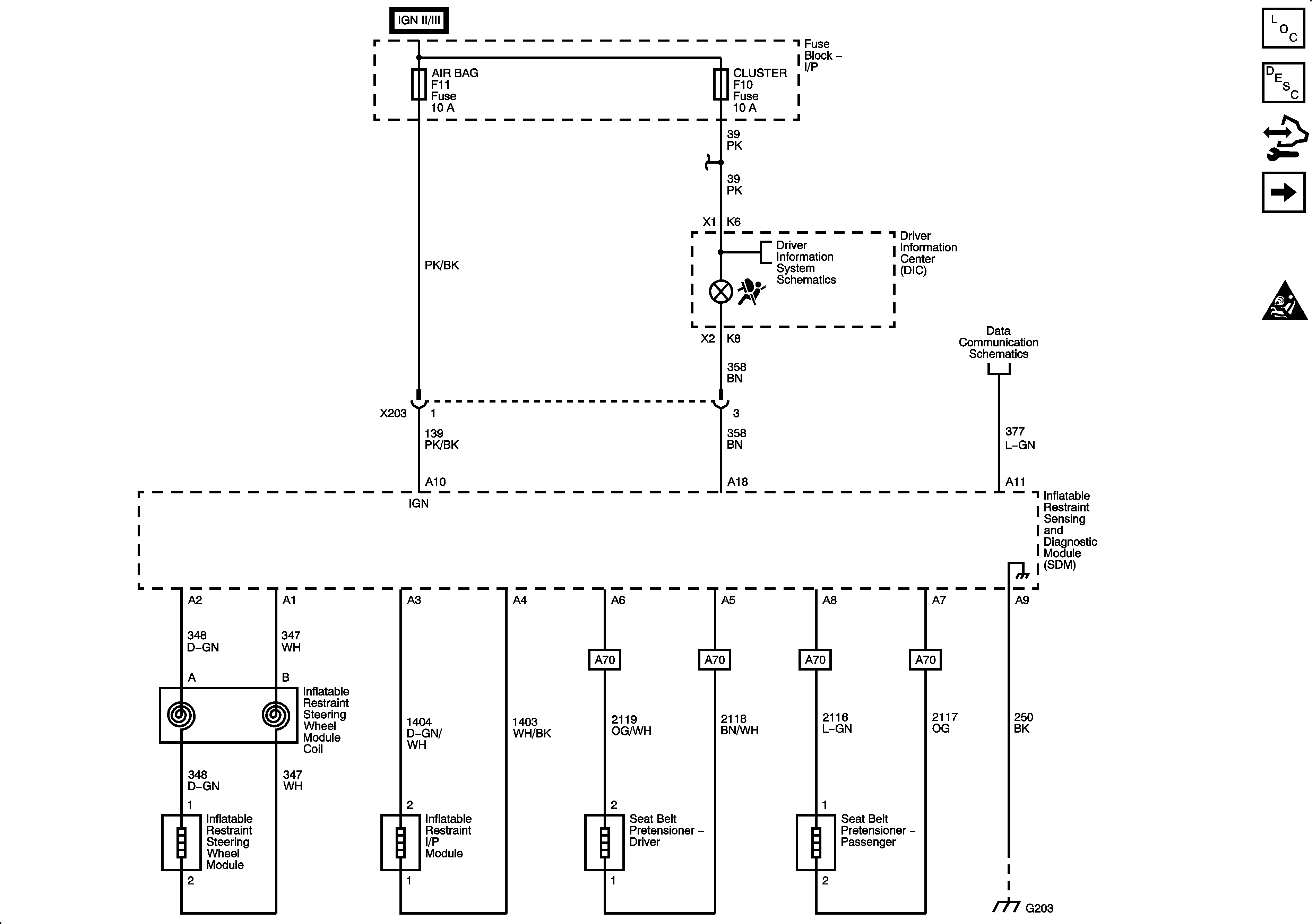
🢒 SIR Schematics
Figure
1:
Power, Ground. DLC and Pretensioners
Figure
2:
Side Impact Sensors and Modules