GM Service Manual Online
For 1990-2009 cars only
Makes
🢒
Pontiac
🢒
2000
🢒
Montana
🢒 Cell 10
Cell 10
Cell 10
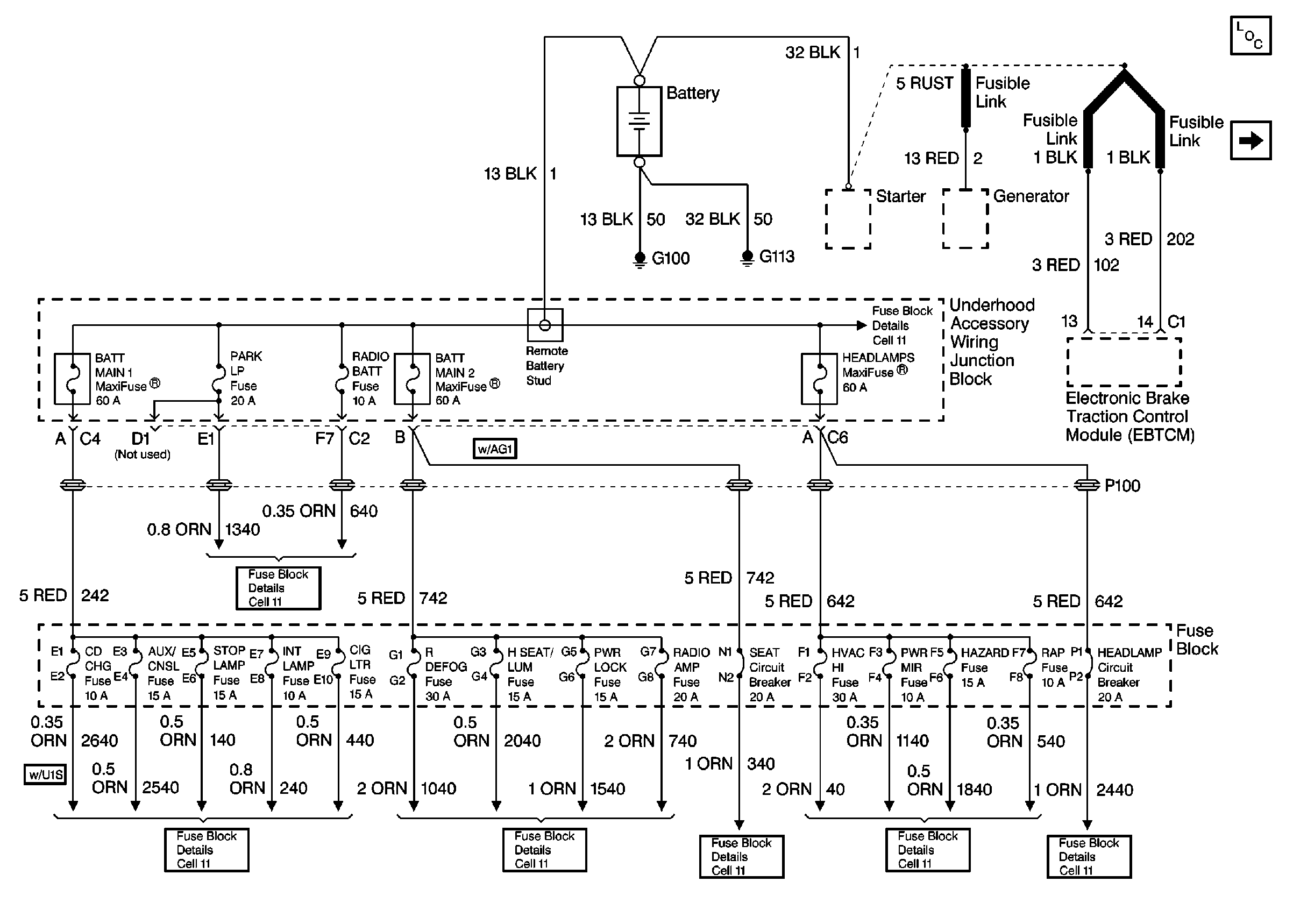
Power and Grounding Components
Cell 10: IGN MAIN 2 MaxiFuse 60 A
Cell 11: RADIO BATT and PARK LP Fuses
Cell 11: CD CHNG, AUX CNSL, STOP LAMP, INT LAMP, CIG LTR Fuses
Cell 11: HVAC HI, PWR MIR, HAZARD, RAP, REAR DEFOG, H SEAT/LUM, PWRLOCK, RADIO Fuses
Cell 11: SEAT, HEADLAMP and POWER WINDOW Circuit Breakers
Cell 11: HVAC HI, PWR MIR, HAZARD, RAP, REAR DEFOG, H SEAT/LUM, PWRLOCK, RADIO Fuses
Cell 11: SEAT, HEADLAMP and POWER WINDOW Circuit Breakers