GM Service Manual Online
For 1990-2009 cars only
Figure 1:

G101 and G102


Object Number: 771843  Size: FS
Master Electrical Component List
G101, G111, and G113
Figure 2:

G101, G111, and G113


Object Number: 771845  Size: FS
Master Electrical Component List
G114 and G117
G101 and G102
Figure 3:

G114 and G117


Object Number: 771848  Size: FS
Master Electrical Component List
G200, Page 1 of 3
G101, G111, and G113
Figure 4:

G200 - 1 of 3


Object Number: 771851  Size: FS
Master Electrical Component List
G200, Page 2 of 3
G114 and G117
G200, Page 2 of 3
G200, Page 3 of 3
G201
SIR Caution for Zoning
Figure 5:

G200 - 2 of 3


Object Number: 771853  Size: FS
Master Electrical Component List
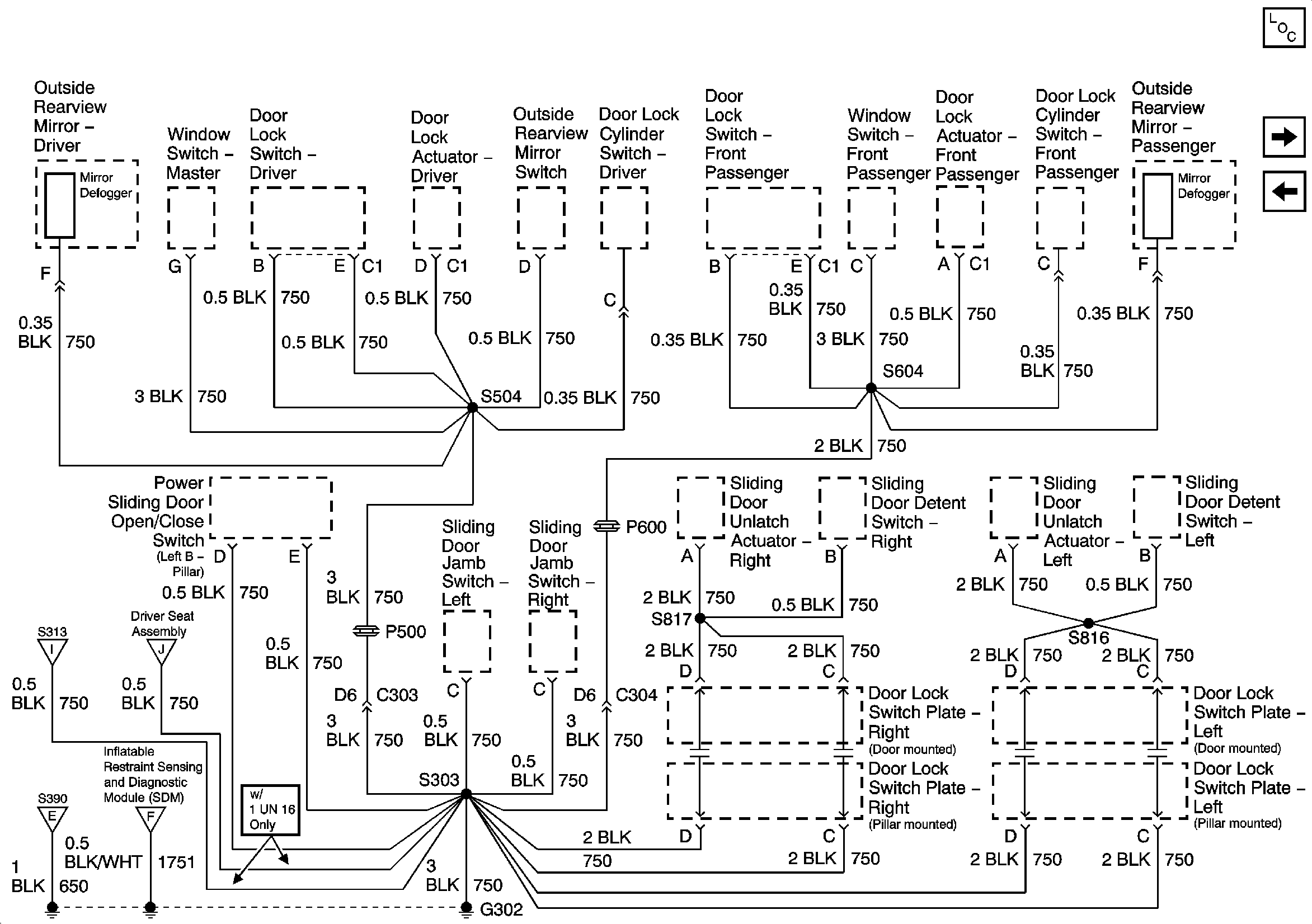
G200, Page 3 of 3
G200, Page 1 of 3
G200, Page 1 of 3
Figure 6:

G200 - 3 of 3


Object Number: 771856  Size: FS
Master Electrical Component List
G201
G200, Page 2 of 3
G200, Page 1 of 3
Figure 7:

G201


Object Number: 1242811  Size: FS
Master Electrical Component List
G210 and G301
G200, Page 3 of 3
G200, Page 1 of 3
Figure 8:

G210 and G301


Object Number: 771858  Size: FS
Master Electrical Component List
G302, Page 1 of 3
G201
Figure 9:

G302 - 1 of 3


Object Number: 771859  Size: FS
Master Electrical Component List
G302, Page 2 of 3
G210 and G301
G302, Page 2 of 3
G302, Page 2 of 3
Figure 10:

G302 - 2 of 3


Object Number: 771860  Size: FS
Master Electrical Component List
G302, Page 3 of 3
G302, Page 1 of 3
G302, Page 3 of 3
G302, Page 3 of 3
G302, Page 1 of 3
G302, Page 1 of 3
Figure 11:

G302 - 3 of 3


Object Number: 771862  Size: FS
Master Electrical Component List
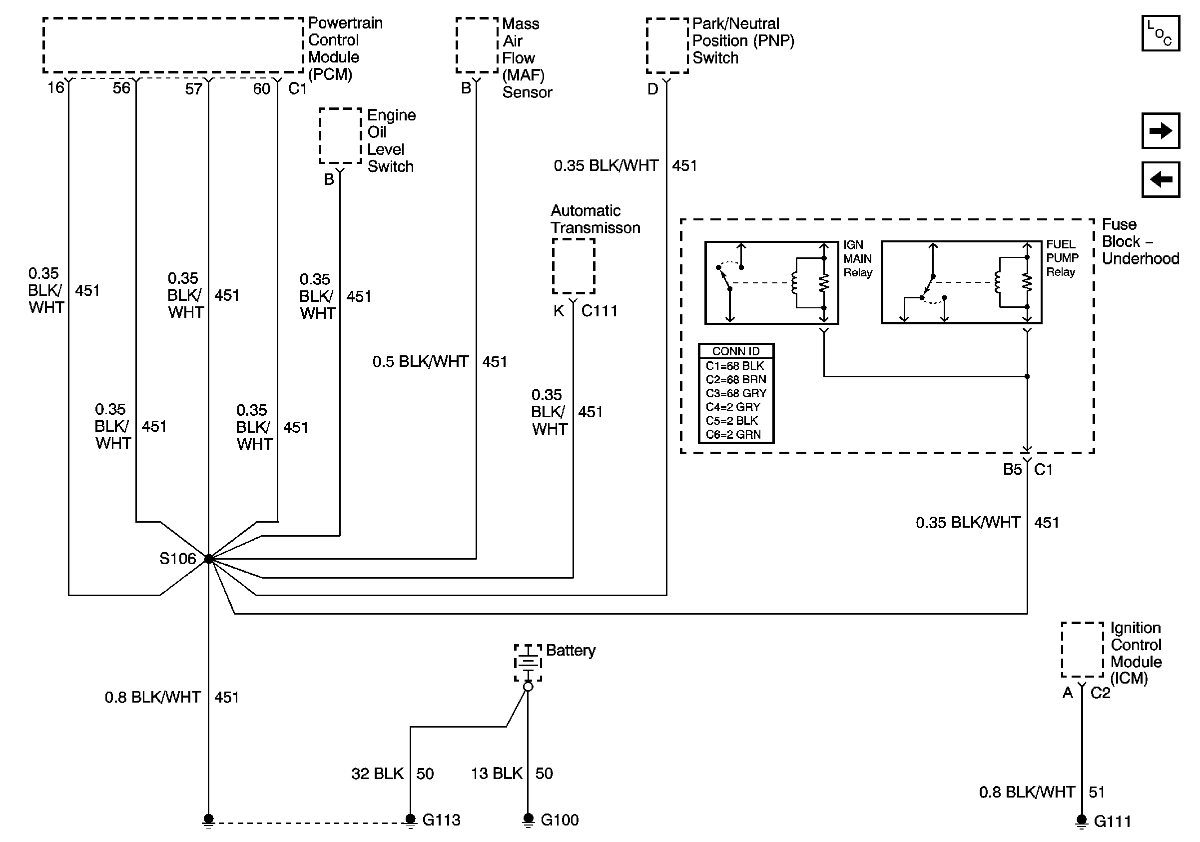
G401
G302, Page 2 of 3
G302, Page 2 of 3
G302, Page 2 of 3
Figure 12:

G401


Object Number: 857790  Size: FS
Master Electrical Component List
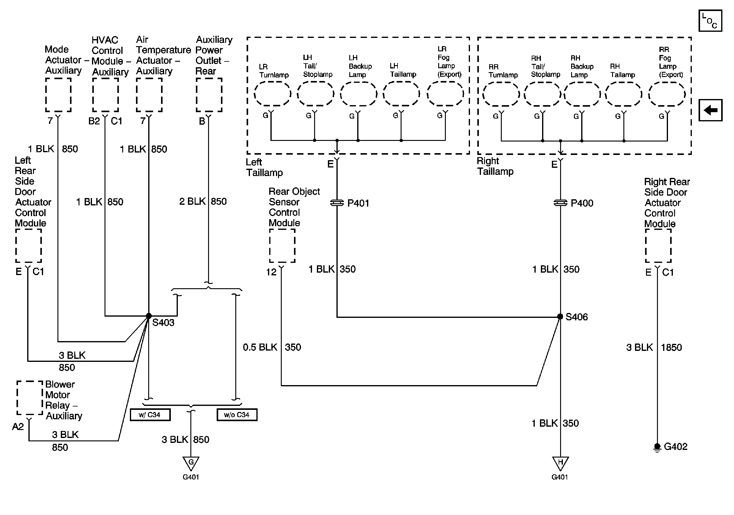
G402
G302, Page 3 of 3
G402
G402
Figure 13:

G401 and G402


Object Number: 771865  Size: FS
Master Electrical Component List
G401
G401
G401