GM Service Manual Online
For 1990-2009 cars only
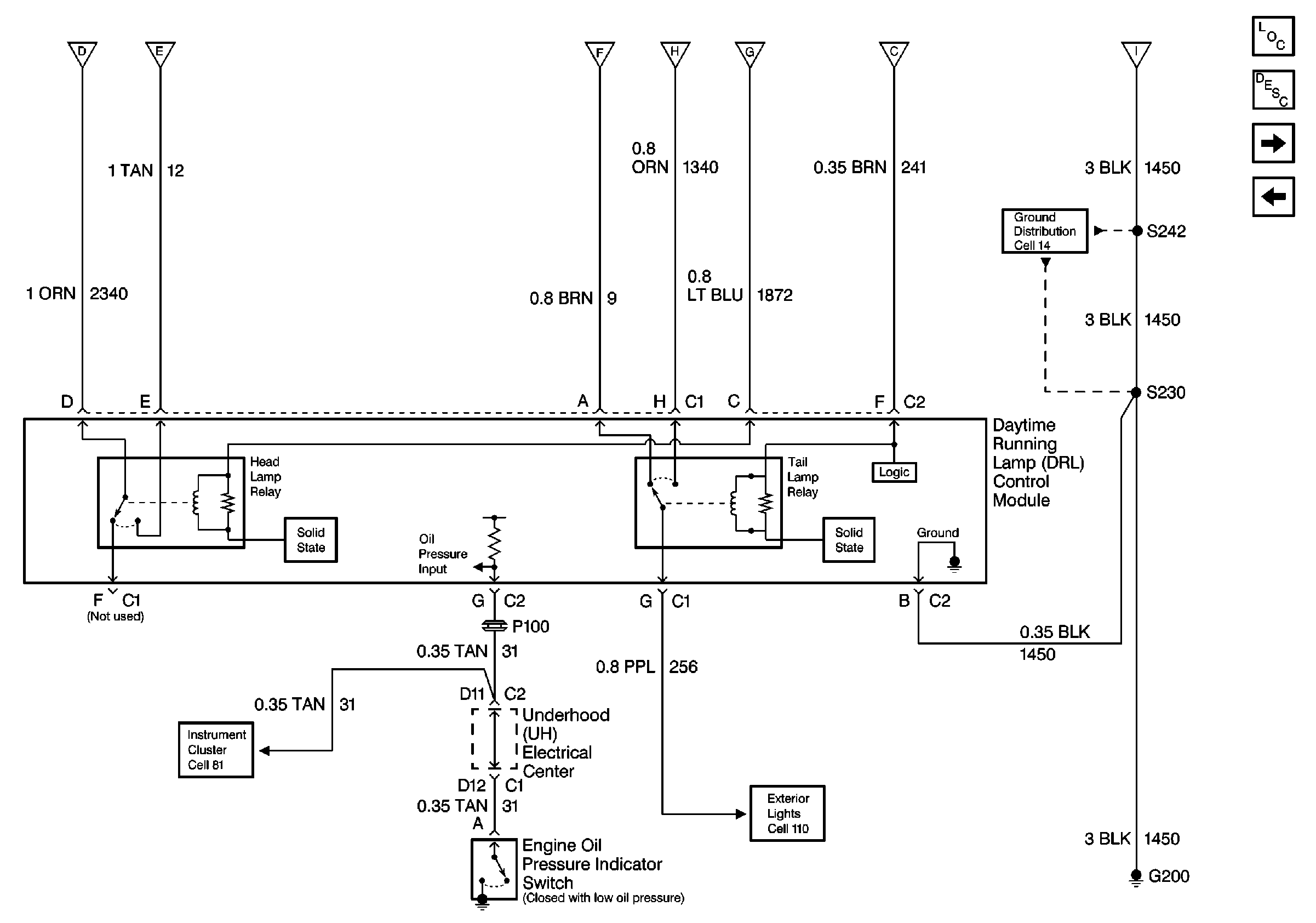
Figure 1:

Cell 100: Park Brake Indicator Switch, DRL Ambient Light Sensor


Object Number: 323587  Size: FS
Lighting Systems Components
Headlights Circuit Description Domestic
Cell 100: Headlamp and IP Lamp Dimmer Switch
Cell 11: FRT HVAC Low/Med BLWR, HVAC/DRL, PWR QTR VENT, RR HVAC
Cell 81: Inflatable Restraint Sensing and SDM
Cell 81: Inflatable Restraint Sensing and SDM
Cell 14: G200
Cell 14: G101 and G102
Cell 110: Hazard Lamp/Turn Signal Flasher, Turn Signal Switch
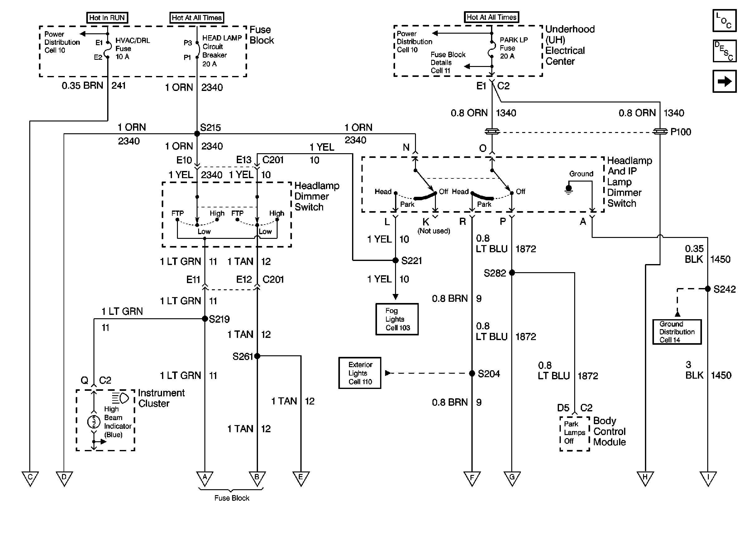
Figure 2:

Cell 100: Headlamp and IP Lamp Dimmer Switch


Object Number: 323594  Size: FS
Lighting Systems Components
Headlights Circuit Description Domestic
Cell 100: Headlamps
Cell 100: Park Brake Indicator Switch, DRL Ambient Light Sensor
Handling ESD Sensitive Parts Notice
Cell 110: License Lamps, Relay Center
Cell 103
Cell 100: Headlamps
Cell 100: Headlamps
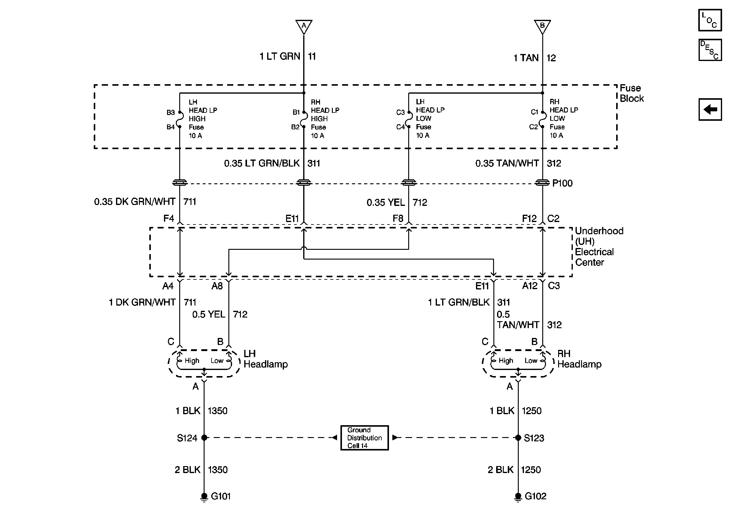
Figure 3:

Cell 100: Headlamps


Object Number: 323596  Size: FS
Lighting Systems Components
Headlights Circuit Description Domestic
Cell 100: Headlamp and IP Lamp Dimmer Switch
Cell 100: Headlamp and IP Lamp Dimmer Switch
Cell 100: Headlamp and IP Lamp Dimmer Switch
Handling ESD Sensitive Parts Notice
Cell 14: G200
Cell 14: G101 and G102
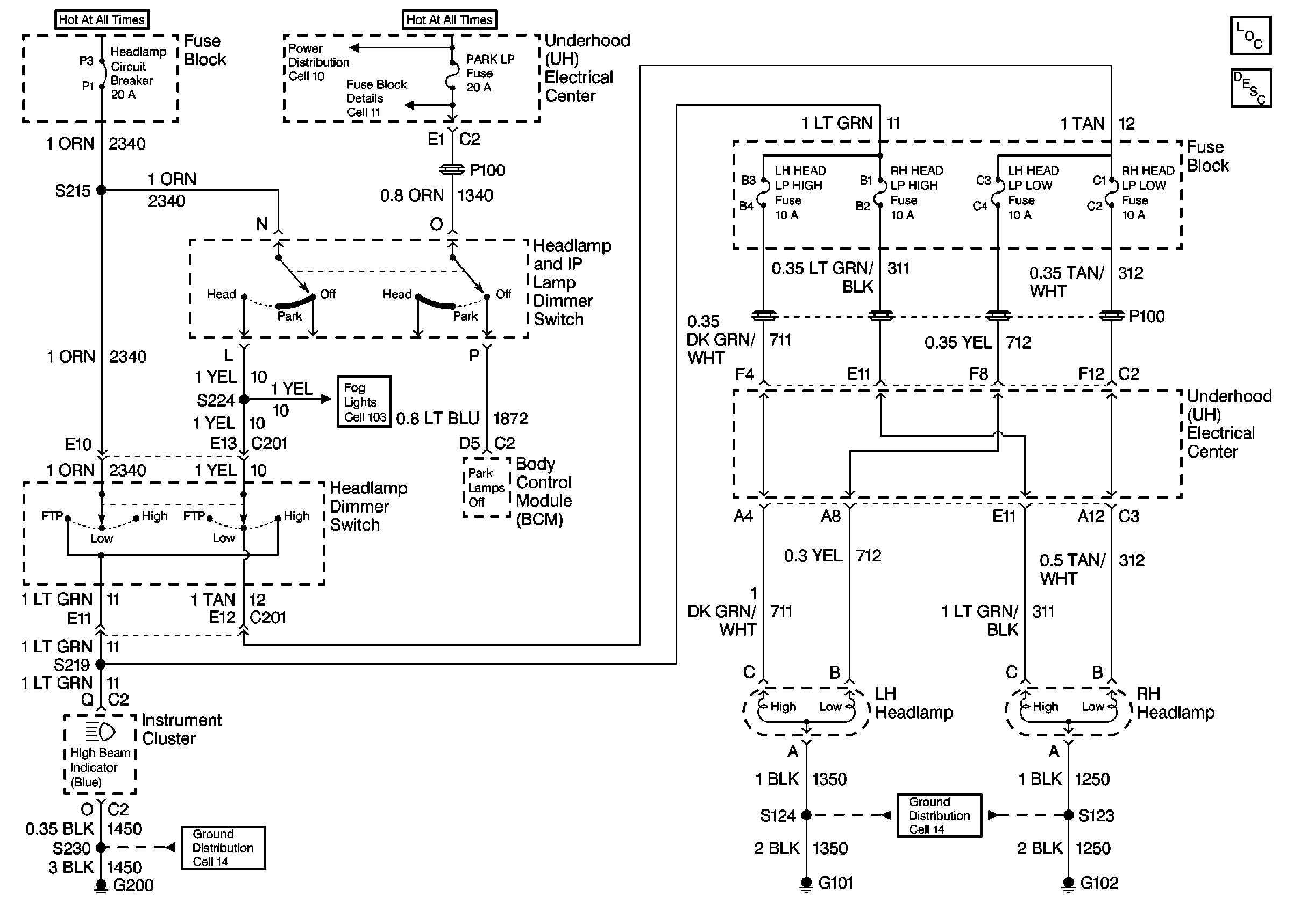
Figure 4:

Headlights -- Export


Object Number: 390248  Size: FS
Lighting Systems Components
Headlights Circuit Description Domestic
Cell 103
Cell 14: G200
Cell 14: G101 and G102
Figure 5:

Daytime Running Lights -- Export 1 of 3


Object Number: 413590  Size: FS
Lighting Systems Components
Headlights Circuit Description Export
Daytime Running Lights - Export 2 of 3
Rear Fog Lights - Export 1 of 2
Cell 110: License Lamps, Relay Center
Cell 14: G200
Daytime Running Lights - Export 2 of 3
Daytime Running Lights - Export 3 of 3
Daytime Running Lights - Export 2 of 3
Daytime Running Lights - Export 2 of 3
Figure 6:

Daytime Running Lights -- Export 2 of 3


Object Number: 413601  Size: FS
Lighting Systems Components
Headlights Circuit Description Export
Cell 14: G200
Daytime Running Lights - Export 3 of 3
Daytime Running Lights - Export 1 of 3
Daytime Running Lights - Export 1 of 3
Cell 81: Malfunction Indicator Lamp TC Module
Figure 7:

Daytime Running Lights -- Export 3 of 3


Object Number: 413609  Size: FS
Lighting Systems Components
Headlights Circuit Description Export
Daytime Running Lights - Export 1 of 3
Daytime Running Lights - Export 1 of 3
Cell 14: G101 and G102