GM Service Manual Online
For 1990-2009 cars only
Makes
🢒
Pontiac
🢒
2000
🢒
Montana Ext.
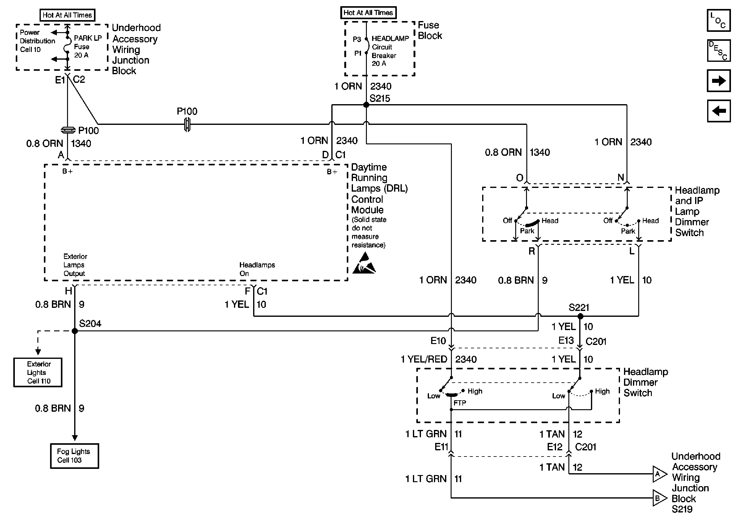
🢒 Cell 100: Headlamp and IP Lamp Dimmer Switch
Cell 100: Headlamp and IP Lamp Dimmer Switch
Cell 100: Headlamp and IP Lamp Dimmer Switch
Lighting Systems Components
Headlights Circuit Description Domestic
Cell 100: Headlamps
Cell 100: Park Brake Indicator Switch, DRL Ambient Light Sensor
Handling ESD Sensitive Parts Notice
Cell 110: License Lamps, Relay Center
Cell 103
Cell 100: Headlamps
Cell 100: Headlamps