GM Service Manual Online
For 1990-2009 cars only
Makes
🢒
Pontiac
🢒
2000
🢒
Montana Ext.
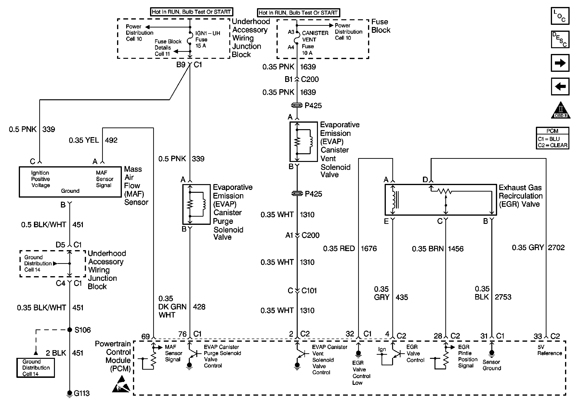
🢒 Cell 20: Engine Data Sensors-MAF, EVAP Vent, EVAP Purge, EGR
Cell 20: Engine Data Sensors-MAF, EVAP Vent, EVAP Purge, EGR
Cell 20: Engine Data Sensos-MAF, EVAP Vent, EVAP Purge, EGR
Cell 10: Underhood Accessory Wiring Junction Block
Cell 10: IGN MAIN 1 MaxiFuse 40 A
Cell 11: IGN1-UH Fuse
Cell 14: Engine Grounds G100, G111 and G113
Cell 14: Engine Grounds G100, G111 and G113
Handling Electrostatic Discharge Sensitive Parts Notice
Cell 20: Engine Controls-Indicator Lamps
Cell 20: Engine Data Sensors-VSS, Cruise
OBDII Symbol Description Notice