GM Service Manual Online
For 1990-2009 cars only
Makes
🢒
Pontiac
🢒
2004
🢒
Montana Ext.
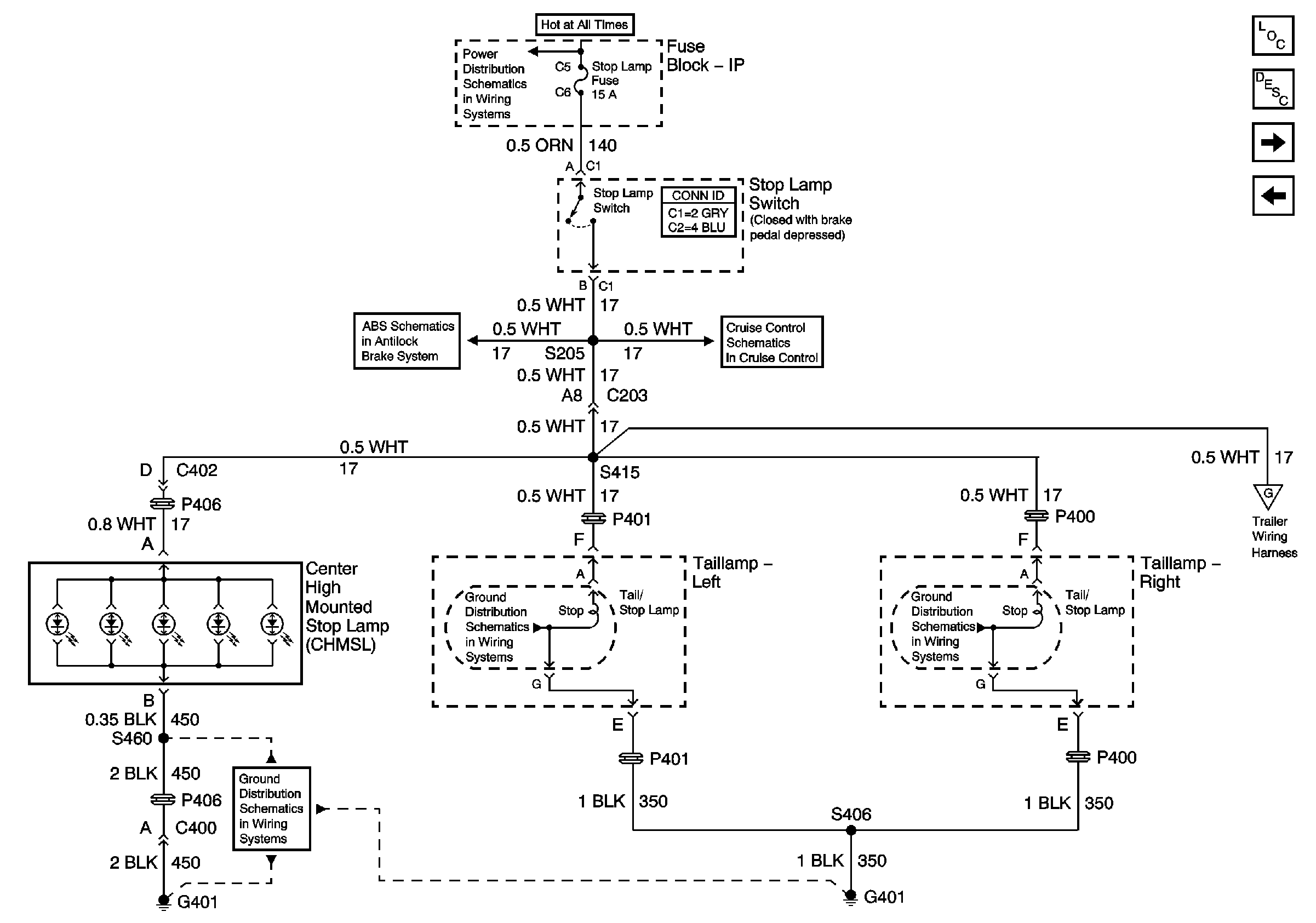
🢒 Stop Lamps
Stop Lamps
Stop Lamps
Master Electrical Component List
Exterior Lighting Systems Description and Operation
Marker, Front Park, and Rear Turn Signals Lamps, and Turn Indicators
Turn Signal/Hazard Lamp Control
Headlamps and Fuse Block - I/P Fuses
Data Link, MIL, PCM and Stop Lamp Switch
Cruise Control
G401
G402
G402
Trailer Wiring