GM Service Manual Online
For 1990-2009 cars only
Figure 1:

Module Power, Ground, Serial Data, and MIL


Object Number: 1921638  Size: FS
Master Electrical Component List
Engine Control Module Description
Control Module References
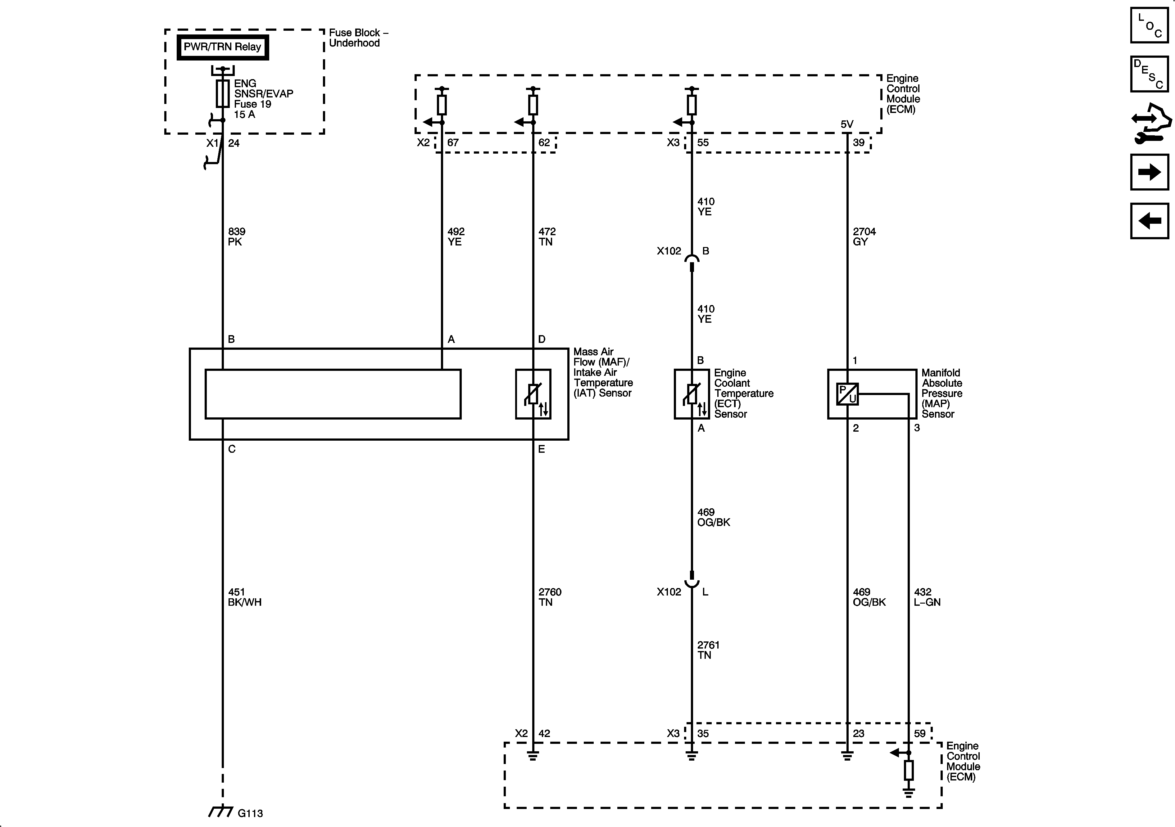
Engine Data Sensors - 5-Volt and Low Reference
Figure 2:

Engine Data Sensors - 5-Volt and Low Reference


Object Number: 1921640  Size: FS
Master Electrical Component List
Engine Control Module Description
Control Module References
Engine Data Sensors - Pressure, Temperature, Extended Brake Travel and VSS
Module Power, Ground, Serial Data and MIL
Figure 3:

Engine Data Sensors - Pressure, Temperature, Extended Brake Travel, and VSS


Object Number: 1921642  Size: FS
Master Electrical Component List
Engine Control Module Description
Control Module References
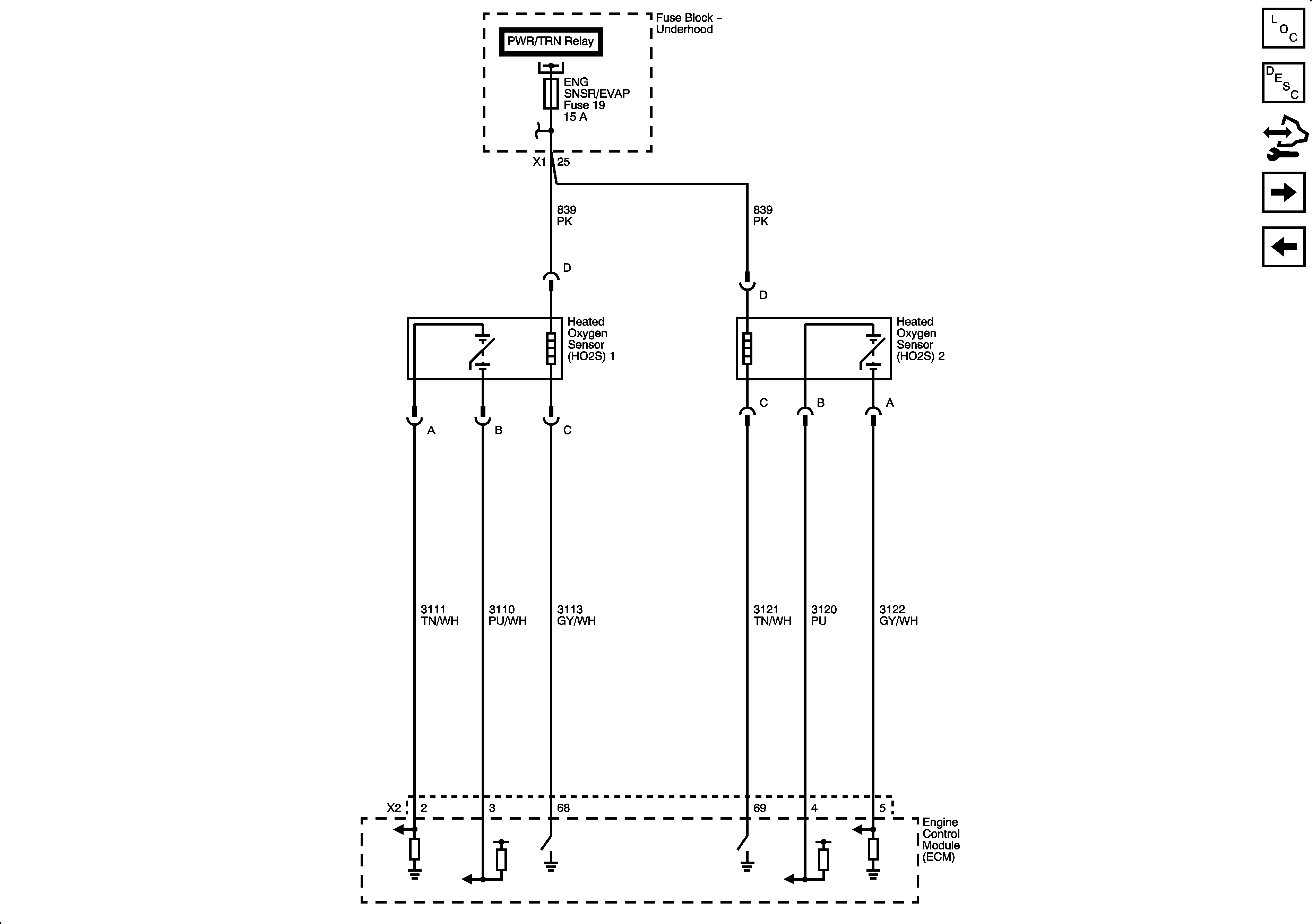
Engine Data Sensors - Oxygen Sensors
Engine Data Sensors - 5-Volt and Low Reference
Figure 4:

Engine Data Sensors - Oxygen Sensors


Object Number: 1921644  Size: FS
Master Electrical Component List
Engine Control Module Description
Control Module References
Engine Data Sensors - Throttle Actuator Controls
Engine Data Sensors - Pressure, Temperature, Extended Brake Travel and VSS
Figure 5:

Engine Data Sensors - Throttle Actuator Controls


Object Number: 1921646  Size: FS
Master Electrical Component List
Throttle Actuator Control (TAC) System Description
Control Module References
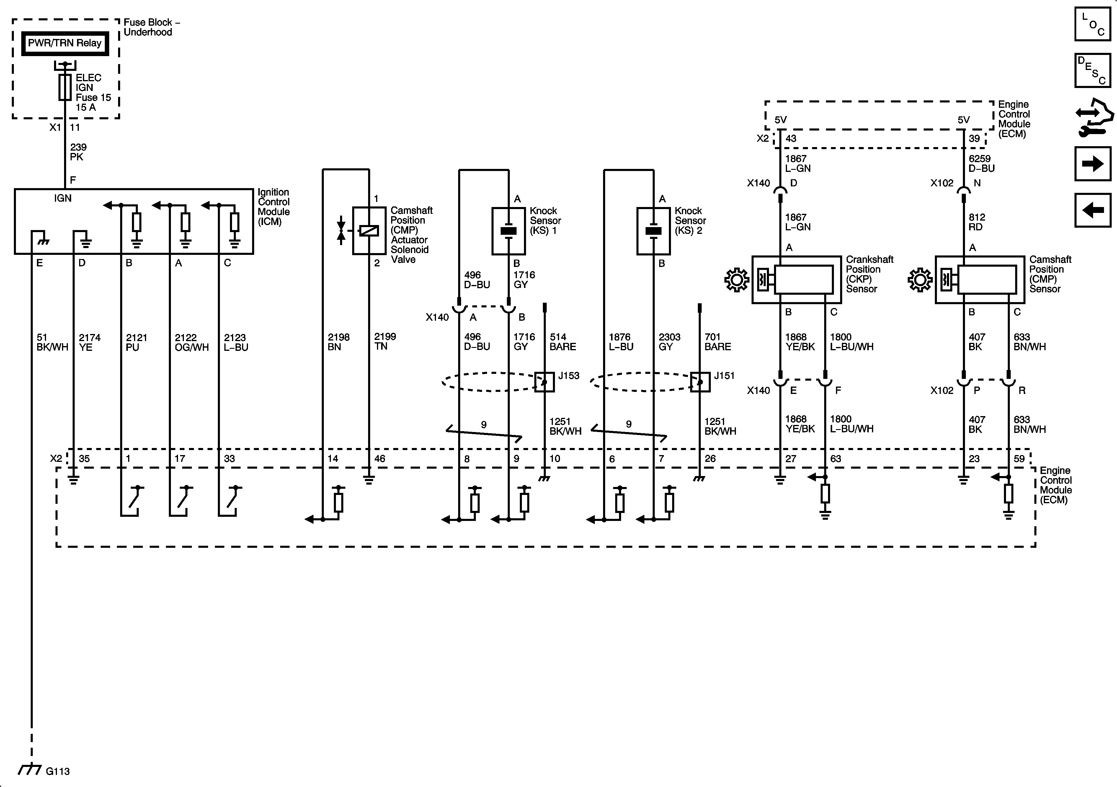
Ignition Controls and Camshaft Control
Engine Data Sensors - Oxygen Sensors
Figure 6:

Ignition Controls and Camshaft Control


Object Number: 1921648  Size: FS
Master Electrical Component List
Electronic Ignition (EI) System Description
Control Module References
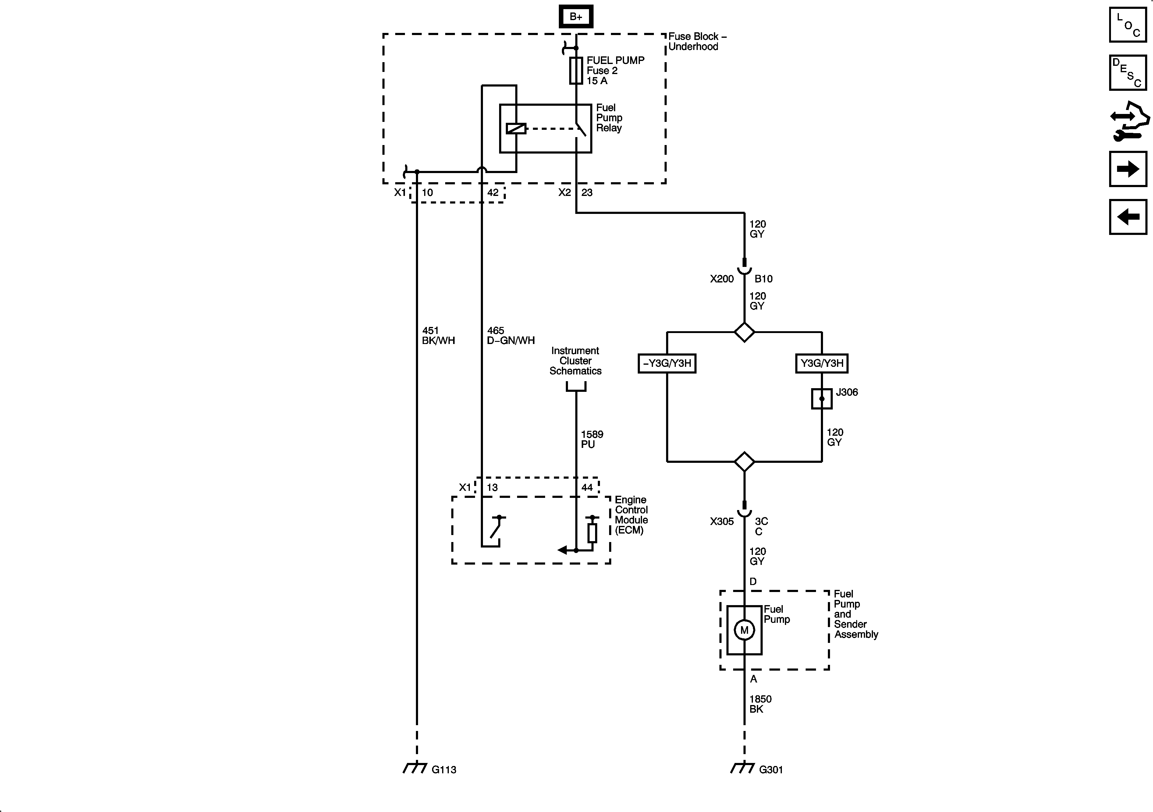
Fuel Controls - Fuel Pump Controls
Engine Data Sensors - Throttle Actuator Controls
Figure 7:

Fuel Controls - Fuel Pump Controls


Object Number: 1921650  Size: FS
Master Electrical Component List
Fuel System Description
Control Module References
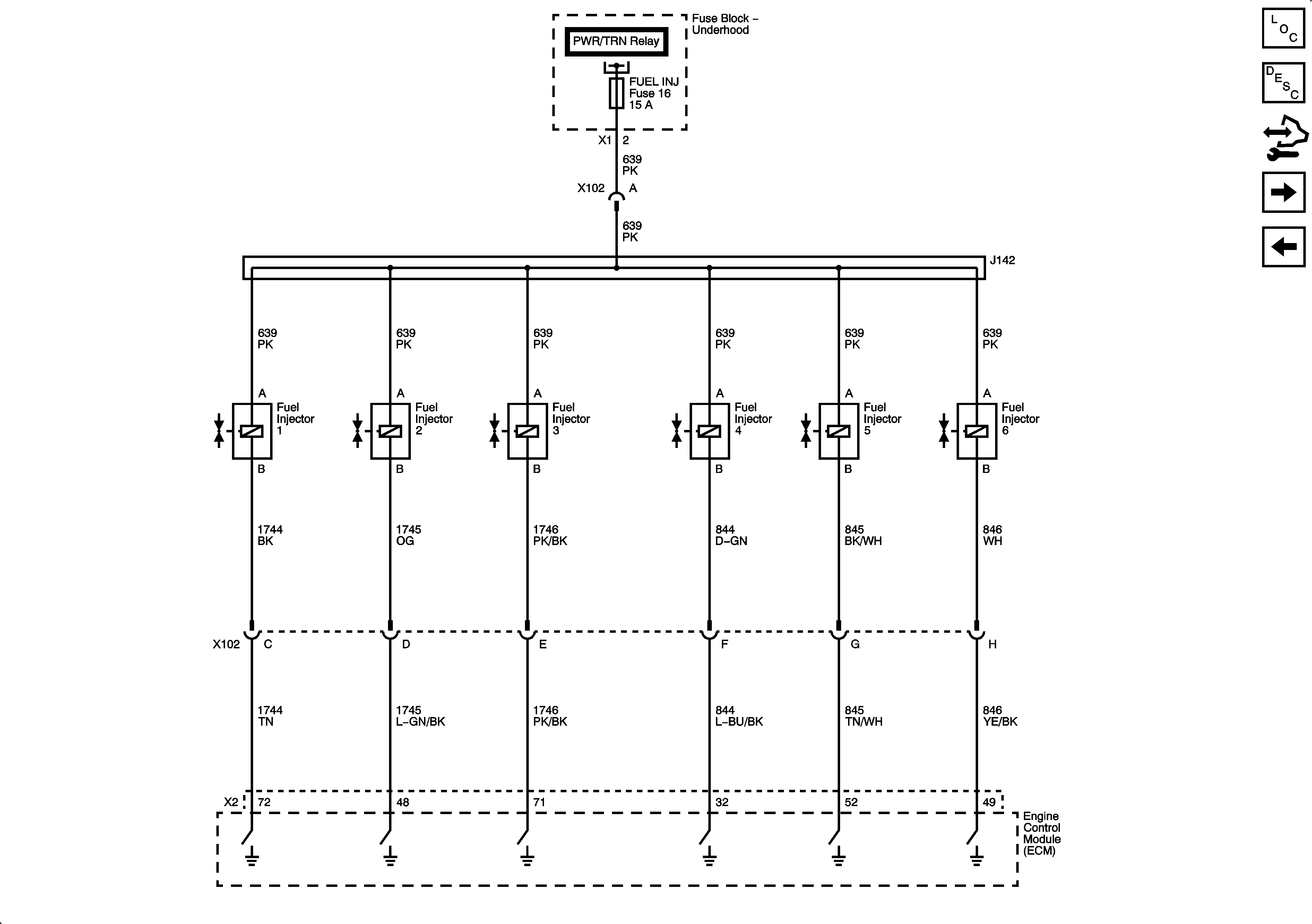
Fuel Controls - Fuel Injectors
Ignition Controls and Camshaft Control
Figure 8:

Fuel Controls - Fuel Injectors


Object Number: 1921652  Size: FS
Master Electrical Component List
Fuel System Description
Control Module References
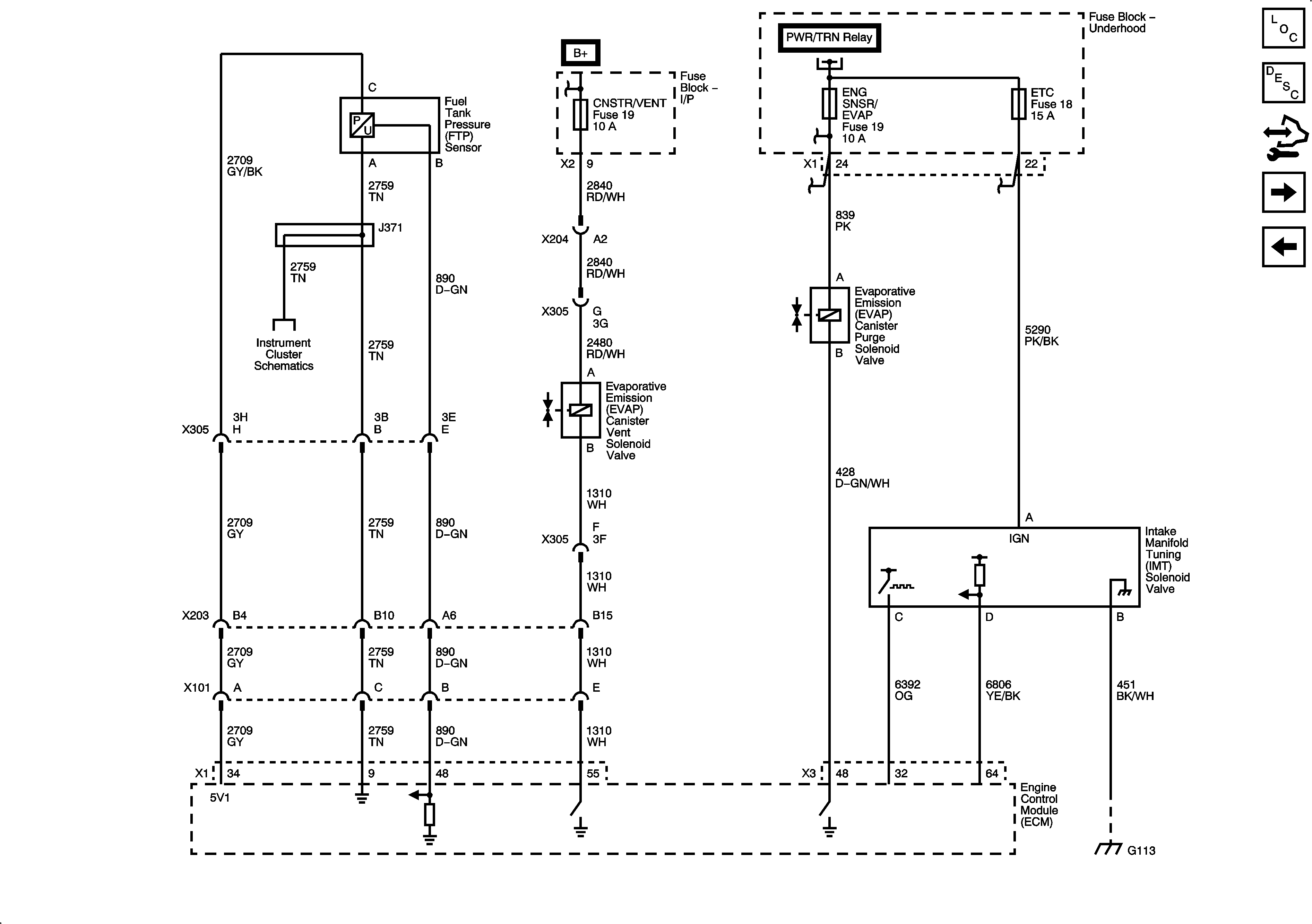
Fuel Controls - EVAP Controls and Manifold Tuning
Fuel Controls - Fuel Pump Controls
Figure 9:

Fuel Controls - EVAP Controls and Manifold Tuning


Object Number: 1921654  Size: FS
Master Electrical Component List
Intake Manifold Tuning Valve System Description
Control Module References
Controlled/Monitored Subsystem References
Fuel Controls - Fuel Injectors
Figure 10:

Controlled/Monitored Subsystem References


Object Number: 1921656  Size: FS
Master Electrical Component List
Engine Control Module Description
Control Module References
Fuel Controls - EVAP Controls and Manifold Tuning