GM Service Manual Online
For 1990-2009 cars only
Figure 1:

B+ Bus


Object Number: 1921923  Size: FS
Master Electrical Component List
Control Module References
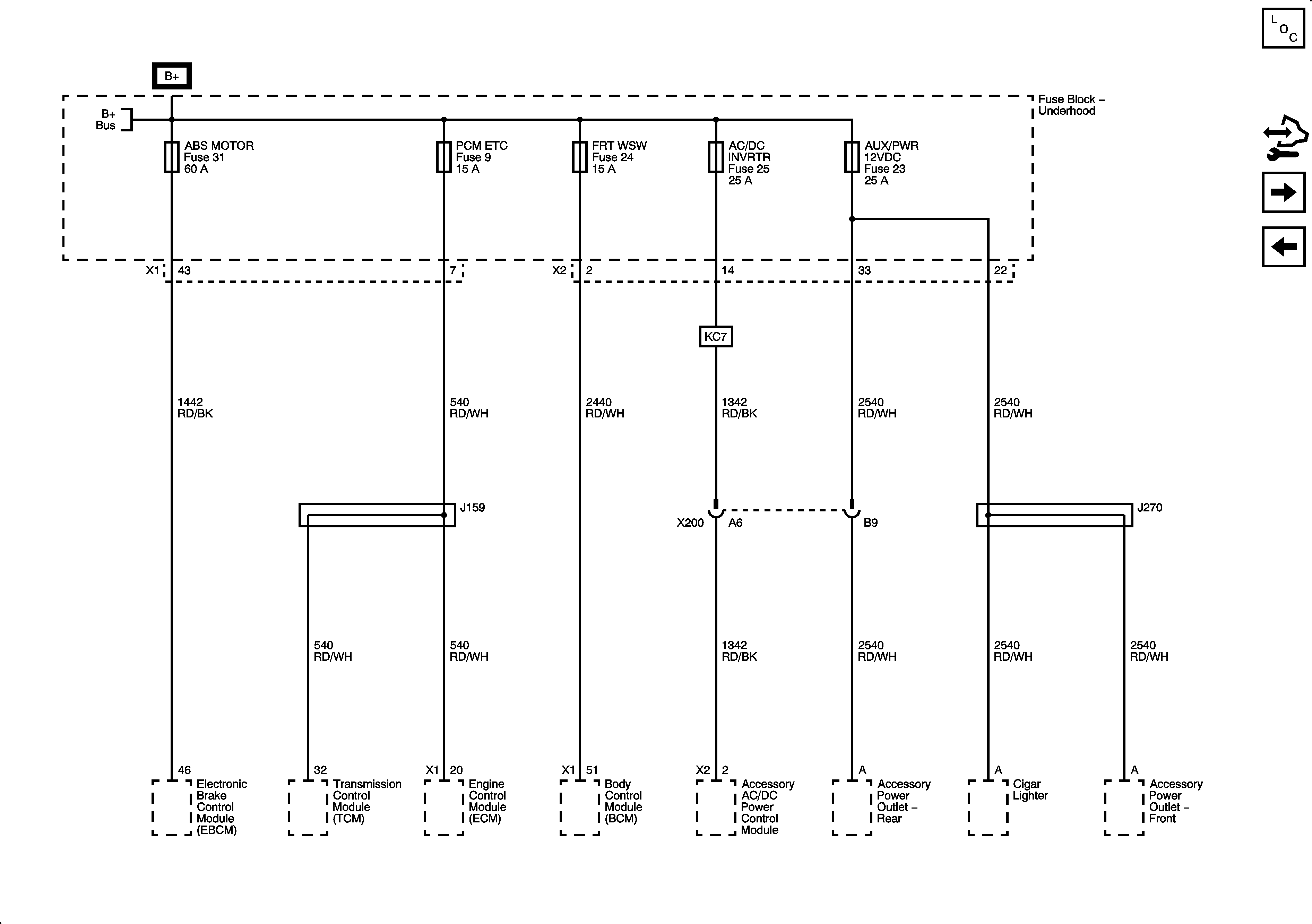
ABS MOTOR, AC/DC INVRTR, AUX/PWR 12VDC, FRT WSW and PCM ETC Fuses
Figure 2:

ABS MOTOR, AC/DC INVRTR, AUX/PWR 12VDC, FRT WSW, and PCM Fuses


Object Number: 1921925  Size: FS
Master Electrical Component List
Control Module References
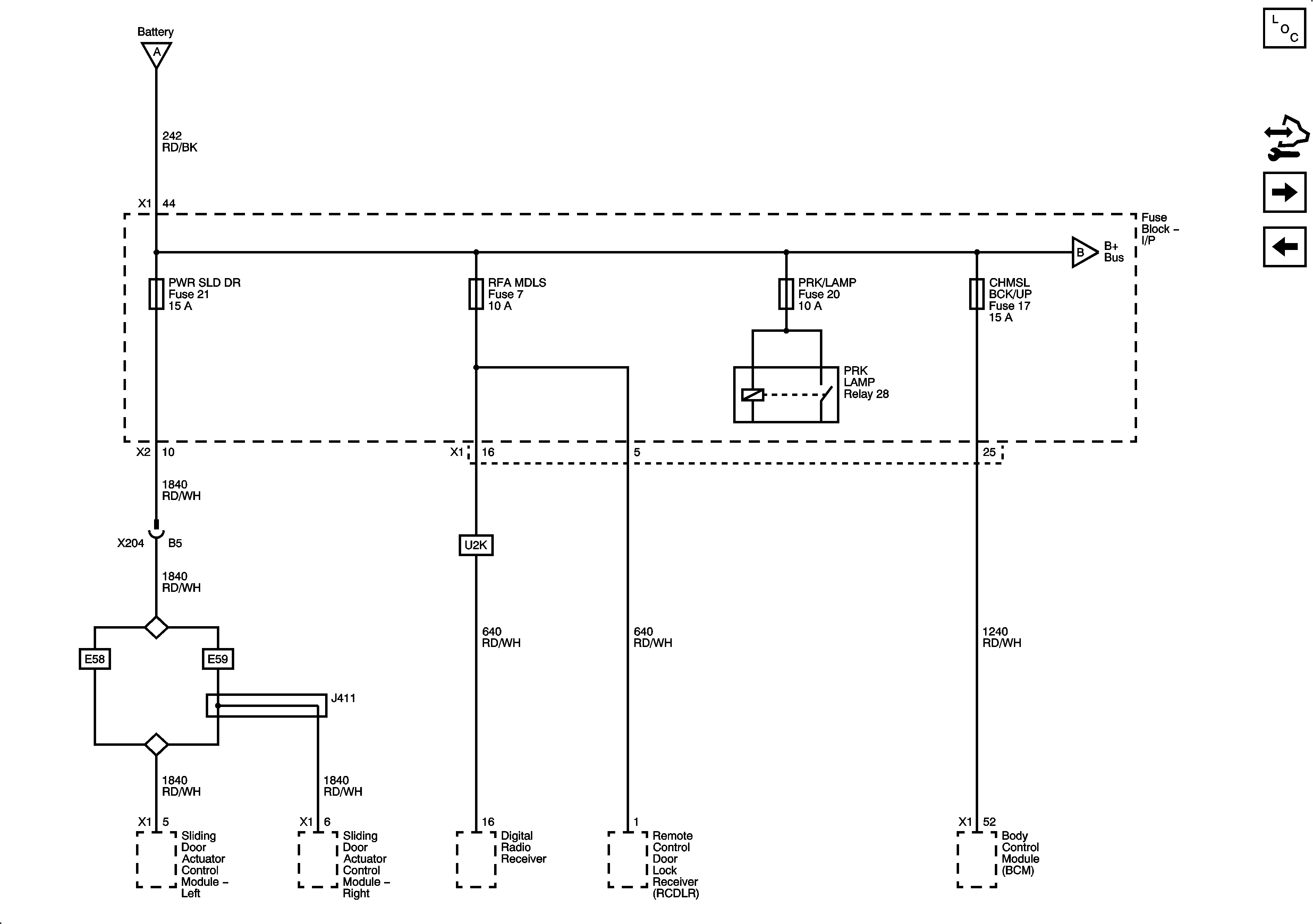
CHMSL BCK/UP, PRK LAMP, PWR SLD DR and RFA MDLS Fuses
B+ Bus
Figure 3:

CHMSL BCK/UP, PRK/LAMP, PWR SLD DR, and RFA MDLS Fuses


Object Number: 1921927  Size: FS
Master Electrical Component List
Control Module References
CNSTR/VENT, CLSTR/HVAC, INT/LAMP, ONSTART and RDO Fuses
ABS MOTOR, AC/DC INVRTR, AUX/PWR 12VDC, FRT WSW and PCM ETC Fuses
Figure 4:

CNSTR/VENT, CLSTR/HVAC, INT/LAMP, ONSTAR, and RDO Fuses


Object Number: 1921929  Size: FS
Master Electrical Component List
Control Module References
BATT MAIN 2, HTD/SEATS, LT PWR SLD DR, PWR/MIR UGDO, RT PWR SLD DR, Sit-N-Lift Seat, and STOP/TRN Fuses, PWR SEATS ans Sit-N-Lift Circuit Breaker
CHMSL BCK/UP, PRK LAMP, PWR SLD DR and RFA MDLS Fuses
Figure 5:

BATT MAIN 2, HTD/SEATS, LT PWR SLD DR, PWR/MIR UGDO, RT PWR SLD DR, Sit-N-Lift Seat and STOP/TRN Fuses, PWR SEATS and Sit-N-Lift Seat Circuit Breakers


Object Number: 1921931  Size: FS
Master Electrical Component List
Control Module References
BATT MAIN 3, ELC, AND TRUNK/LKS FUSES
CNSTR/VENT, CLSTR/HVAC, INT/LAMP, ONSTART and RDO Fuses
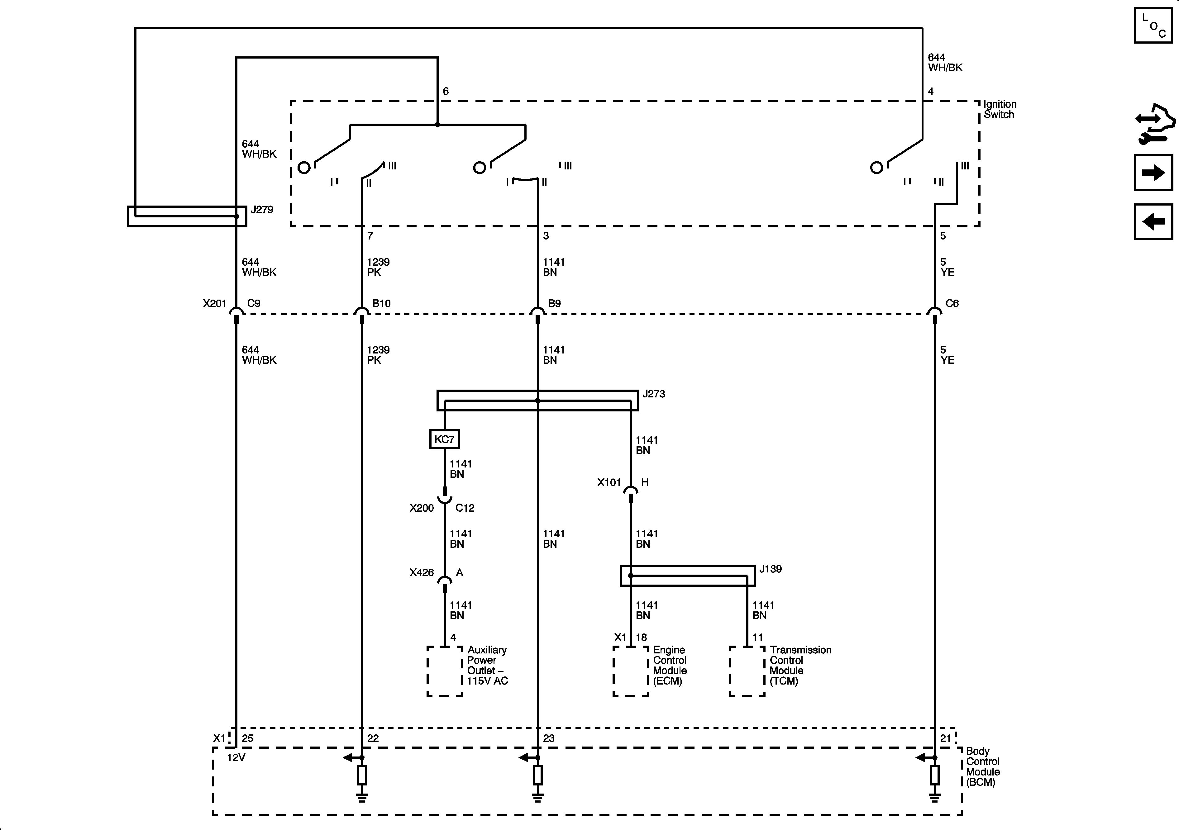
Figure 6:

Ignition Switch


Object Number: 1921933  Size: FS
Master Electrical Component List
Control Module References
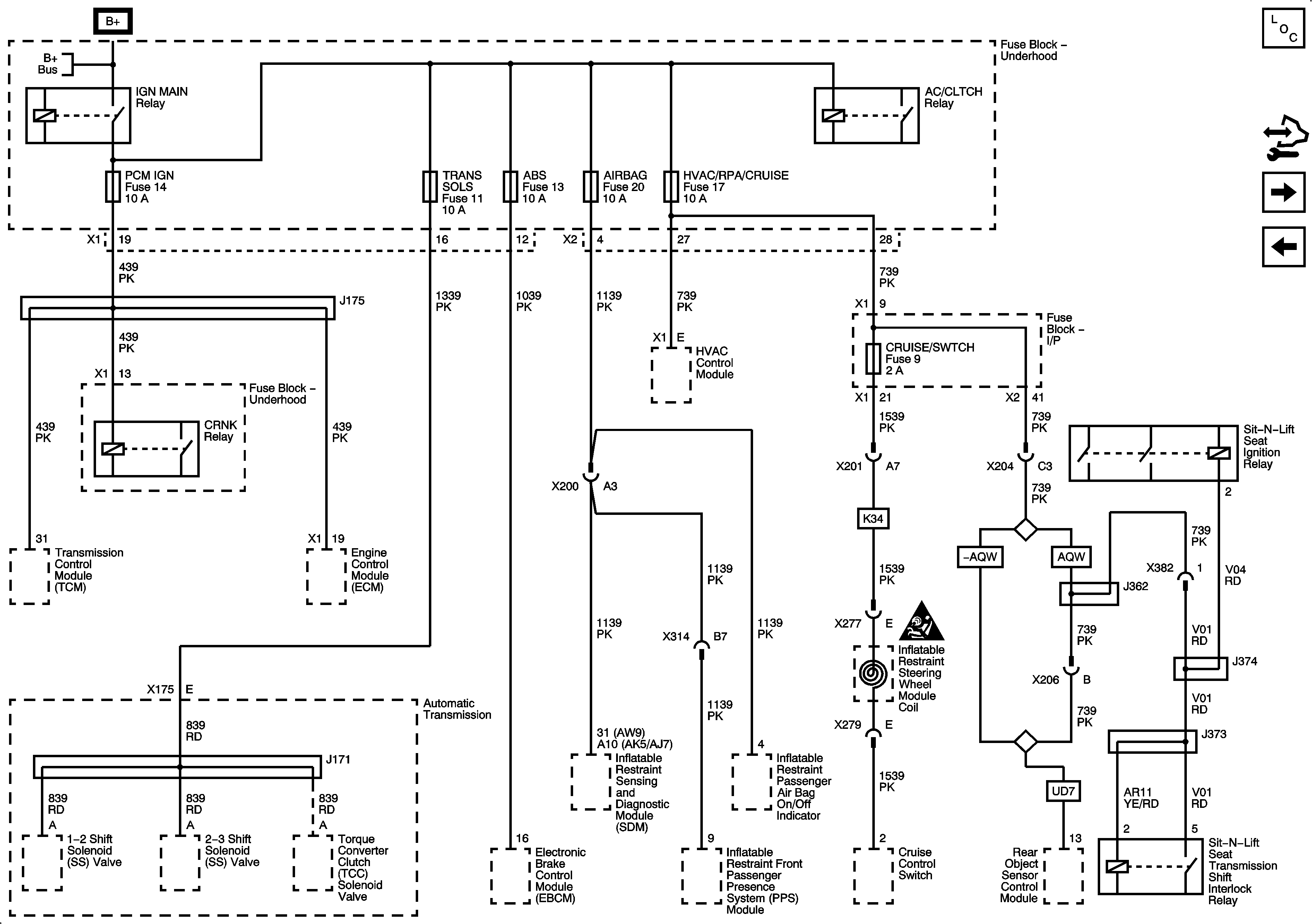
ABS, AIRBAG, CRUISE/SWTCH, HVAC/RPA/CRUISE, PCM IGN and TRANS SOLS Fuses
BATT MAIN 3, ELC, AND TRUNK/LKS FUSES
Figure 7:

ABS, AIRBAG, CRUISE/SWTCH, HVAC/RPA/CRUISE, PCM IGN, and TRANS SOLS Fuses


Object Number: 1921935  Size: FS
Master Electrical Component List
Control Module References
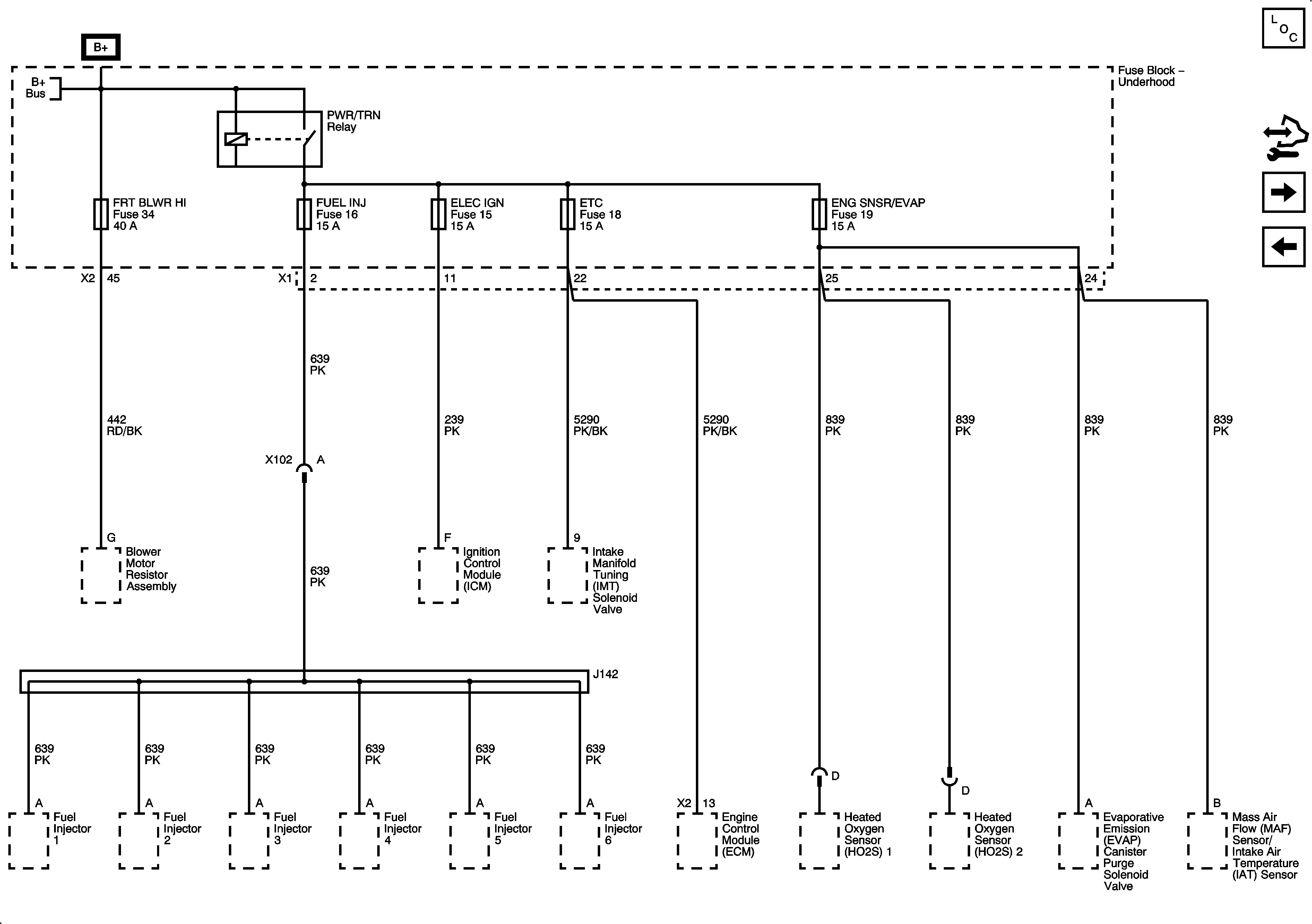
ELEC IGN, ENG SNSR/EVAP, ETC, FRT BLWR HI and FUEL INJ Fuses
Ignition Switch
Figure 8:

ELEC IGN, ENG SNSR/EVAP, ETC, FRT BLWR HI, and FUEL INJ Fuses


Object Number: 1921937  Size: FS
Master Electrical Component List
Control Module References
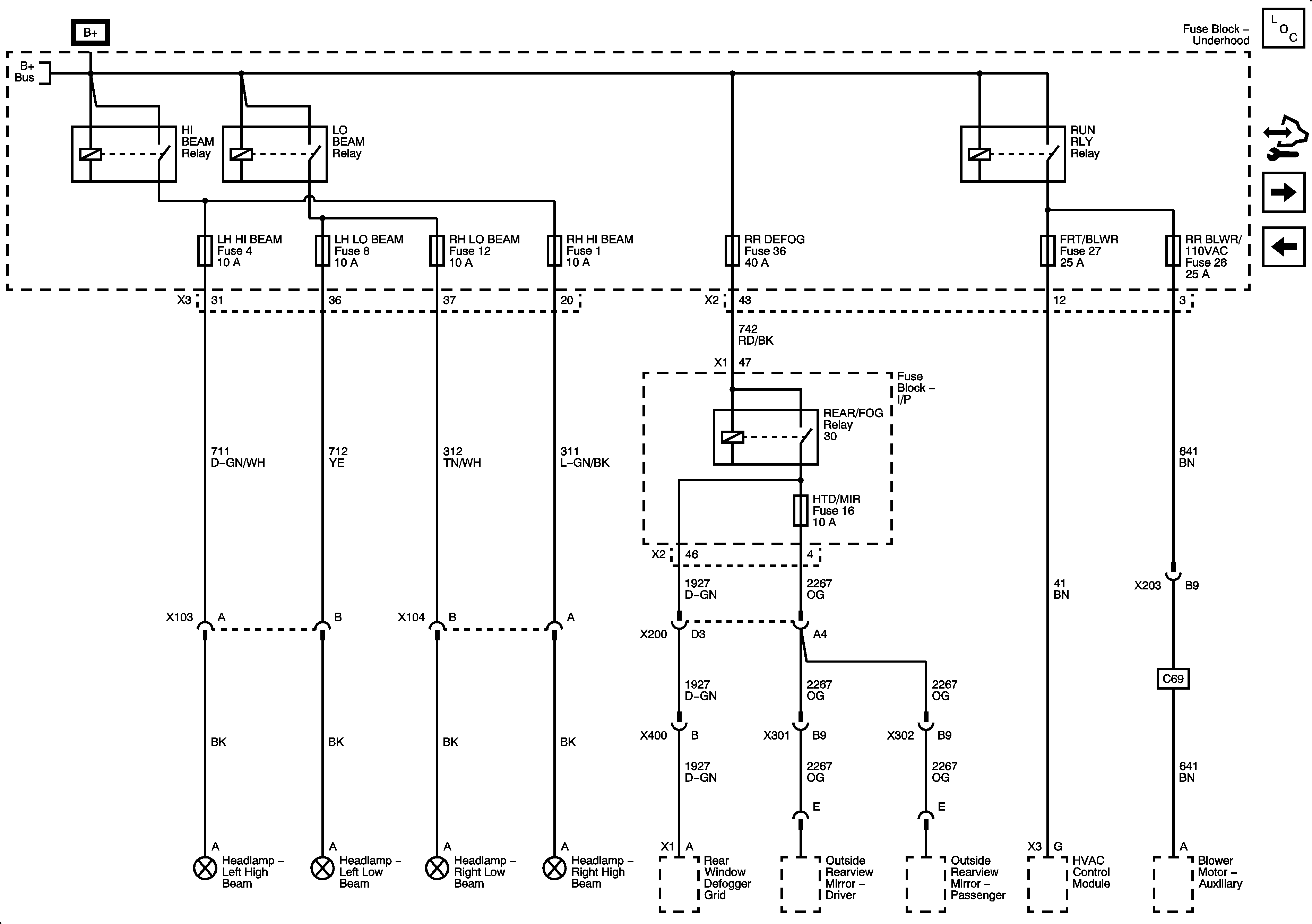
FRT/BLWR, HTD/MIR, LH HI BEAM, LH LO BEAM, RH LO BEAM, RH HI BEAM, RR BLWR/110VAC and RR DEFOG Fuses
ABS, AIRBAG, CRUISE/SWTCH, HVAC/RPA/CRUISE, PCM IGN and TRANS SOLS Fuses
Figure 9:

FRT/BLWR, HTD/MIR, LH HI BEAM, LH LO BEAM, RH LO BEAM, RH HI BEAM, RR BLWR/110VAC, and RR DEFOG Fuses


Object Number: 1921939  Size: FS
Master Electrical Component List
Control Module References
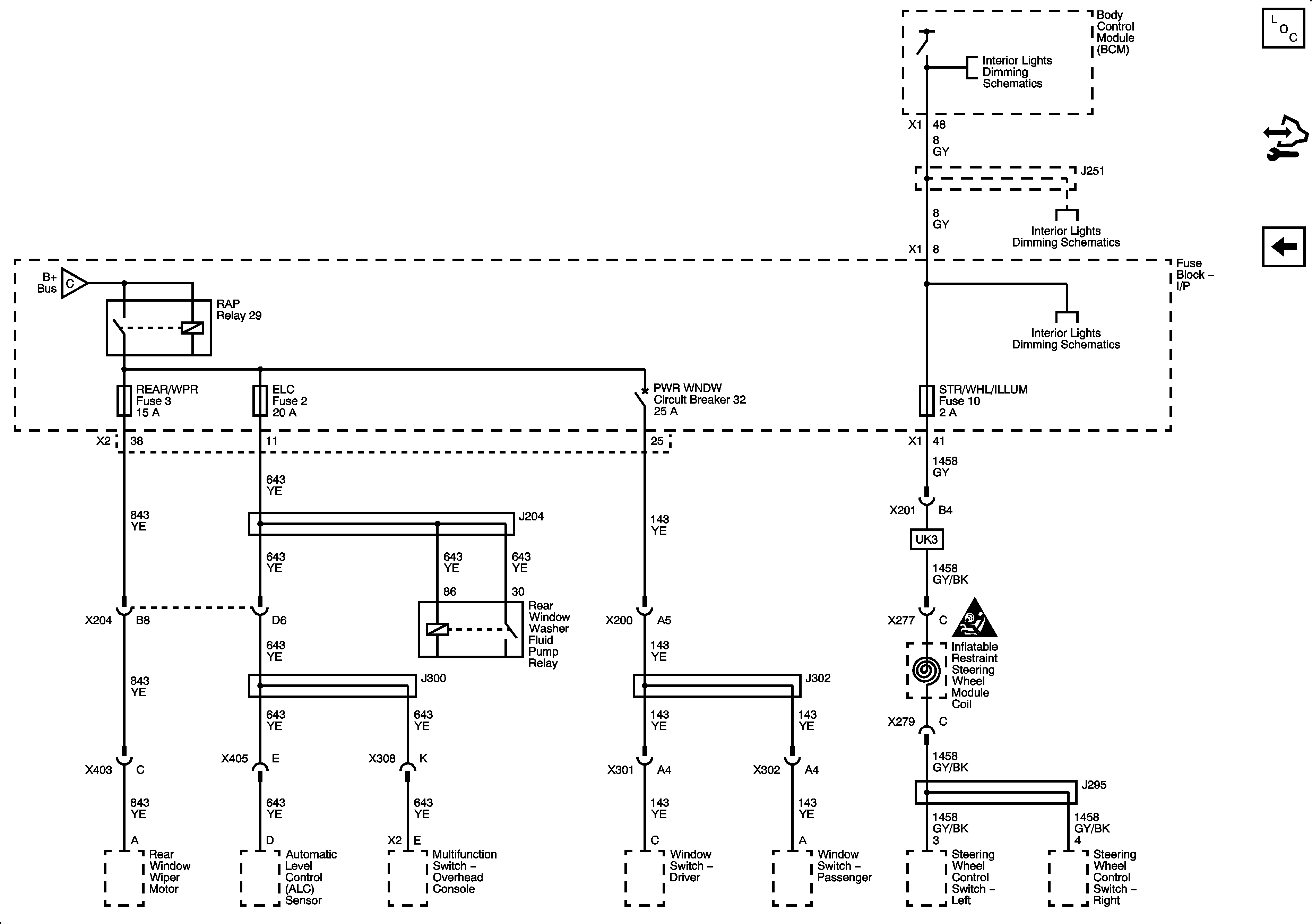
ELC, REAR/WPR, and STR/WHL/ILLUM Fuses, PWR WNDW Circuit Breaker
ELEC IGN, ENG SNSR/EVAP, ETC, FRT BLWR HI and FUEL INJ Fuses
Figure 10:

ELC, REAR/WPR, and STR/WHL/ILLUM Fuses, PWR WNDW Circuit Breaker


Object Number: 1921941  Size: FS
Master Electrical Component List
Control Module References
FRT/BLWR, HTD/MIR, LH HI BEAM, LH LO BEAM, RH LO BEAM, RH HI BEAM, RR BLWR/110VAC and RR DEFOG Fuses