GM Service Manual Online
For 1990-2009 cars only
Makes
🢒
Pontiac
🢒
2008
🢒
Montana SV6 Ext.
🢒
Diagnostic Navigation
🢒
Vehicle Diagnostic Information
🢒 Rear Seat Schematics
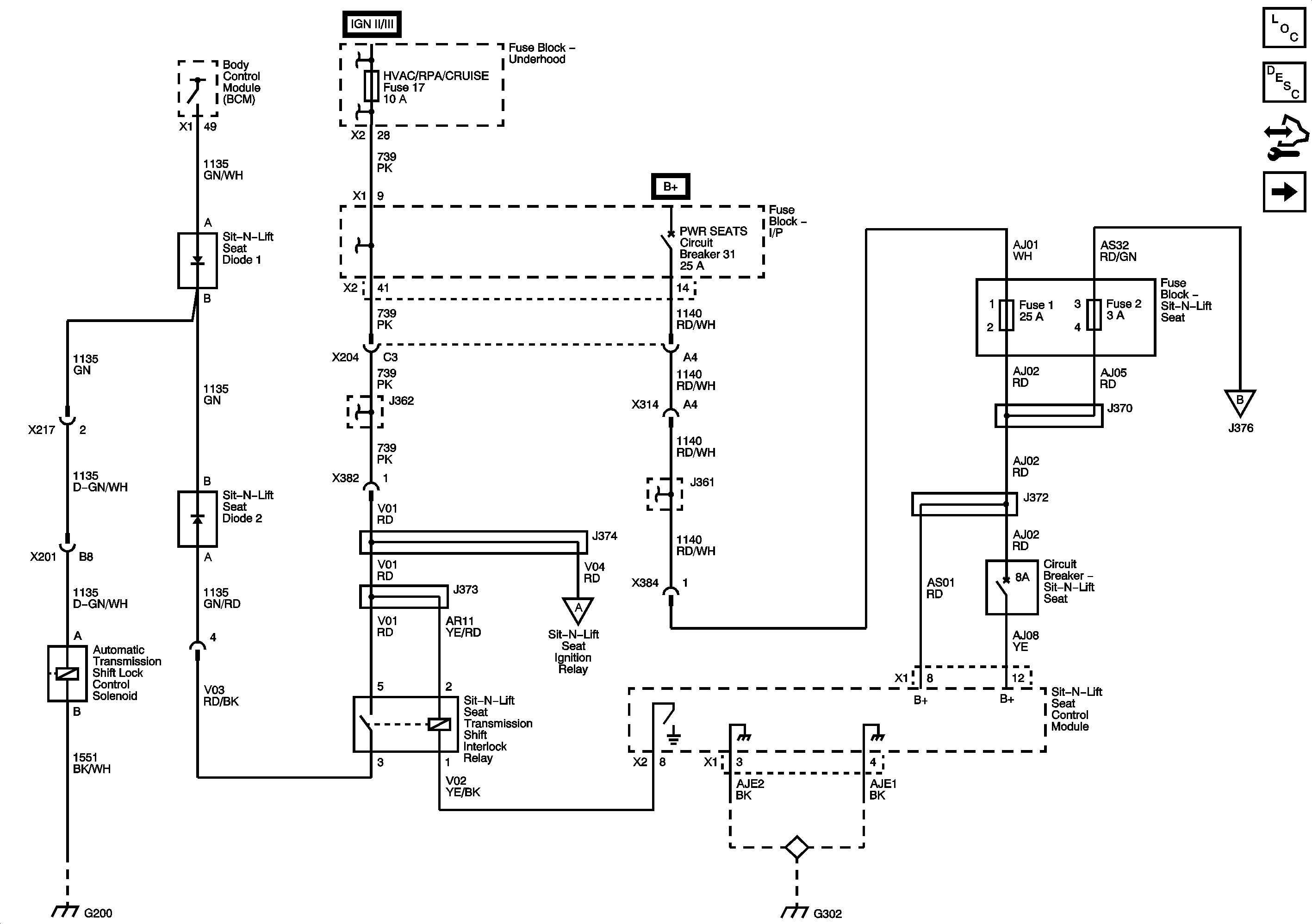
Figure
1:
Sit-N-Lift Seat Power, Ground, and A/T Shift Interlock
Master Electrical Component List
Sit-N-Lift Mobility Seat Description and Operation
Control Module References
Sit-N-Lift Seat Door, PNP Interlocks, and Remote
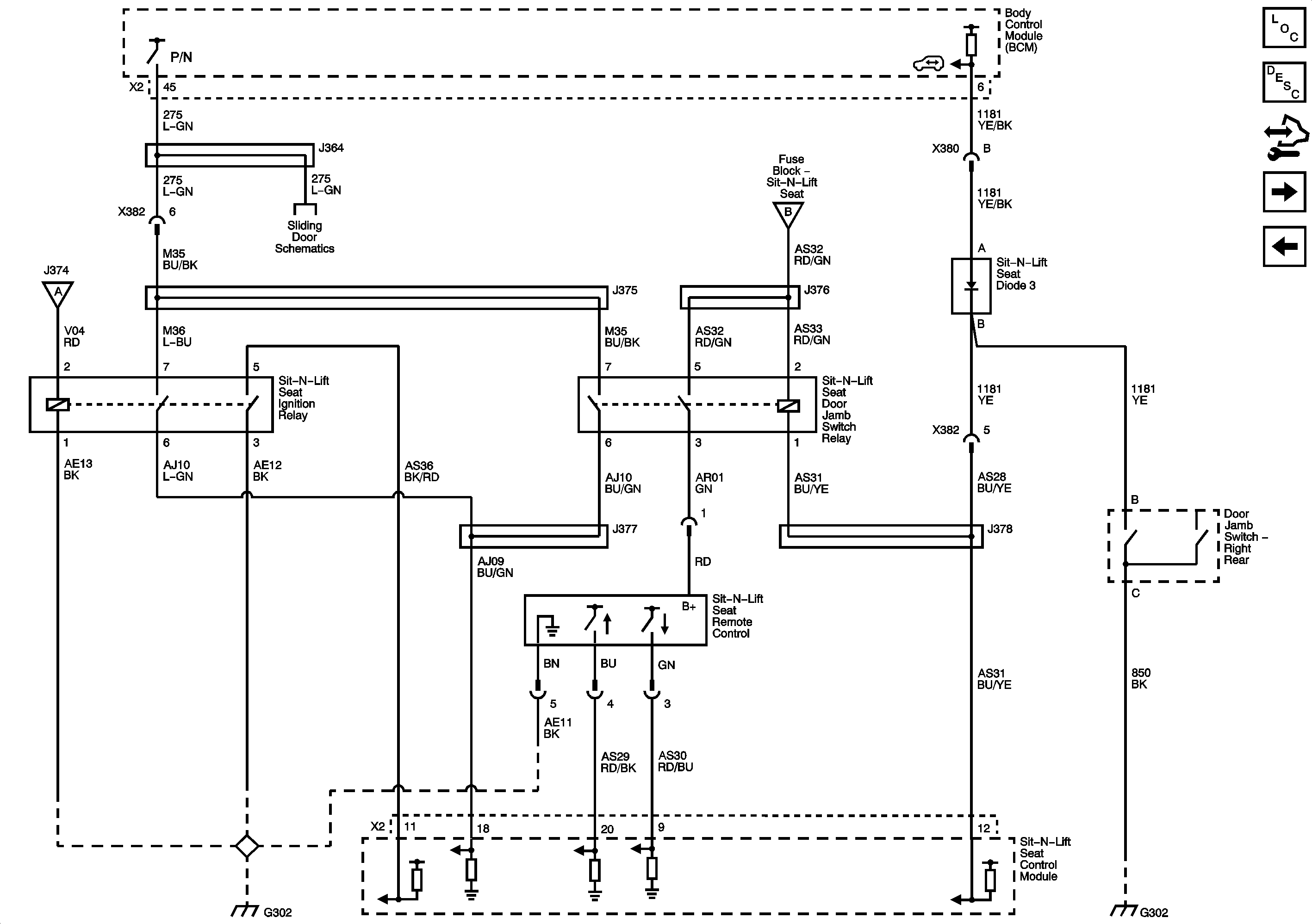
Figure
2:
Sit-N-Lift Seat Door, PNP Interlocks, and Remote
Master Electrical Component List
Sit-N-Lift Mobility Seat Description and Operation
Control Module References
Sit-N-Lift Seat Motors and Limit Switches
Sit-N-Lift Seat Power, Ground, and A/T Shift Interlock
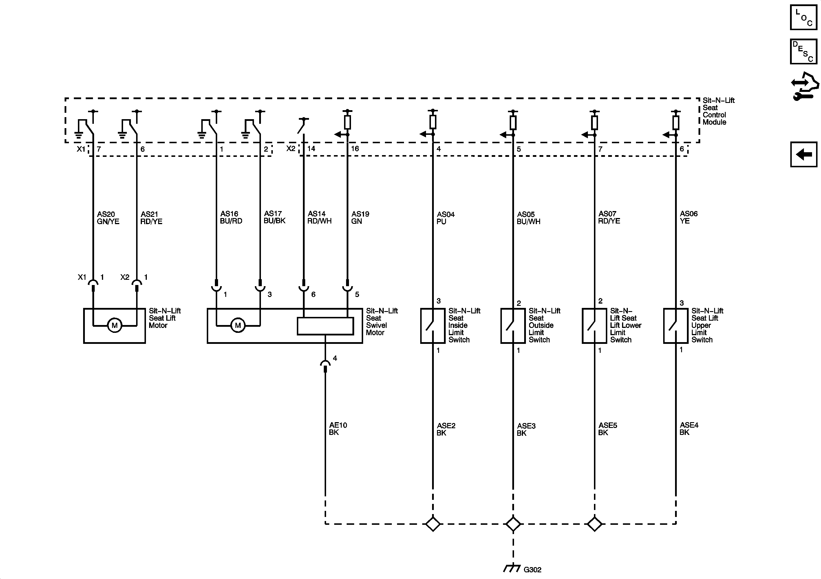
Figure
3:
Sit-N-Lift Seat Motors and Limit Switches
Master Electrical Component List
Sit-N-Lift Mobility Seat Description and Operation
Control Module References
Sit-N-Lift Seat Door, PNP Interlocks, and Remote