GM Service Manual Online
For 1990-2009 cars only
Figure 1:

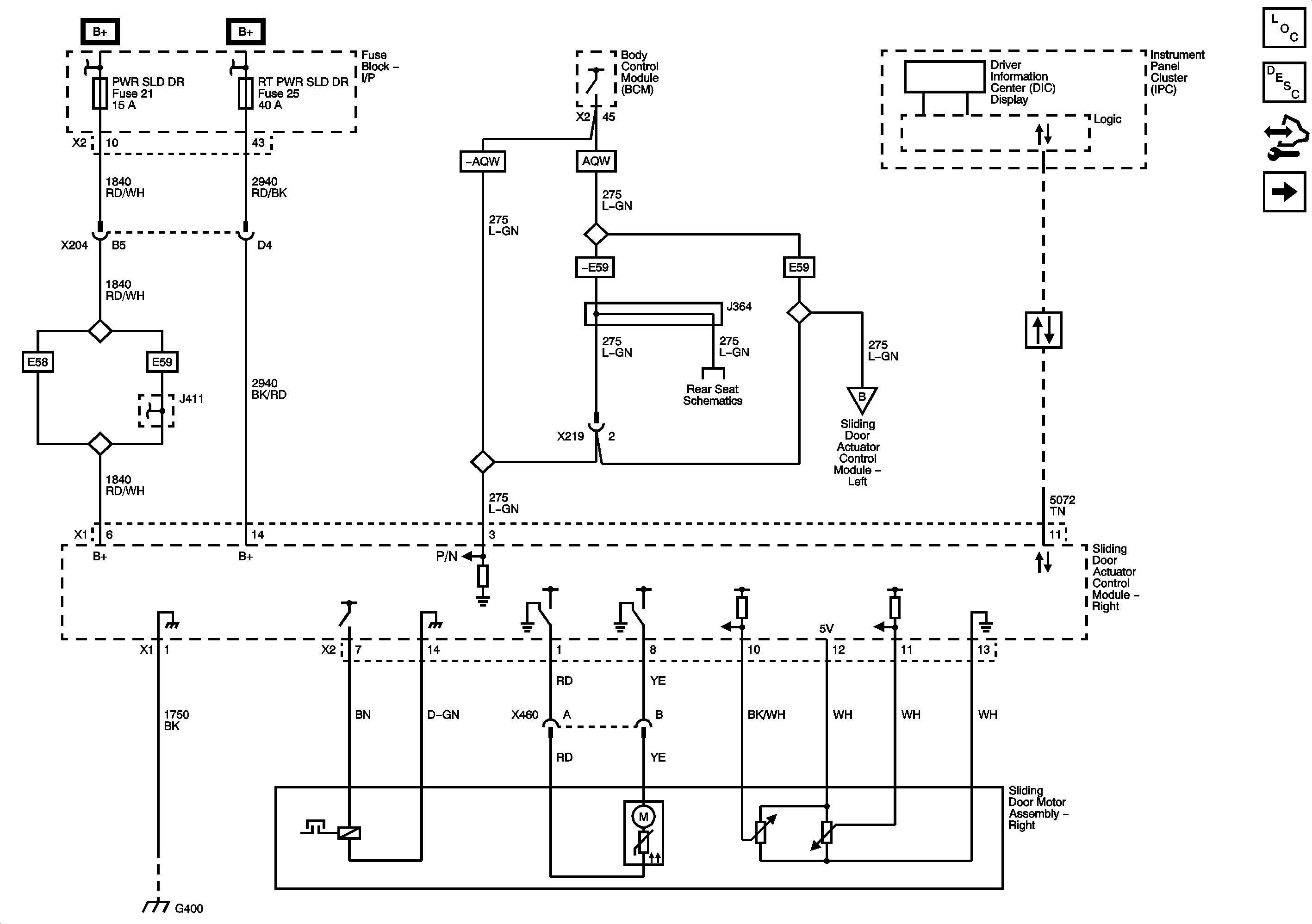
Right Door Motor


Object Number: 1921717  Size: FS
Master Electrical Component List
Power Sliding Door (PSD) Description and Operation
Control Module References
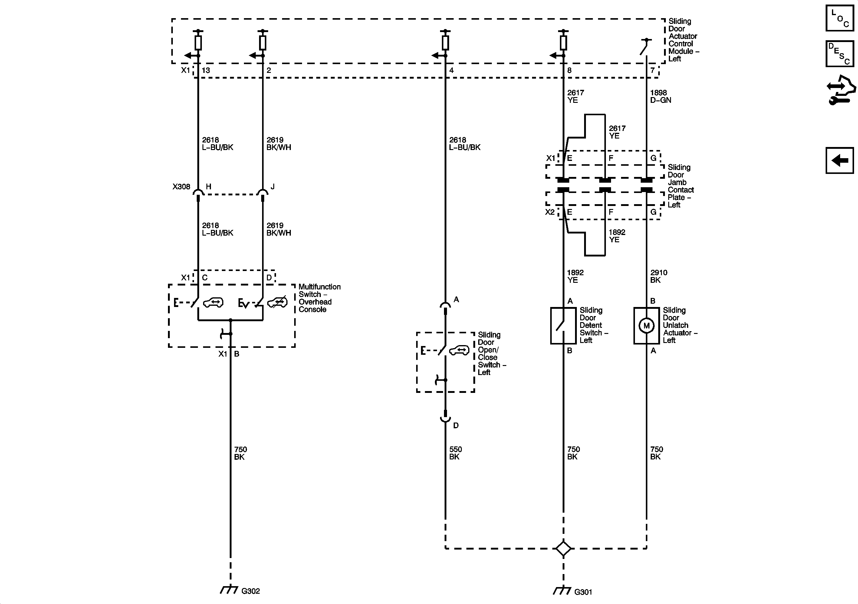
Right Door Controls
Figure 2:

Right Door Controls


Object Number: 1921715  Size: FS
Master Electrical Component List
Power Sliding Door (PSD) Description and Operation
Control Module References
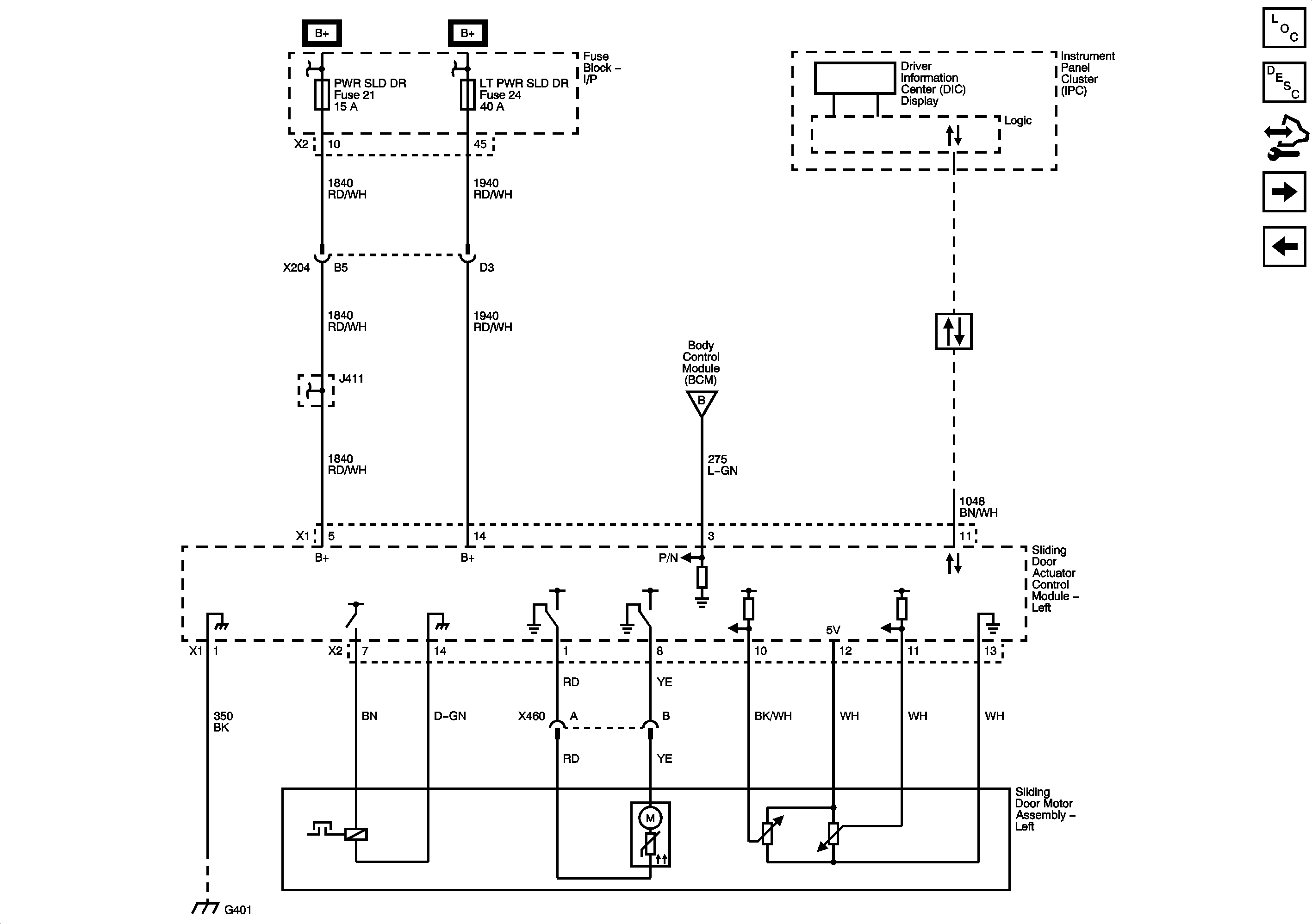
Left Door Motor
Right Door Motor
Figure 3:

Left Door Motor


Object Number: 1921722  Size: FS
Master Electrical Component List
Power Sliding Door (PSD) Description and Operation
Control Module References
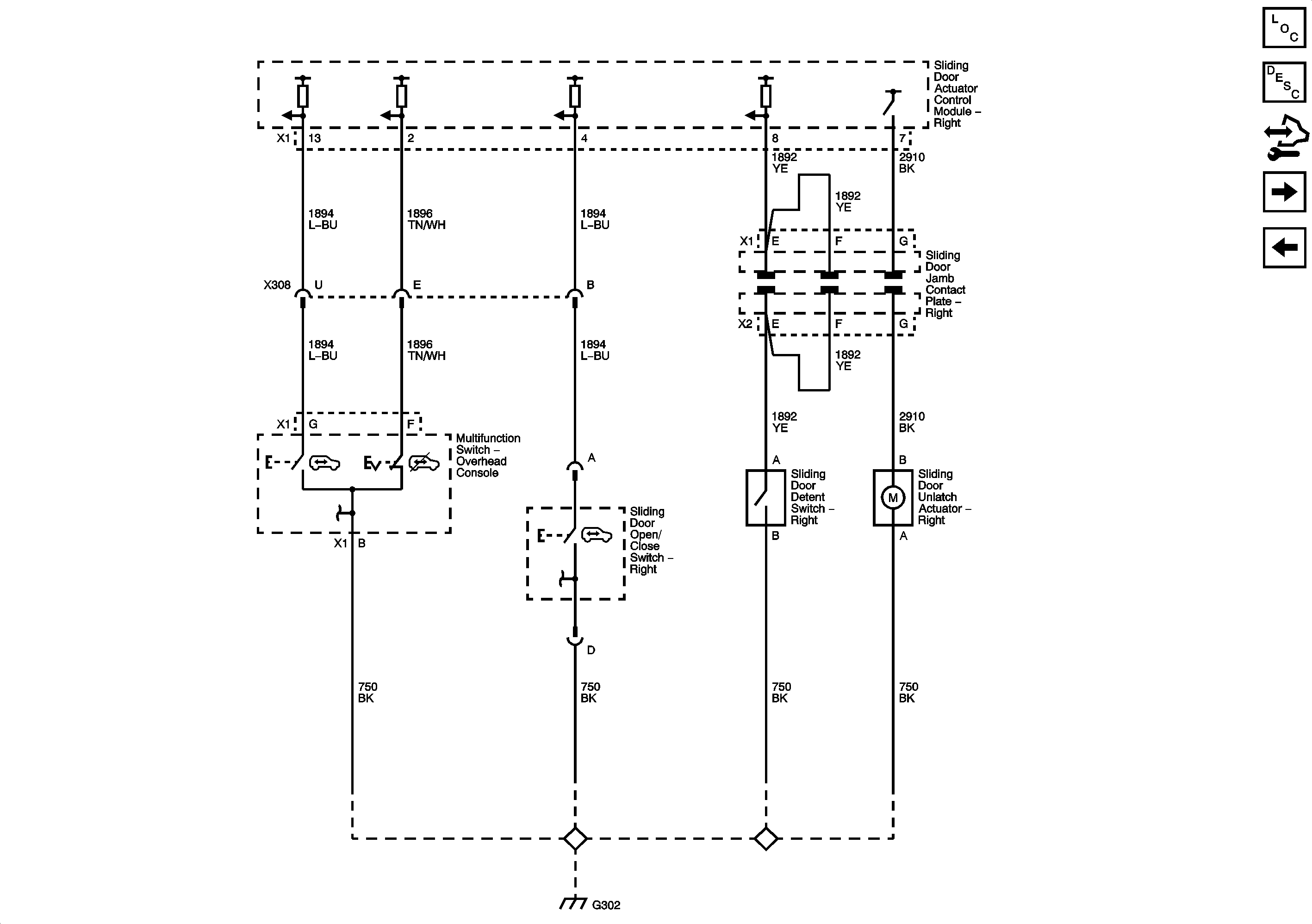
Left Door Controls
Right Door Controls
Figure 4:

Left Door Controls


Object Number: 1921719  Size: FS
Master Electrical Component List
Power Sliding Door (PSD) Description and Operation
Control Module References
Left Door Motor