GM Service Manual Online
For 1990-2009 cars only
Makes
🢒
Pontiac
🢒
2008
🢒
Montana SV6 Ext.
🢒
Diagnostic Navigation
🢒
Vehicle Diagnostic Information
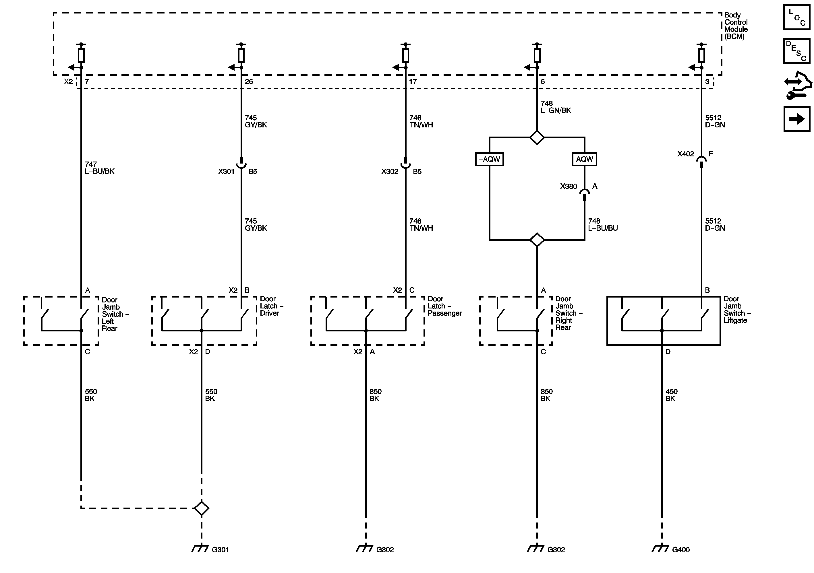
🢒 Theft Deterrent System Schematics
Figure
1:
Ajar Switches
Master Electrical Component List
Content Theft Deterrent (CTD) Description and Operation
Control Module References
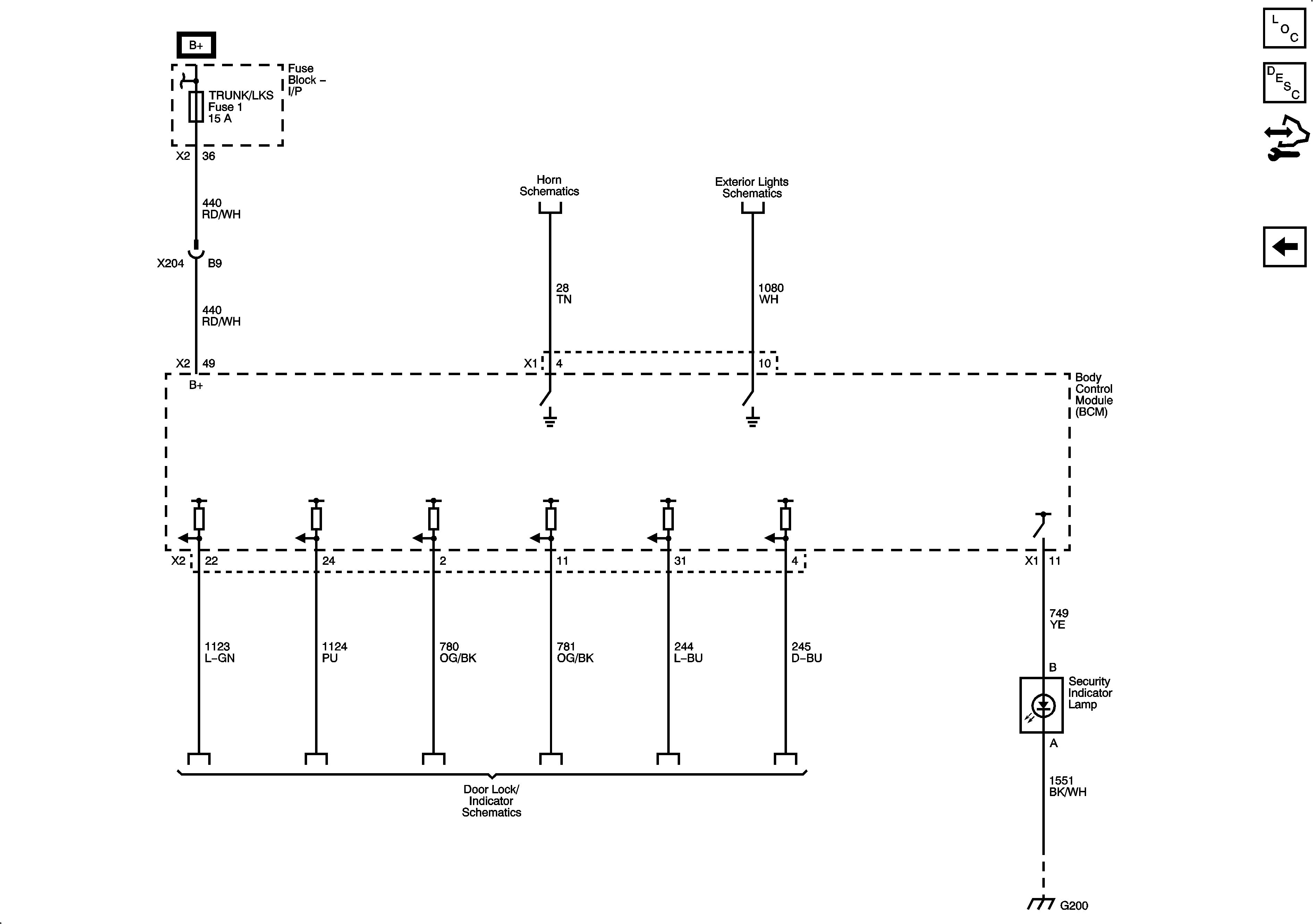
Arm, Disarm and Warning
Figure
2:
Arm, Disarm, and Warning
Master Electrical Component List
Content Theft Deterrent (CTD) Description and Operation
Control Module References
Ajar Switches