GM Service Manual Online
For 1990-2009 cars only
Figure 1:

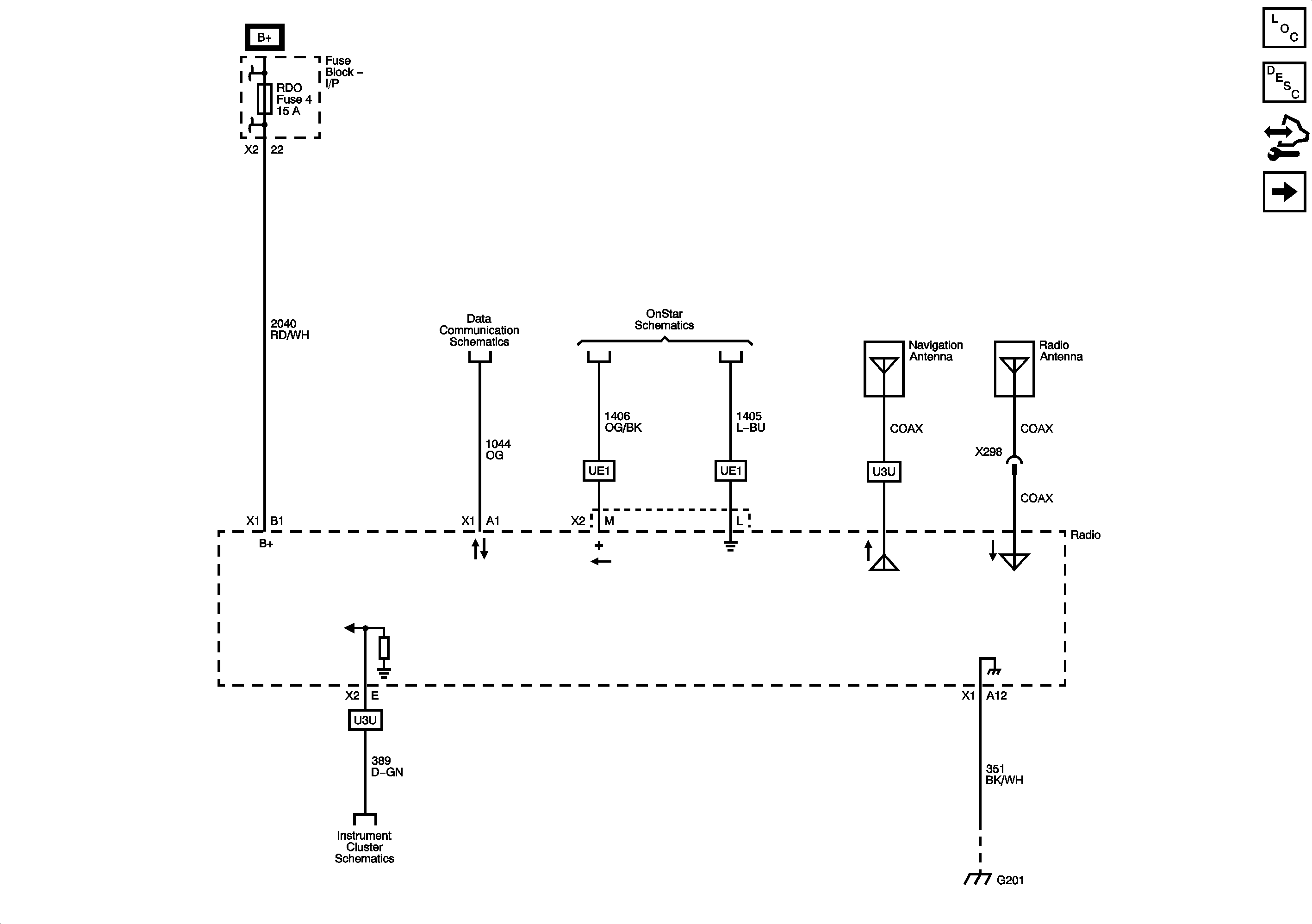
Antennas, Ground, Power, and Subsystem References


Object Number: 1921759  Size: FS
Master Electrical Component List
Radio/Audio System Description and Operation
Control Module References
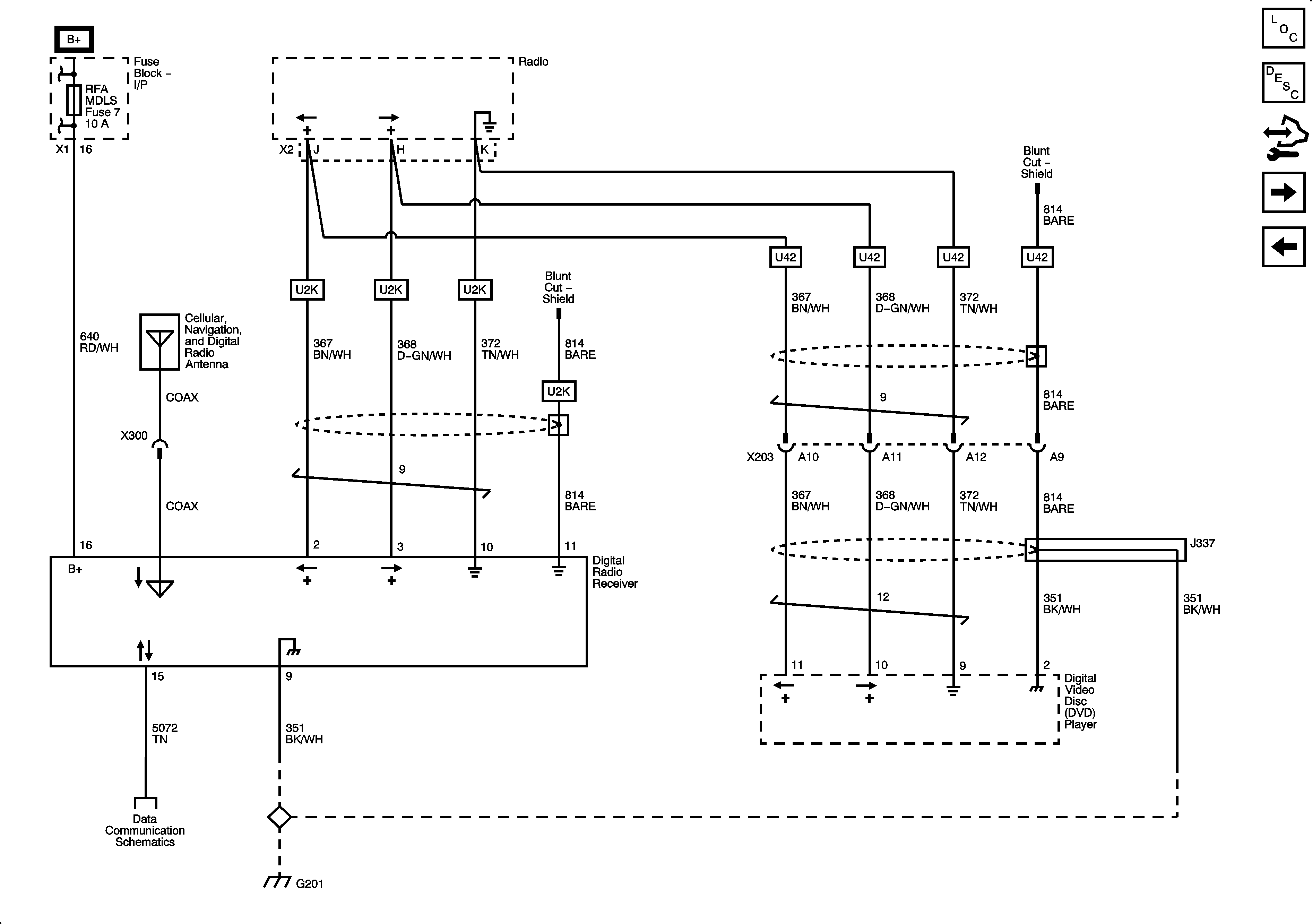
DVD and Satellite Audio Sources
Figure 2:

DVD and Satellite Audio Sources


Object Number: 1921761  Size: FS
Master Electrical Component List
Radio/Audio System Description and Operation
Control Module References
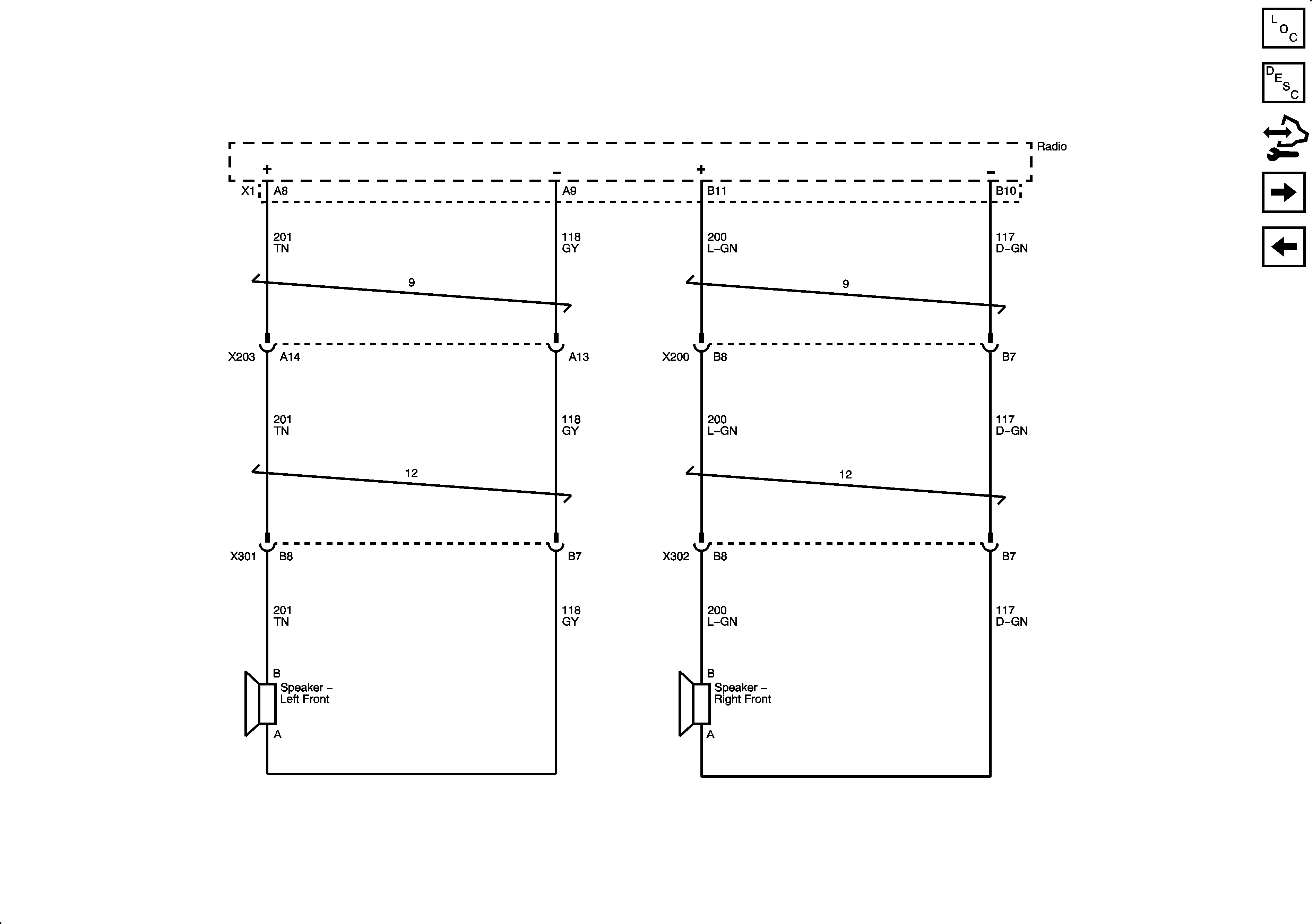
Front Speakers
Antennas, Ground, Power and Subsystem References
Figure 3:

Front Speakers


Object Number: 1921763  Size: FS
Master Electrical Component List
Radio/Audio System Description and Operation
Control Module References
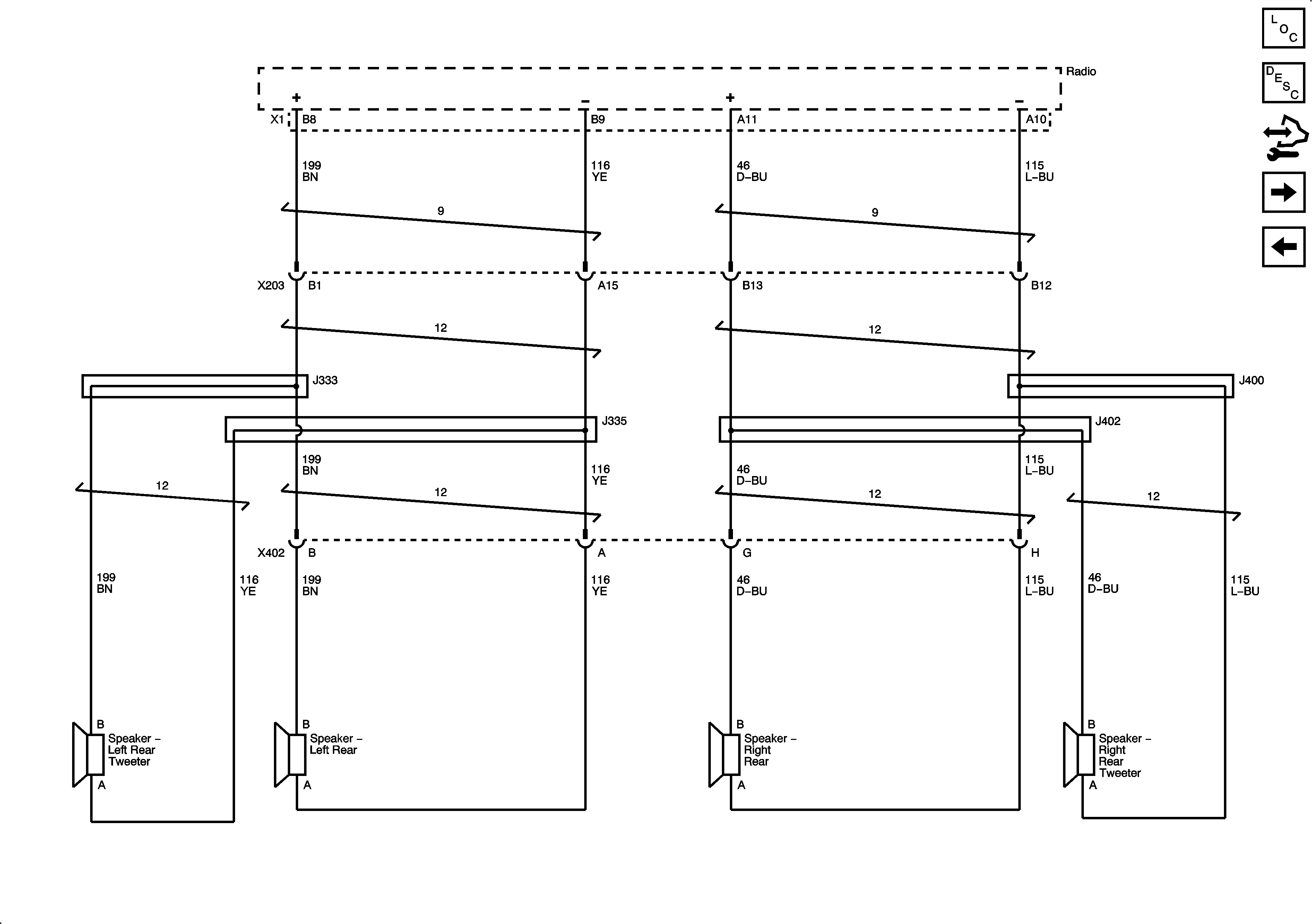
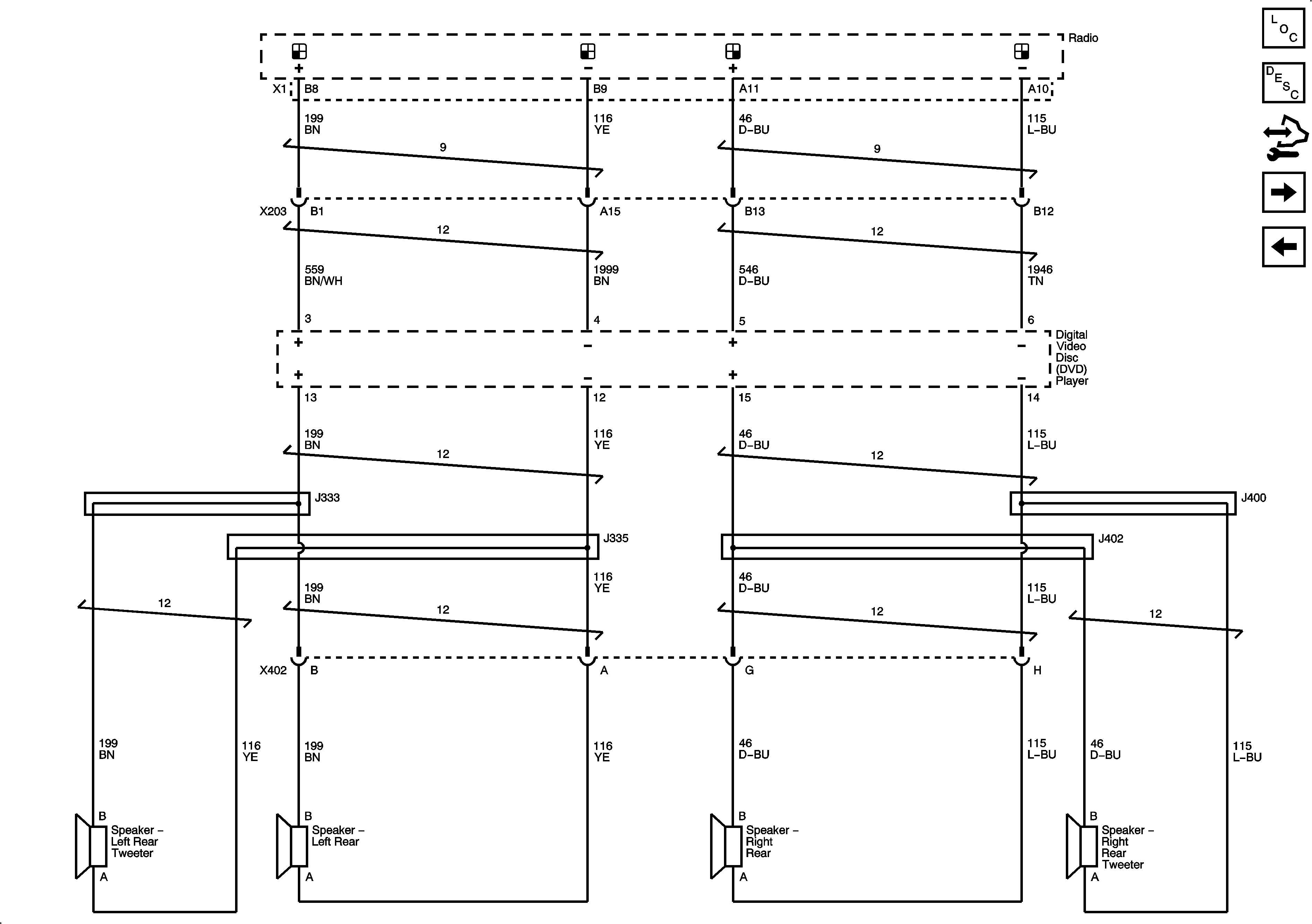
Rear Speakers (-U42)
DVD and Satellite Audio Sources
Figure 4:

Rear Speakers (without U42)


Object Number: 1921765  Size: FS
Master Electrical Component List
Radio/Audio System Description and Operation
Control Module References
Rear Speakers (U42)
Front Speakers
Figure 5:

Rear Speakers (U42)


Object Number: 1923045  Size: FS
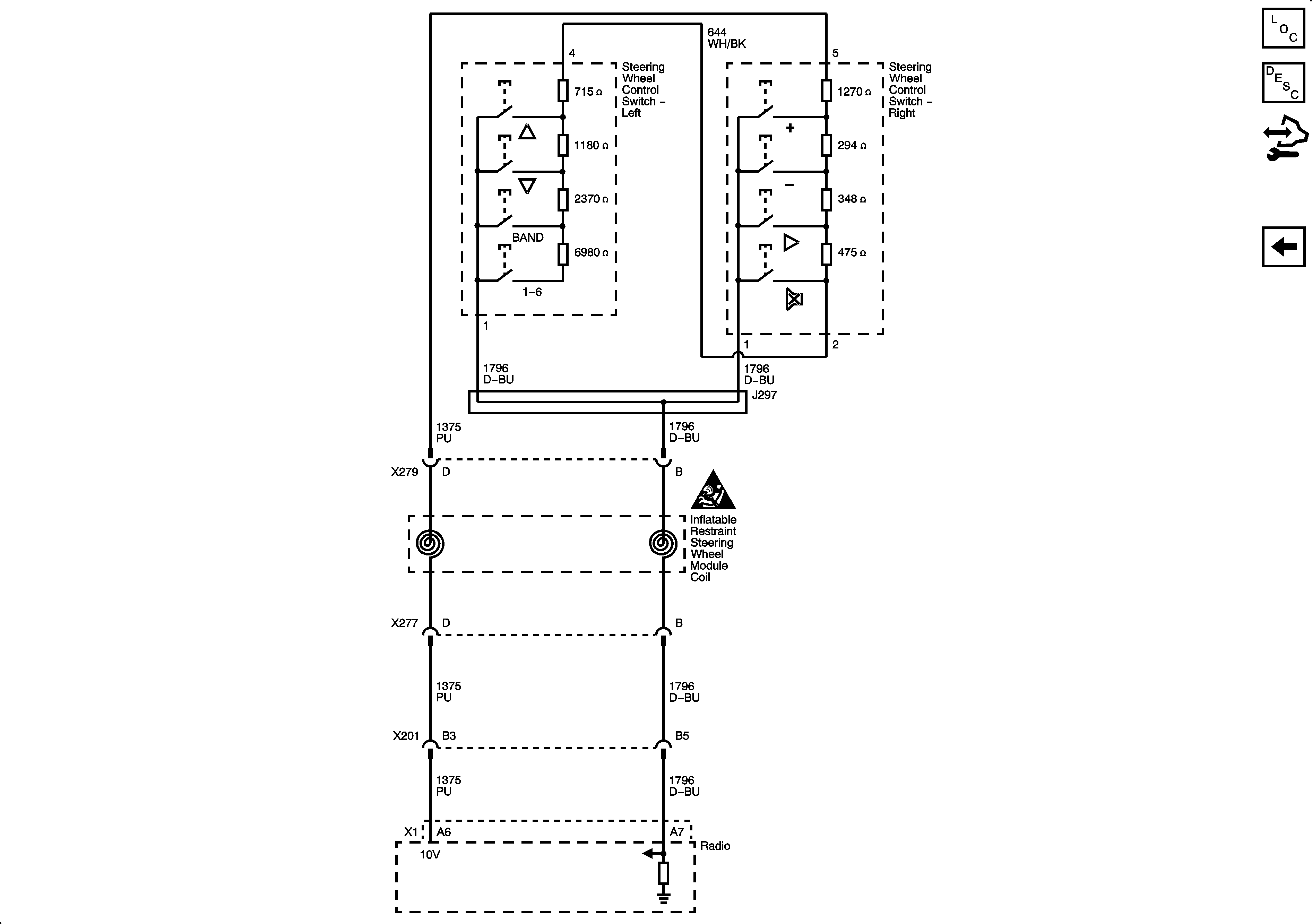
Figure 6:

Steering Wheel Controls


Object Number: 1921768  Size: FS
Master Electrical Component List
Radio/Audio System Description and Operation
Control Module References
Rear Speakers (U42)