GM Service Manual Online
For 1990-2009 cars only
Makes
🢒
Pontiac
🢒
2008
🢒
Montana SV6 Ext.
🢒
Diagnostic Navigation
🢒
Vehicle Diagnostic Information
🢒 Instrument Cluster Schematics
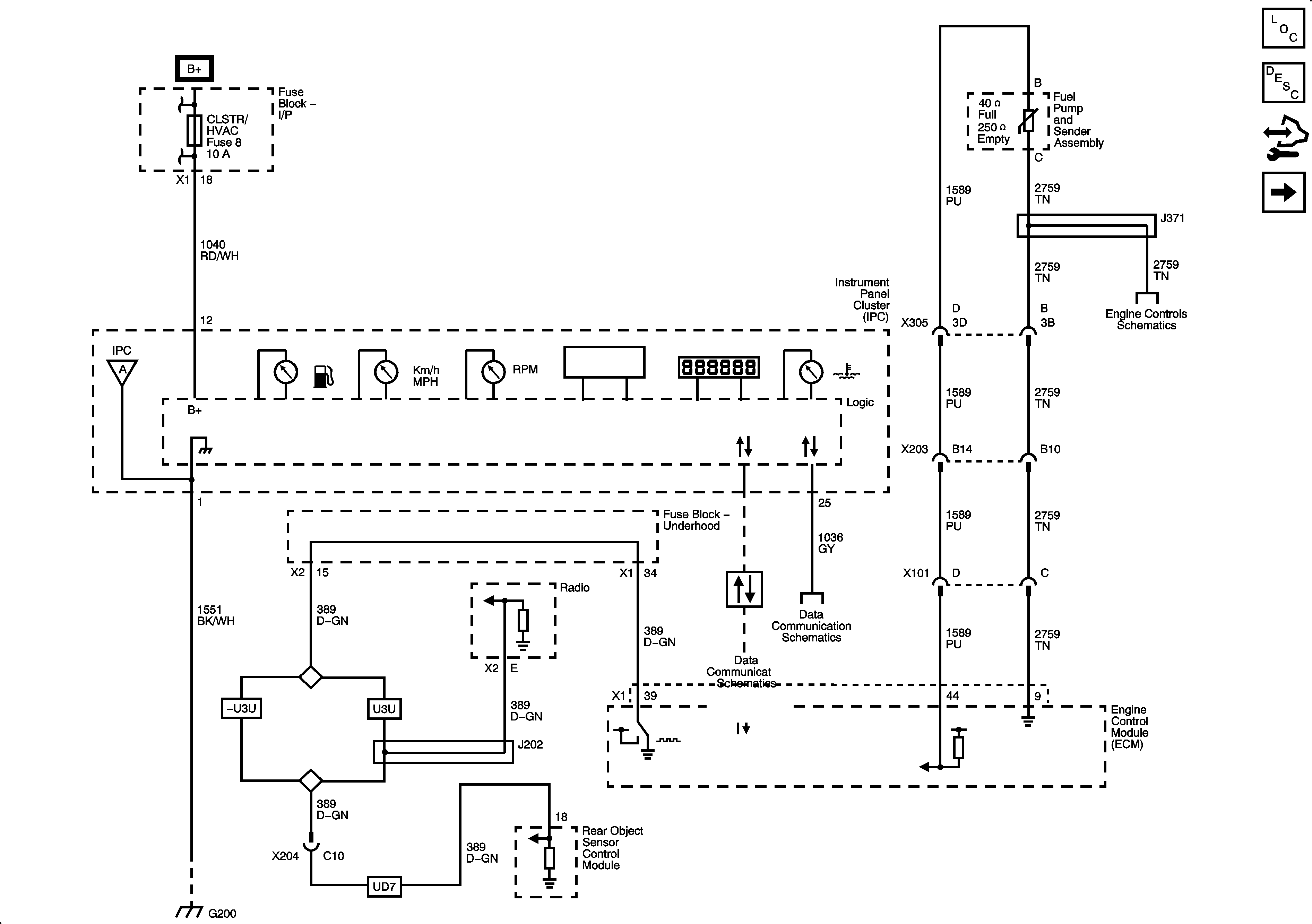
Figure
1:
Gages, Ground, and Power
Master Electrical Component List
Instrument Cluster Description and Operation
Control Module References
Indicators and Lighting
Figure
2:
Indicators and Lighting
Master Electrical Component List
Indicator/Warning Message Description and Operation
Control Module References
Messages
Gages, Ground and Power
Figure
3:
Messages
Master Electrical Component List
Driver Information Center (DIC) Description and Operation
Control Module References
Indicators and Lighting