GM Service Manual Online
For 1990-2009 cars only
Makes
🢒
Pontiac
🢒
2008
🢒
Montana SV6 Ext.
🢒
Diagnostic Navigation
🢒
Vehicle Diagnostic Information
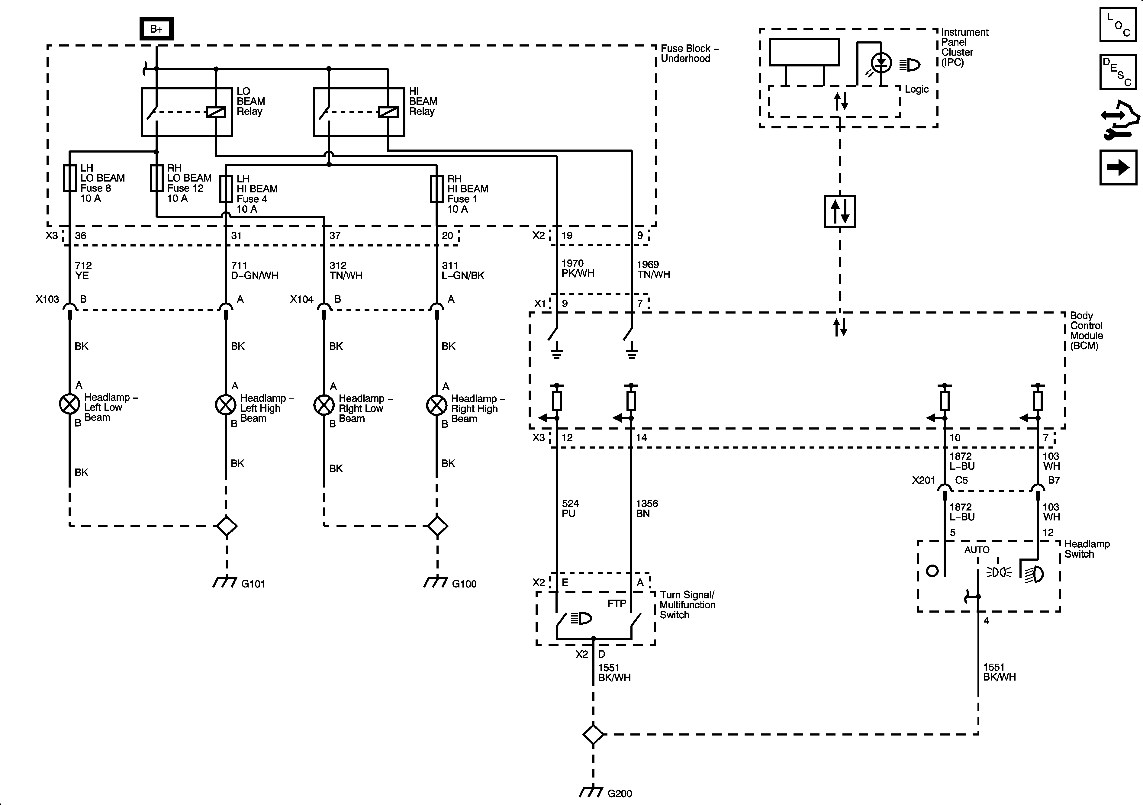
🢒 Headlights/Daytime Running Lights (DRL) Schematics
Figure
1:
Headlights
Master Electrical Component List
Exterior Lighting Systems Description and Operation
Control Module References
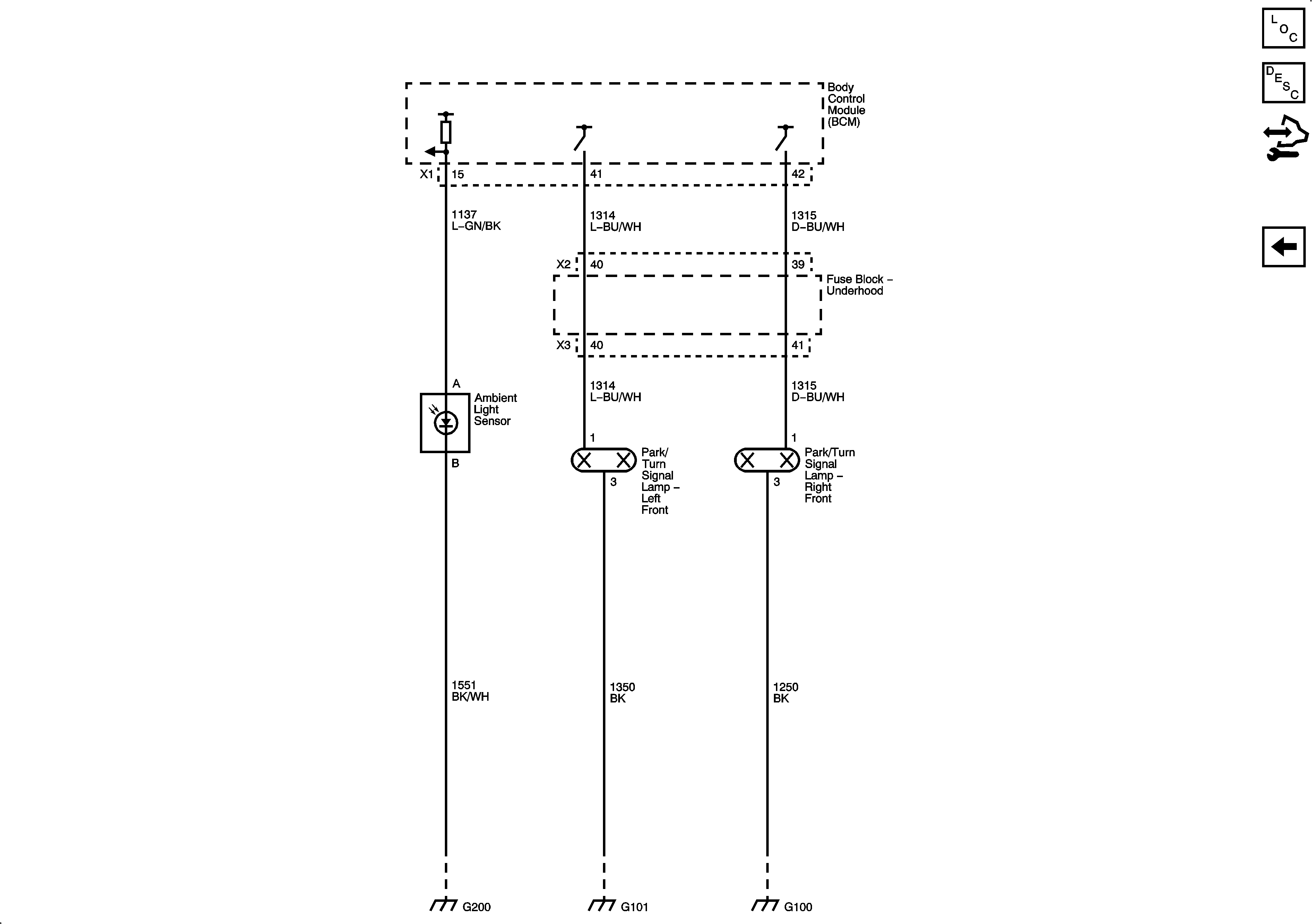
Daytime Running Lights
Figure
2:
Daytime Running Lights
Master Electrical Component List
Exterior Lighting Systems Description and Operation
Control Module References
Headlights