GM Service Manual Online
For 1990-2009 cars only
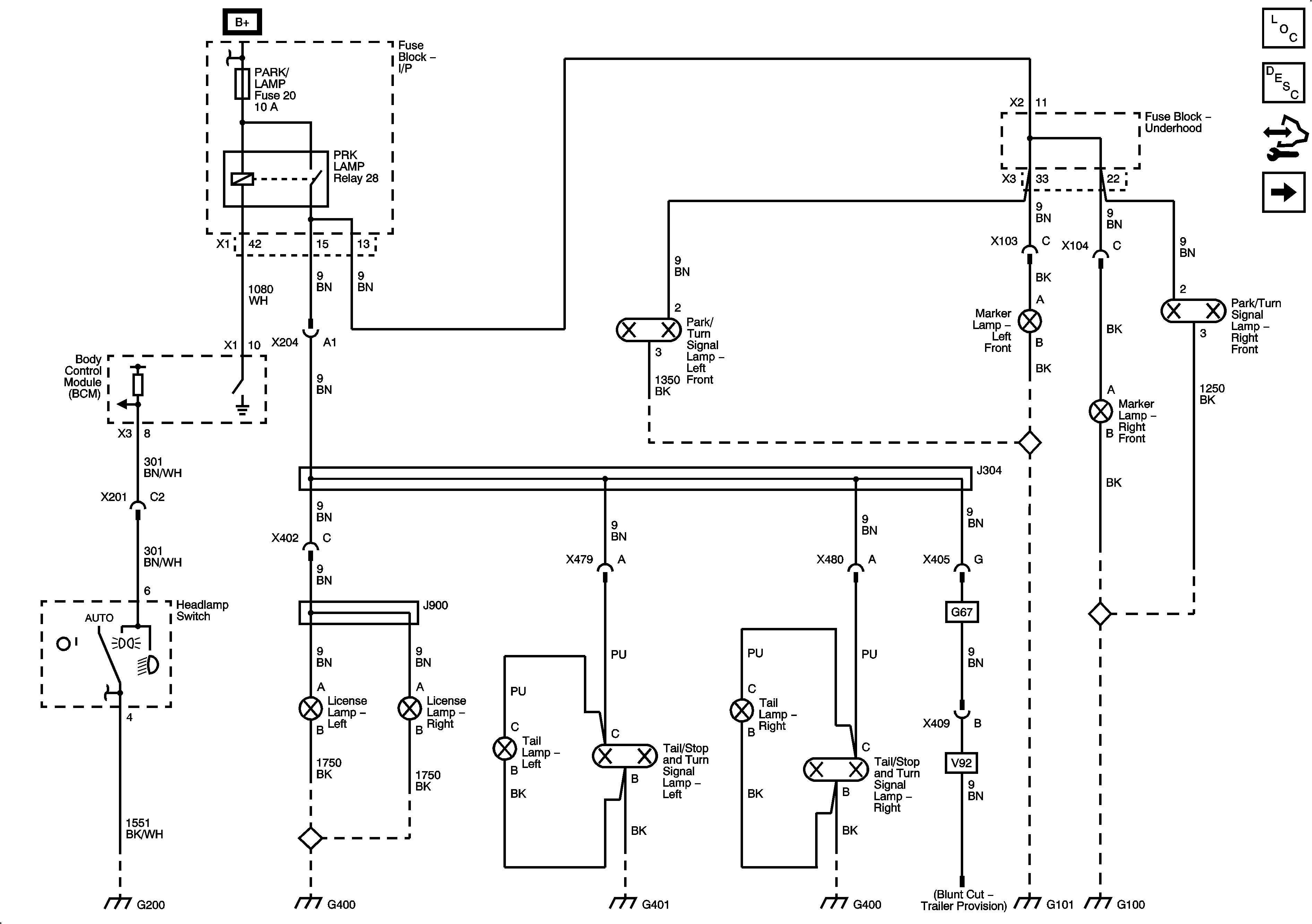
Figure 1:

Park, Marker, and License Lamps


Object Number: 1921686  Size: FS
Master Electrical Component List
Exterior Lighting Systems Description and Operation
Control Module References
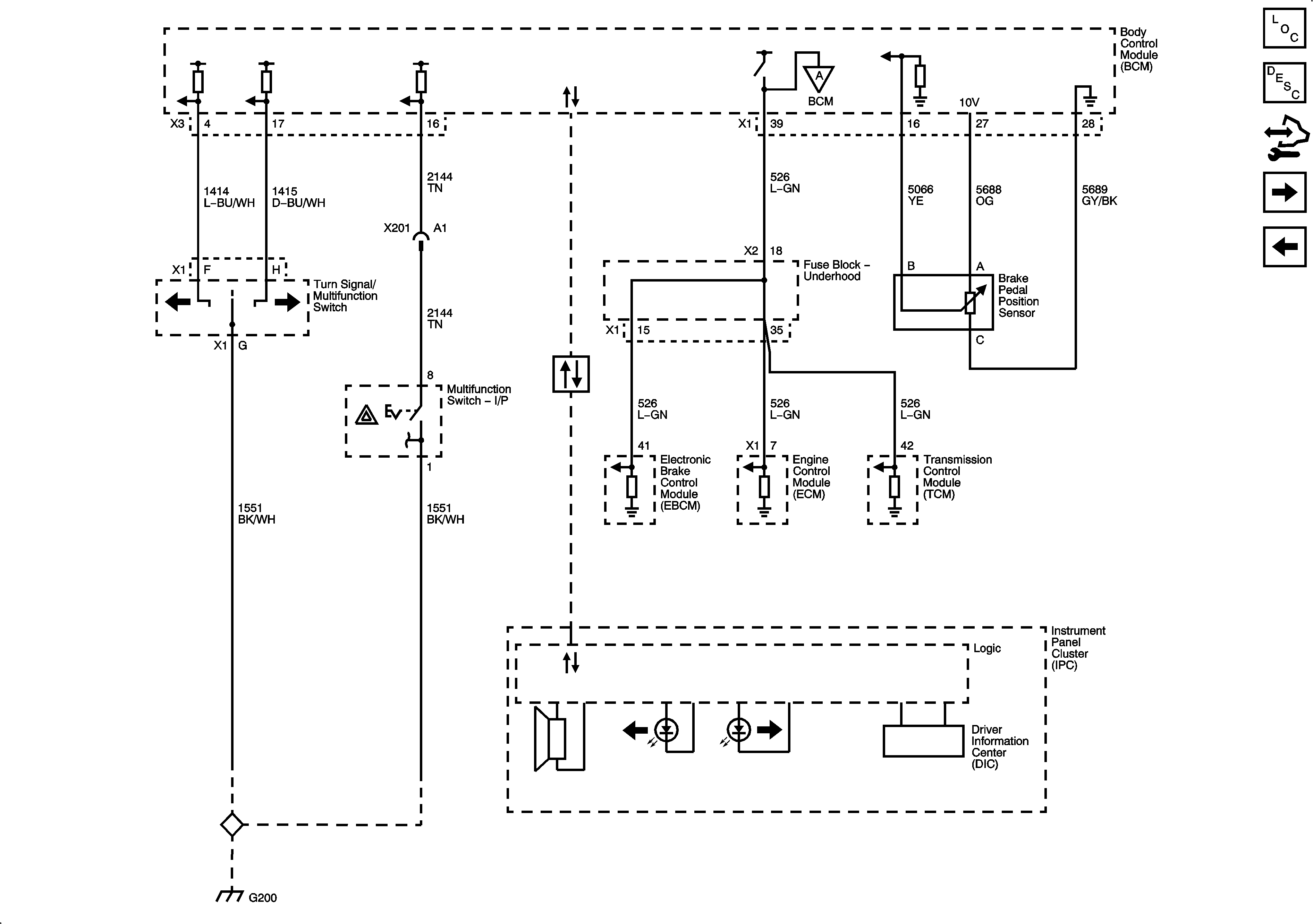
Stop/Turn Signal Lamps Controls and Indicators
Figure 2:

Stop/Turn Signal Lamps Controls and Indicators


Object Number: 1921688  Size: FS
Master Electrical Component List
Exterior Lighting Systems Description and Operation
Control Module References
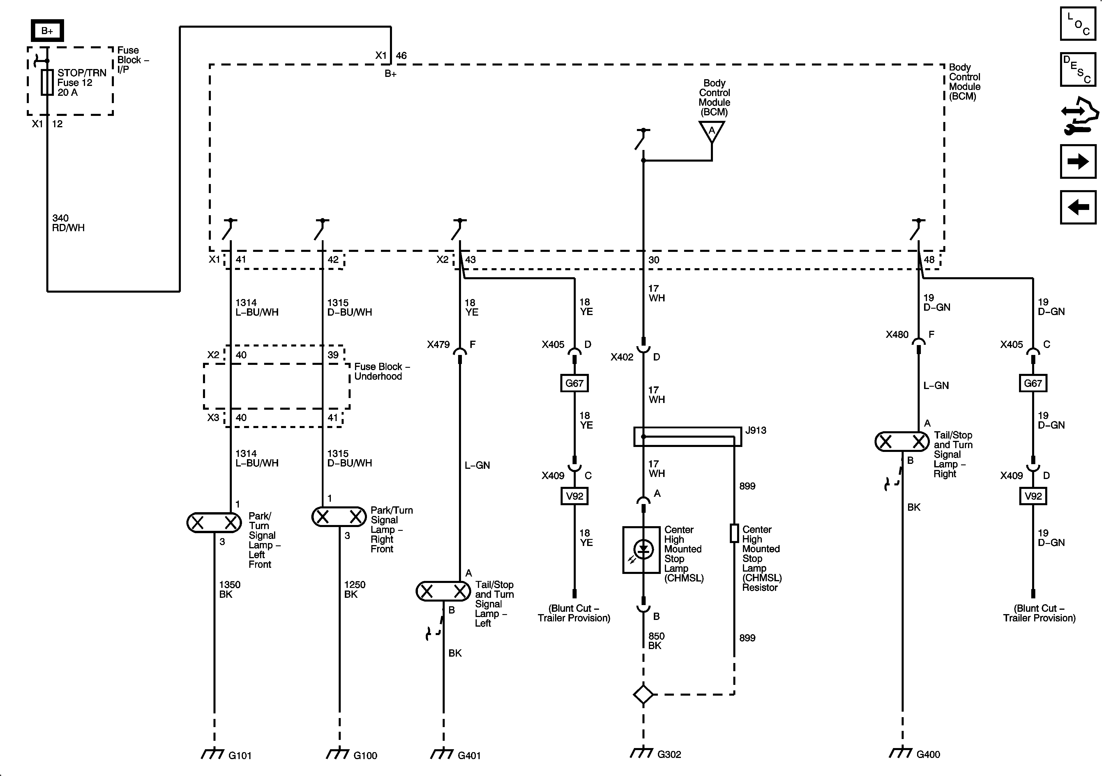
Park/Turn and Stop/Turn Signal Lamps
Park, Marker and License Lamps
Figure 3:

Park/Turn and Stop/Turn Signal Lamps


Object Number: 1921690  Size: FS
Master Electrical Component List
Exterior Lighting Systems Description and Operation
Control Module References
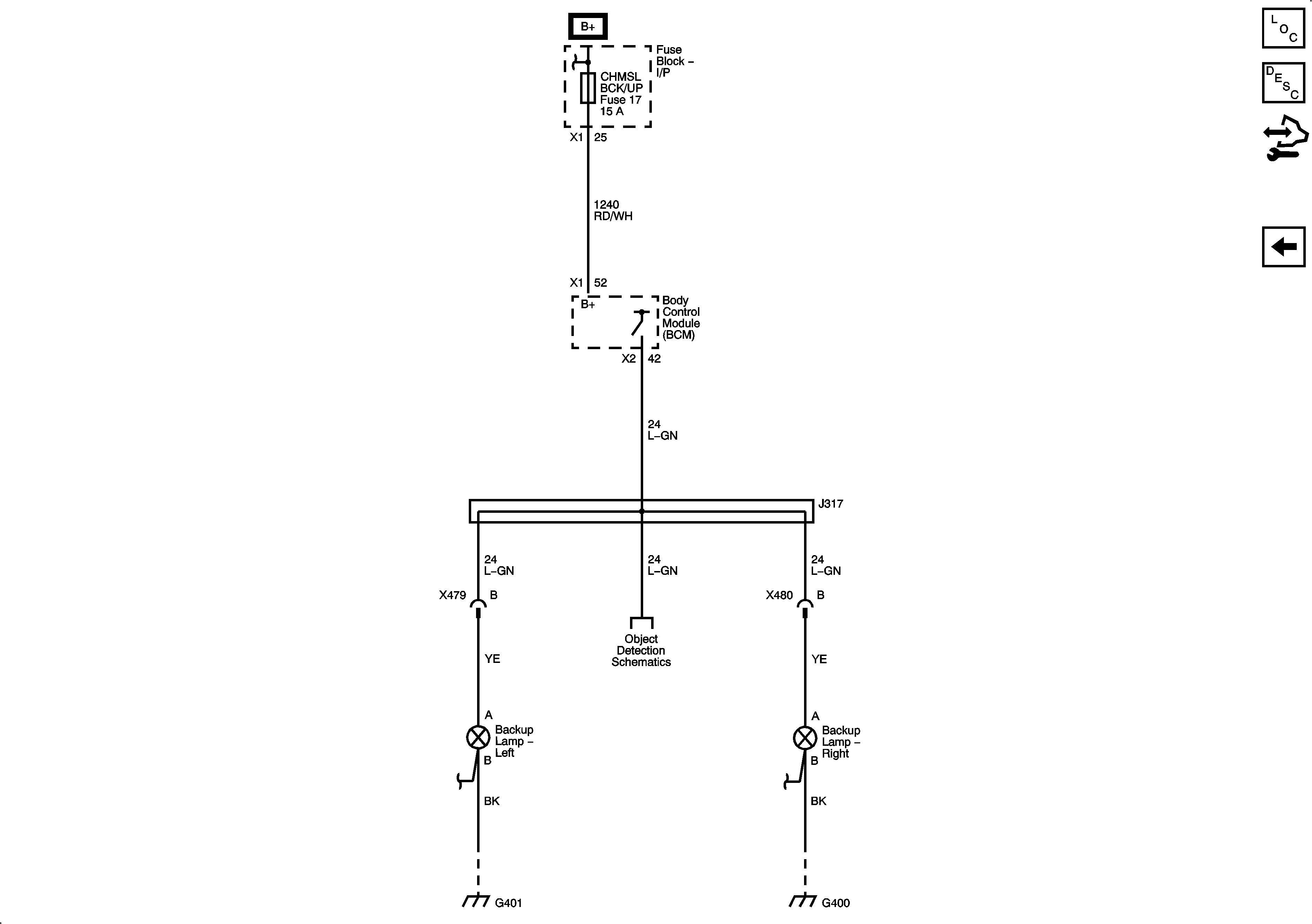
Backup Lamps
Stop/Turn Signal Lamps Controls and Indicators
Figure 4:

Backup Lamps


Object Number: 1921692  Size: FS
Master Electrical Component List
Exterior Lighting Systems Description and Operation
Control Module References
Park/Turn and Stop/Turn Signal Lamps