GM Service Manual Online
For 1990-2009 cars only
Makes
🢒
Pontiac
🢒
2008
🢒
Montana SV6 Ext.
🢒
Diagnostic Navigation
🢒
Vehicle Diagnostic Information
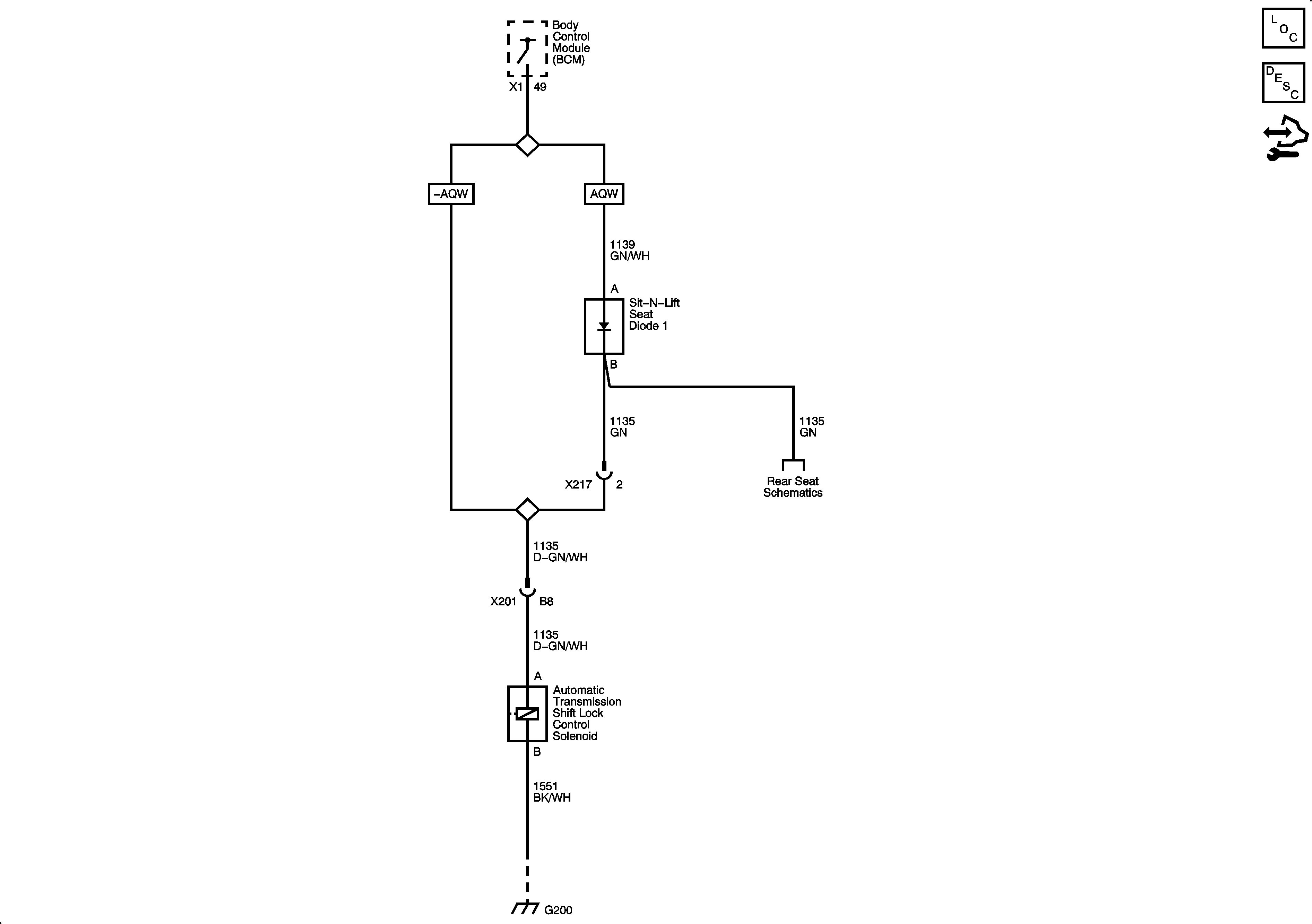
🢒 Shift Lock Control Schematics
Master Electrical Component List
Automatic Transmission Shift Lock Control Description and Operation
Control Module References