GM Service Manual Online
For 1990-2009 cars only
Figure 1:

Ground, Impact Sensors, Indicator, and Power


Object Number: 1921741  Size: FS
Master Electrical Component List
SIR System Description and Operation
Control Module References
Impact Modules and Pretensioners
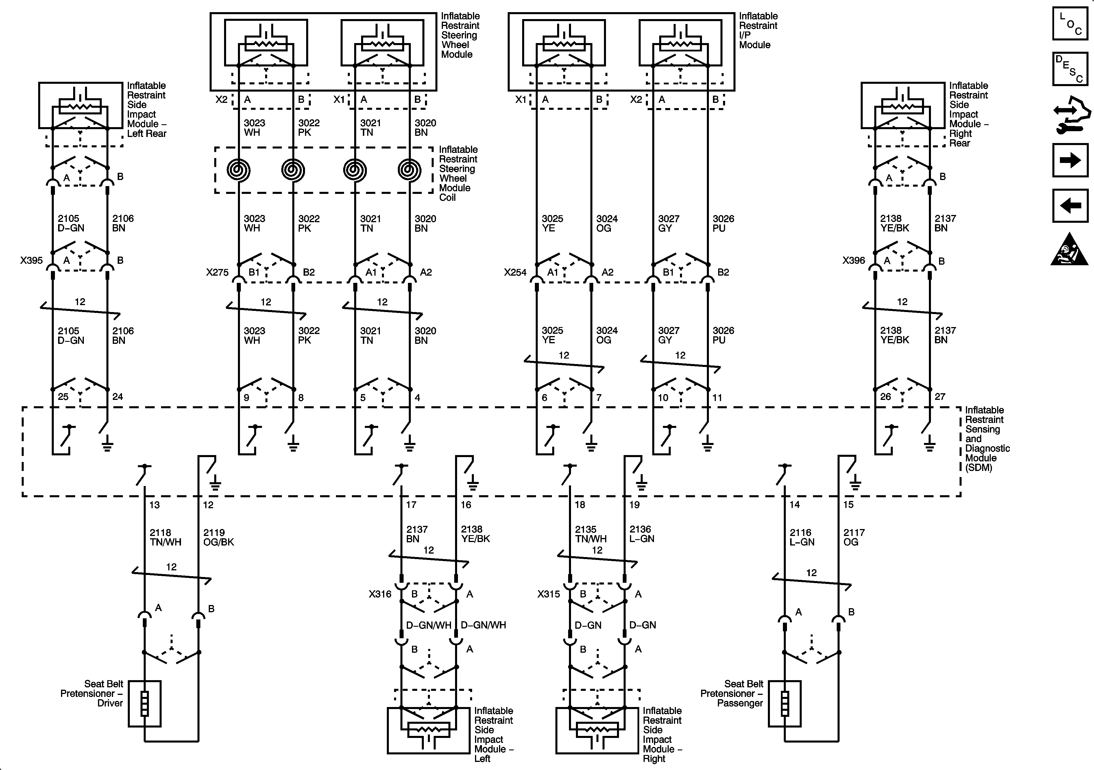
Figure 2:

Impact Modules and Pretensioners -- AK5/AJ7


Object Number: 1921749  Size: FS
Master Electrical Component List
SIR System Description and Operation
Control Module References
Impact Modules and Pretensioners
Ground, Impact Sensors, Indicator and Power
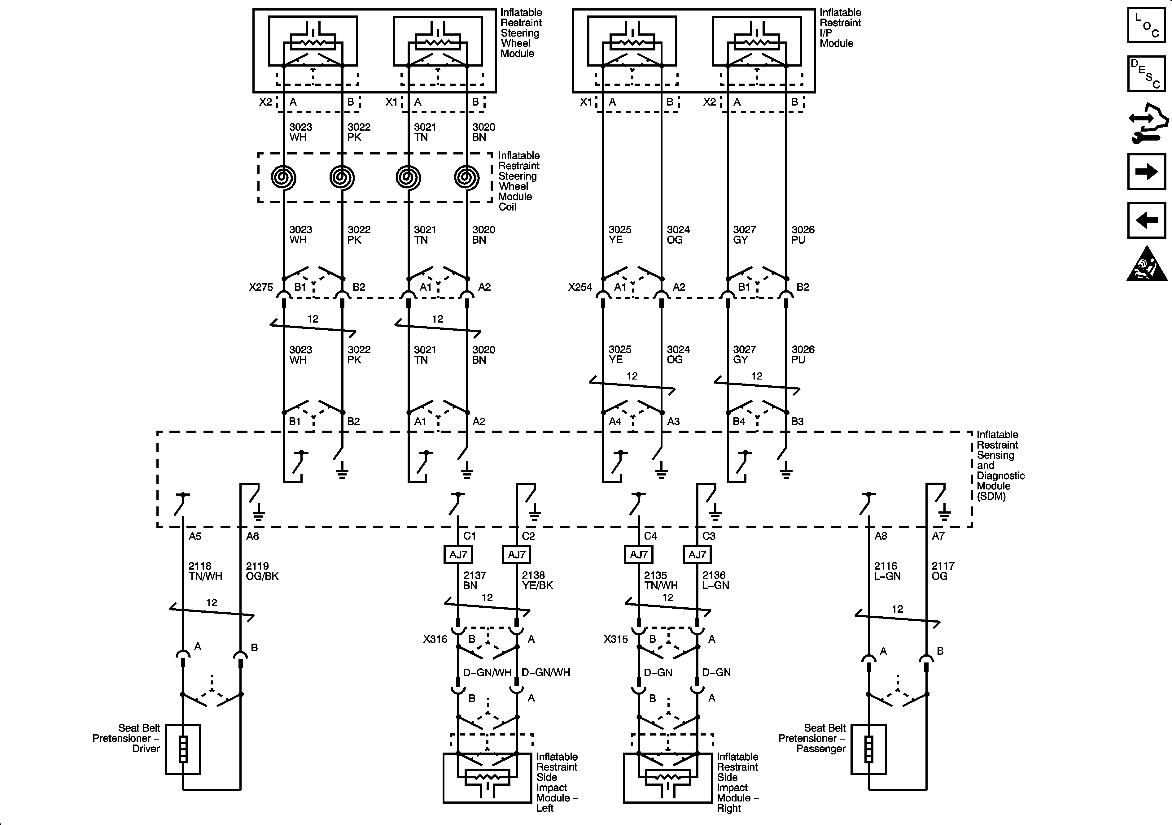
Figure 3:

Impact Modules and Pretensioners -- AW9


Object Number: 1921743  Size: FS
Master Electrical Component List
SIR System Description and Operation
Control Module References
Occupant Sensing
Impact Modules and Pretensioners
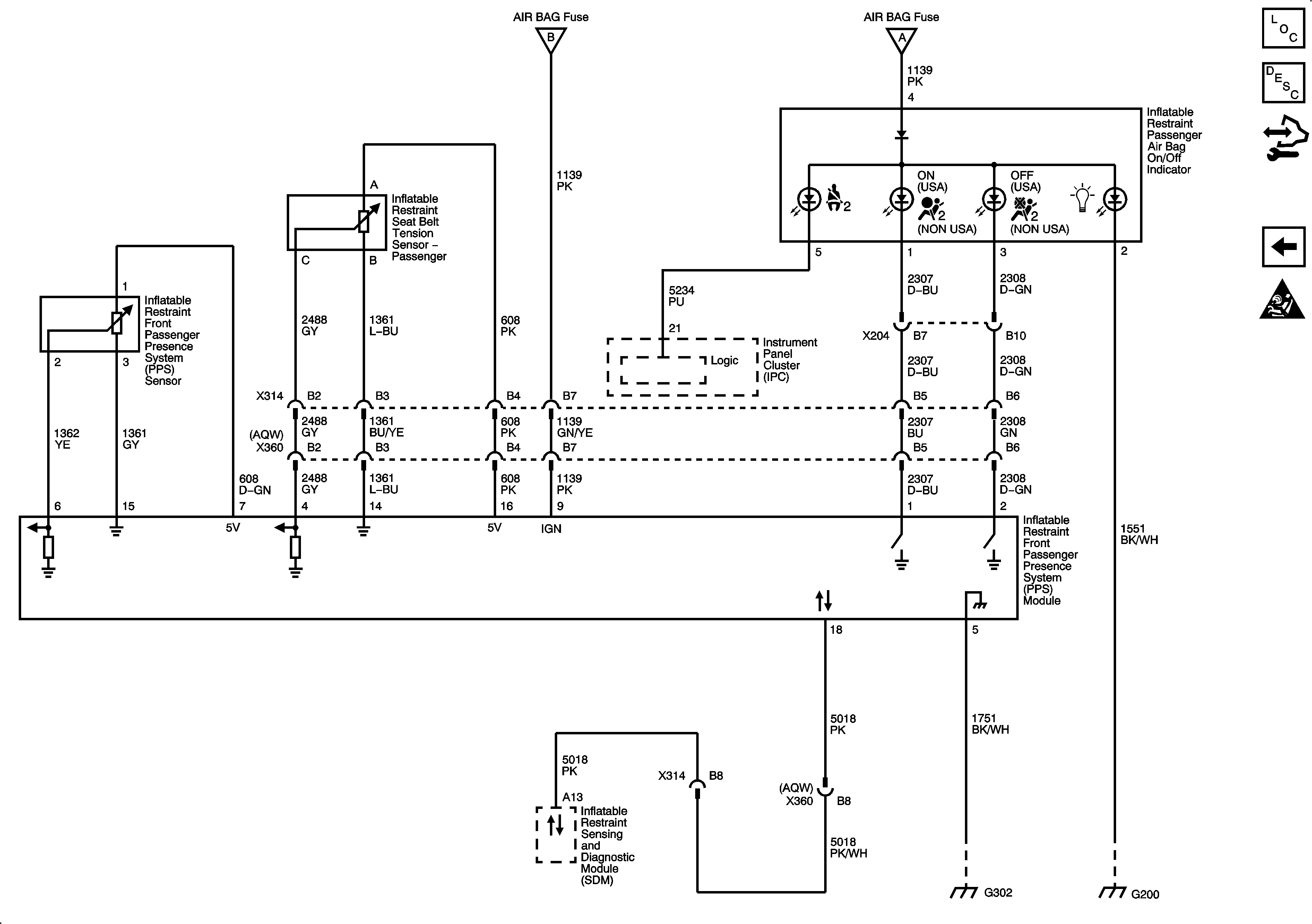
Figure 4:

Occupant Sensing


Object Number: 1923040  Size: FS
Master Electrical Component List
SIR System Description and Operation
Control Module References
Impact Modules and Pretensioners