GM Service Manual Online
For 1990-2009 cars only
Makes
🢒
Pontiac
🢒
2008
🢒
Montana SV6 Ext.
🢒
Diagnostic Navigation
🢒
Vehicle Diagnostic Information
🢒 Wiper/Washer Schematics
Figure
1:
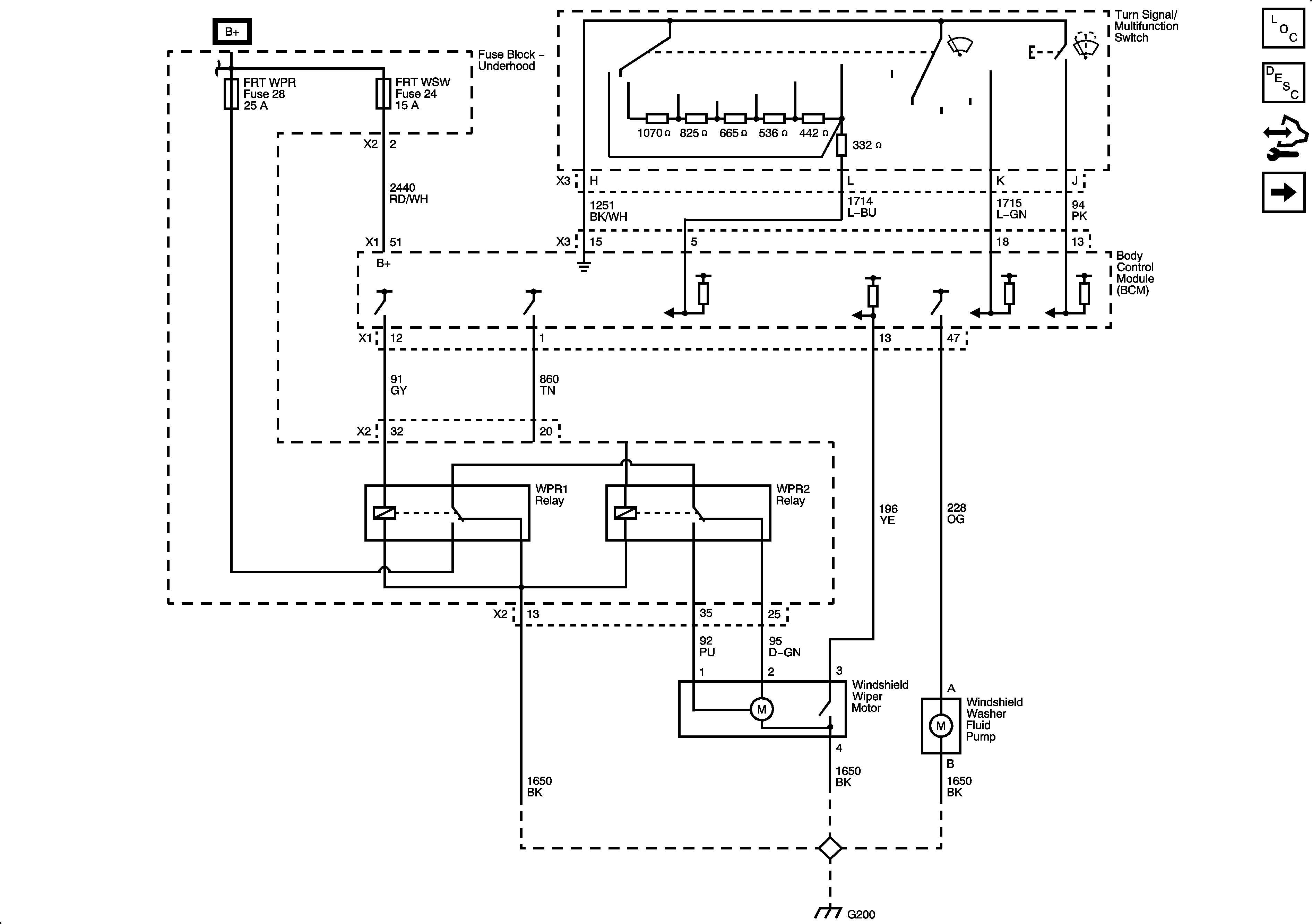
Front
Master Electrical Component List
Wiper/Washer System Description and Operation Wiper and Washers
Control Module References
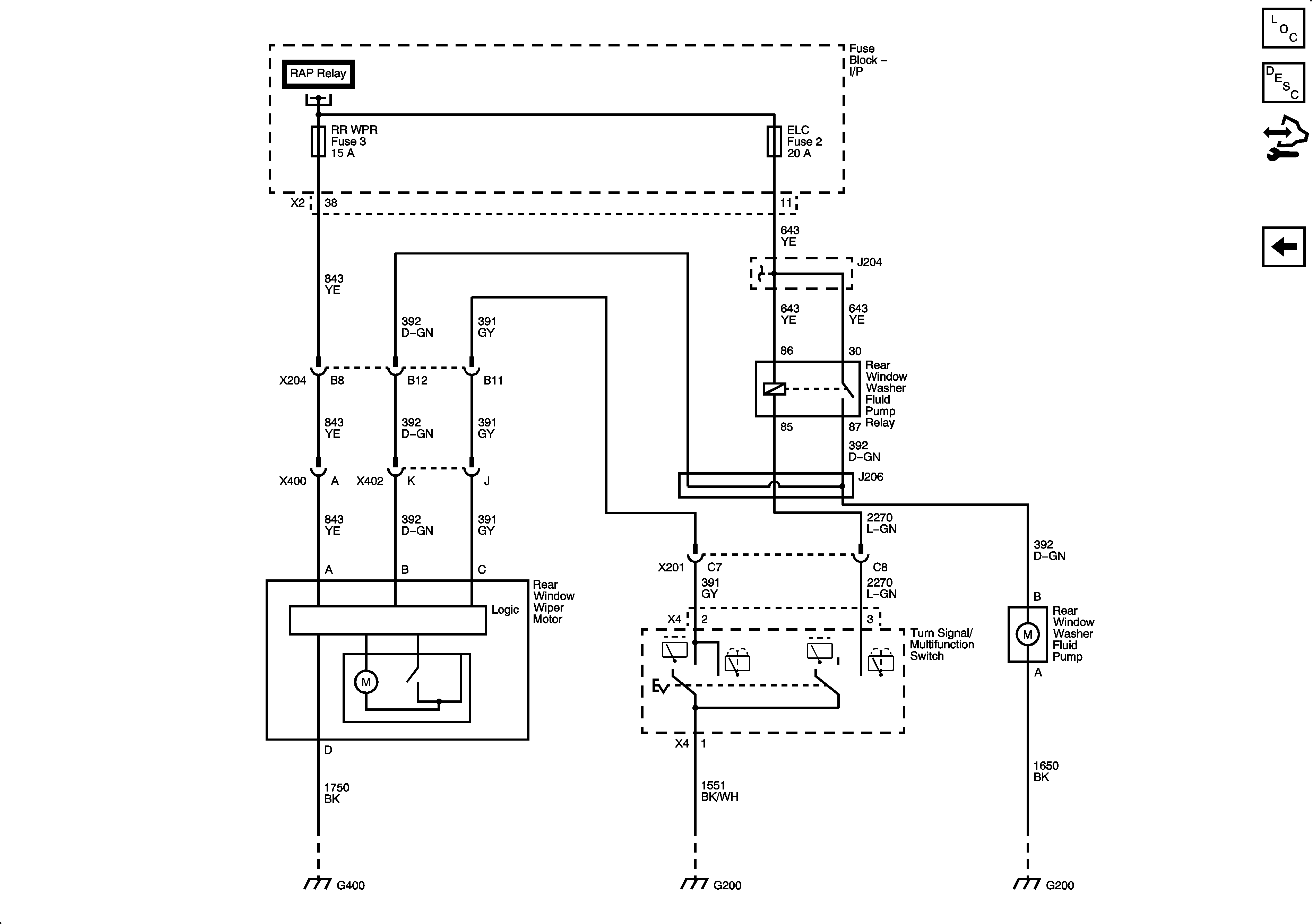
Rear
Figure
2:
Rear
Master Electrical Component List
Rear Wiper/Washer System Description and Operation
Control Module References
Front