GM Service Manual Online
For 1990-2009 cars only
Makes
🢒
Pontiac
🢒
2008
🢒
Montana SV6 Ext.
🢒
Power and Signal Distribution
🢒
Data Communications
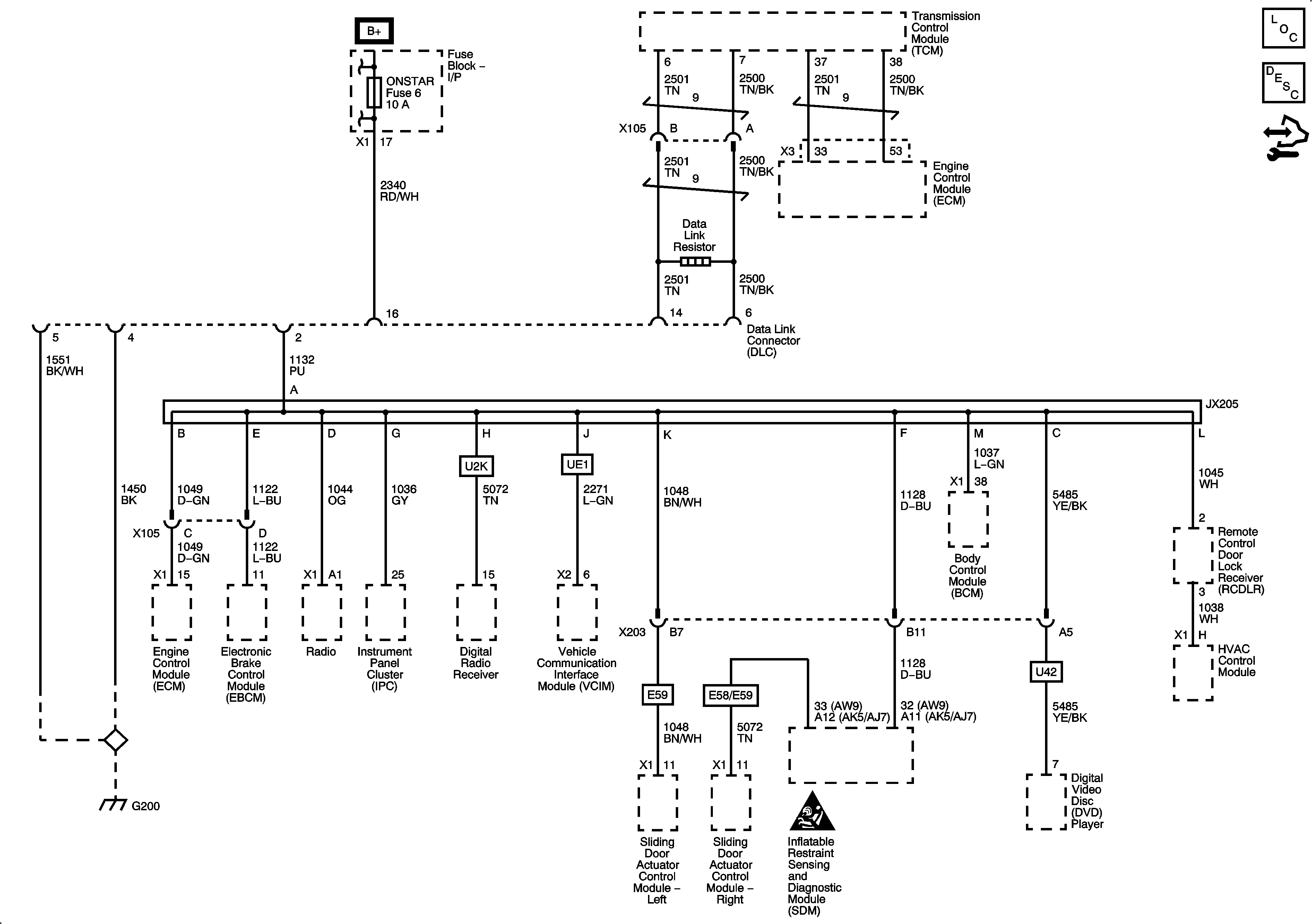
🢒 Data Communication Schematics
Master Electrical Component List
Data Link Communications Description and Operation
Control Module References