GM Service Manual Online
For 1990-2009 cars only
Makes
🢒
Pontiac
🢒
2009
🢒
Montana SV6 Ext.
🢒
Engine
🢒
Cruise Control
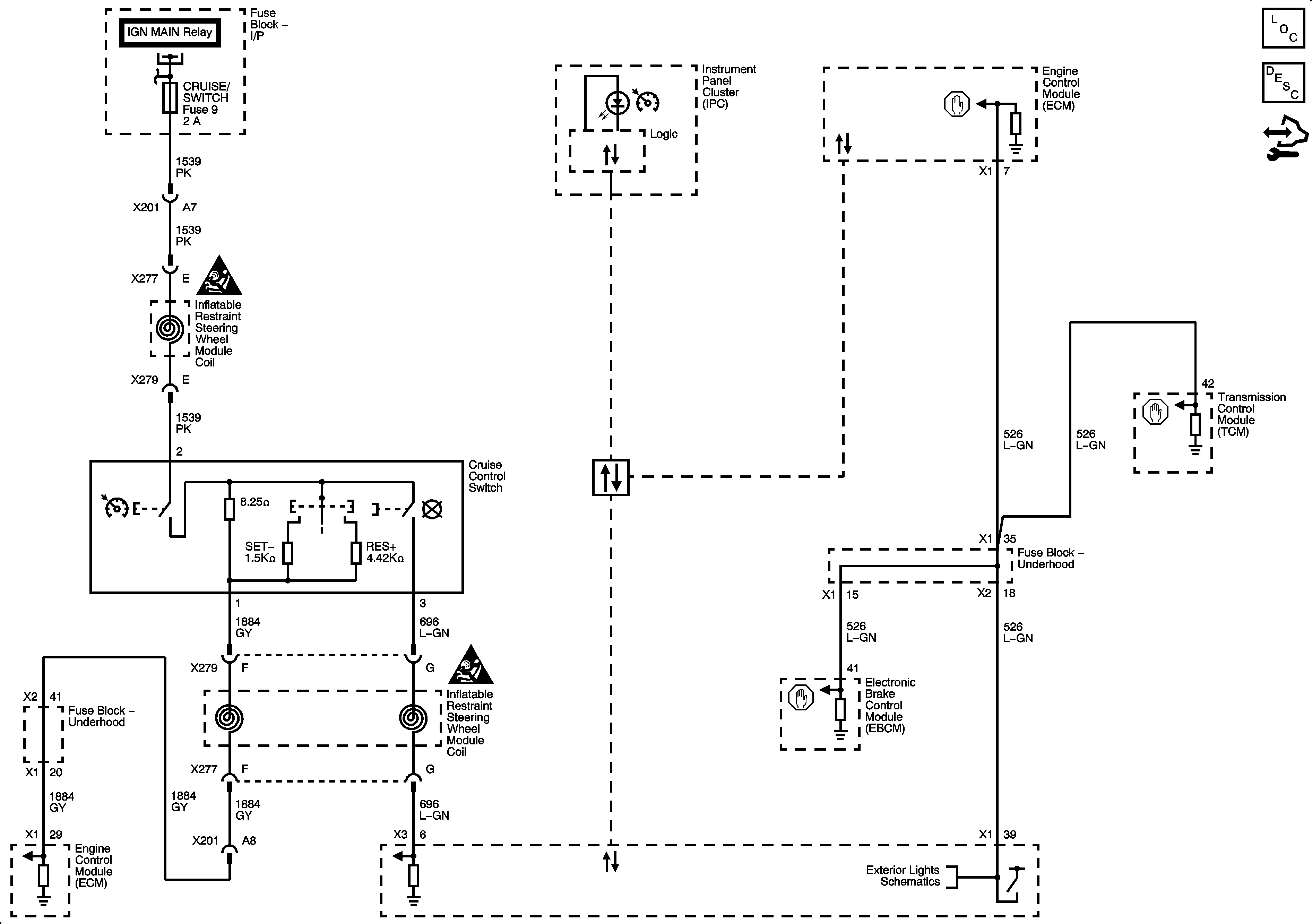
🢒 Cruise Control Schematics