GM Service Manual Online
For 1990-2009 cars only
Makes
🢒
Pontiac
🢒
2009
🢒
Montana SV6 Ext.
🢒
Engine
🢒
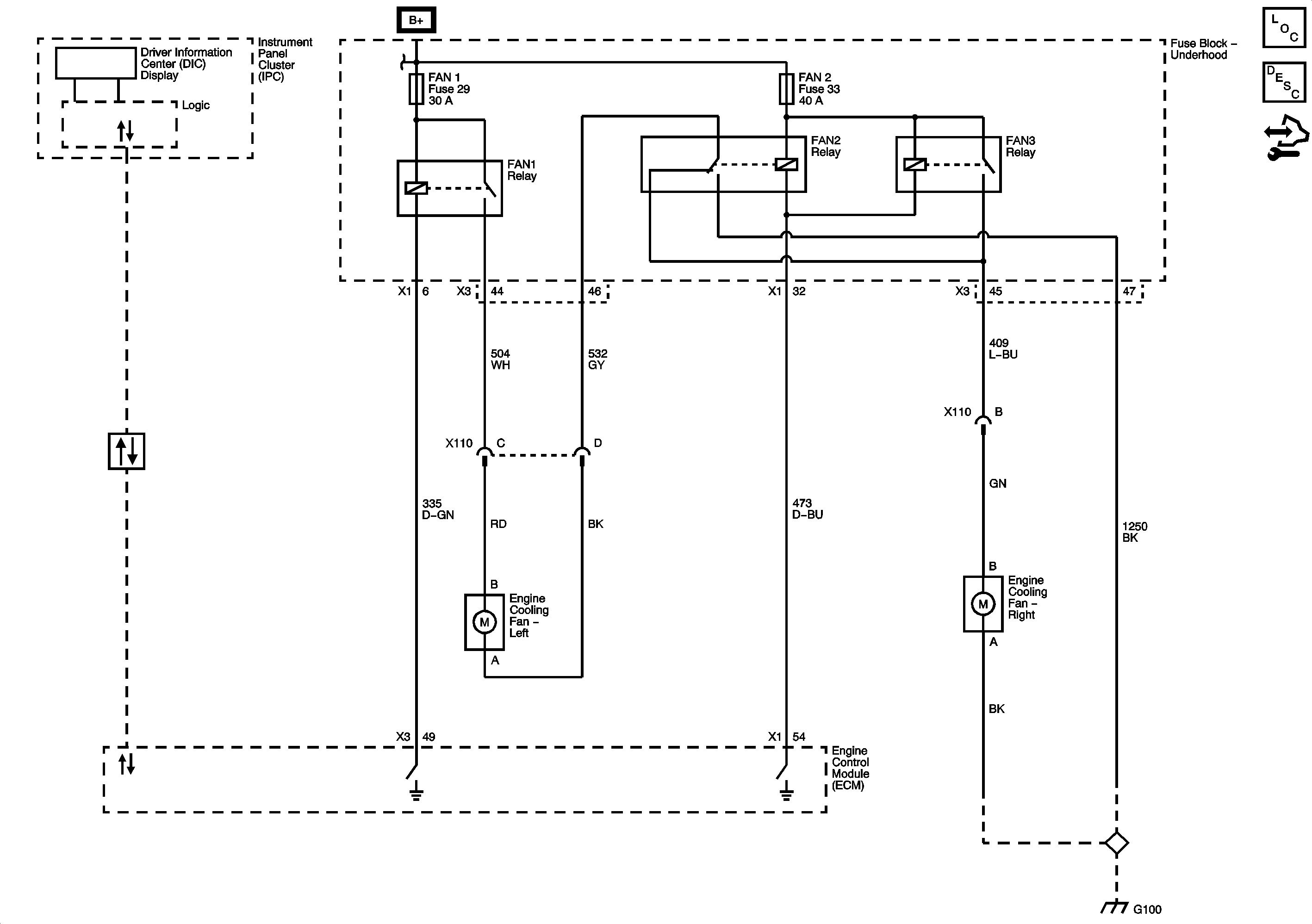
Engine Cooling
🢒 Engine Cooling Schematics