GM Service Manual Online
For 1990-2009 cars only
Figure 1:

B+ Bus


Object Number: 2060999  Size: FS
Figure 2:

ABS MOTOR, AC/DC INVRTR, AUX/PWR 12VDC, FRT WSW, and PCM ETC Fuses


Object Number: 2061012  Size: FS
Figure 3:

CHMSL BCK/UP, PRK/LAMP, PWR SLD DR, and RFA MDLS Fuses


Object Number: 2061031  Size: FS
Figure 4:

CNSTR/VENT, CLSTR/HVAC, INT/LAMP, ONSTAR, and RDO Fuses


Object Number: 2061049  Size: FS
Figure 5:

BATT MAIN 2, HTD/SEATS, LT PWR SLD DR, PWR/MIR UGDO, RT PWR SLD DR, Sit-N-Lift Seat and STOP/TRN Fuses, PWR SEATS and Sit-N-Lift Seat Circuit Breakers


Object Number: 2061057  Size: FS
Figure 6:

BATT MAIN 3, ELC, AND TRUNK/LKS FUSES


Object Number: 2061084  Size: FS
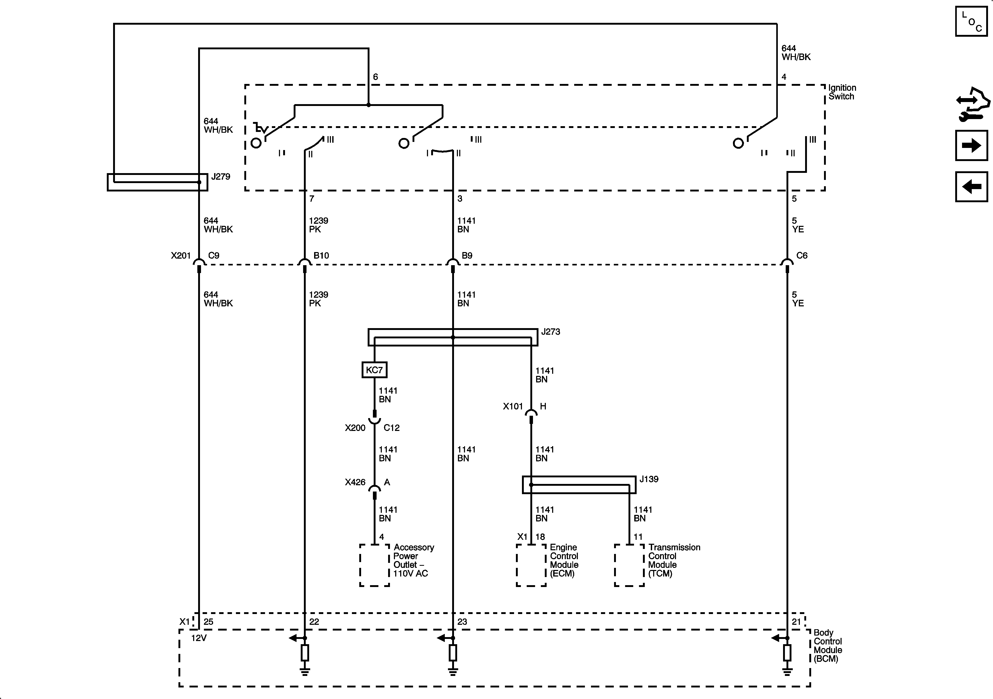
Figure 7:

Ignition Switch


Object Number: 2061095  Size: FS
Figure 8:

ABS, AIRBAG, CRUISE/SWTCH, HVAC/RPA/CRUISE, PCM IGN, and TRANS SOLS Fuses


Object Number: 2061102  Size: FS
Figure 9:

ELEC IGN, ENG SNSR/EVAP, ETC, FRT BLWR HI, and FUEL INJ Fuses


Object Number: 2061104  Size: FS
Figure 10:

FRT/BLWR, HTD/MIR, LH HI BEAM, LH LO BEAM, RH LO BEAM, RH HI BEAM, RR BLWR/110VAC, and RR DEFOG Fuses


Object Number: 2061149  Size: FS
Figure 11:

ELC, REAR/WPR, and STR/WHL/ILLUM Fuses, PWR WNDW Circuit Breaker


Object Number: 2061180  Size: FS