GM Service Manual Online
For 1990-2009 cars only
Figure 1:

G100 and G101


Object Number: 2061210  Size: FS
Figure 2:

G102, G113 and G115


Object Number: 2061227  Size: FS
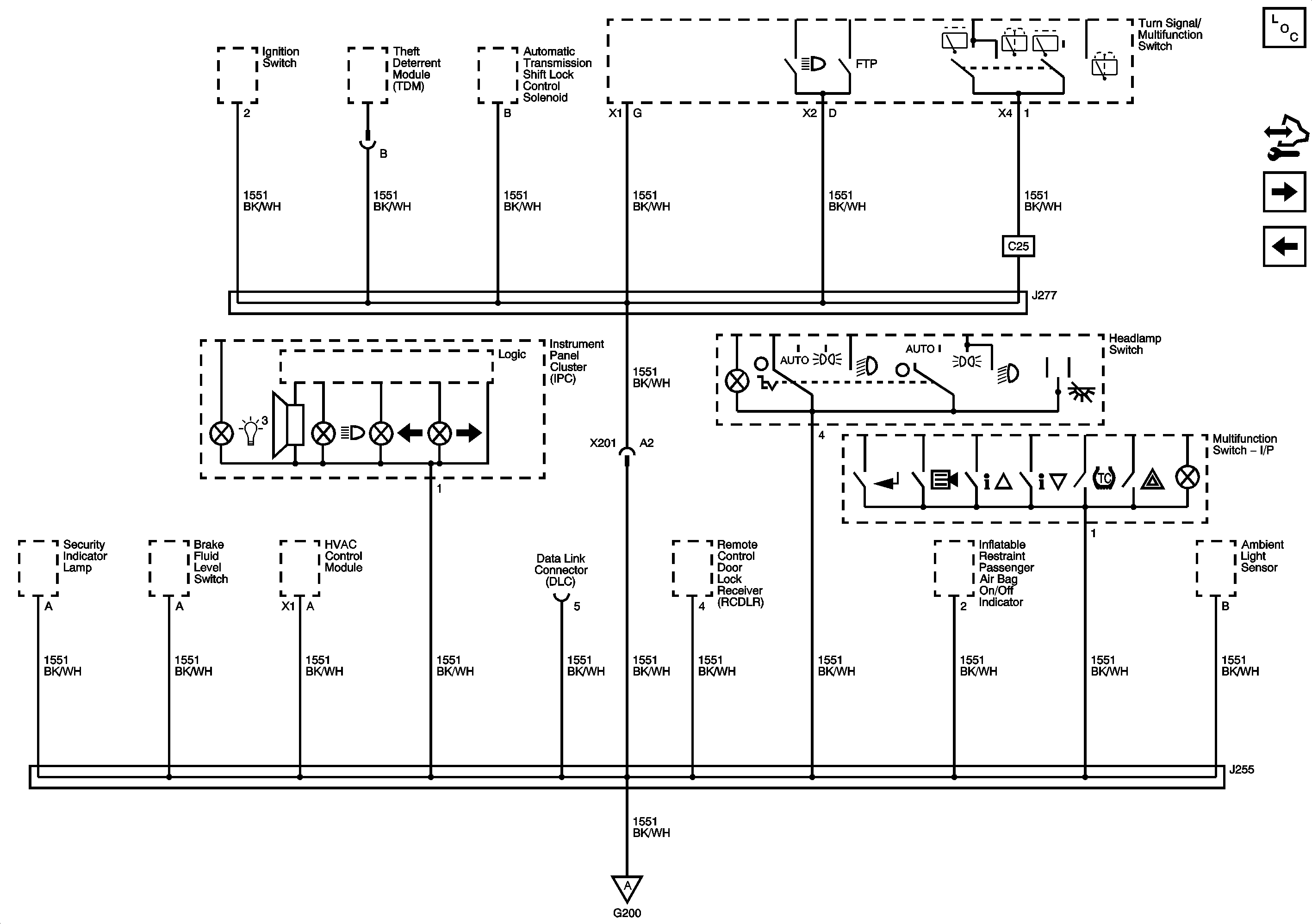
Figure 3:

G200 - 1 of 2


Object Number: 2061235  Size: FS
Figure 4:

G200 - 2 of 2


Object Number: 2061282  Size: FS
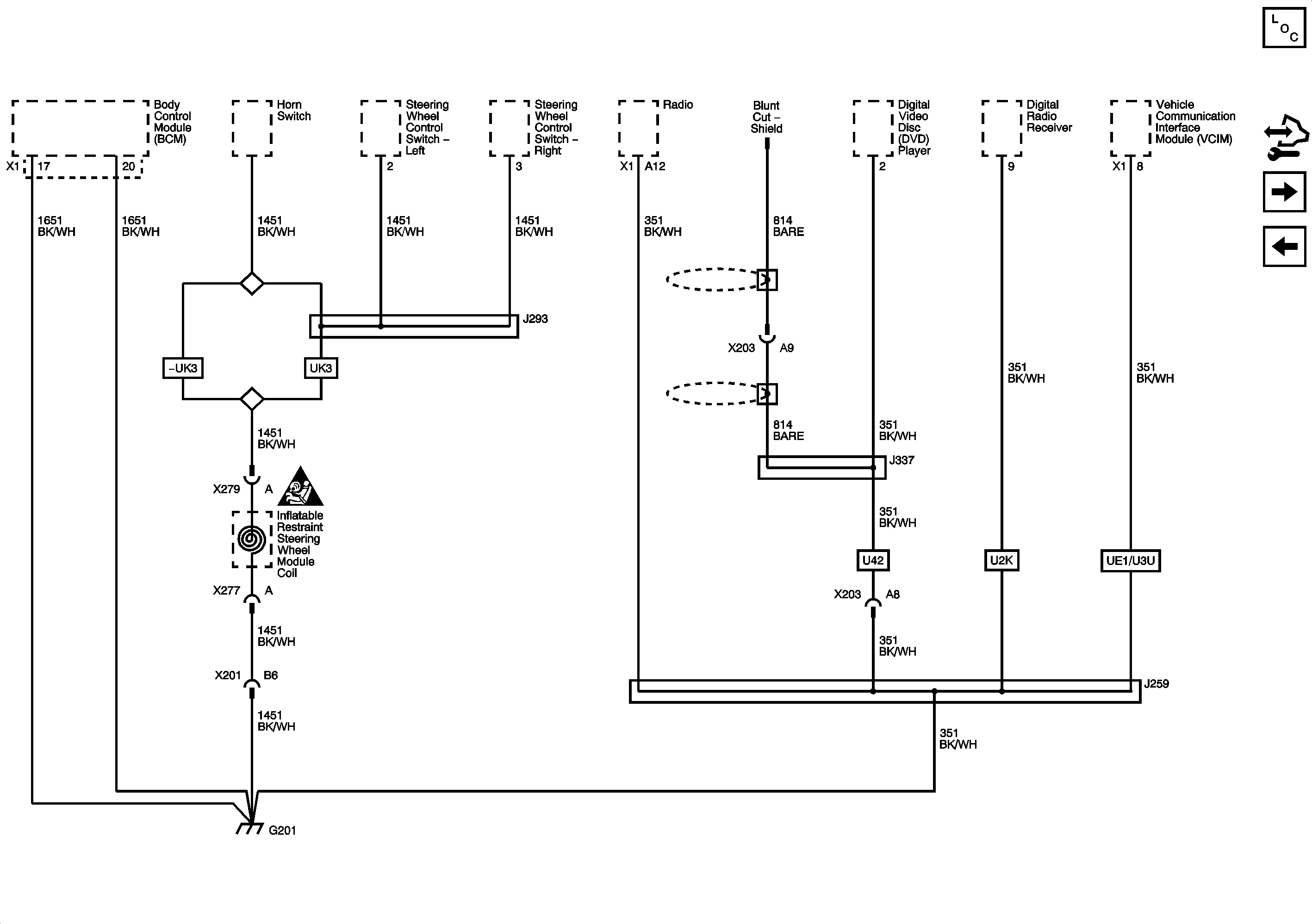
Figure 5:

G201


Object Number: 2061318  Size: FS
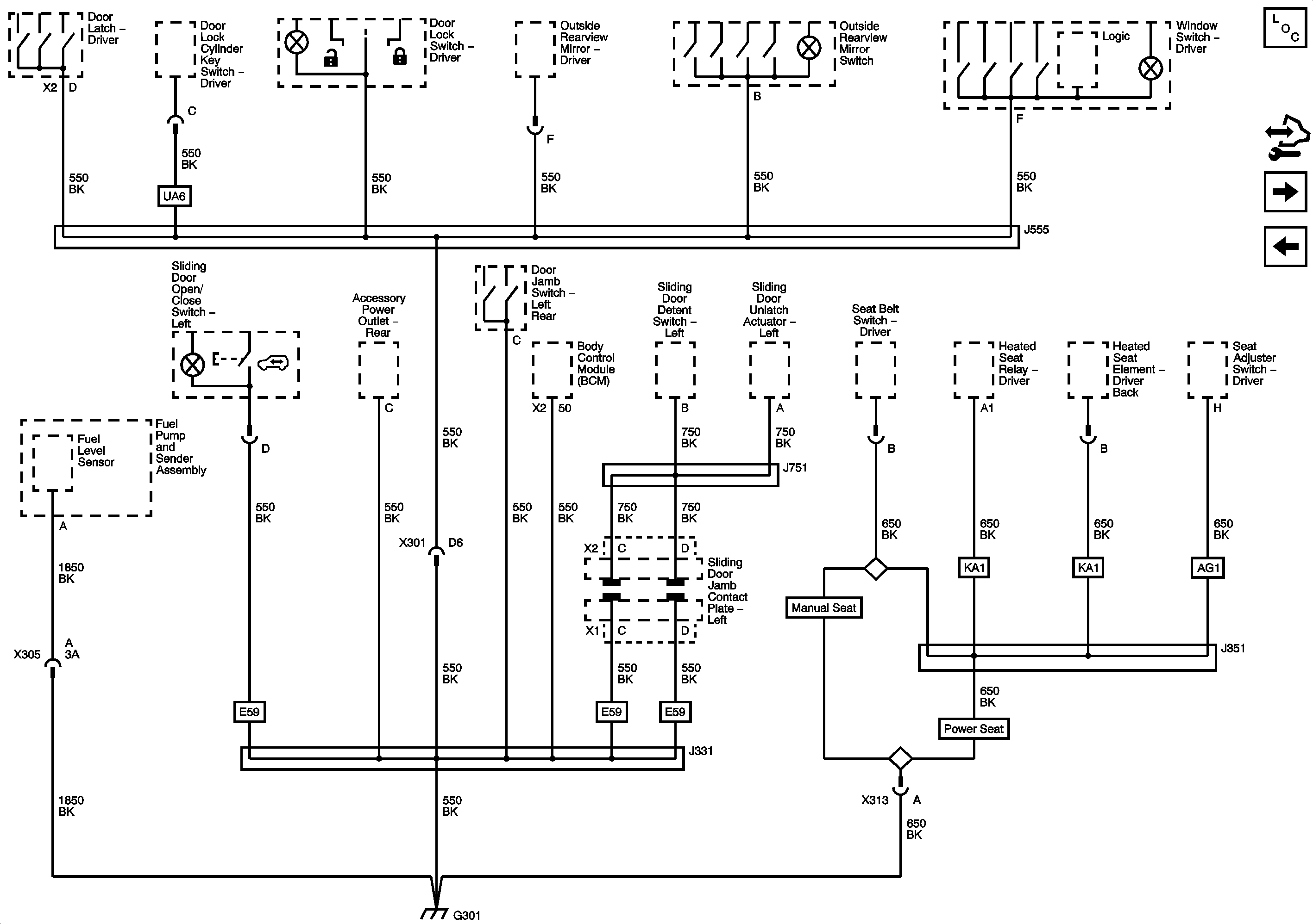
Figure 6:

G301


Object Number: 2061323  Size: FS
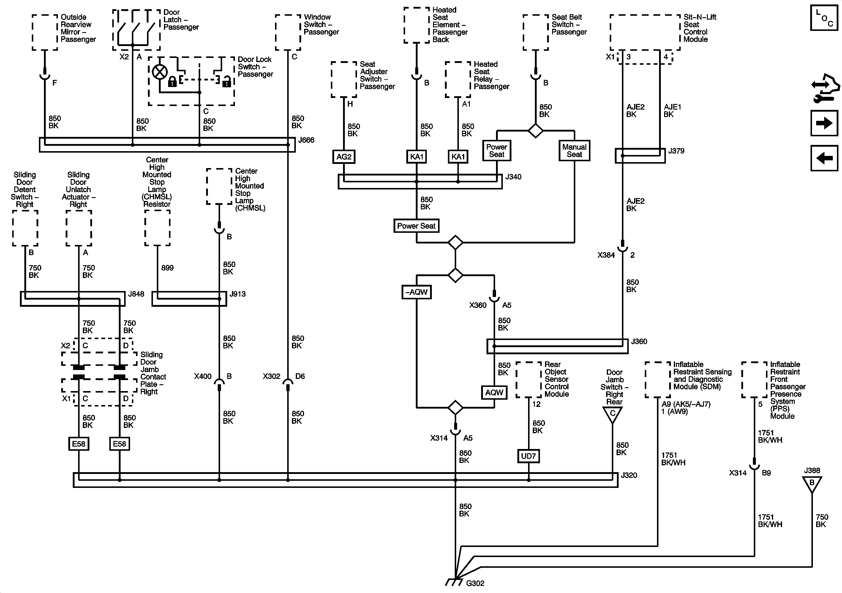
Figure 7:

G302 - 1 of 2


Object Number: 2061330  Size: FS
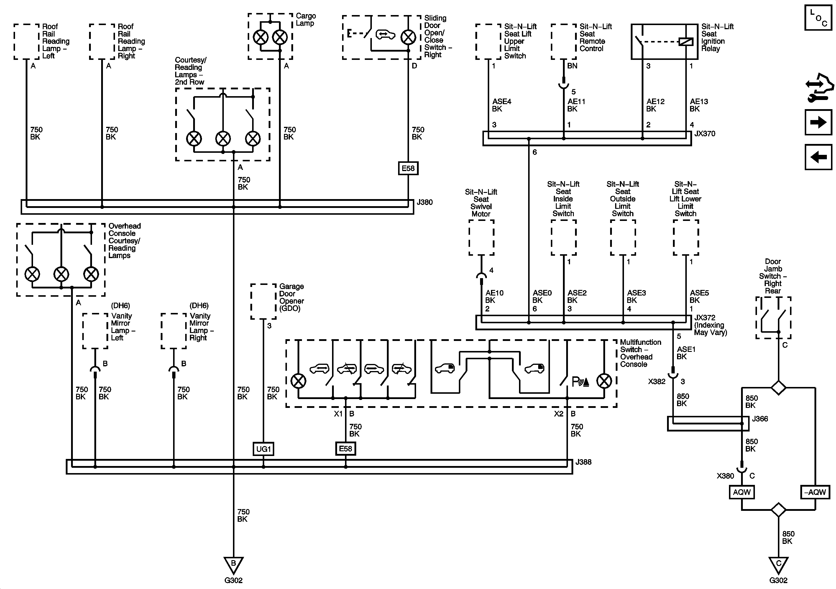
Figure 8:

G302 - 2 of 2


Object Number: 2061352  Size: FS
Figure 9:

G400


Object Number: 2061374  Size: FS
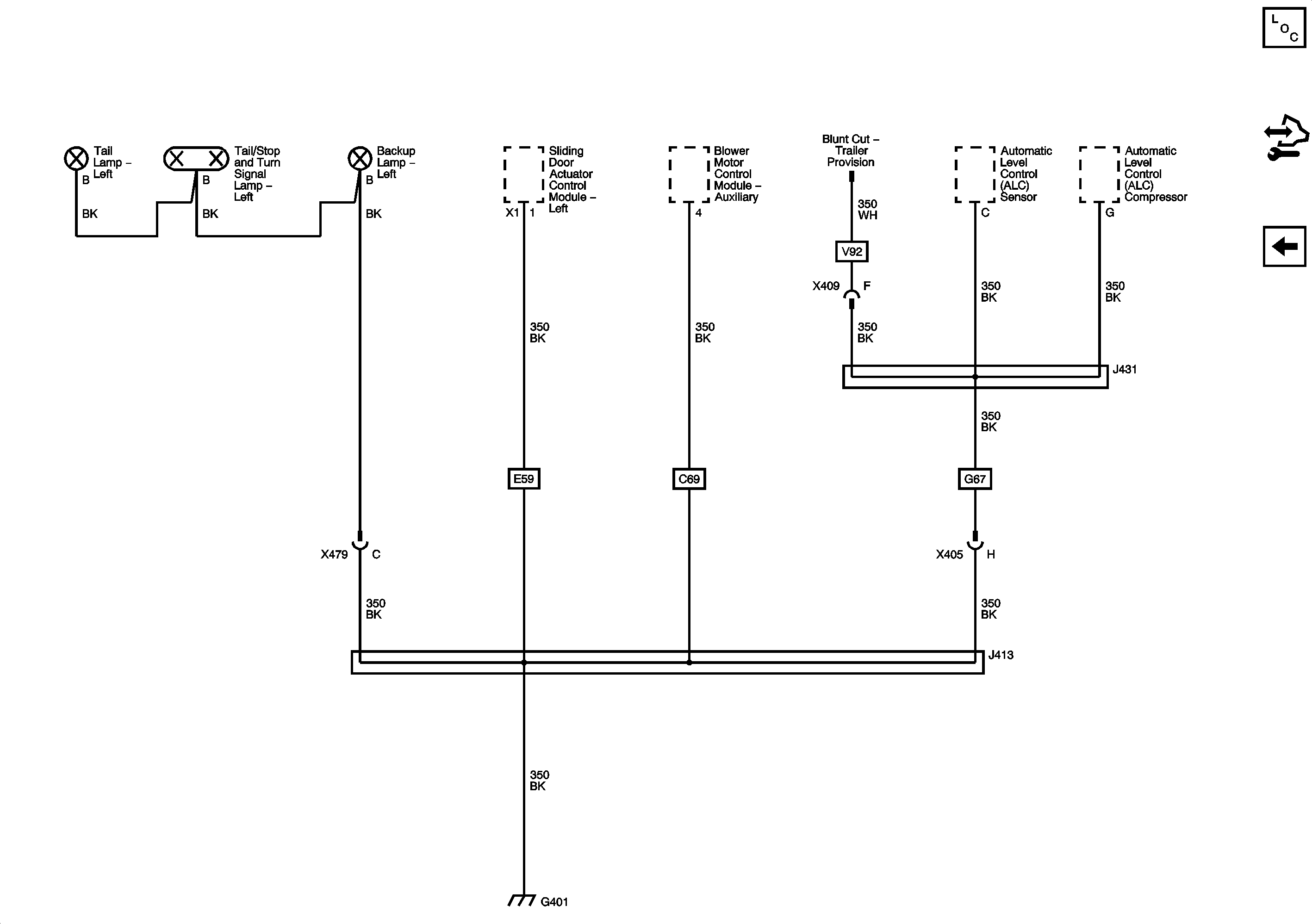
Figure 10:

G401


Object Number: 2061381  Size: FS