GM Service Manual Online
For 1990-2009 cars only
Makes
🢒
Pontiac
🢒
2009
🢒
Montana SV6 Ext.
🢒
Diagnostic Navigation
🢒
Vehicle Diagnostic Information
🢒 Rear Seat Schematics
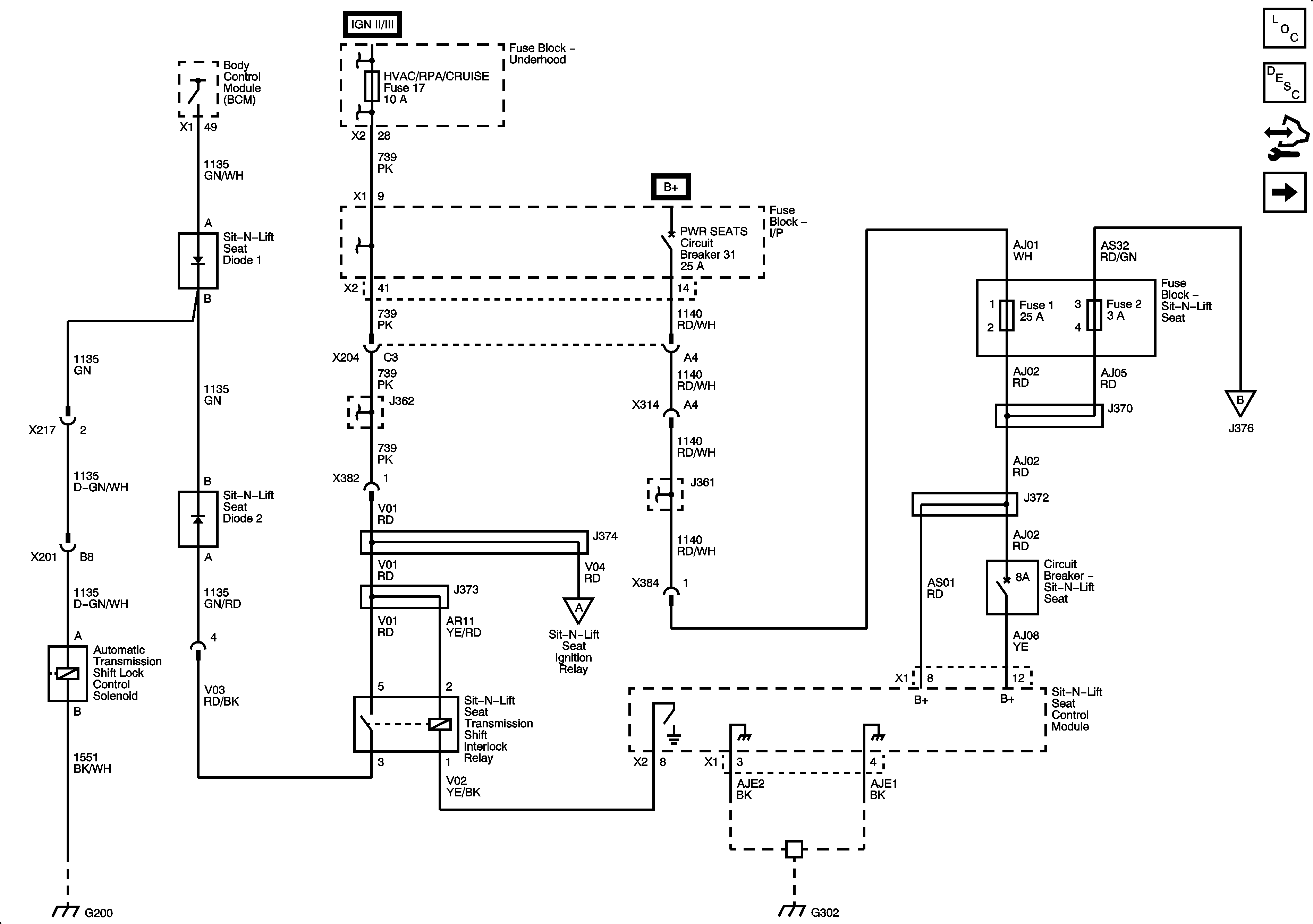
Figure
1:
Sit-N-Lift Seat Power, Ground, and A/T Shift Interlock
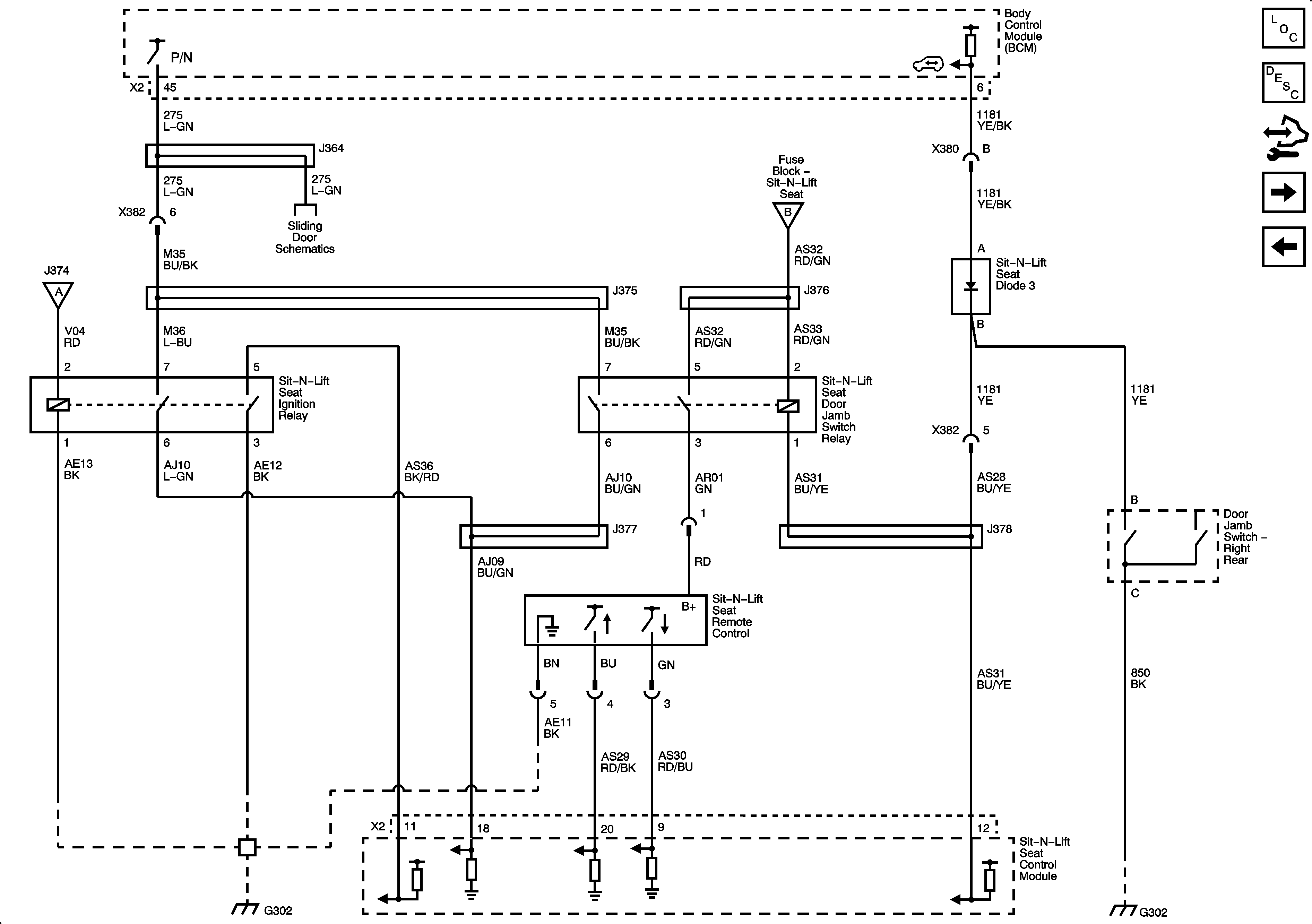
Figure
2:
Sit-N-Lift Seat Door, PNP Interlocks, and Remote
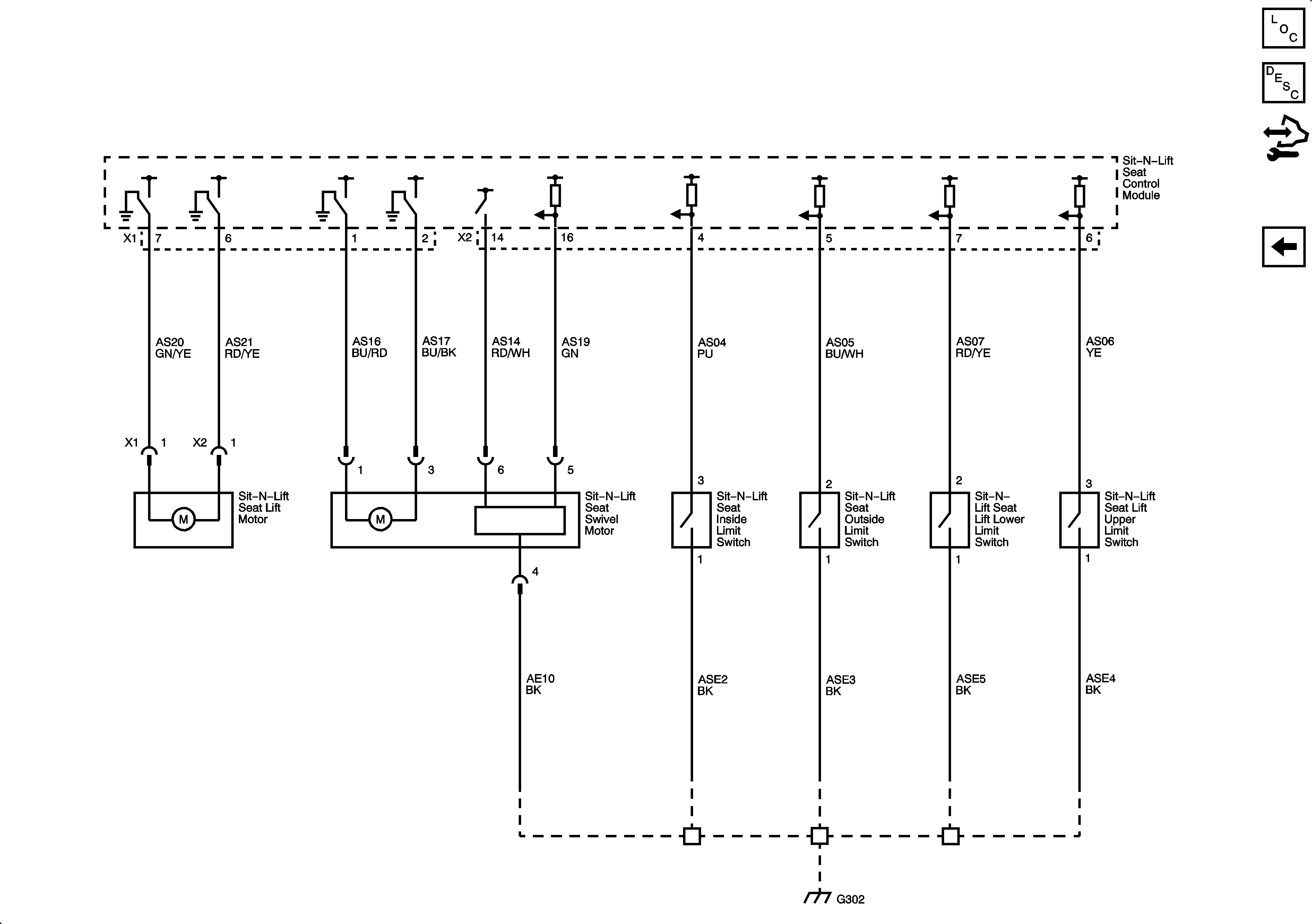
Figure
3:
Sit-N-Lift Seat Motors and Limit Switches