GM Service Manual Online
For 1990-2009 cars only
Makes
🢒
Pontiac
🢒
2009
🢒
Montana SV6 Ext.
🢒
Diagnostic Navigation
🢒
Vehicle Diagnostic Information
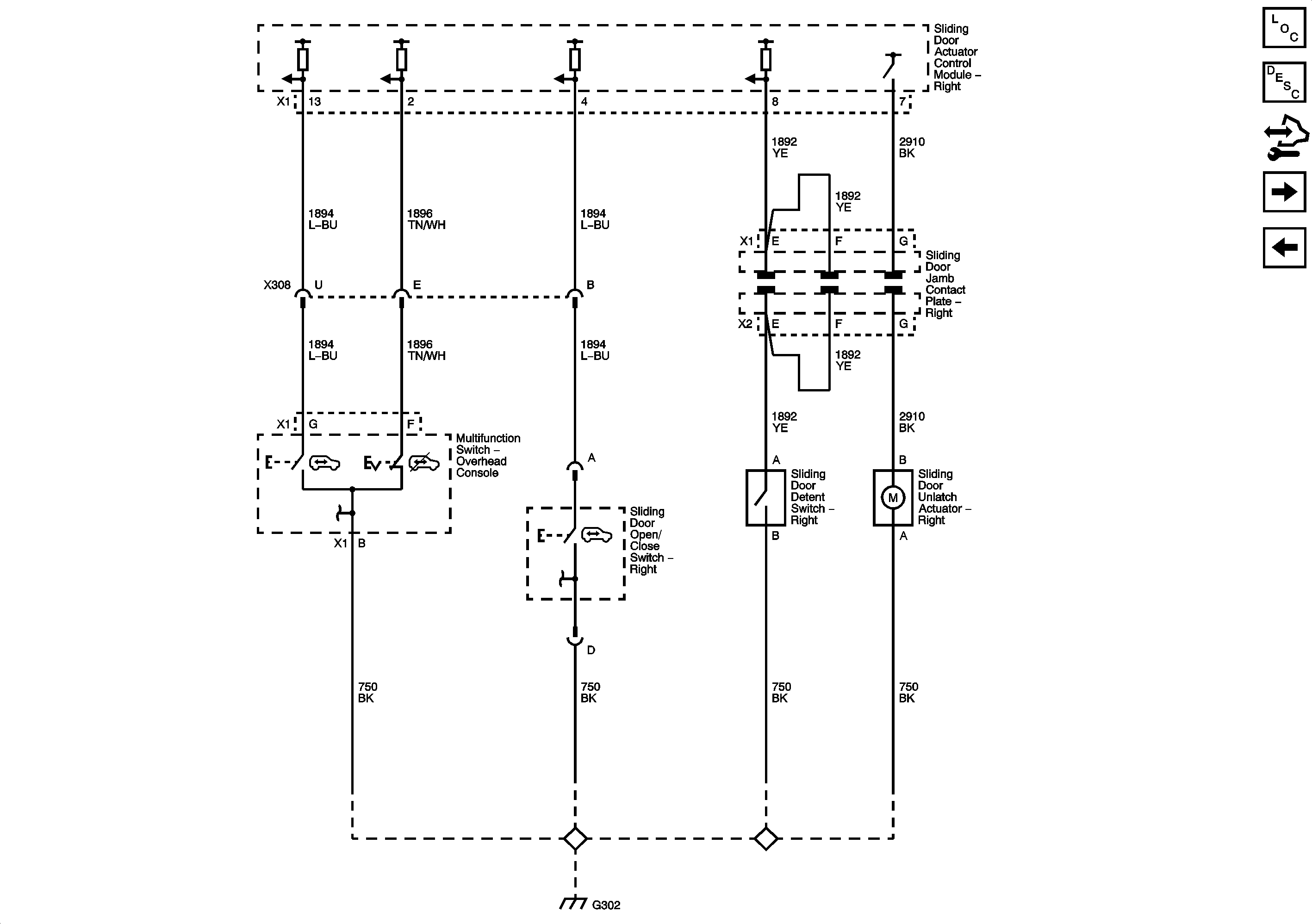
🢒 Sliding Door Schematics
Figure
1:
Right Door Motor
Figure
2:
Right Door Controls
Figure
3:
Left Door Motor
Figure
4:
Left Door Controls