GM Service Manual Online
For 1990-2009 cars only
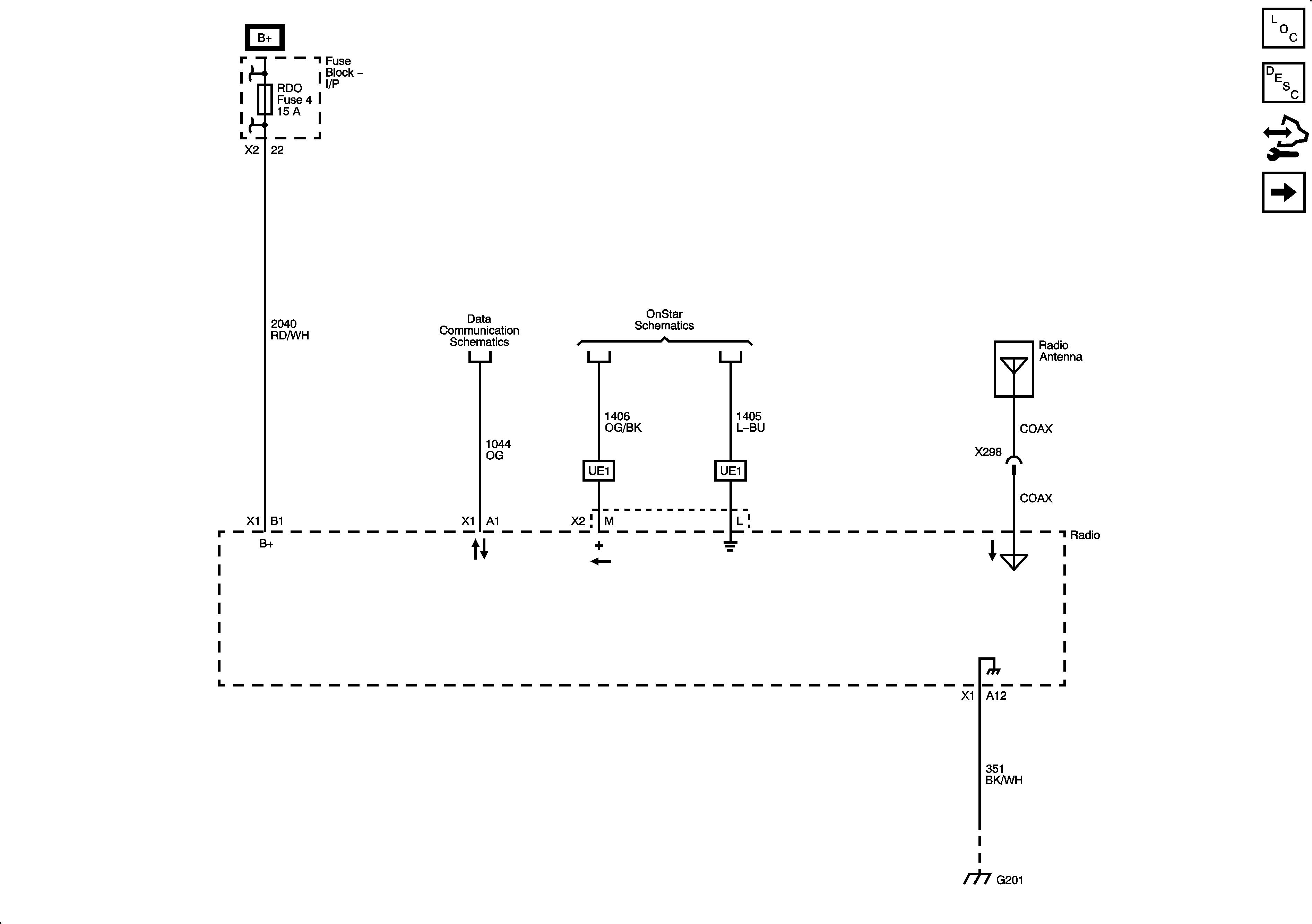
Figure 1:

Antennas, Ground, Power, and Subsystem References


Object Number: 2060779  Size: FS
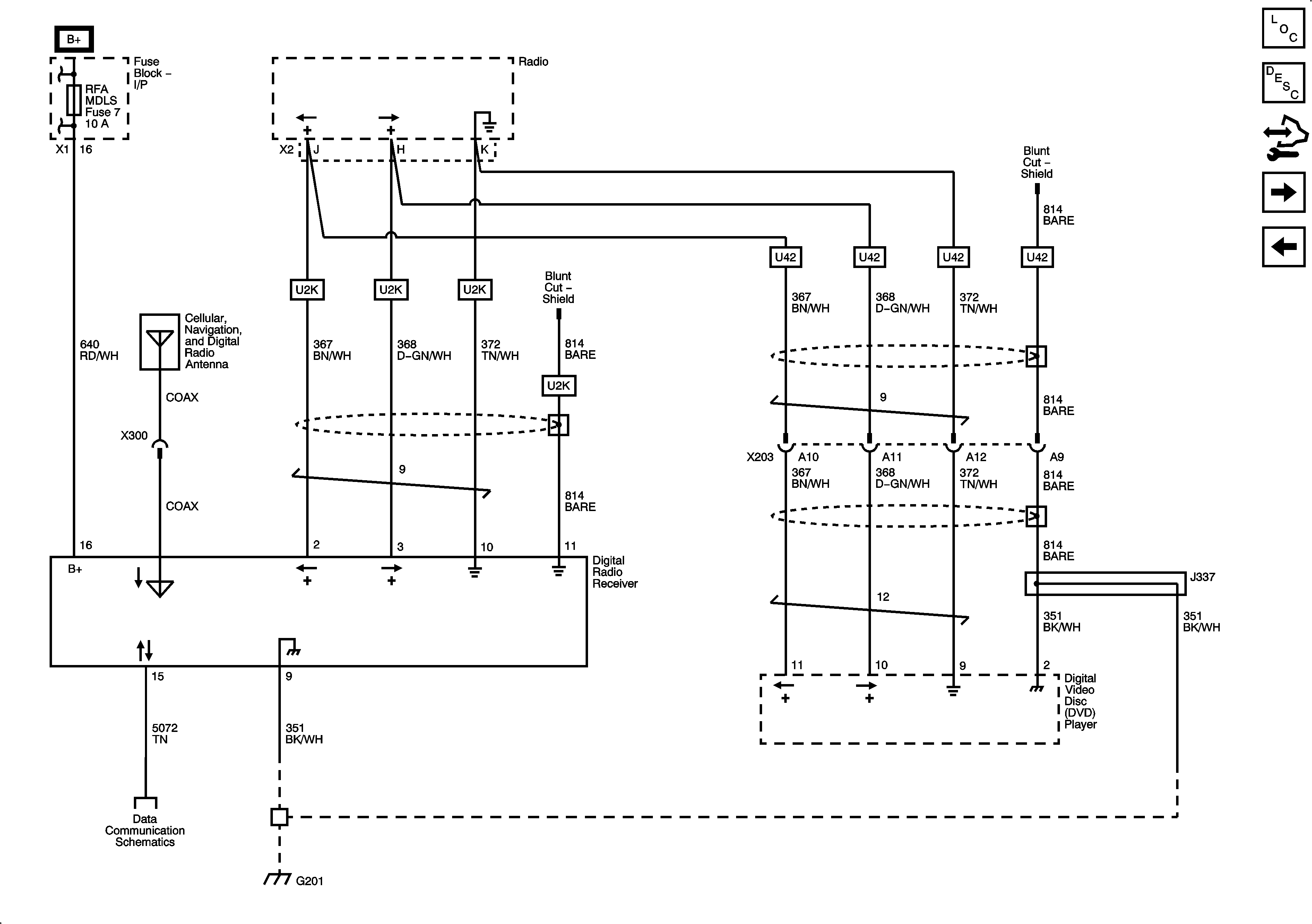
Figure 2:

DVD and Satellite Audio Sources


Object Number: 2060781  Size: FS
Figure 3:

Front Speakers


Object Number: 2060783  Size: FS
Figure 4:

Rear Speakers (without U42)


Object Number: 2060802  Size: FS
Figure 5:

Rear Speakers (U42)


Object Number: 2060814  Size: FS
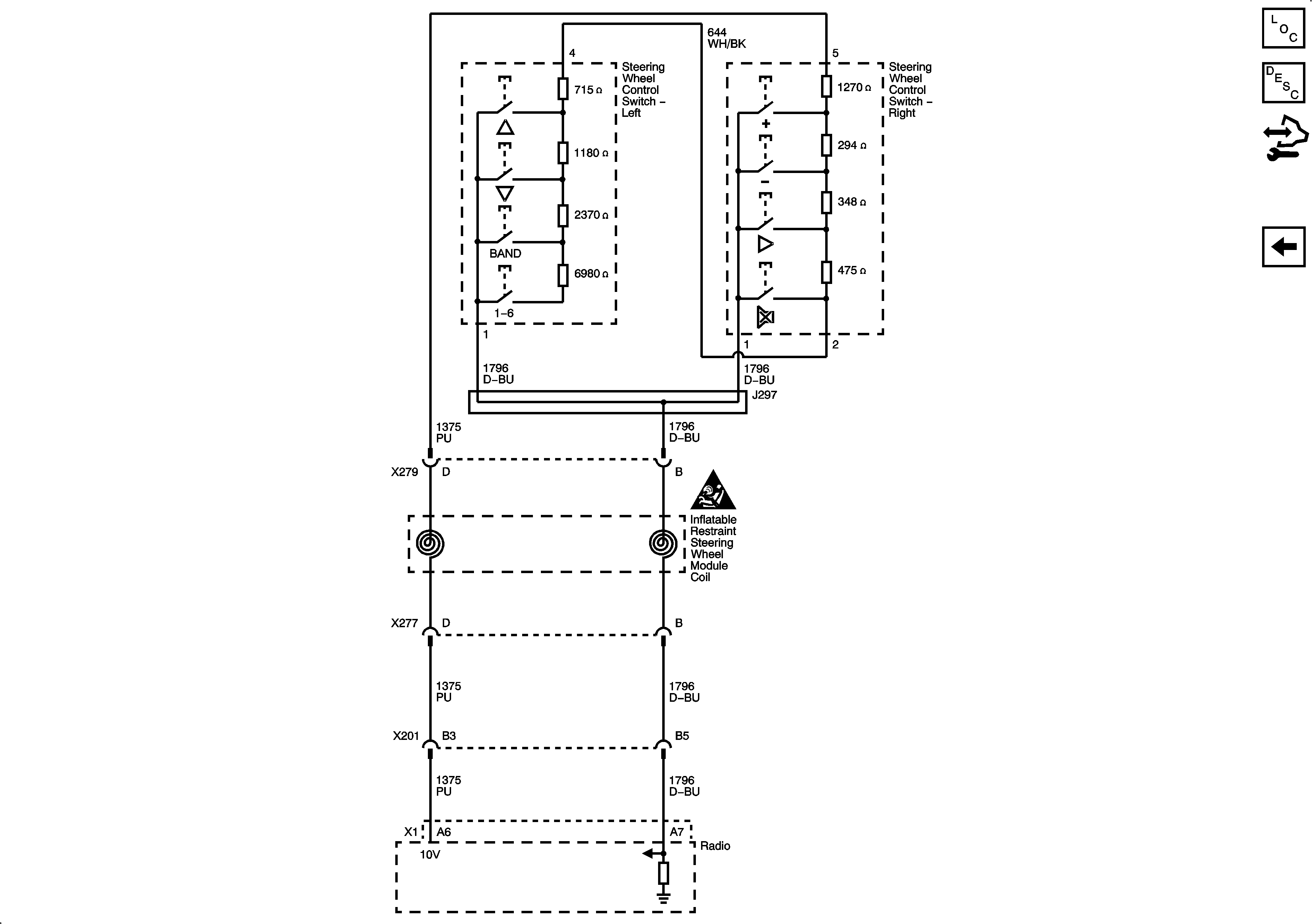
Figure 6:

Steering Wheel Controls


Object Number: 2060819  Size: FS