GM Service Manual Online
For 1990-2009 cars only
Makes
🢒
Pontiac
🢒
2009
🢒
Montana SV6 Ext.
🢒
Driver Information and Entertainment
🢒
Displays and Gages
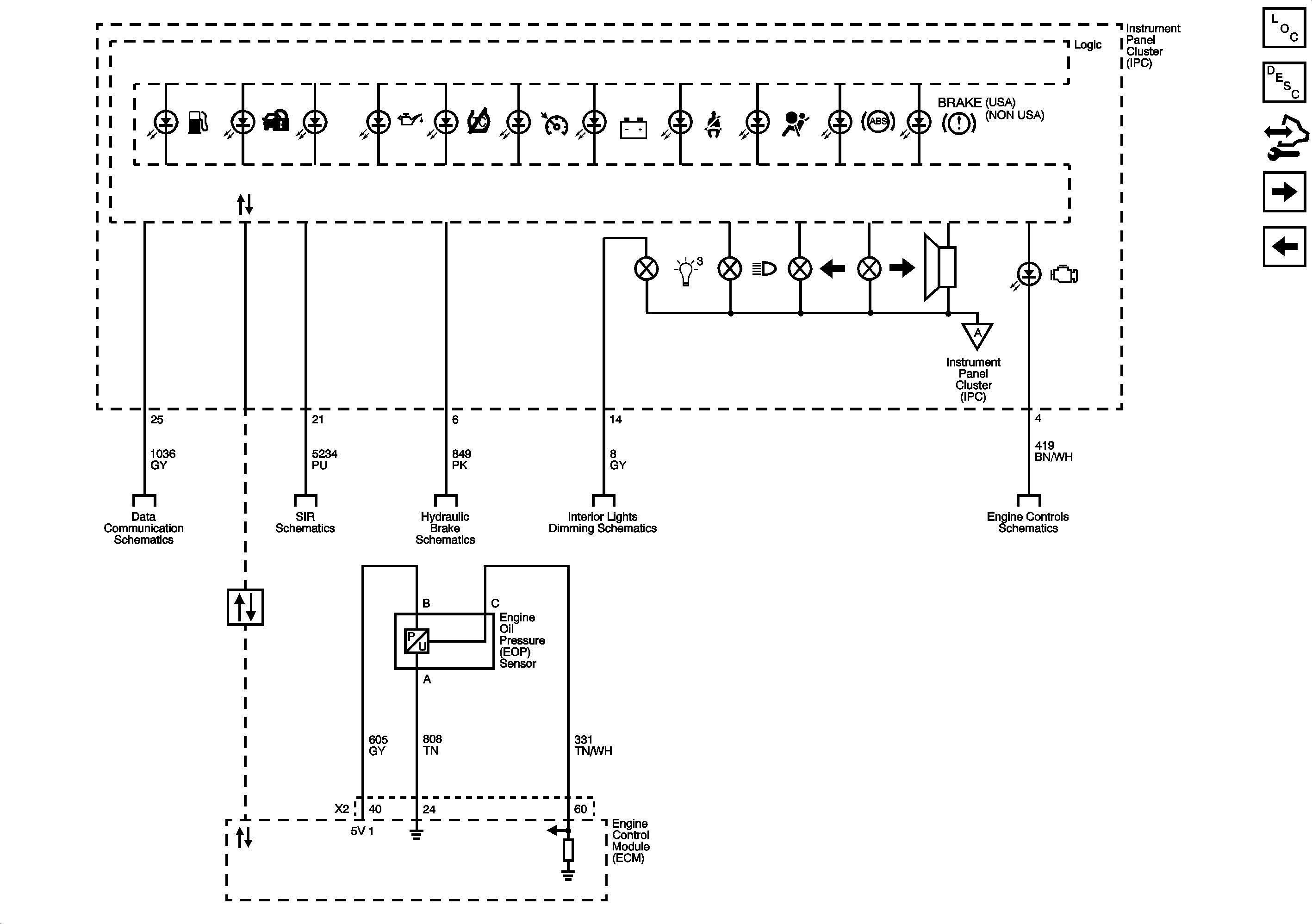
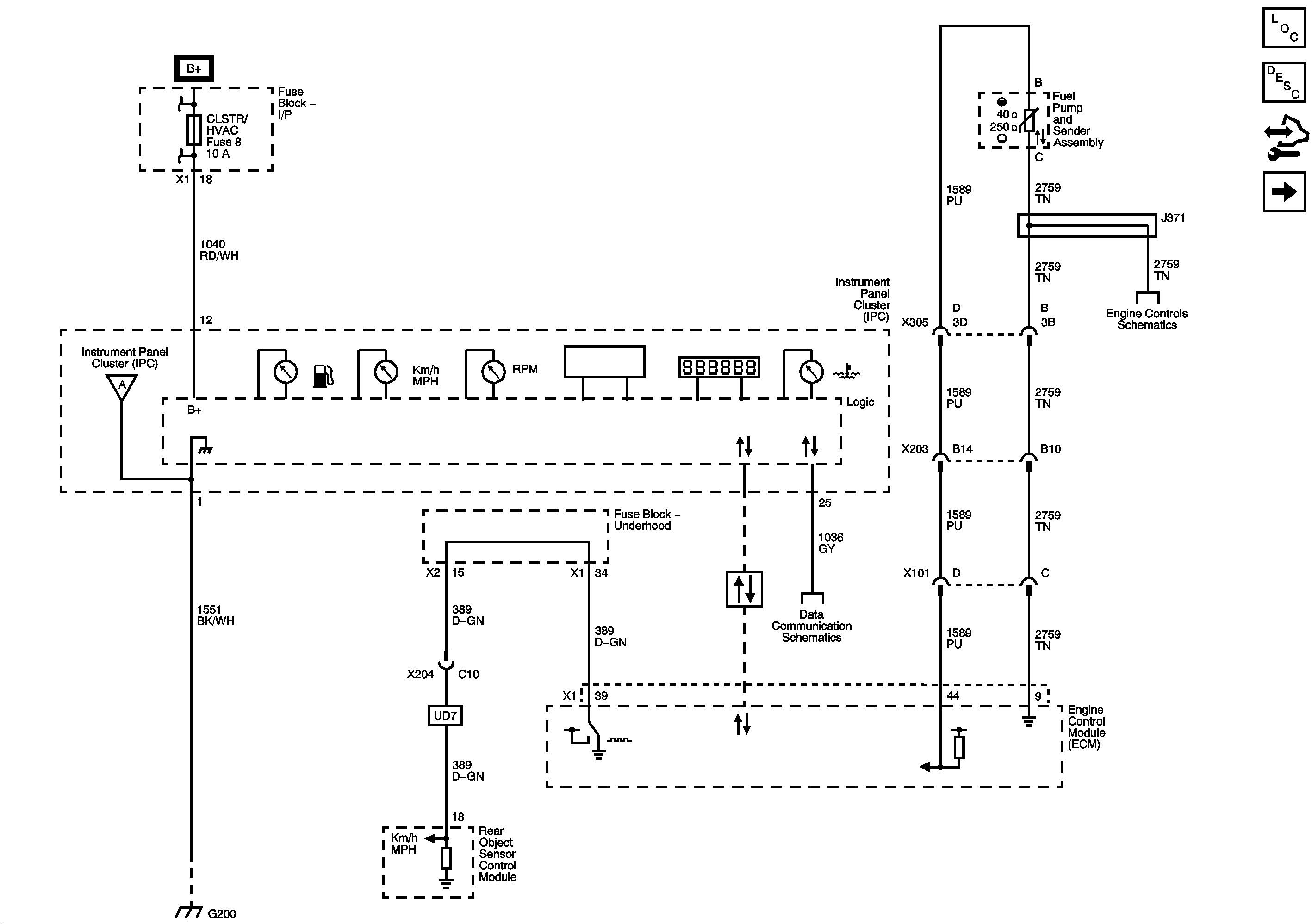
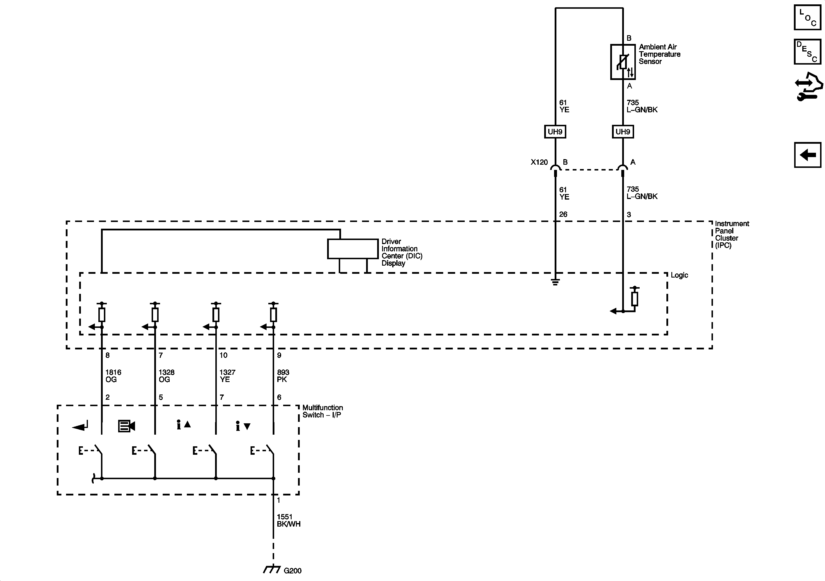
🢒 Instrument Cluster Schematics
Figure
1:
Gages, Ground, and Power
Figure
2:
Indicators and Lighting
Figure
3:
Messages